GM Service Manual Online
For 1990-2009 cars only
Makes
🢒
GMC_Truck
🢒
2007
🢒
Savana
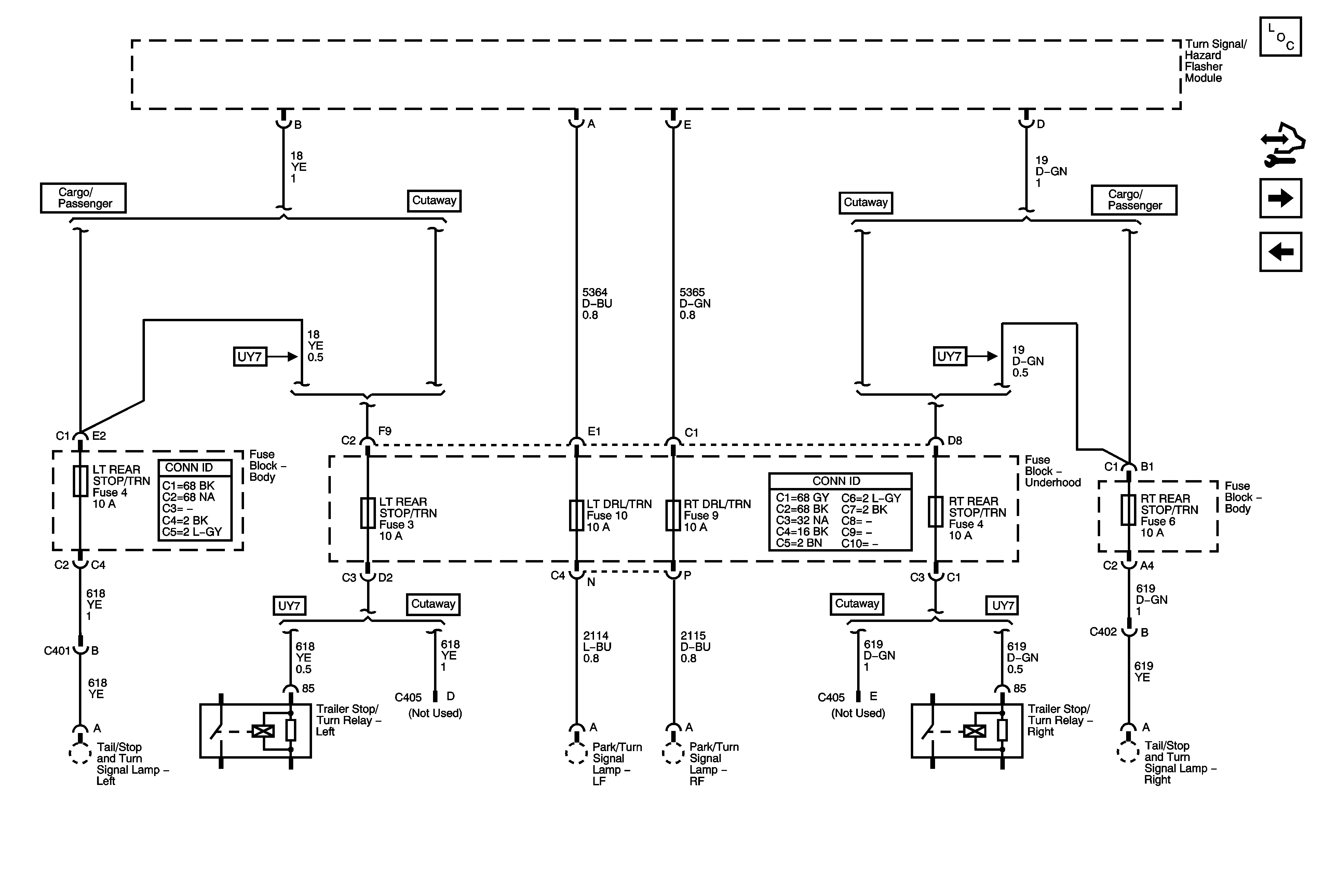
🢒 LT REAR STOP/TRN, LT DRL/TRN, RT DRL/TRN, and RT REAR STOP/TRN Fuses
LT REAR STOP/TRN, LT DRL/TRN, RT DRL/TRN, and RT REAR STOP/TRN Fuses
LT REAR STOP/TRN, LT DRL/TRN, RT DRL/TRN and RT REAR STOP/TRN Fuses
Master Electrical Component List
Control Module References
DRV PWR TRN MIR, PASS TRN MIR and STOP/CHMSL Fuses
DOME FLUORESCENT WORK LAMPS and PANEL ACTUATOR Fuses