GM Service Manual Online
For 1990-2009 cars only
Makes
🢒
GMC_Truck
🢒
2007
🢒
Savana
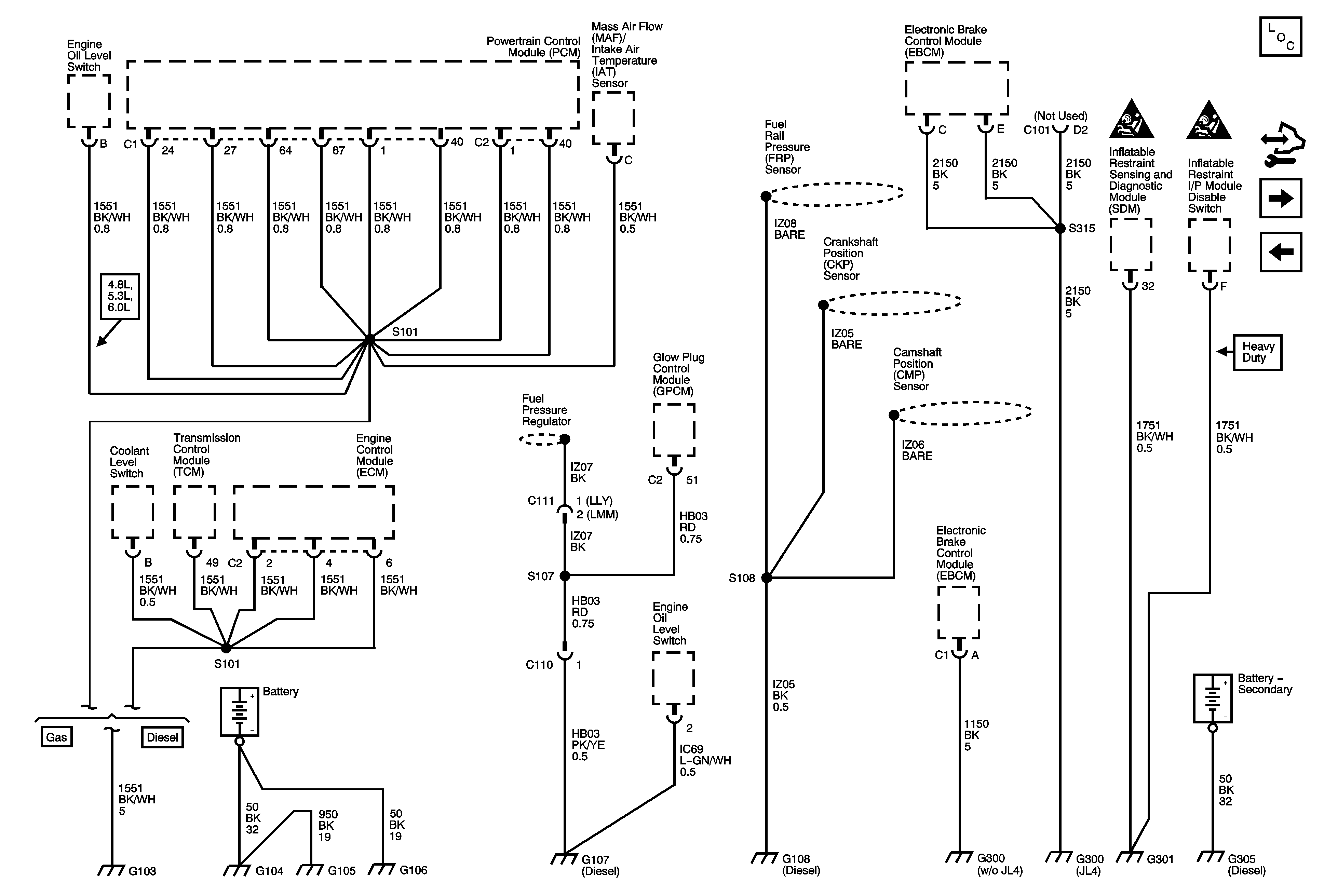
🢒 G103, G104, G105, G106, G107, G108, G300, G301 and G305
G103, G104, G105, G106, G107, G108, G300, G301 and G305
G103, G104, G105, G106, G107, G108, G300, G301, and G305
Master Electrical Component List
Control Module References
G302
G102
SIR Caution for Zoning
SIR Caution for Zoning