GM Service Manual Online
For 1990-2009 cars only
Makes
🢒
GMC_Truck
🢒
2007
🢒
Savana
🢒 G347 - 3 of 3
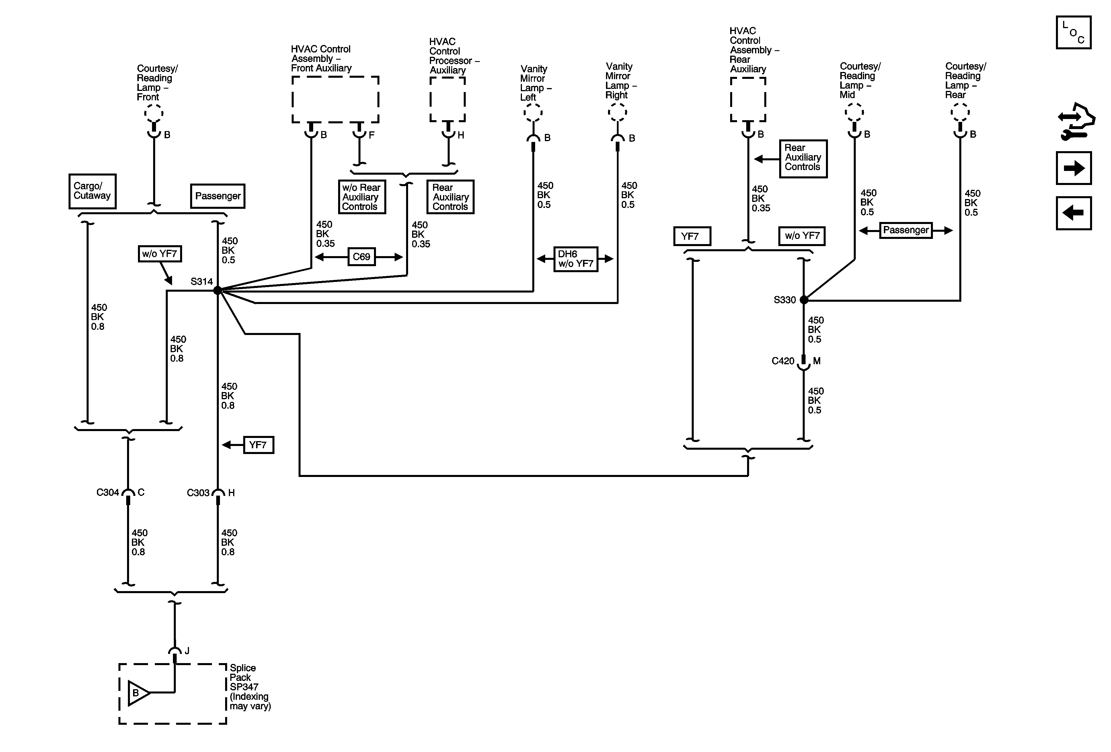
G347 - 3 of 3
G347 - 3 of 3
Master Electrical Component List
Control Module References
G400
G347 - 2 of 3
G347 - 2 of 3