GM Service Manual Online
For 1990-2009 cars only
Makes
🢒
GMC_Truck
🢒
2007
🢒
Savana
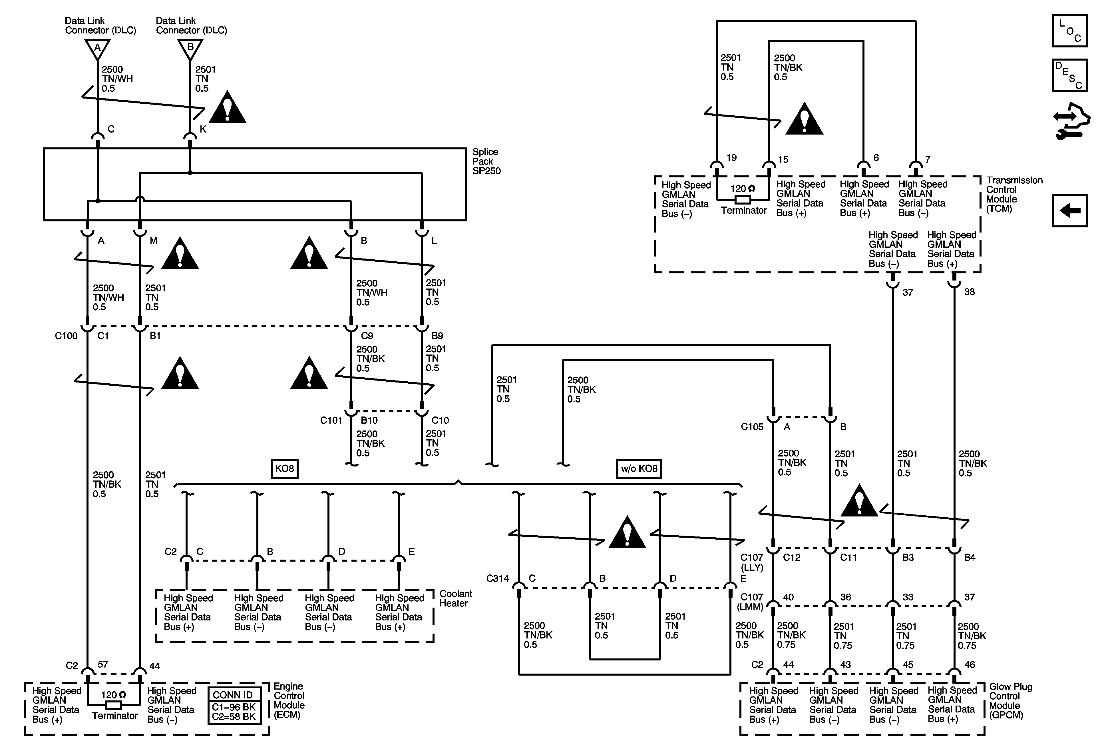
🢒 High Speed GMLAN and Splice Pack SP250 - Diesel
High Speed GMLAN and Splice Pack SP250 - Diesel
High Speed GMLAN and Splice Pack SP250 - Diesel
Master Electrical Component List
Data Link Communications Description and Operation
Control Module References
Power, Ground, DLC and Splice Pack SP200
Power, Ground, DLC and Splice Pack SP200
Power, Ground, DLC and Splice Pack SP200
Data Communication Schematic Icons
Data Communication Schematic Icons
Data Communication Schematic Icons
Data Communication Schematic Icons
Data Communication Schematic Icons
Data Communication Schematic Icons
Data Communication Schematic Icons
Data Communication Schematic Icons