GM Service Manual Online
For 1990-2009 cars only
Makes
🢒
GMC_Truck
🢒
2008
🢒
Savana
🢒
Engine
🢒
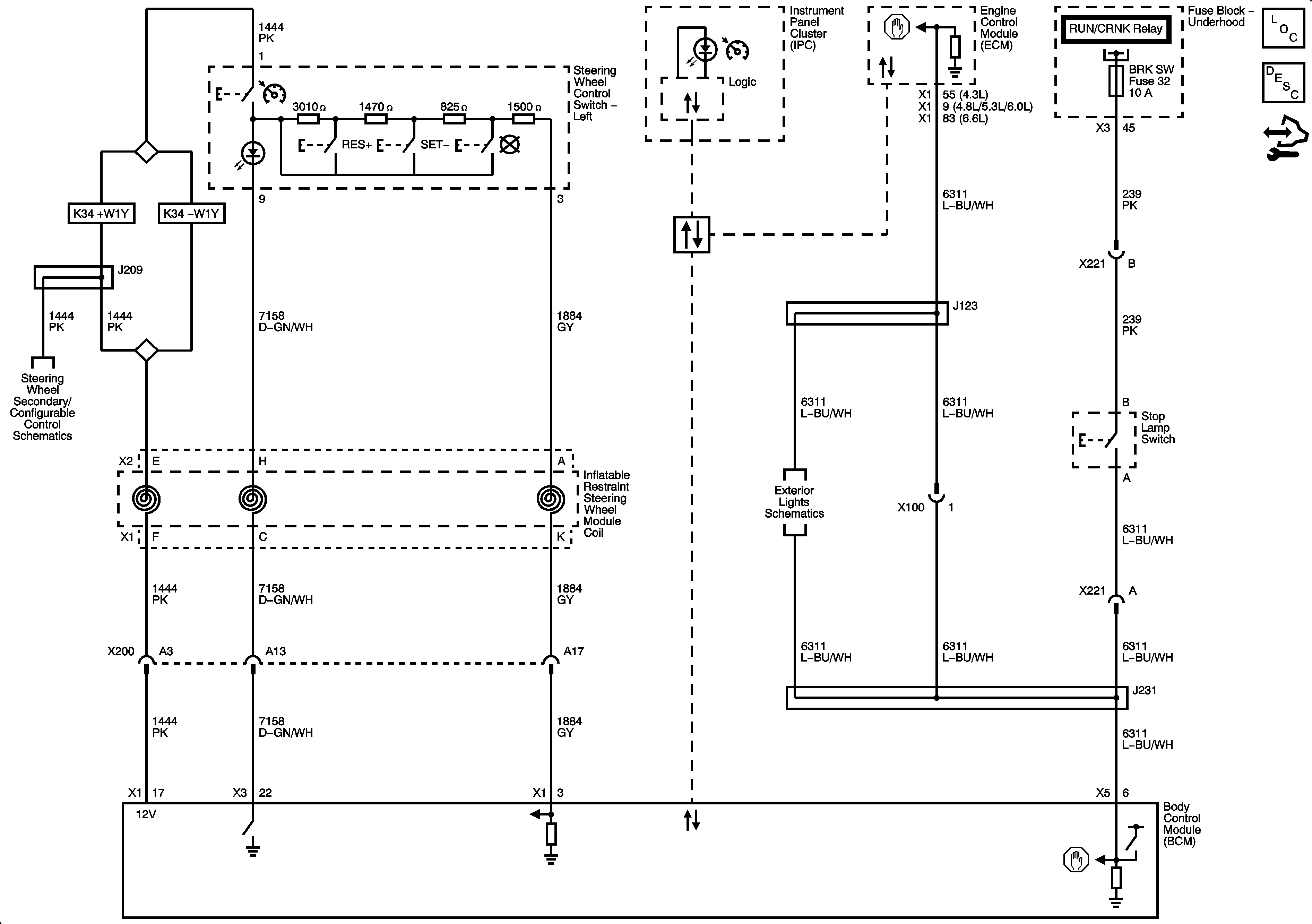
Cruise Control
🢒 Cruise Control Schematics
Master Electrical Component List
Cruise Control Description and Operation
Control Module References