GM Service Manual Online
For 1990-2009 cars only

Removal Procedure

Important: Clean all the fuel pipe connections and surrounding areas before disconnecting the pipes in order to avoid possible fuel system contamination.


    Object Number: 1945468  Size: SH
  1. Relieve the fuel system pressure. Refer to Fuel Pressure Relief .
  2. Disconnect the chassis fuel feed pipe from the engine compartment feed pipe. Refer to Metal Collar Quick Connect Fitting Service .
  3. Cap the fuel pipe in order to prevent possible fuel system contamination.
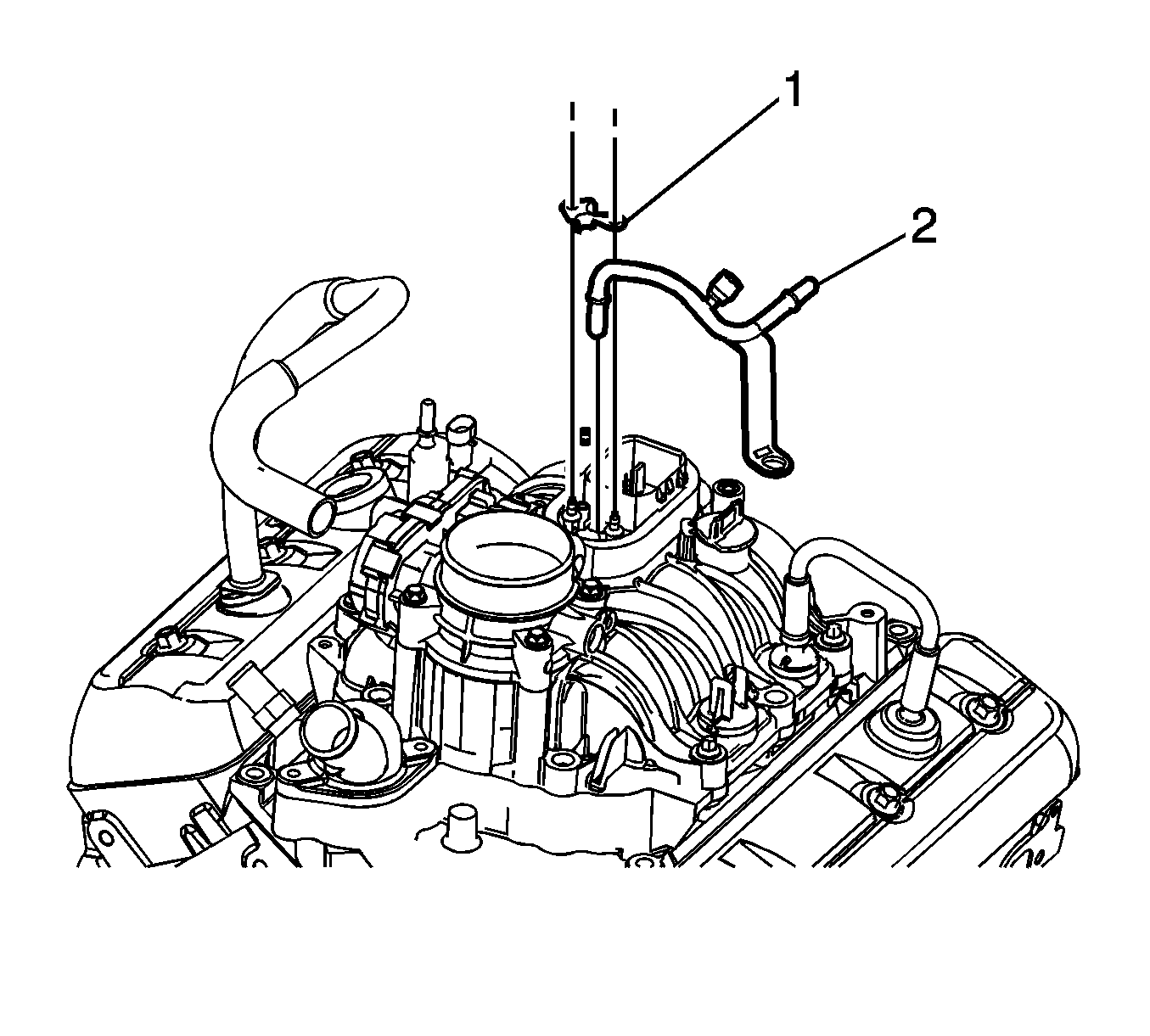
  4. Remove the fuel pipe retainer nuts (1).
  5. Remove the fuel pipe bracket bolt (2).

  6. Object Number: 1945469  Size: SH
  7. Remove the fuel pipe retainer (1).
  8. Pull straight up on the pipe (2) in order to remove the pipe from the fuel meter body.

  9. Object Number: 1945471  Size: SH
  10. Remove and discard the following components from the fuel meter body.
  11. • Fuel seal retainer (1)
    • Upper fuel seal (2)
    • Spacer ring (3)
    • Lower fuel seal (4)

Installation Procedure


    Object Number: 1945471  Size: SH
  1. Install the following NEW components to the fuel meter body.
  2. • Lower fuel seal (4)
    • Spacer ring (3)
    • Upper fuel seal (2)
    • Fuel seal retainer (1)

    Object Number: 1945469  Size: SH

    Caution: Always apply a few drops of clean engine oil to the male pipe ends before connecting the fuel pipe fittings in order to reduce the risk of fire and personal injury. This will ensure proper reconnection and prevent a possible fuel leak. During normal operation, the O-rings located in the female connector will swell and may prevent proper reconnection if not lubricated.

  3. Apply a few drops of clean engine oil to the fuel pipe end.
  4. Install the fuel pipe to the fuel meter body.
  5. Install the fuel pipe retainer (1).
  6. Notice: Refer to Fastener Notice in the Preface section.


    Object Number: 1945468  Size: SH
  7. Install the fuel pipe bracket bolt (2).
  8. Tighten
    Tighten the bolt to 6 N·m (53 lb in).

  9. Install the fuel pipe retainer nuts (1).
  10. Tighten
    Tighten the nuts to 3 N·m (27 lb in).

  11. Remove the cap from the chassis fuel pipe.
  12. Connect the chassis fuel feed pipe to the engine compartment feed pipe. Refer to Metal Collar Quick Connect Fitting Service .
  13. Install the engine cover. Refer to Engine Cover Replacement .