GM Service Manual Online
For 1990-2009 cars only
Figure 1:

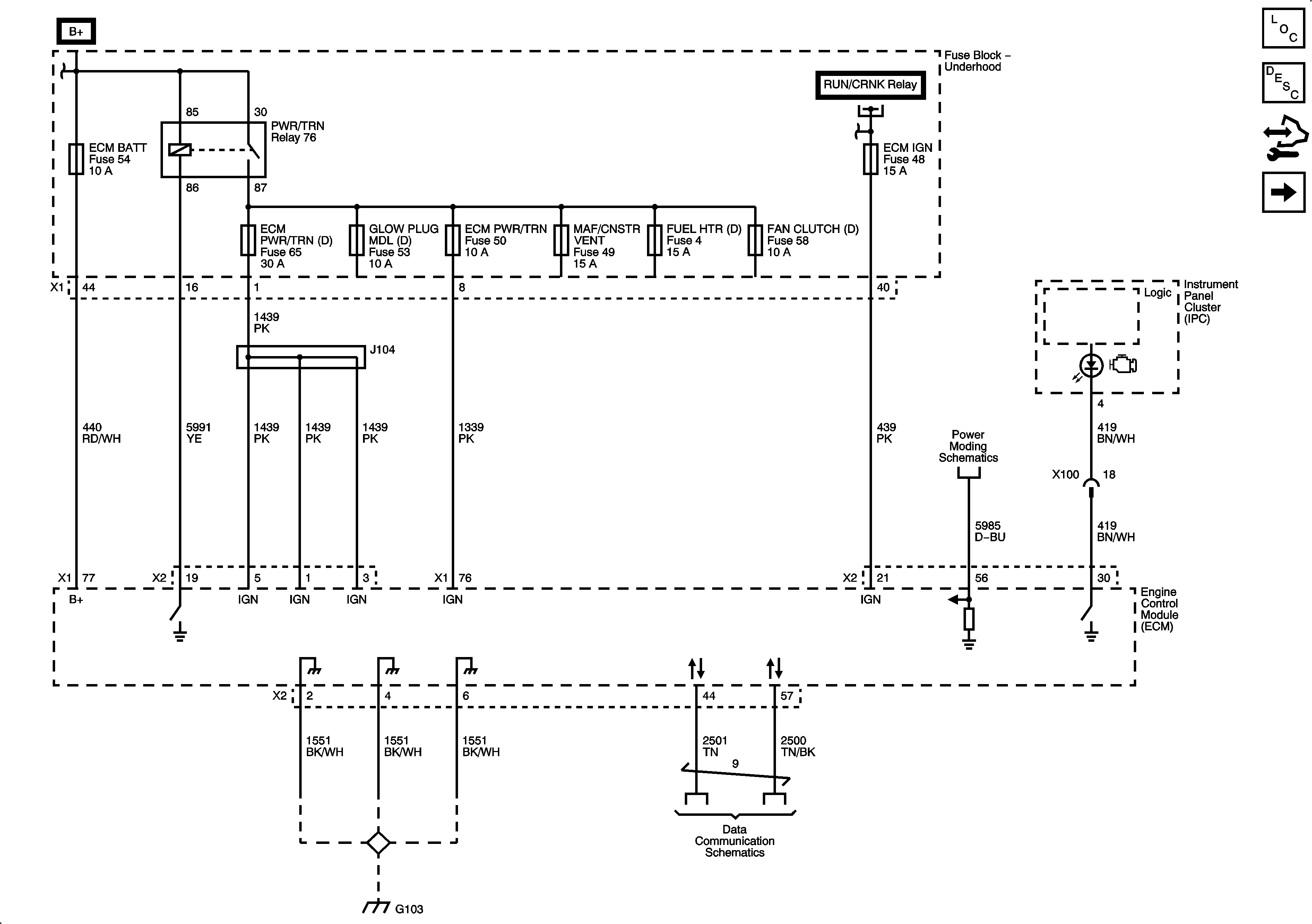
Module Power, Ground, Serial Data and MIL


Object Number: 1878790  Size: FS
Master Electrical Component List
Engine Control Module Description
Control Module References
Engine Data Sensors - 5-Volt and Low Reference 1 of 2
Figure 2:

Engine Data Sensors - 5-Volt and Low References (1 of 2)


Object Number: 1878796  Size: FS
Master Electrical Component List
Engine Control Module Description
Control Module References
Engine Data Sensors - 5-Volt and Low Reference 2 of 2
Module Power, Ground, Serial Data and MIL
Figure 3:

Engine Data Sensors - 5-Volt and Low References (2 of 2)


Object Number: 1878799  Size: FS
Master Electrical Component List
Engine Control Module Description
Control Module References
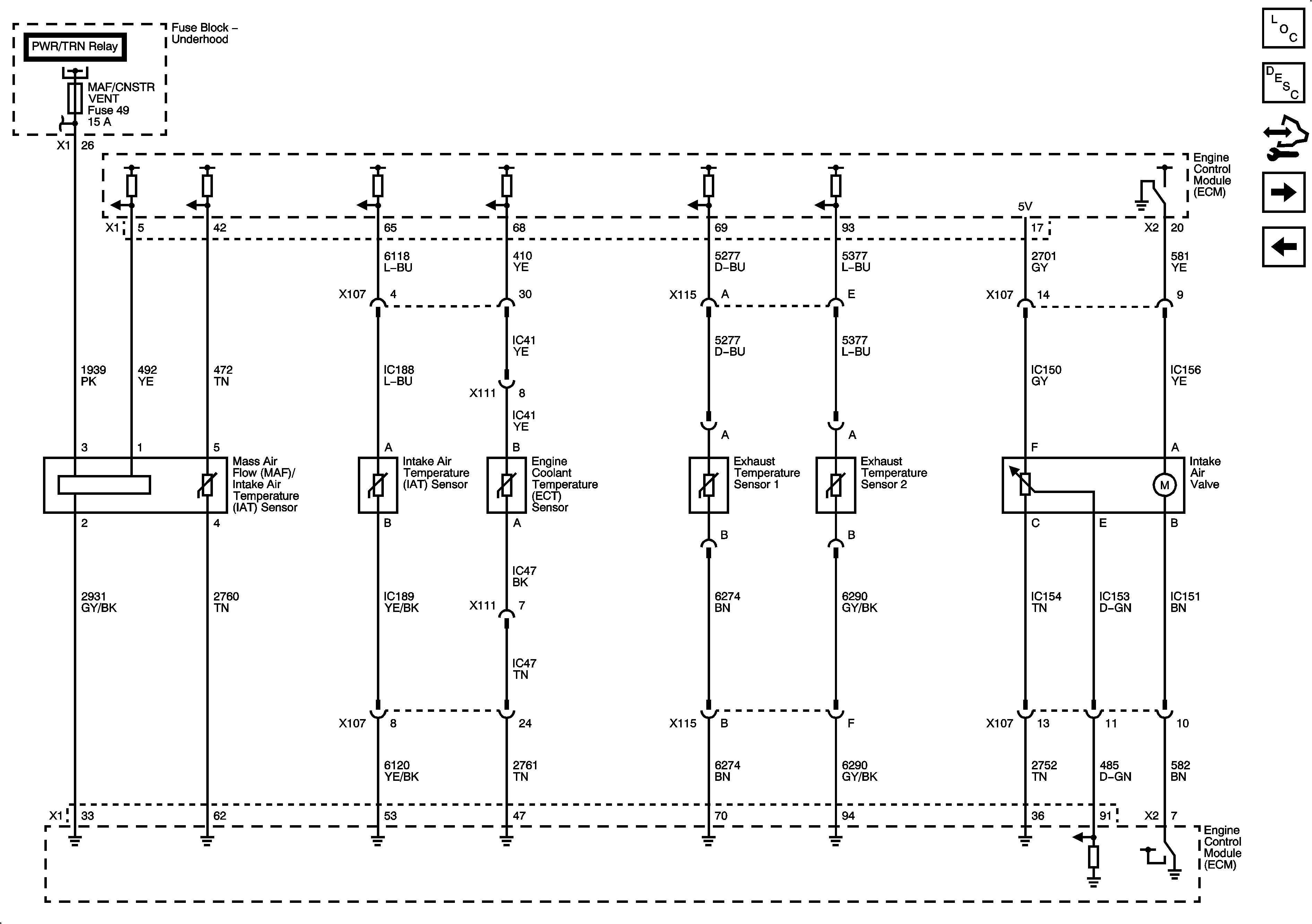
Engine Data Sensors - Temperature, AI and MAF
Engine Data Sensors - 5-Volt and Low Reference 1 of 2
Figure 4:

Engine Data Sensors - Temperature, AI and MAF


Object Number: 1878802  Size: FS
Master Electrical Component List
Engine Control Module Description
Control Module References
Engine Data Sensors - Pressure and WIF
Engine Data Sensors - 5-Volt and Low Reference 2 of 2
Figure 5:

Engine Data Sensors - Pressure and WIF


Object Number: 1878807  Size: FS
Master Electrical Component List
Engine Control Module Description
Control Module References
Engine Data Sensors - EGR and Turbocharger Controls
Engine Data Sensors - Temperature, AI and MAF
Figure 6:

Engine Data Sensors - EGR and Turbocharger Controls


Object Number: 1878812  Size: FS
Master Electrical Component List
Turbocharger System Description
Control Module References
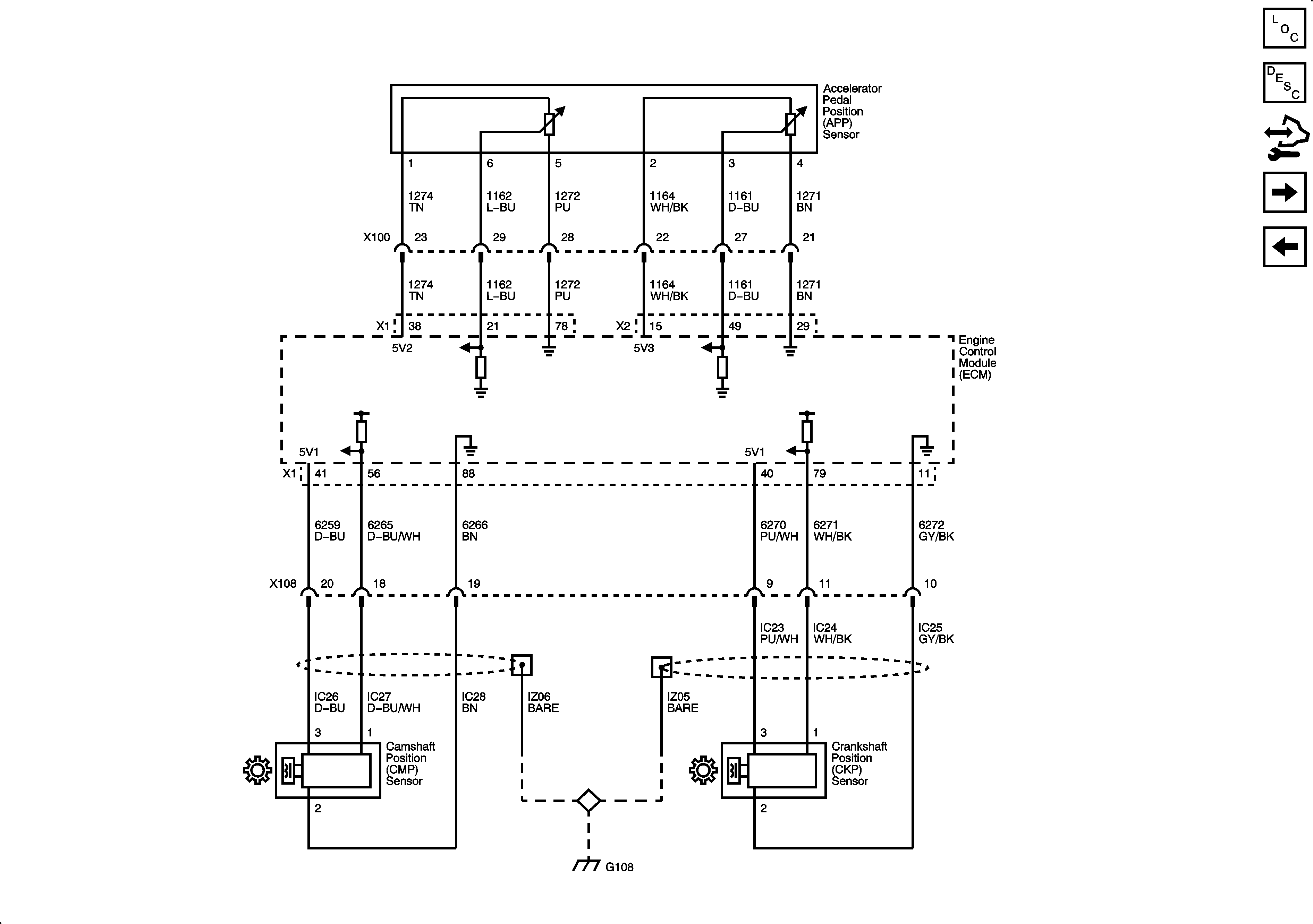
Engine Data Sensors - Pedal Position and Injector Timing
Engine Data Sensors - Pressure and WIF
Figure 7:

Engine Data Sensors - Pedal Position and Injector Timing


Object Number: 1878817  Size: FS
Master Electrical Component List
Accelerator Pedal Position System Description
Control Module References
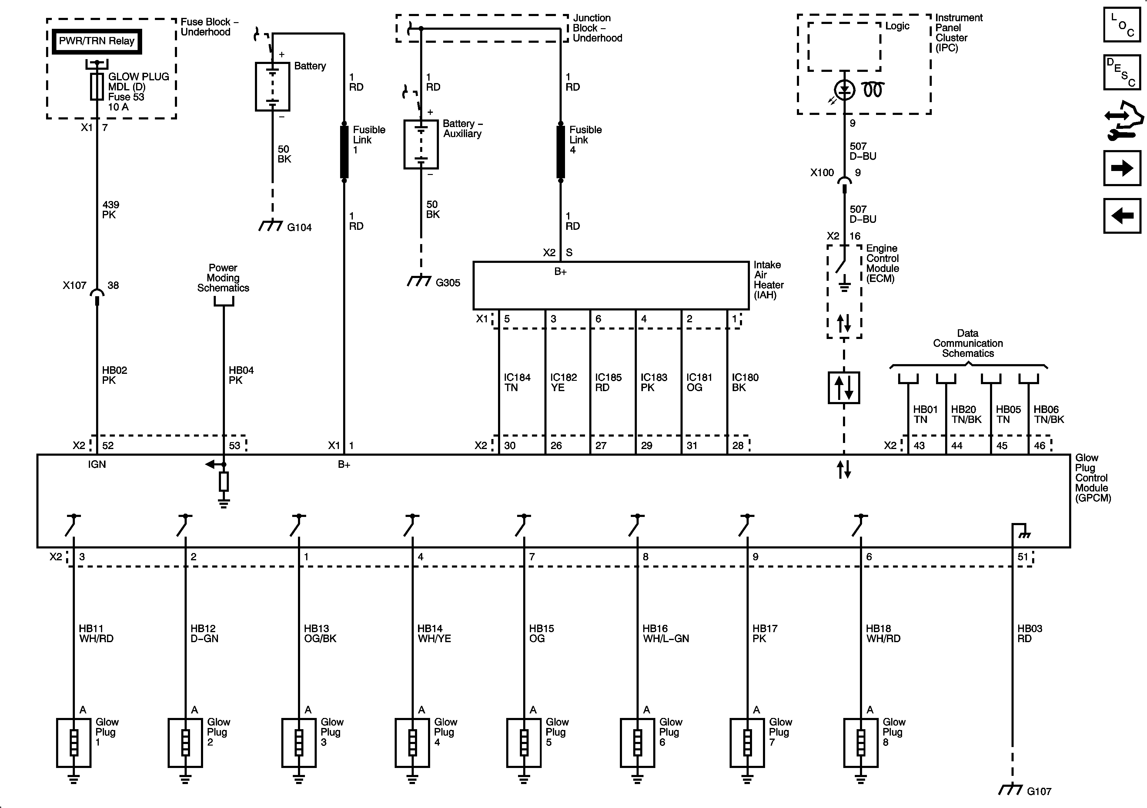
Engine Data Sensors - Glow Plug Controls and Intake Air Heater (IAH)
Engine Data Sensors - EGR and Turbocharger Controls
Figure 8:

Engine Data Sensors - Glow Plug Controls and Intake Air Heater


Object Number: 1878819  Size: FS
Master Electrical Component List
Glow Plug System Description
Control Module References
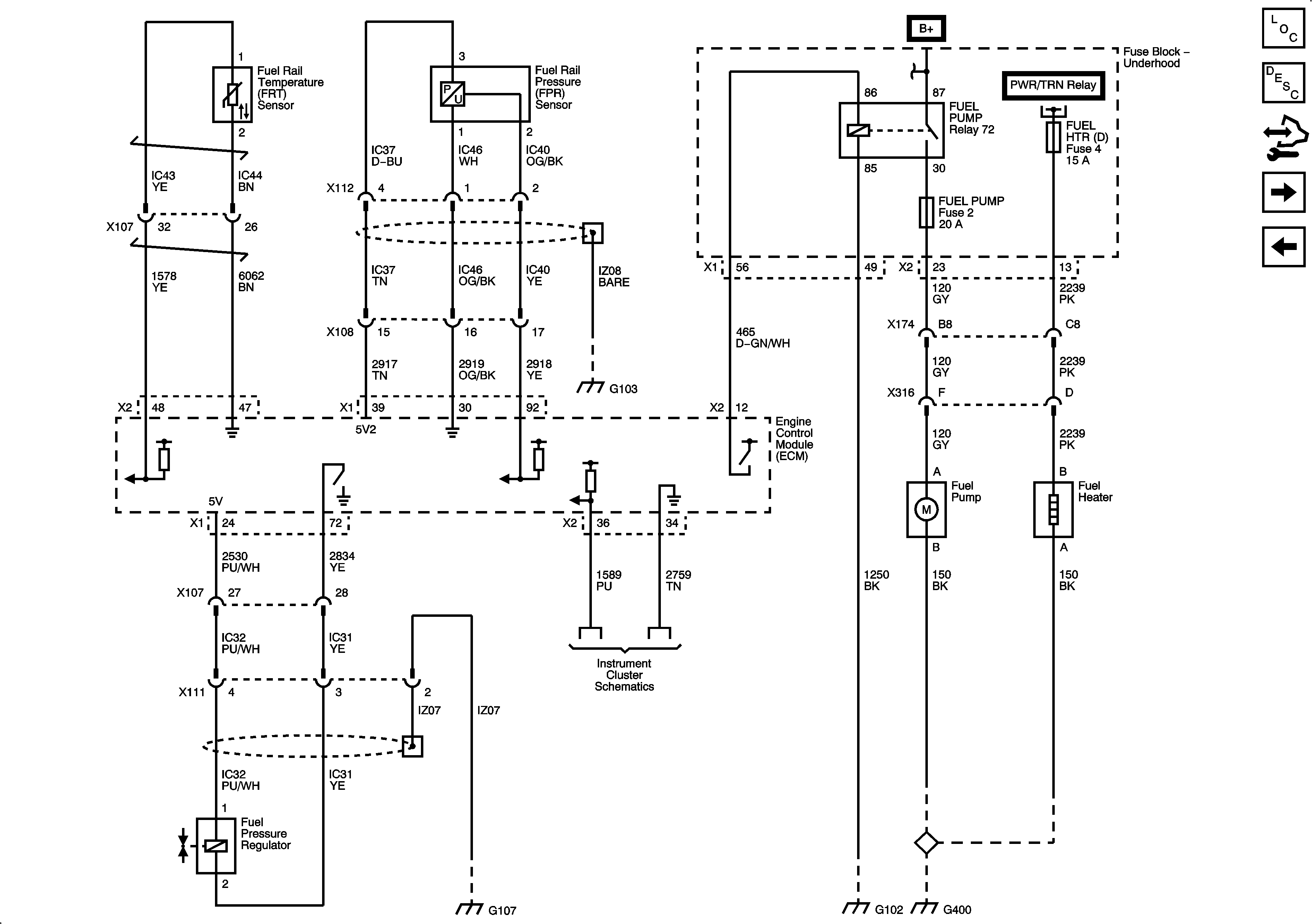
Fuel Controls - Fuel Pump, Temperature and Pressure Controls
Engine Data Sensors - Pedal Position and Injector Timing
Figure 9:

Fuel Controls - Fuel Pump, Temperature and Pressure Controls


Object Number: 1878824  Size: FS
Master Electrical Component List
Fuel System Description
Control Module References
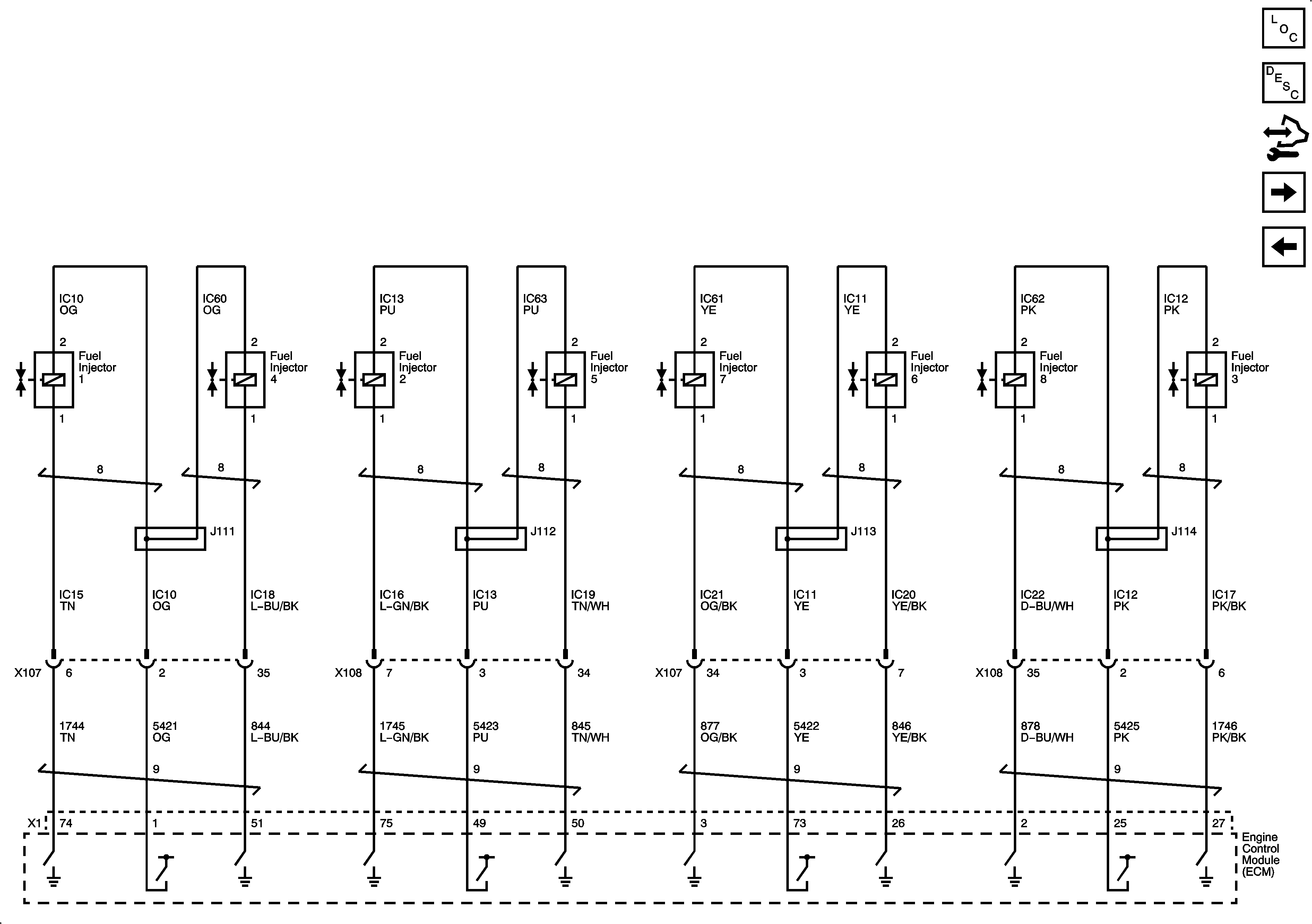
Fuel Controls - Fuel Injectors
Engine Data Sensors - Glow Plug Controls and Intake Air Heater (IAH)
Figure 10:

Fuel Controls - Fuel Injectors


Object Number: 1878828  Size: FS
Master Electrical Component List
Fuel System Description
Control Module References
Controlled/Monitored Subsystem References
Fuel Controls - Fuel Pump, Temperature and Pressure Controls
Figure 11:

Controlled/Monitored Subsystem References


Object Number: 1878832  Size: FS
Master Electrical Component List
Engine Control Module Description
Control Module References
Fuel Controls - Fuel Injectors