GM Service Manual Online
For 1990-2009 cars only
Makes
🢒
GMC_Truck
🢒
2008
🢒
Savana
🢒
Engine
🢒
Engine Cooling
🢒 Engine Cooling Schematics
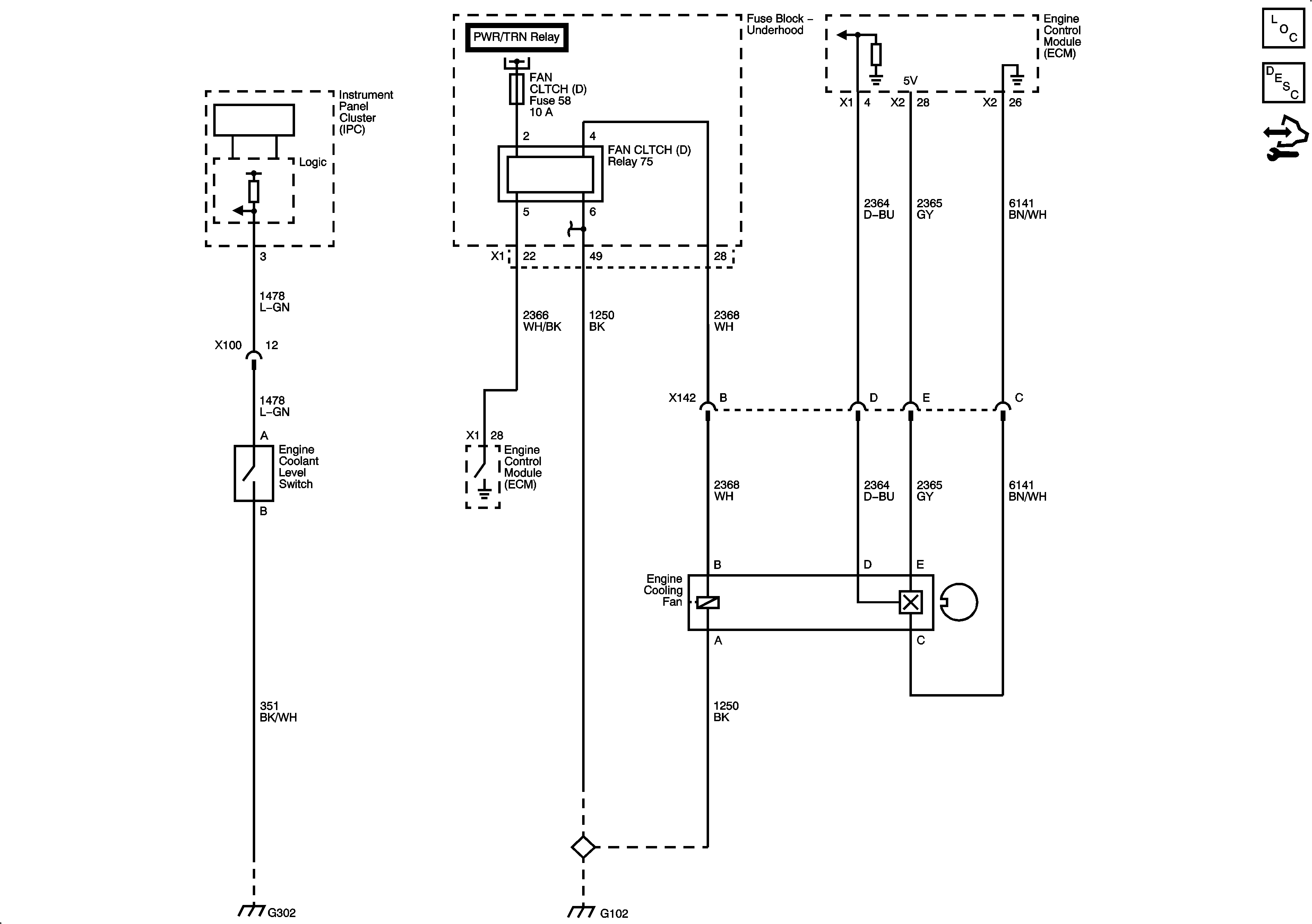
Engine Cooling Schematics 6.6L
Master Electrical Component List
Cooling System Description and Operation
Control Module References