GM Service Manual Online
For 1990-2009 cars only

Battery Negative Cable Replacement 6.6L - Primary

Removal Procedure

  1. Disconnect the battery negative cable from the battery . Refer to Battery Negative Cable Disconnection and Connection .

  2. Object Number: 105205  Size: SH
  3. Disconnect the battery negative cable lead from the inner fender panel.

  4. Object Number: 1661281  Size: SH
  5. Disconnect the battery negative cable lead from the engine block.
  6. Remove the battery negative cable from the vehicle.

Installation Procedure


    Object Number: 105205  Size: SH
  1. Install the battery negative cable to the vehicle.
  2. Notice: Refer to Fastener Notice in the Preface section.


    Object Number: 1661281  Size: SH
  3. Connect the battery negative cable lead to the engine block.
  4. Tighten
    Tighten the bolt that retains the battery negative cable lead to the engine block to 25 N·m (18 lb ft).


    Object Number: 105205  Size: SH
  5. Connect the negative cable lead to the inner fender panel.
  6. Tighten
    Tighten the nut that retains the negative cable to the inner fender well to 10 N·m (89 lb in).

  7. Connect the negative cable to the battery. Refer to Battery Negative Cable Disconnection and Connection .
  8. Tighten
    Tighten the negative cable terminal bolt to 14 N·m (123 lb in).

Battery Negative Cable Replacement 6.6L - Auxiliary

Removal Procedure


    Object Number: 105191  Size: SH
  1. Raise the vehicle. Refer to Lifting and Jacking the Vehicle .
  2. Disconnect the battery negative cable from the auxiliary battery. Refer to Battery Negative Cable Disconnection and Connection .
  3. Disconnect the negative ground leads from the frame.
  4. Remove the battery negative cable from the vehicle.

Installation Procedure


    Object Number: 105191  Size: SH
  1. Install the battery negative cable to the vehicle.
  2. Notice: Refer to Fastener Notice in the Preface section.

  3. Connect the negative ground leads to the frame.
  4. Tighten
    Tighten the negative ground leads to 10 N·m (89 lb in).

  5. Connect the battery negative cable to the auxiliary battery.
  6. Tighten
    Tighten the bolt to 14 N·m (123 in lb).

Battery Negative Cable Replacement 4.8L /5.3L / 6.0L

Removal Procedure

  1. On all models, disconnect the battery negative cable from the battery . Refer to Battery Negative Cable Disconnection and Connection .

  2. Object Number: 105205  Size: SH
  3. Disconnect the battery negative cable lead from the inner fender panel.

  4. Object Number: 1816948  Size: SH
  5. On models with 5.3L engine, disconnect the battery negative cable lead from the frame.

  6. Object Number: 1816971  Size: SH
  7. On all models, disconnect the battery negative cable lead from the engine block.

  8. Object Number: 1817020  Size: SH
  9. On models with 4.8L and 6.0L engine, disconnect the battery negative cable lead from the frame.

  10. Object Number: 105205  Size: SH
  11. On all models, remove the battery negative cable from the vehicle.

Installation Procedure


    Object Number: 105205  Size: SH
  1. On all models, install the negative cable to the vehicle.

  2. Object Number: 1817020  Size: SH
  3. On models with 4.8L and 6.0L engine, connect the negative cable to the frame.
  4. Notice: Refer to Fastener Notice in the Preface section.


    Object Number: 1816971  Size: SH
  5. On all models, connect the negative cable to the engine block.
  6. Tighten
    Tighten the bolt that retains the negative cable to the engine block to 25 N·m (18 lb ft).


    Object Number: 1816948  Size: SH
  7. On models with 5.3L engine, connect the negative cable lead to the frame.

  8. Object Number: 105205  Size: SH
  9. On all models, connect the negative cable lead to the inner fender panel.
  10. Tighten
    Tighten the nut that retains the battery negative cable to the inner fender well to 10 N·m (89 lb in).

  11. Connect the negative cable to the battery. Refer to Battery Negative Cable Disconnection and Connection .
  12. Tighten
    Tighten the battery negative terminal bolt to 14 N·m (123 lb in).

Battery Negative Cable Replacement 4.3L

Removal Procedure


    Object Number: 2016074  Size: SH
  1. Disconnect the negative battery cable (4). Refer to Battery Negative Cable Disconnection and Connection .
  2. Remove the negative battery cable ground bolt (2) from the inner fender panel.
  3. Remove the negative battery cable ground lead (3) from the inner fender panel.
  4. Raise and support the vehicle. Refer to Lifting and Jacking the Vehicle .

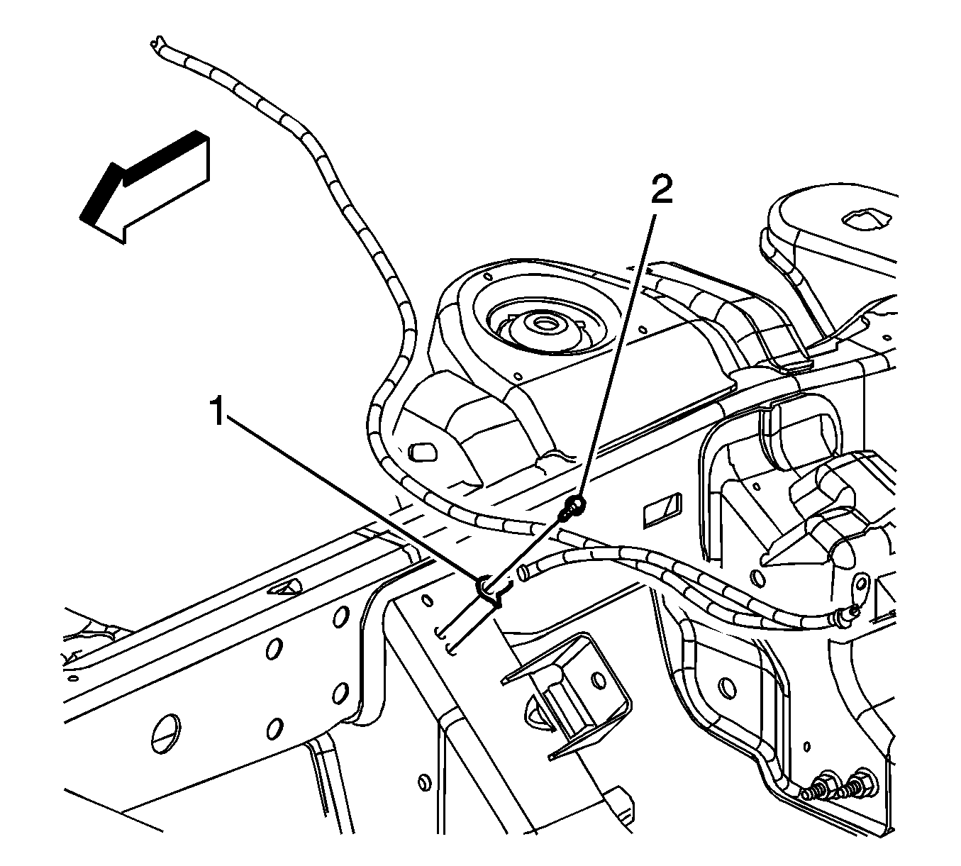
  5. Object Number: 1951145  Size: SH
  6. Remove the negative battery cable ground lead bolt (2) at the crossmember.
  7. Remove the negative battery cable ground (1) from the crossmember.

  8. Object Number: 1951143  Size: SH
  9. Remove the negative battery cable ground bolt (2) from the engine block.
  10. Remove the negative battery cable ground (1) from the block.
  11. Lower the vehicle.
  12. Remove the negative battery cable from the vehicle.

Installation Procedure


    Object Number: 1951143  Size: SH
  1. Install the negative battery cable to the vehicle.
  2. Raise the vehicle.
  3. Position the negative cable ground lead (1) to the engine block.
  4. Notice: Refer to Fastener Notice in the Preface section.

  5. Install the negative cable ground bolt (2) to the engine block.
  6. Tighten
    Tighten the bolt to 25 N·m (18 lb ft).


    Object Number: 1951145  Size: SH
  7. Install the negative cable ground lead (1) to the crossmember.
  8. Install the negative cable ground bolt (2) at the crossmember.
  9. Tighten
    Tighten the bolt to 10 N·m (89 lb in).


    Object Number: 2016074  Size: SH
  10. Lower the vehicle.
  11. Position the negative cable ground (3) to the inner fender panel.
  12. Install the negative cable ground bolt (2) to the inner fender panel.
  13. Tighten
    Tighten the bolt to 14 N·m (123 lb in).

  14. Connect the negative cable (4) to the battery. Refer to Battery Negative Cable Disconnection and Connection .