GM Service Manual Online
For 1990-2009 cars only

Special Tools

    • J 36857 Engine Lift Bracket
    • J 43181 Heater Line Quick Connect Release Tool

Removal Procedure

    Important: In order to remove the engine, the vehicle needs to be on a hoist. The front wheels and tires will also require removal. The vehicle will have to be supported by the frame when the tires are removed.

  1. Remove the engine cover. Refer to Engine Cover Replacement .
  2. Remove the cooling layer. Refer to Cooling Layer Removal .
  3. Remove the cooling fan. Refer to Fan Replacement .
  4. Remove the drive belt. Refer to Drive Belt Replacement .
  5. Disconnect the generator electrical connector.
  6. Remove the positive battery cable from the generator, perform the following:
  7. • Slide the boot down to access the terminal stud.
    • Remove the positive cable nut.
    • Remove the positive cable.

    Object Number: 1369547  Size: SH
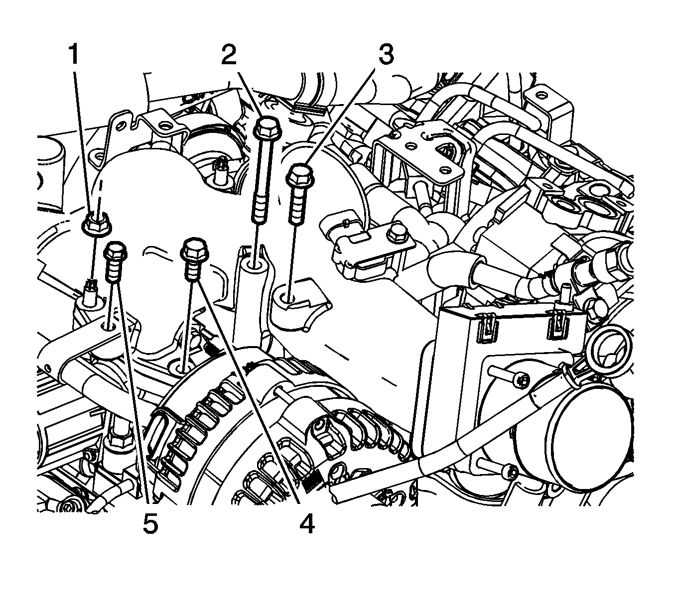
  8. Remove the generator bolts (1).
  9. Remove the generator (2).
  10. Disconnect the right engine wiring harness connector.

  11. Object Number: 1732754  Size: SH
  12. Remove the 2 right engine wiring harness bracket bolts and position aside.

  13. Object Number: 1732762  Size: SH
  14. Remove the 2 wiring harness routing bolts.

  15. Object Number: 1732765  Size: SH
  16. Remove the oil indicator tube bracket bolt.

  17. Object Number: 1334909  Size: SH
  18. Remove the drive belt tensioner bolt and tensioner.

  19. Object Number: 1334912  Size: SH
  20. Remove the bolts and the generator mounting bracket.
  21. If equipped, remove the auxiliary generator. Refer to Auxiliary Generator Replacement .

  22. Object Number: 1733035  Size: SH
  23. Remove the auxiliary generator bracket bolt and bracket, if equipped.
  24. If equipped with a dual generator system, remove the bolt from the left side idler pulley and remove the idler pulley.
  25. Disconnect the air conditioning (A/C) compressor clutch electrical connector.
  26. Disconnect the A/C cut out switch electrical connector.

  27. Object Number: 1733167  Size: SH
  28. Remove the A/C compressor bolts.
  29. Remove the A/C compressor.

  30. Object Number: 1656176  Size: SH
  31. Remove the power steering pump and bracket bolts (1).
  32. Remove the power steering pump bracket (2) from the pump.
  33. Position the power steering pump aside and secure.

  34. Object Number: 1656177  Size: SH
  35. Remove the rear power steering pump bracket bolts (1) from the bracket.

  36. Object Number: 1728628  Size: SH
  37. Remove the fuel line bolt and position the fuel line aside.

  38. Object Number: 1728627  Size: SH
  39. Compress the clamp and disconnect the turbocharger inlet cooling hose/pipe.

  40. Object Number: 1730413  Size: SH
  41. Remove the oil fill tube bolts and the oil fill tube.
  42. Remove the exhaust gas recirculation (EGR) valve coolant pipe to thermostat housing bolt.

  43. Object Number: 1335434  Size: SH
  44. Disconnect the coolant temperature sensor electrical connector.
  45. Remove the fuel pipe bracket bolt.

  46. Object Number: 1335441  Size: SH
  47. Remove the 8 thermostat housing crossover bolts and the thermostat housing crossover.
  48. Remove the thermostat pipe. Refer to Thermostat Bypass Pipes Replacement .

  49. Object Number: 1732868  Size: SH
  50. Disconnect the intake air heater (IAH) electrical connector.

  51. Object Number: 1731205  Size: SH
  52. Disconnect the engine harness electrical connector from the manifold absolute pressure (MAP) sensor.

  53. Object Number: 1724827  Size: SH
  54. Disconnect the positive cable from the IAH by performing the following:
  55. • Reposition the positive battery cable boot.
    • Remove the positive battery cable nut at the IAH.
    • Remove the positive battery cable from the IAH stud.

    Object Number: 1731131  Size: SH
  56. Remove the engine wiring harness clip bolt (1) at the rear of the intake manifold tube.
  57. Remove the 2 rear intake manifold tube bolts (3).
  58. Remove the rear intake manifold tube nut (2).
  59. Remove the engine wiring harness clip from the intake manifold tube.
  60. Remove the engine wiring harness clip bolt (3).
  61. Remove the EGR cooler water pipe bracket bolt.
  62. Remove the intake manifold tube bolts (2) and nut (1).

  63. Object Number: 1731246  Size: SH
  64. Remove the intake manifold tube with the stud.
  65. Remove and discard the 2 metal EGR gaskets from the EGR valve.
  66. Remove and discard the O-ring seal from the center intake manifold.
  67. Remove the air intake pipe. Refer to Air Intake Pipe Replacement .
  68. Remove the right exhaust pipe. Refer to Exhaust Pipe Replacement - Right Side .
  69. Remove the left exhaust pipe. Refer to Exhaust Pipe Replacement - Left Side .
  70. Remove the EGR coolant hose. Refer to Exhaust Gas Recirculation Coolant Hoses/Pipes Replacement .

  71. Object Number: 1731885  Size: SH
  72. Compress the clamp and disconnect the EGR heater inlet hose/pipe from the EGR cooler tube.

  73. Object Number: 1731879  Size: SH
  74. Remove the EGR cooler tube bracket bolt.
  75. Remove the crankcase ventilation hose/pipe. Refer to Positive Crankcase Ventilation Hose/Pipe/Tube Replacement .

  76. Object Number: 1731880  Size: SH
  77. Disconnect the EGR solenoid electrical connector.

  78. Object Number: 1731884  Size: SH
  79. Remove the EGR nut (1) and bolt (2).
  80. Remove the EGR valve and EGR cooler tube as an assembly.

  81. Object Number: 1731887  Size: SH
  82. If necessary, remove the EGR bracket bolt, nut, and EGR bracket.

  83. Object Number: 1732098  Size: SH
  84. Remove the 2 bolts and the EGR cooler tube bracket.

  85. Object Number: 1731857  Size: SH
  86. Disconnect the engine wiring harness electrical connector from the turbocharger vane position sensor.
  87. Disconnect the engine wiring harness electrical connector from the turbocharger vane control solenoid valve.

  88. Object Number: 1728383  Size: SH
  89. Remove the turbocharger upper heat shield bolts.
  90. Remove the turbocharger upper heat shield.

  91. Object Number: 1728385  Size: SH

    Important: Use care not to damage this hose during the procedure.

  92. Reposition the turbocharger coolant outlet pipe clamp (1) and remove the hose from the turbocharger pipe.
  93. Using the J 36857 and J 43181 , disconnect the fuel feed and return pipes.
  94. Disconnect the positive battery cable from the glow plug control module.
  95. Remove the glow plug control module bolts.
  96. Remove the glow plug control module.

  97. Object Number: 1728393  Size: SH
  98. Remove the glow plug control module bracket bolts (2).
  99. Remove the fuel line bracket bolt (1).
  100. Remove the glow plug control module.

  101. Object Number: 1728447  Size: SH
  102. Remove the fuel line bracket bolt.
  103. Important: Use care not to damage this hose during the procedure.

  104. Remove the turbocharger coolant inlet pipe bolt and remove the hose from the turbocharger.

  105. Object Number: 1728387  Size: SH
  106. Remove the turbocharger oil feed pipe banjo bolt and washer. Discard the banjo bolt and washer.
  107. Reposition and secure the turbocharger oil fed pipe out of the way.

  108. Object Number: 1729492  Size: SH
  109. Remove the turbocharger oil return pipe nuts (1) at the top of the flywheel housing.

  110. Object Number: 1728388  Size: SH
  111. Remove the turbocharger bolts.
  112. Remove the turbocharger (with the oil return pipe).
  113. Remove and discard the turbocharger oil return pipe gasket at the flywheel housing.
  114. Remove the turbocharger lower heat shield.


    Object Number: 1728405  Size: SH
  115. Remove the turbocharger oil feed pipe, washer, and pipe.

  116. Object Number: 1732162  Size: SH
  117. Disconnect the left main engine wiring harness connector and remove the bracket bolts (1).

  118. Object Number: 1732768  Size: SH
  119. Remove the left glow plug nuts (2) and the routing bolts (1).

  120. Object Number: 1732433  Size: SH
  121. Disconnect the fuel injector electrical connectors.

  122. Object Number: 1732300  Size: SH
  123. Disconnect the intake air temperature sensor 2 and fuel rail temperature sensor electrical connector.

  124. Object Number: 1731289  Size: SH
  125. Disconnect the ECT wiring harness electrical connector (1) and the oil pressure sensor electrical wiring harness electrical connector (2).
  126. Position the engine wiring harness over the right side of engine.

  127. Object Number: 1734158  Size: SH
  128. Remove the nut, the 2 bolts and position the bracket aside.

  129. Object Number: 1734168  Size: SH
  130. Remove the fuel feed/return pipe bracket bolt.

  131. Object Number: 1734290  Size: SH
  132. Disconnect the fuel hoses from the fuel pipe.

  133. Object Number: 1734316  Size: SH
  134. Remove the fuel line bracket bolt.

  135. Object Number: 1734338  Size: SH
  136. Disconnect the fuel pump hose from the fuel pipe.

  137. Object Number: 1731671  Size: SH
  138. Remove the fuel pipe.

  139. Object Number: 1731152  Size: SH
  140. Remove the fuel pipe clamp bolt (2) and turbocharger coolant inlet pipe bracket bolt (3).

  141. Object Number: 1731153  Size: SH
  142. Remove the 4 center intake manifold bolts (1) and 4 nuts (2).
  143. Remove the center intake manifold.

  144. Object Number: 1731525  Size: SH
  145. Remove the fuel pump to left fuel rail pipe.

  146. Object Number: 1734436  Size: SH
  147. Compress the clamp and remove the fuel pressure relief hose.

  148. Object Number: 1734441  Size: SH
  149. Remove the fuel pipe bracket bolt (2), disconnect the hose (1) at the fuel pump and remove the fuel pipe/hose assembly.

  150. Object Number: 1731609  Size: SH
  151. Remove the left to right fuel rail pipe.

  152. Object Number: 1734470  Size: SH
  153. Remove the left fuel injector feed pipes.

  154. Object Number: 1732079  Size: SH
  155. Remove the 2 bolts and the left fuel rail.

  156. Object Number: 1732190  Size: SH
  157. Disconnect the fuel rail pressure (FRP) sensor electrical connector (1).

  158. Object Number: 1734480  Size: SH
  159. Remove the right fuel injector feed pipes.

  160. Object Number: 1731515  Size: SH
  161. Remove the 2 bolts and the right fuel rail.

  162. Object Number: 1730036  Size: SH
  163. Remove the 2 bolts and the turbocharger cooling outlet pipe.

  164. Object Number: 1731297  Size: SH
  165. Remove the left intake manifold nuts/bolts and remove the manifold.

  166. Object Number: 1732174  Size: SH
  167. Remove the right intake manifold nuts/bolts and remove the manifold.

  168. Object Number: 1734476  Size: SH
  169. Disconnect the fuel pump electrical connector.
  170. Remove the 4 bolts and fuel injection pump.
  171. Remove the transmission fill tube.
  172. Remove the engine oil indicator tube. Refer to Oil Level Indicator and Tube Replacement .
  173. Remove the transmission. Refer to Transmission Replacement .
  174. Remove the engine flywheel. Refer to Engine Flywheel Replacement .
  175. Remove the upper oil pan. Refer to Upper Oil Pan Replacement .
  176. Important: Remove the engine flywheel housing before installing the engine on a stand.

  177. Remove the engine flywheel housing. Refer to Engine Flywheel Housing Replacement .
  178. Remove the oil pump pickup tube. Refer to Oil Pump Suction Pipe and Screen Assembly Removal .
  179. Remove the oil filter adapter and the oil cooler assembly replacement. Refer to Oil Filter Adapter and Oil Cooler Assembly Replacement .
  180. Remove the left exhaust manifold. Refer to Exhaust Manifold Replacement - Left Side .
  181. Remove the right exhaust manifold. Refer to Exhaust Manifold Replacement - Right Side .
  182. Remove the G102, G103 and G108.
  183. Using J 36857 engine lift hooks, install a suitable lifting device.
  184. The engine will have to be angled in order to remove. Use a load positioning sling to assist in angling the engine.

  185. Raise the engine off the engine mounts.

  186. Object Number: 1655910  Size: SH
  187. Remove the left engine mount to engine mount frame bracket bolts.

  188. Object Number: 1655914  Size: SH
  189. Remove the left engine mount to engine bolts.
  190. Remove the left engine mount bracket to frame bolts.

  191. Object Number: 1655915  Size: SH
  192. Remove the right engine mount to engine mount frame bracket bolts.

  193. Object Number: 1655925  Size: SH
  194. Remove the right engine mount to engine bolts.
  195. Remove the right engine mount bracket to frame bolts.
  196. Remove the engine from the vehicle.
  197. Place the engine on a suitable stand.

Installation Procedure

  1. Remove the engine from the stand.
  2. Install the engine to the vehicle.
  3. Notice: Refer to Fastener Notice in the Preface section.

  4. Install the right engine mount bracket to frame bolts.
  5. Tighten
    Tighten the bolts to 65 N·m (48 lb ft).


    Object Number: 1655925  Size: SH
  6. Install the right engine mount to engine bolts.
  7. Tighten
    Tighten the bolts to 58 N·m (43 lb ft).


    Object Number: 1655915  Size: SH
  8. Install the right engine mount to engine mount bracket bolts.
  9. Tighten
    Tighten the bolts to 65 N·m (48 lb ft).

  10. Install the left engine mount bracket to frame bolts.
  11. Tighten
    Tighten the bolts to 65 N·m (48 lb ft).


    Object Number: 1655914  Size: SH
  12. Install the left engine mount to engine bolts.
  13. Tighten
    Tighten the bolts to 58 N·m (43 lb ft).


    Object Number: 1655910  Size: SH
  14. Install the left engine mount to engine mount bracket bolts.
  15. Tighten
    Tighten the bolts to 65 N·m (48 lb ft).

  16. Lower the engine onto the engine mounts.
  17. Remove the lifting device and the J 36857 engine lift hooks.
  18. Install the G102, G103 and G108.
  19. Tighten
    Tighten the ground bolts to 34 N·m (25 lb ft).

  20. Install the right exhaust manifold. Refer to Exhaust Manifold Replacement - Right Side .
  21. Install the left exhaust manifold. Refer to Exhaust Manifold Replacement - Left Side .
  22. Install the oil filter adapter and oil cooler assembly replacement. Refer to Oil Filter Adapter and Oil Cooler Assembly Replacement .
  23. Install the oil pump pickup tube. Refer to Oil Pump Suction Pipe and Screen Assembly Removal .
  24. Install the engine flywheel housing. Refer to Engine Flywheel Housing Replacement .
  25. Install the upper oil pan. Refer to Upper Oil Pan Replacement .
  26. Install the engine flywheel. Refer to Engine Flywheel Replacement .
  27. Install the transmission. Refer to Transmission Replacement .
  28. Install the engine oil indicator tube. Refer to Oil Level Indicator and Tube Replacement .
  29. Install the transmission fill tube.
  30. Position the fuel injection pump and install the 4 bolts.
  31. Tighten
    Tighten the bolts to 25 N·m (18 lb ft).


    Object Number: 1734476  Size: SH
  32. Connect the fuel pump electrical connector.

  33. Object Number: 663817  Size: SH
  34. Apply a 2-3 mm wide by 0.5-1.5 mm high bead of GM P/N 12378521 (Canadian P/N 88901148) sealant on the right intake manifold mating surface.

  35. Object Number: 1732174  Size: SH
  36. Install the right intake manifold.
  37. Install the intake manifold bolts/nuts.

  38. Object Number: 654532  Size: SH
  39. Tighten the right intake manifold bolts/nuts.
  40. Tighten
    Tighten the bolts/nuts in sequence to 25 N·m (18 lb ft).


    Object Number: 663817  Size: SH
  41. Apply a 2-3 mm wide by 0.5-1.5 mm high bead of GM P/N 12378521 (Canadian P/N 88901148) sealant on the left intake manifold mating surface.

  42. Object Number: 1731297  Size: SH
  43. Install the left intake manifold.

  44. Object Number: 654530  Size: SH
  45. Tighten the left intake manifold bolts/nuts.
  46. Tighten
    Tighten the bolts/nuts in sequence to 25 N·m (18 lb ft).


    Object Number: 1730036  Size: SH
  47. Position the turbocharger cooling outlet pipe and install the 2 bolts.
  48. Tighten
    Tighten the bolts to 9 N·m (80 lb in).


    Object Number: 1731515  Size: SH
  49. Position the right fuel rail and install the 2 bolts.
  50. Tighten
    Tighten the bolts to 25 N·m (18 lb ft).


    Object Number: 1734480  Size: SH
  51. Install the right fuel injector feed pipes.
  52. Tighten
    Tighten the fittings to 41 N·m (30 lb in).

  53. After installing the fuel injector pipes, clean the injector pipes and apply sealant GM P/N 97720043, at the fitting to prevent moisture and debris from collecting between the line and fitting.

  54. Object Number: 1732190  Size: SH
  55. Connect the fuel rail pressure (FRP) sensor electrical connector (1).

  56. Object Number: 1732079  Size: SH
  57. Position the left fuel rail and install the 2 bolts.
  58. Tighten
    Tighten the bolts to 25 N·m (18 lb ft).


    Object Number: 1734470  Size: SH
  59. Install the left fuel injector feed pipes.
  60. Tighten
    Tighten the fittings to 41 N·m (30 lb ft).

  61. After installing the fuel injector pipes, clean the injector pipes and apply sealant GM P/N 97720043, at the fitting to prevent moisture and debris from collecting between the line and fitting.

  62. Object Number: 1731609  Size: SH
  63. Install the left to right fuel rail pipe.
  64. Tighten
    Tighten the fittings to 41 N·m (30 lb ft).

  65. After installing the fuel pipes, clean the pipes and apply sealant GM P/N 97720043, at the fitting to prevent moisture and debris from collecting between the line and fitting.

  66. Object Number: 1734441  Size: SH
  67. Position the fuel pipe/hose assembly and connect the hose (1) at the fuel pump.
  68. Install the fuel pipe bracket bolt (2).
  69. Tighten
    Tighten the bolt to 25 N·m (18 lb ft).


    Object Number: 1734436  Size: SH
  70. Compress the clamp and install the fuel system pressure relief hose.

  71. Object Number: 1731525  Size: SH
  72. Install the fuel pump to the left fuel rail pipe.
  73. Tighten
    Tighten the fittings to 41 N·m (30 lb ft).

  74. After installing the fuel pipe, clean the pipe and apply sealant GM P/N 97720043, at the fitting to prevent moisture and debris from collecting between the line and fitting.
  75. Install NEW center intake manifold gaskets to the center intake.
  76. Install the center intake manifold.
  77. Important: The center intake manifold lower nuts MUST be installed and tightened first.

  78. Install the center intake manifold lower 4 nuts.
  79. Tighten
    Tighten the nuts to 10 N·m (89 lb in).

  80. Install the center intake manifold upper 4 nuts.
  81. Tighten
    Tighten the nuts to 10 N·m (89 lb in).


    Object Number: 1731152  Size: SH
  82. Install the fuel pipe clamp bolt (2) and turbocharger coolant inlet pipe bracket bolt (3).
  83. Tighten
    Tighten the bolt to 25 N·m (18 lb ft).


    Object Number: 1731671  Size: SH
  84. Install the fuel pipe.

  85. Object Number: 1734338  Size: SH
  86. Connect the fuel pump hose to the fuel pipe.

  87. Object Number: 1734316  Size: SH
  88. Install the fuel line bracket bolt.
  89. Tighten
    Tighten the bolt to 25 N·m (18 lb ft).


    Object Number: 1734290  Size: SH
  90. Connect the fuel hoses to the fuel pipe.

  91. Object Number: 1734168  Size: SH
  92. Install the fuel feed/return bracket bolt.
  93. Tighten
    Tighten the bolt to 25 N·m (18 lb ft).


    Object Number: 1734158  Size: SH
  94. Position the bracket, and install the nut and the 2 bolts.
  95. Position the engine wiring harness over from the right side of the engine.

  96. Object Number: 1731289  Size: SH
  97. Connect the ECT wiring harness electrical connector (1) and the oil pressure sensor electrical wiring harness electrical connector (2).

  98. Object Number: 1732300  Size: SH
  99. Connect the intake air temperature sensor No. 2 and the fuel rail temperature sensor electrical connector.

  100. Object Number: 1732433  Size: SH
  101. Connect the fuel injector electrical connectors.

  102. Object Number: 1732768  Size: SH
  103. Install the left glow plug nuts (2) and the routing bolts (1).
  104. Tighten
    Tighten the glow plug nut to 1.7 N·m (15 lb in).


    Object Number: 1732162  Size: SH
  105. Connect the left main engine wiring harness connector and install the bracket bolts (1).

  106. Object Number: 1728405  Size: SH

    Important: Lubricate the NEW washer with diesel fuel before installing.

  107. Position the oil fed pipe and a NEW washer into place.
  108. Install the oil feed pipe bolt.
  109. Tighten
    Tighten the bolt to 34 N·m (25 lb ft).

  110. Position the turbocharger lower heat shield.
  111. Install a new turbocharger oil return pipe gasket at the flywheel housing.
  112. Install the turbocharger (with the oil return pipe).

  113. Object Number: 1728388  Size: SH
  114. Install the turbocharger bolts.
  115. Tighten
    Tighten the bolts to 108 N·m (80 lb ft).


    Object Number: 1729492  Size: SH
  116. Install the turbocharger oil return pipe nuts (1) at the top of the flywheel housing.
  117. Tighten
    Tighten the nuts to 21 N·m (15 lb ft).


    Object Number: 1728387  Size: SH
  118. Install the turbocharger oil feed pipe banjo bolt and a NEW washer.
  119. Tighten
    Tighten the bolt to 34 N·m (25 lb ft).


    Object Number: 1728525  Size: SH

    Important: Use care not to damage this hose during the procedure.

  120. Position the turbocharger coolant inlet pipe hose to the turbocharger and install the bolt with NEW washers.
  121. Tighten
    Tighten the bolt to 25 N·m (18 lb ft).


    Object Number: 1728447  Size: SH
  122. Install the fuel line to the bracket bolt.
  123. Tighten
    Tighten the bolt to 25 N·m (18 lb ft).

  124. Position the glow plug control module bracket.

  125. Object Number: 1728393  Size: SH
  126. Install the glow plug control module bracket bolts (2).
  127. Tighten
    Tighten the bolts to 10 N·m (89 lb in).

  128. Install the fuel line bracket bolt (1).
  129. Tighten
    Tighten the bolt to 25 N·m (18 lb ft).

  130. Position the glow plug control module and install the glow plug control module bolts.
  131. Tighten
    Tighten the bolts to 10 N·m (89 lb in).

  132. Connect the positive battery cable to the glow plug control module.
  133. Connect the fuel feed and return plugs.

  134. Object Number: 1728385  Size: SH

    Important: Use care not to damage this hose during the procedure.

  135. Position the turbocharger coolant outlet pipe clamp (1) and install the hose to the turbocharger pipe.

  136. Object Number: 1728383  Size: SH
  137. Install the turbocharger upper heat shield.
  138. Install the turbocharger upper heat shield bolts.
  139. Tighten
    Tighten the bolts to 9 N·m (80 lb in).

  140. Connect the engine wiring harness electrical connector to the turbocharger vane control solenoid valve.

  141. Object Number: 1731857  Size: SH
  142. Connect the engine wiring harness electrical connector to the turbocharger vane position sensor.

  143. Object Number: 1732098  Size: SH
  144. Install the EGR cooler tube bracket and the 2 bolts.
  145. Tighten
    Tighten the 2 bolts to 25 N·m (18 lb ft).


    Object Number: 1731887  Size: SH
  146. If necessary, remove the EGR bracket, nut, and the EGR bracket bolt.
  147. Tighten
    Tighten the EGR bracket bolt and nut to 25 N·m (18 lb ft).

  148. Install the EGR valve and EGR cooler tube assembly.

  149. Object Number: 1731884  Size: SH
  150. Install the EGR nut (1) and bolt (2).
  151. Tighten
    Tighten the EGR nut and bolt to 50 N·m (37 lb ft).


    Object Number: 1731880  Size: SH
  152. Connect the EGR solenoid electrical connector.
  153. Install the crankcase ventilation hose/pipe. Refer to Positive Crankcase Ventilation Hose/Pipe/Tube Replacement .

  154. Object Number: 1731879  Size: SH
  155. Install the EGR cooler tube bracket bolt.
  156. Tighten
    Tighten the EGR cooler tube bracket bolt to 25 N·m (18 lb ft).


    Object Number: 1731885  Size: SH
  157. Compress the clamp and connect the EGR heater inlet hose/pipe to the EGR cooler tube.
  158. Install the EGR coolant hose. Refer to Exhaust Gas Recirculation Coolant Hoses/Pipes Replacement .
  159. Install the left exhaust pipe. Refer to Exhaust Pipe Replacement - Left Side .
  160. Install the right exhaust pipe. Refer to Exhaust Pipe Replacement - Right Side .
  161. Install the air intake pipe. Refer to Air Intake Pipe Replacement .
  162. Install a NEW O-ring seal to the center intake manifold.
  163. Install 2 NEW metal EGR gaskets to the EGR valve.

  164. Object Number: 1731246  Size: SH
  165. Install the intake manifold tube with the stud.
  166. Tighten
    Tighten the stud to 25 N·m (18 lb ft).


    Object Number: 1731138  Size: SH
  167. Install the intake manifold tube bolts (2, 4) and nut (1).
  168. Tighten
    Tighten the bolt/nut to 25 N·m (18 lb ft).

  169. Install the EGR cooler water pipe bracket bolt (5).
  170. Tighten
    Tighten the bolt to 15 N·m (11 lb ft).

  171. Install the engine wiring harness clip to the intake manifold tube.
  172. Tighten
    Tighten the bolt to 15 N·m (11 lb ft).

  173. Install the engine wiring harness clip to the intake manifold tube.

  174. Object Number: 1731131  Size: SH
  175. Install the rear intake manifold tube nut (2).
  176. Tighten
    Tighten the nut to 25 N·m (18 lb ft).

  177. Install the 2 rear intake manifold tube bolts (3).
  178. Tighten
    Tighten the nut to 25 N·m (18 lb ft).

  179. Install the engine wiring harness clip bolt (1) at the rear of the intake manifold tube.

  180. Object Number: 1724827  Size: SH
  181. Connect the positive cable to the IAH by performing the following:
  182. 106.1. Position the positive battery cable to the IAH stud.
    106.2. Install the positive battery cable nut to the IAH.

    Tighten
    Tighten the nut to 10 N·m (89 lb in).

  183. Reposition the positive battery cable boot.

  184. Object Number: 1731205  Size: SH
  185. Connect the engine harness electrical connector to the MAP sensor.

  186. Object Number: 1732868  Size: SH
  187. Connect the IAH electrical connector.
  188. Install the thermostat bypass pipe. Refer to Thermostat Bypass Pipes Replacement .

  189. Object Number: 1335441  Size: SH
  190. Position the thermostat housing crossover with the NEW gaskets.
  191. Install the 8 thermostat housing crossover bolts.
  192. Tighten
    Tighten the bolts to 25 N·m (18 lb ft).


    Object Number: 1335434  Size: SH
  193. Connect the coolant temperature sensor electrical connector.
  194. Install the fuel pipe bracket bolt.
  195. Tighten
    Tighten the fuel pipe bracket bolt to 25 N·m (18 lb ft).

  196. Install the EGR valve coolant pipe to the thermostat housing bolt.

  197. Object Number: 1730413  Size: SH
  198. Install the oil fill tube and the oil fill tube bolts.
  199. Tighten
    Tighten the oil fill tube bolts to 25 N·m (18 lb ft).


    Object Number: 1728627  Size: SH
  200. Compress the clamp and connect the turbocharger inlet cooling hose/pipe.

  201. Object Number: 1728628  Size: SH
  202. Position the fuel line and install the fuel line bolt.
  203. Position the A/C compressor and power steering pump bracket.
  204. Install the A/C compressor and power steering pump bracket bolts.
  205. Tighten
    Tighten the bolts to 46 N·m (34 lb ft).

  206. Position the power steering pump and loosely install the front bracket bolts.
  207. Important: Tighten the front bracket bolts before the rear bracket bolts, to ensure pulley alignment.

  208. Loosely install the rear power steering pump bracket bolts.
  209. Tighten

        • Tighten the front bolts to 50 N·m (37 lb ft).
        • Tighten the rear bolts to 50 N·m (37 lb ft).
  210. Install the A/C compressor.

  211. Object Number: 1733167  Size: SH
  212. Install the A/C compressor bolts.
  213. Tighten
    Tighten the bolts to 50 N·m (37 lb ft).

  214. Connect the A/C cut out switch electrical connector.
  215. Connect the A/C compressor clutch electrical connector.
  216. If equipped with dual generator system, install the idler pulley and the bolt.
  217. Tighten
    Tighten the bolt to 50 N·m (37 lb ft).


    Object Number: 1733035  Size: SH
  218. Install the auxiliary generator bracket and bolt, if equipped.
  219. Tighten
    Tighten the bolt to 50 N·m (37 lb ft).

  220. If equipped, install the auxiliary generator. Refer to Auxiliary Generator Replacement .

  221. Object Number: 1334912  Size: SH
  222. Install the generator mounting bracket and bolts.
  223. Tighten
    Tighten the generator mounting bracket bolts to 50 N·m (37 lb ft).


    Object Number: 1334909  Size: SH
  224. Install the drive belt tensioner and tensioner belt.
  225. Tighten
    Tighten the bolt to 50 N·m (37 lb ft).


    Object Number: 1732765  Size: SH
  226. Install the oil indicator tube bracket bolt.
  227. Tighten
    Tighten the oil indicator tube bracket bolt to 21 N·m (15 lb ft).


    Object Number: 1732762  Size: SH
  228. Install the 2 wiring harness routing bolts.
  229. Tighten
    Tighten the wiring harness routing bolts to 10 N·m (89 lb in).


    Object Number: 1732754  Size: SH
  230. Install the 2 right engine wiring harness bracket bolts.
  231. Connect the right engine wiring main harness connector.

  232. Object Number: 1369547  Size: SH
  233. Install the generator (2) and the generator bolts (1).
  234. Tighten
    Tighten the generator bolts to 50 N·m (37 lb ft).

  235. Install the positive battery cable to the generator, perform the following:
  236. 137.1. Install the positive cable.
    137.2. Install the positive cable nut.

    Tighten
    Tighten the positive cable nut to 9 N·m (80 lb in).

  237. Position the boot to cover the terminal stud.
  238. Connect the generator electrical connector.
  239. Install the drive belt. Refer to Drive Belt Replacement .
  240. Install the cooling fan. Refer to Fan Replacement .
  241. Install the cooling layer. Refer to Cooling Layer Installation .
  242. Run the vehicle to verify correct engine operation and inspect for engine fluid leaks.
  243. Install the engine cover. Refer to Engine Cover Replacement .