GM Service Manual Online
For 1990-2009 cars only

    Object Number: 1650666  Size: SH
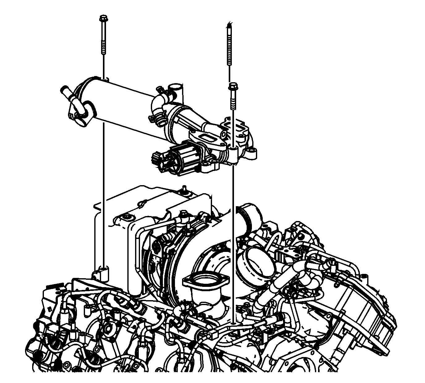
  1. Install the exhaust gas recirculation (EGR) cooler bracket.
  2. Notice: Use the correct fastener in the correct location. Replacement fasteners must be the correct part number for that application. Fasteners requiring replacement or fasteners requiring the use of thread locking compound or sealant are identified in the service procedure. Do not use paints, lubricants, or corrosion inhibitors on fasteners or fastener joint surfaces unless specified. These coatings affect fastener torque and joint clamping force and may damage the fastener. Use the correct tightening sequence and specifications when installing fasteners in order to avoid damage to parts and systems.

  3. Install the EGR cooler bracket bolts.
  4. Tighten
    Tighten the EGR cooler bracket bolts to 25 N·m (18 lb ft).


    Object Number: 1662881  Size: SH
  5. Install the EGR and cooler.

  6. Object Number: 1335571  Size: SH
  7. Install the EGR mount bolts and nut.
  8. Tighten
    Tighten the EGR mount bolts and nut to 50 N·m (37 lb ft).


    Object Number: 1650663  Size: SH
  9. Install the top EGR cooler bolts.
  10. Tighten
    Tighten the top EGR cooler bolts to 25 N·m (18 lb ft).


    Object Number: 1662879  Size: SH
  11. Install the air inlet tube.
  12. Install the air inlet tube nuts and bolts.
  13. Tighten
    Tighten the air inlet tube nuts and bolts to 25 N·m (18 lb ft).


    Object Number: 1662877  Size: SH
  14. Install the air inlet tube to intake manifold tube bolt and nut.
  15. Tighten
    Tighten the air inlet tube to intake manifold tube bolt and nut to 25 N·m (18 lb ft).

  16. Install the MAP sensor and bolt.
  17. Tighten
    Tighten the MAP sensor bolt to 10 N·m (89 lb in).

  18. Install the rear bracket.
  19. Install the rear bracket bolt.
  20. Tighten
    Tighten the rear bracket bolt to 10 N·m (89 lb in).