GM Service Manual Online
For 1990-2009 cars only
Makes
🢒
GMC_Truck
🢒
2008
🢒
Savana
🢒
Diagnostic Navigation
🢒
Vehicle Diagnostic Information
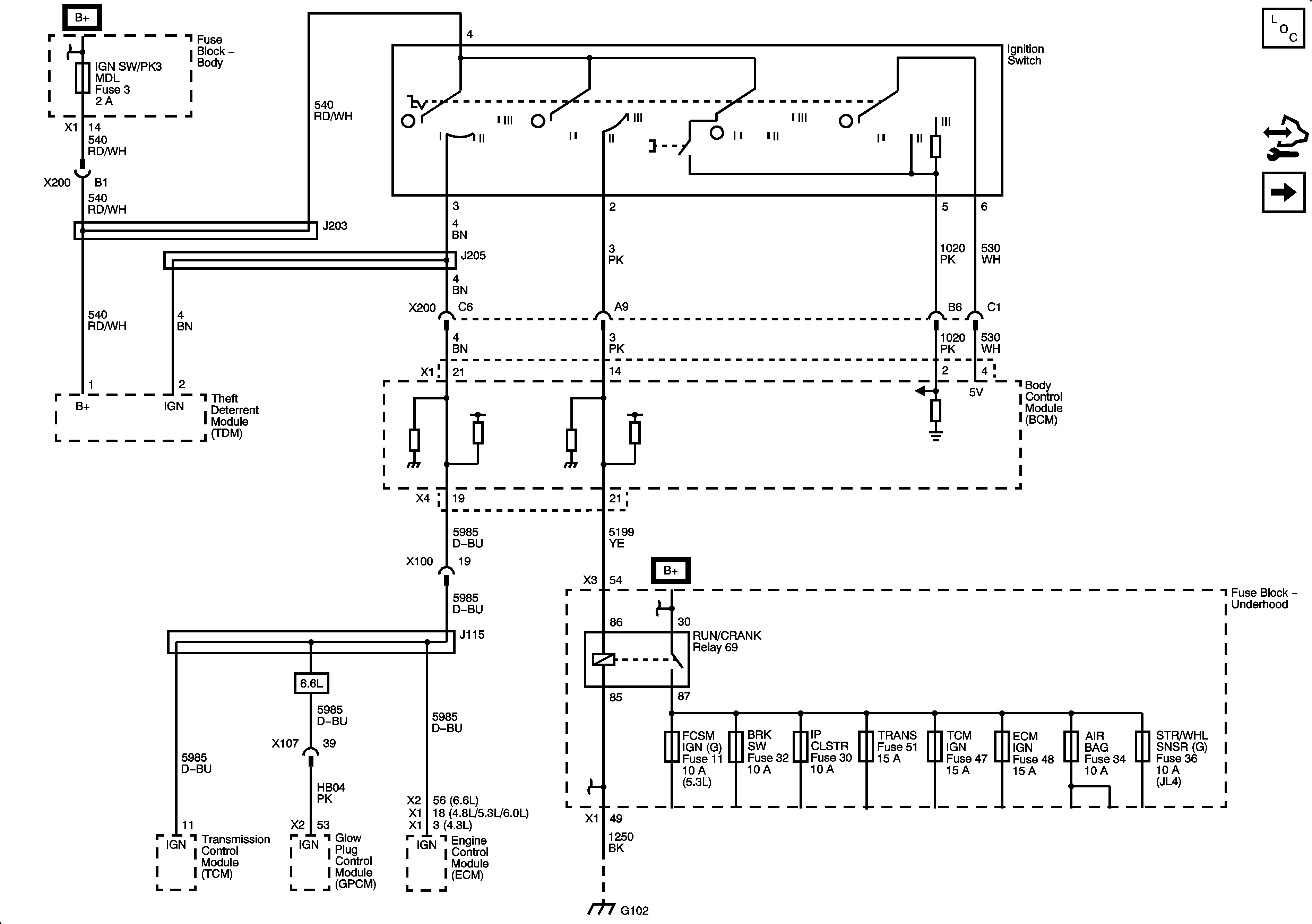
🢒 Power Moding Schematics
Figure
1:
Power Modes RUN/CRANK and Serial Data Wake-Up
Master Electrical Component List
Power Mode Description and Operation
Control Module References
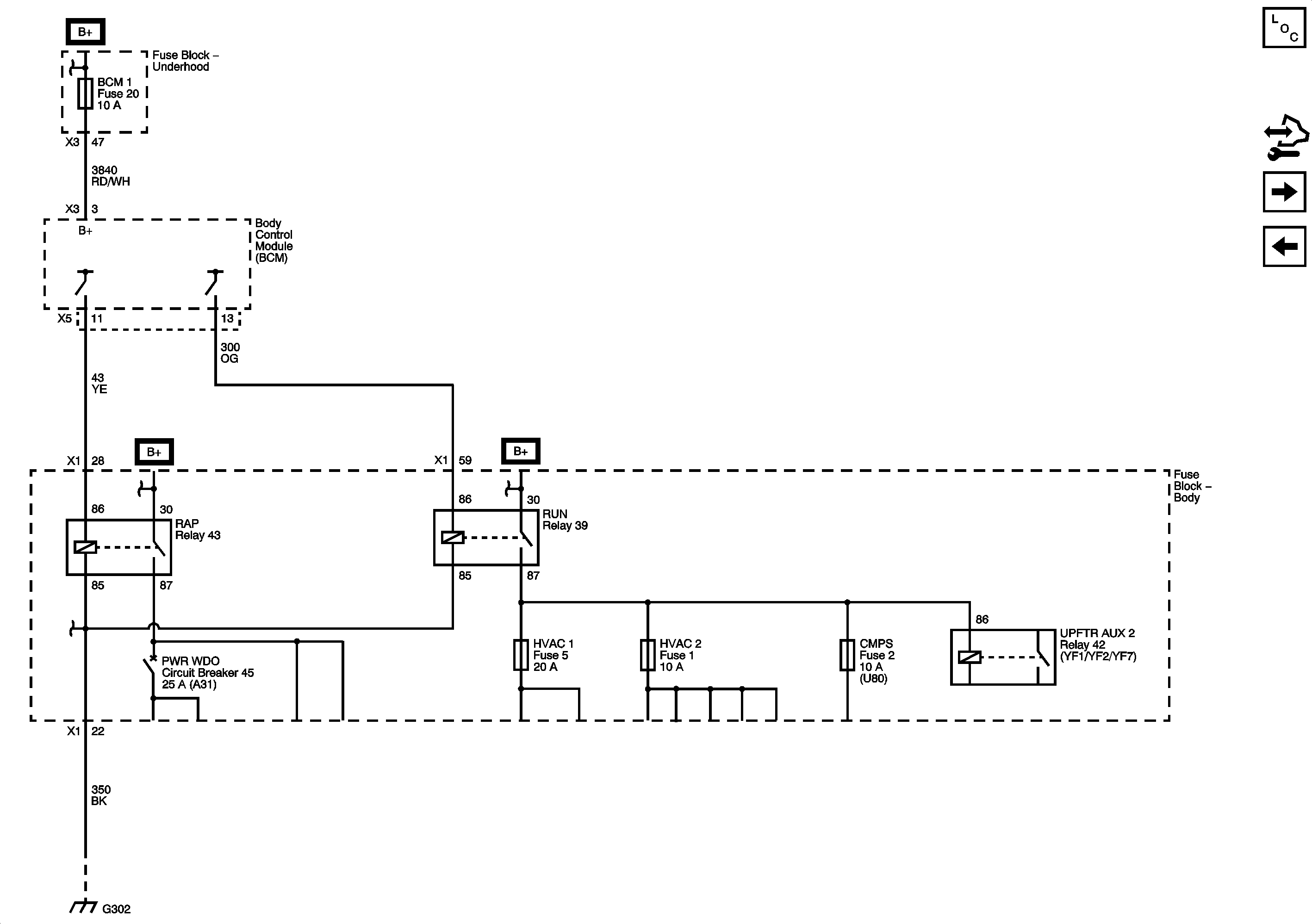
Power Modes RAP and RUN
Figure
2:
Power Modes RAP and RUN
Master Electrical Component List
Power Mode Description and Operation
Control Module References
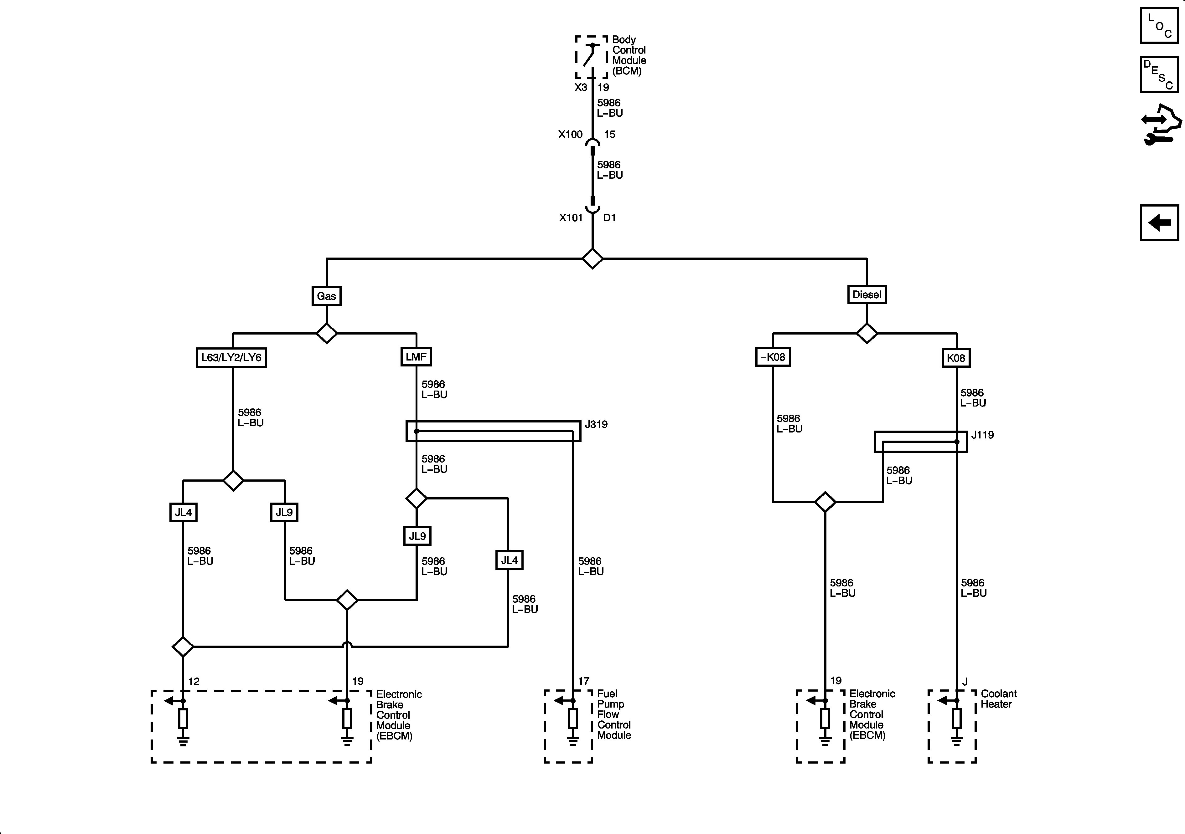
Power Modes Serial Data Enable
Power Moding
Figure
3:
Power Modes Serial Data Enable
Master Electrical Component List
Power Mode Description and Operation
Control Module References
Power Modes RAP and RUN