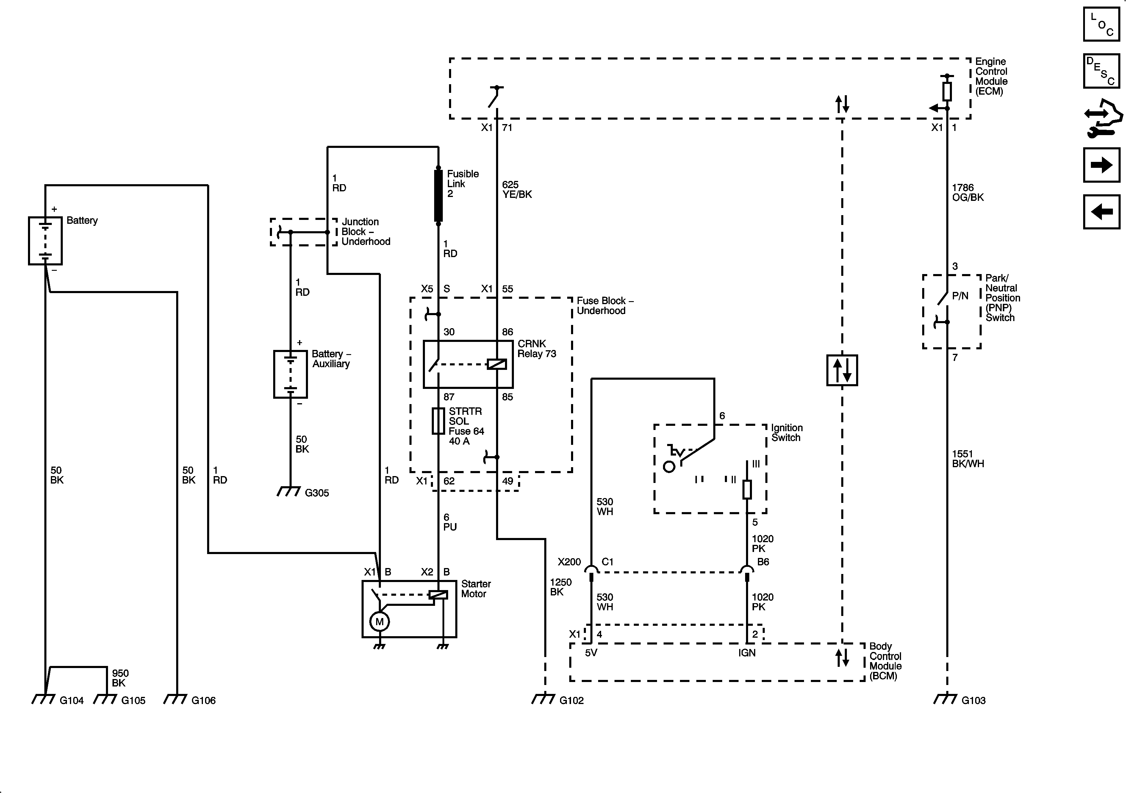
GM Service Manual Online
For 1990-2009 cars only
Figure 1:

Starting System Gas


Object Number: 1878861  Size: FS
Master Electrical Component List
Starting System Description and Operation
Control Module References
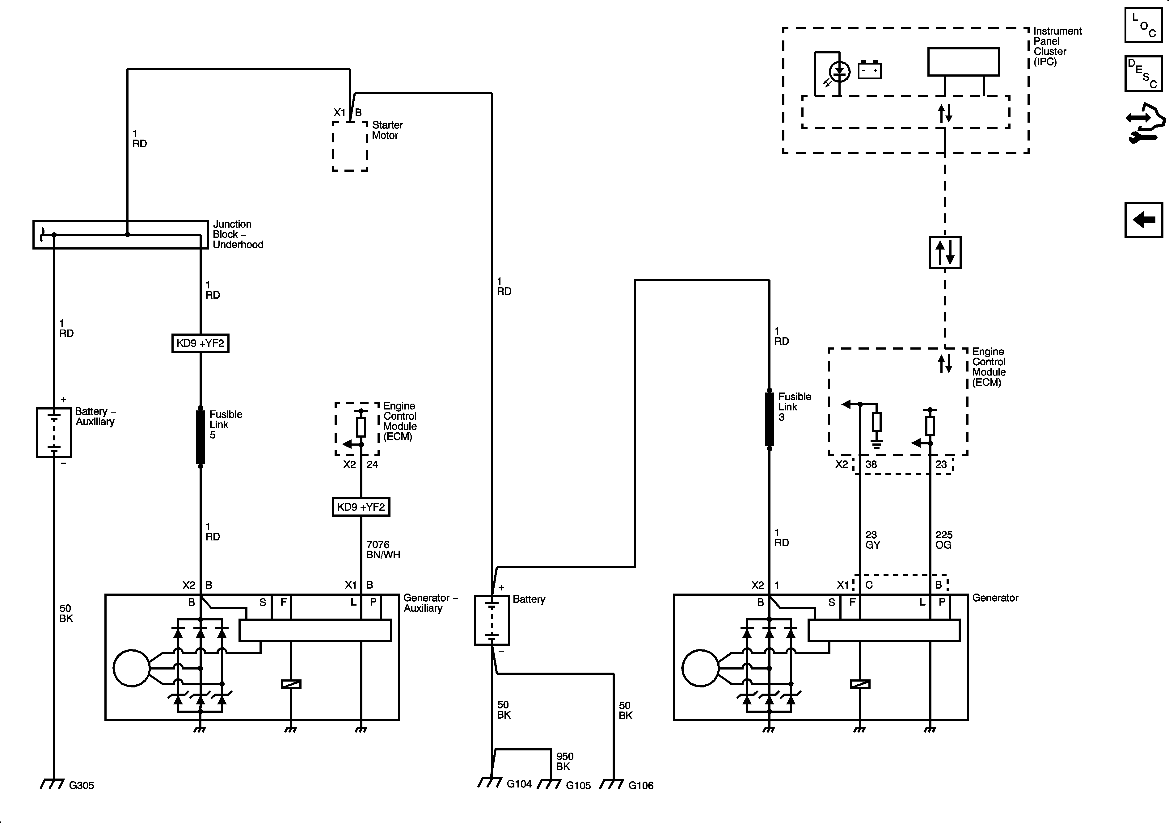
Starting System Diesel
Figure 2:

Starting System Diesel


Object Number: 1878863  Size: FS
Master Electrical Component List
Starting System Description and Operation
Control Module References
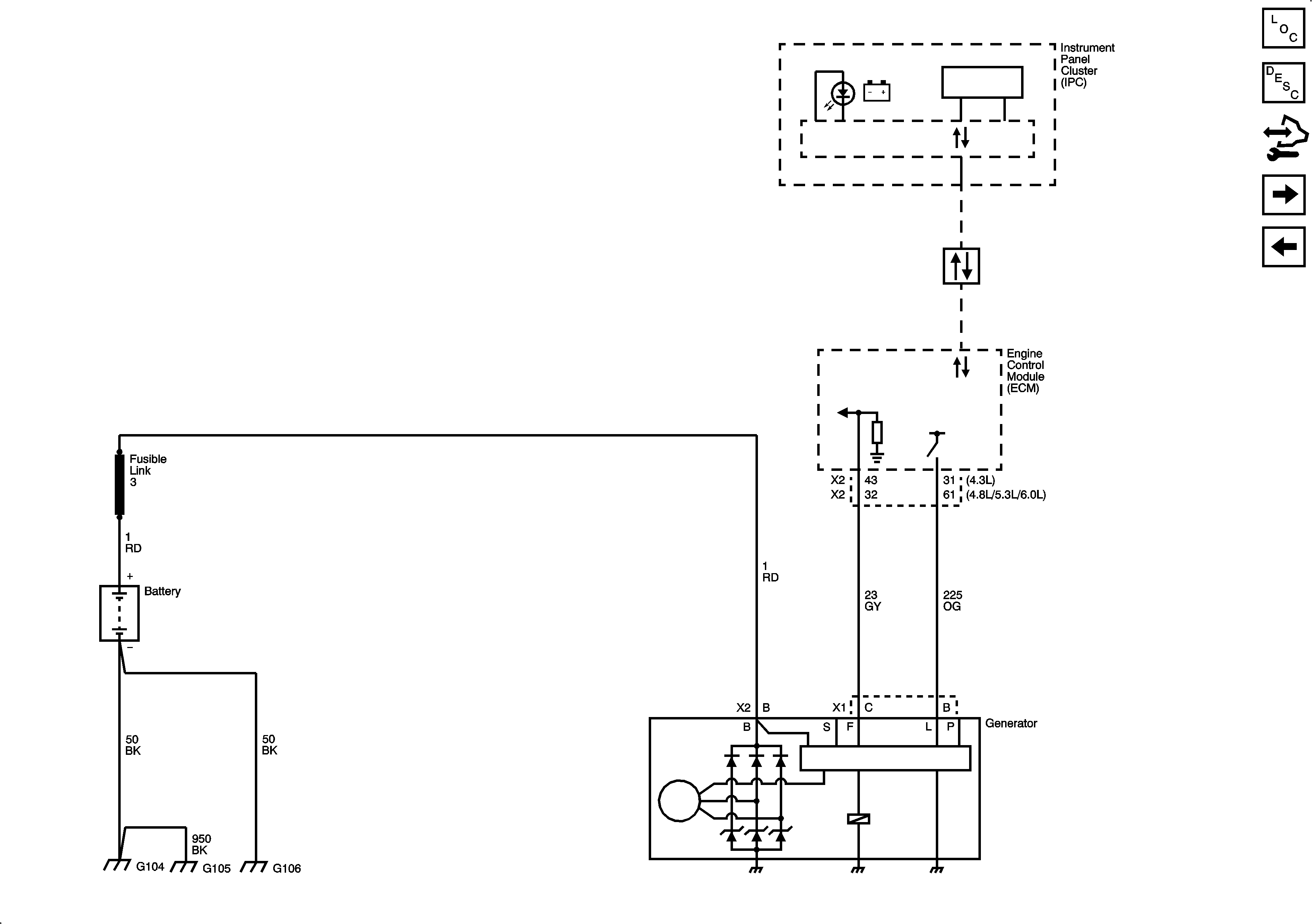
Charging System Gas
Starting System Gas
Figure 3:

Charging System Gas


Object Number: 1878865  Size: FS
Master Electrical Component List
Charging System Description and Operation
Control Module References
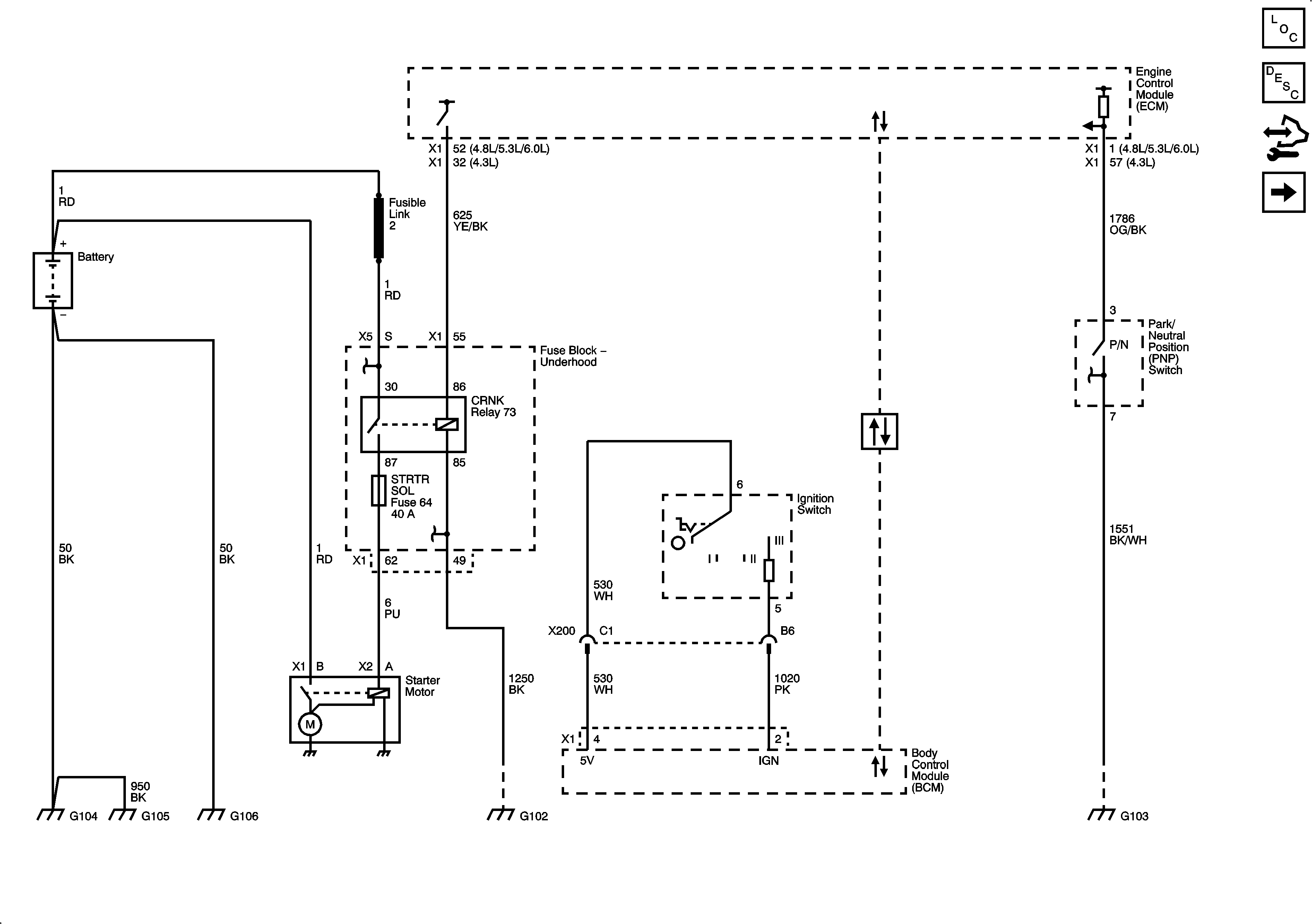
Charging System Diesel
Starting System Diesel
Figure 4:

Charging System Diesel


Object Number: 1878868  Size: FS
Master Electrical Component List
Charging System Description and Operation
Control Module References
Charging System Gas