GM Service Manual Online
For 1990-2009 cars only
Makes
🢒
GMC_Truck
🢒
2008
🢒
Savana
🢒
Diagnostic Navigation
🢒
Vehicle Diagnostic Information
🢒 Headlights/Daytime Running Lights (DRL) Schematics
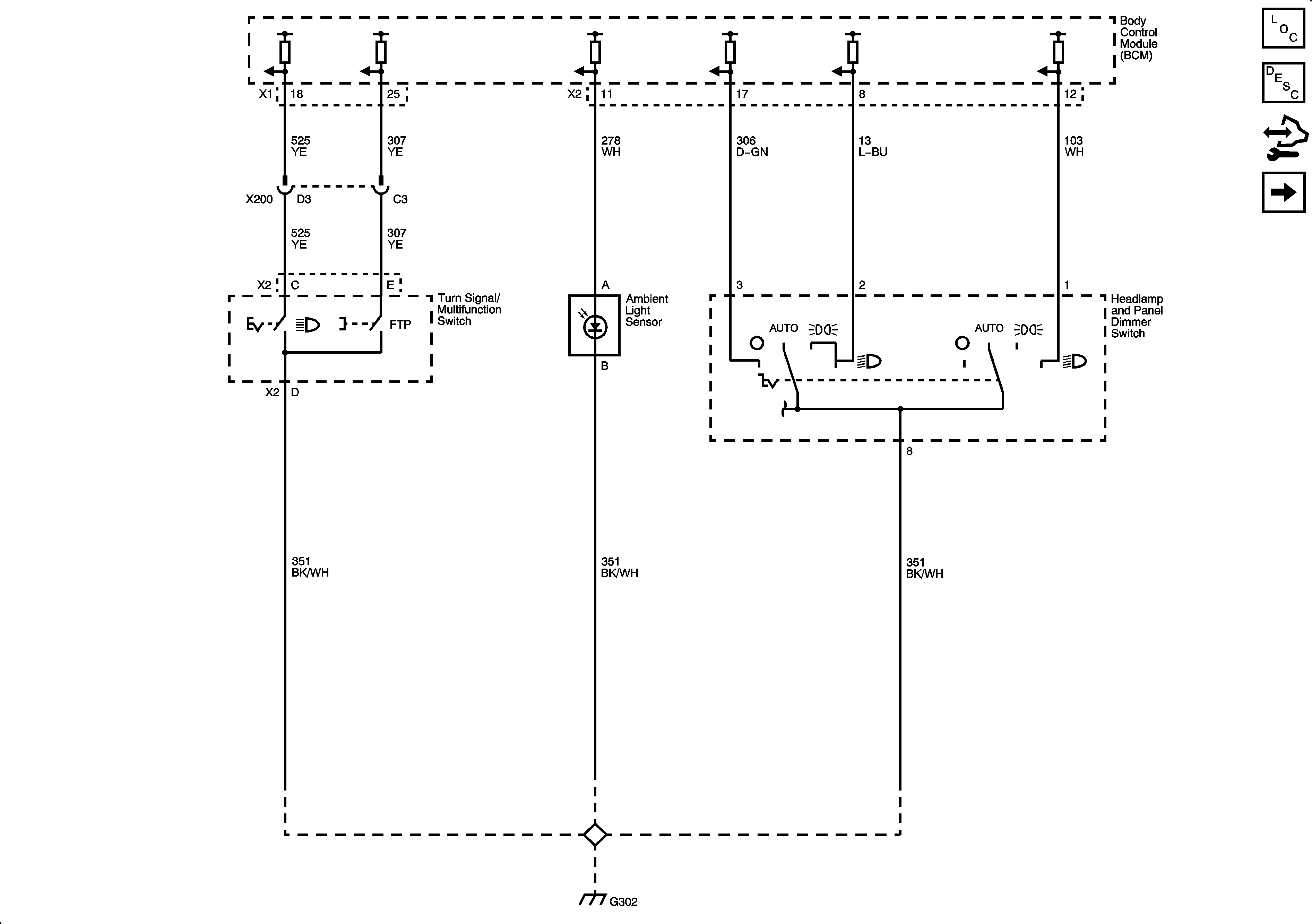
Figure
1:
Headlamp and Daytime Running Lamp Controls
Master Electrical Component List
Exterior Lighting Systems Description and Operation
Control Module References
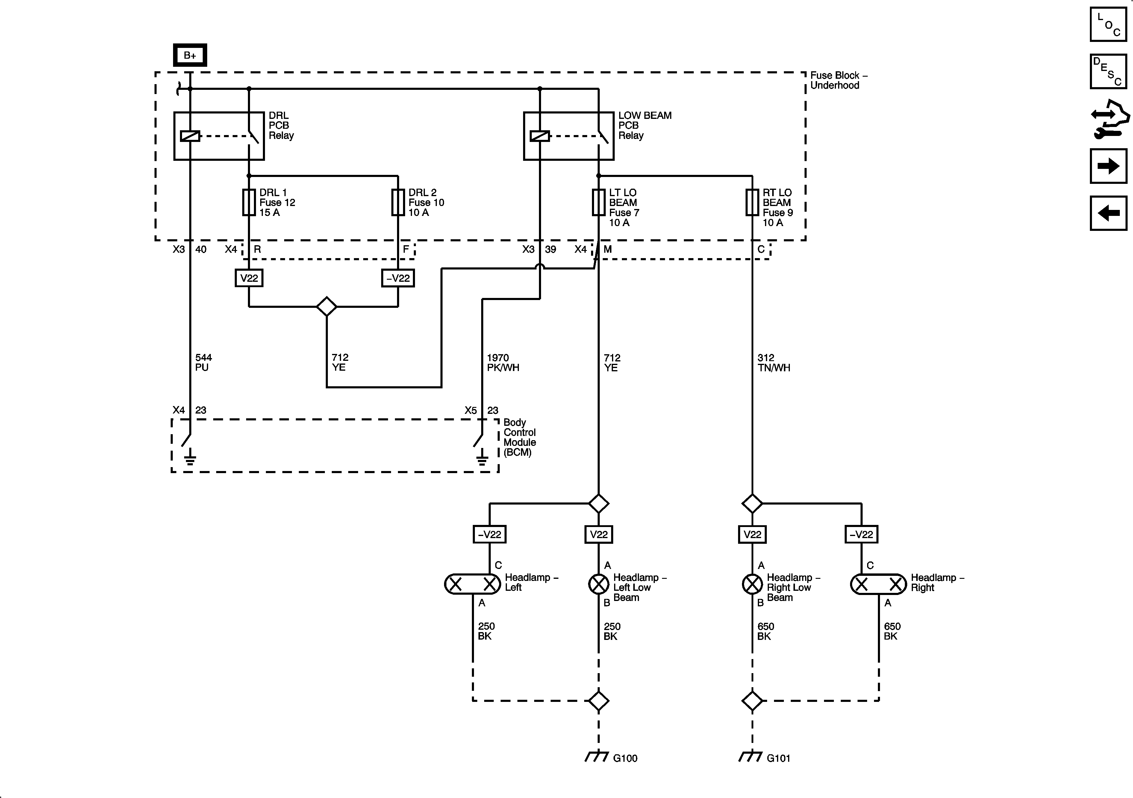
Low Beam and Daytime Running Lights (DRL)
Figure
2:
Low Beam and Daytime Running Lamps (DRL)
Master Electrical Component List
Exterior Lighting Systems Description and Operation
Control Module References
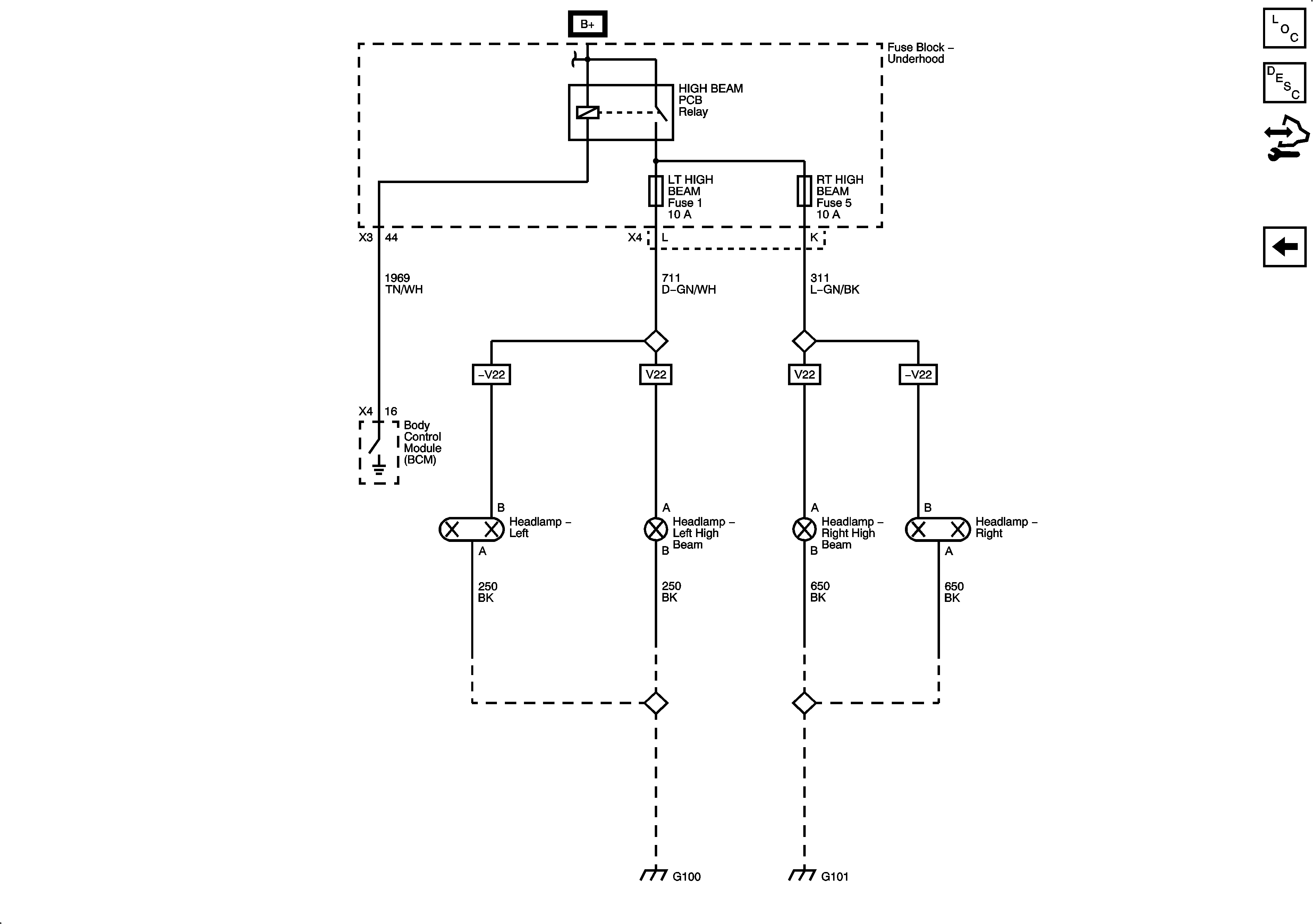
High Beams
Headlamp and Daytime Running Lamp Controls
Figure
3:
High Beams
Master Electrical Component List
Exterior Lighting Systems Description and Operation
Control Module References
Low Beam and Daytime Running Lights (DRL)