GM Service Manual Online
For 1990-2009 cars only
Figure 1:

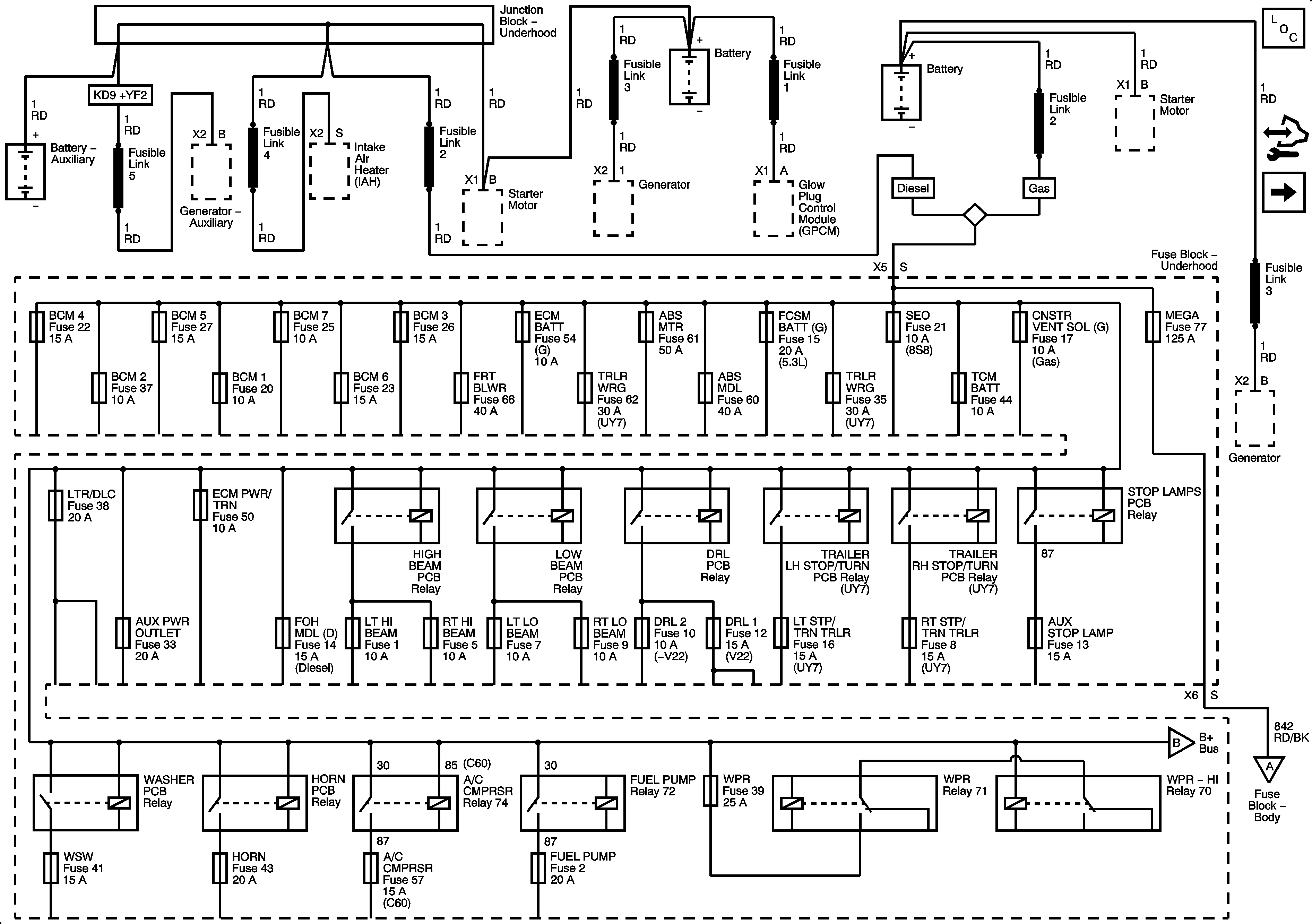
B+ Bus - Underhood Fuse Block (1 of 2)


Object Number: 1884197  Size: FS
Master Electrical Component List
Control Module References
B+ Bus - Underhood Fuse Block (2 of 2)
Figure 2:

B+ Bus - Underhood Fuse Block (2 of 2)


Object Number: 1884199  Size: FS
Master Electrical Component List
Control Module References
B+ Bus - Body Fuse Block
B+ Bus - Underhood Fuse Block (1 of 2)
Figure 3:

B+ Bus - Body Fuse Block


Object Number: 1884201  Size: FS
Master Electrical Component List
Control Module References
BCM 1-7, AUX PWR OUTLET, LTR/DLL, FRT BLWR, TRLR WRG and FOH MDL Fuses
B+ Bus - Underhood Fuse Block (2 of 2)
Figure 4:

BCM 1-7, AUX PWR OUTLET, LTR/DLL, FRT BLWR, TRLR WRG and FOH MDL Fuses


Object Number: 1884203  Size: FS
Master Electrical Component List
Control Module References
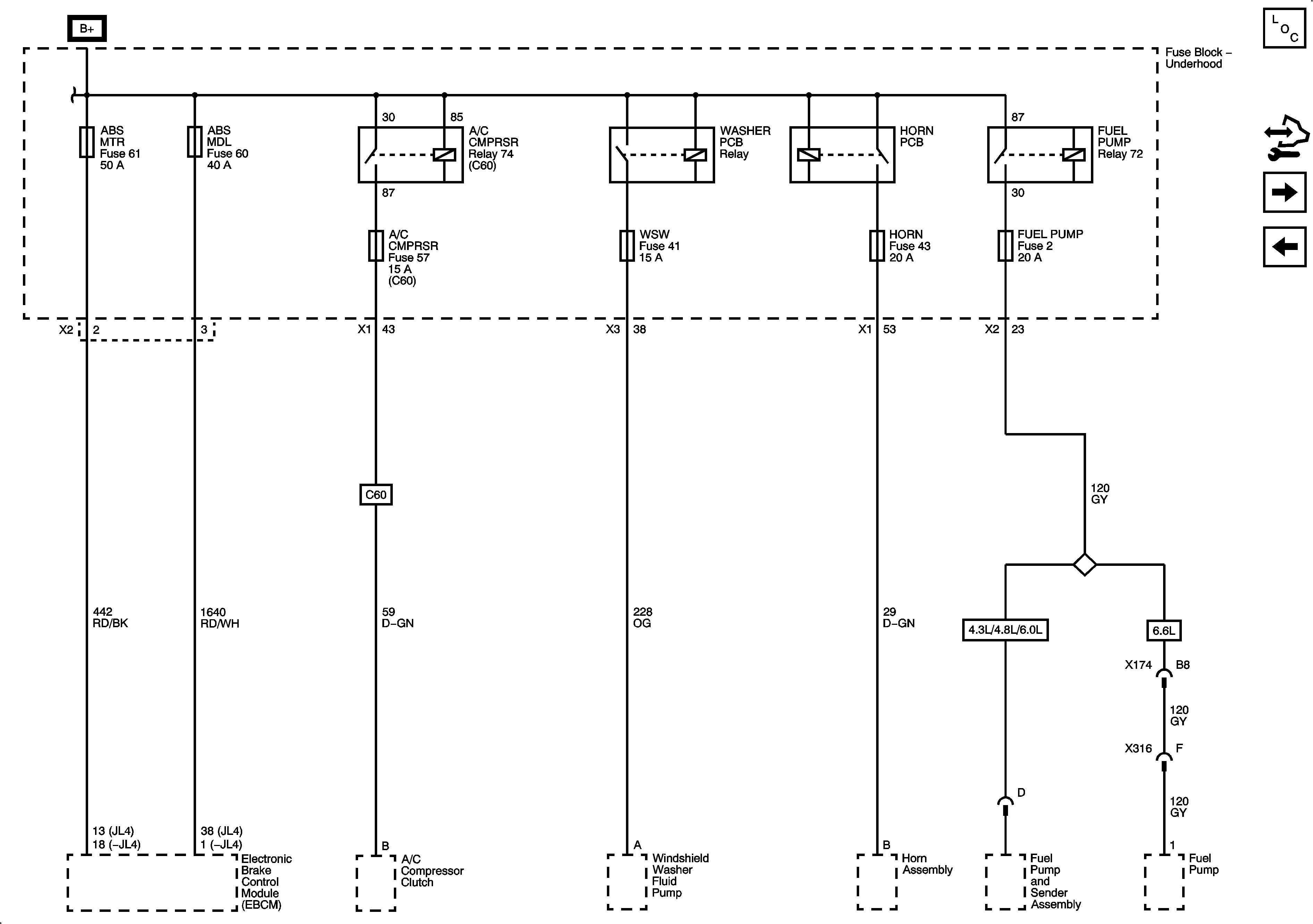
ABS MTR, ABS MDL, WSW, HORN, FUEL PUMP and A/C CMPRSR Fuses
B+ Bus - Body Fuse Block
Figure 5:

ABS MTR, ABS MDL, WSW, HORN, FUEL PUMP and A/C CMPRSR Fuses


Object Number: 1884205  Size: FS
Master Electrical Component List
Control Module References
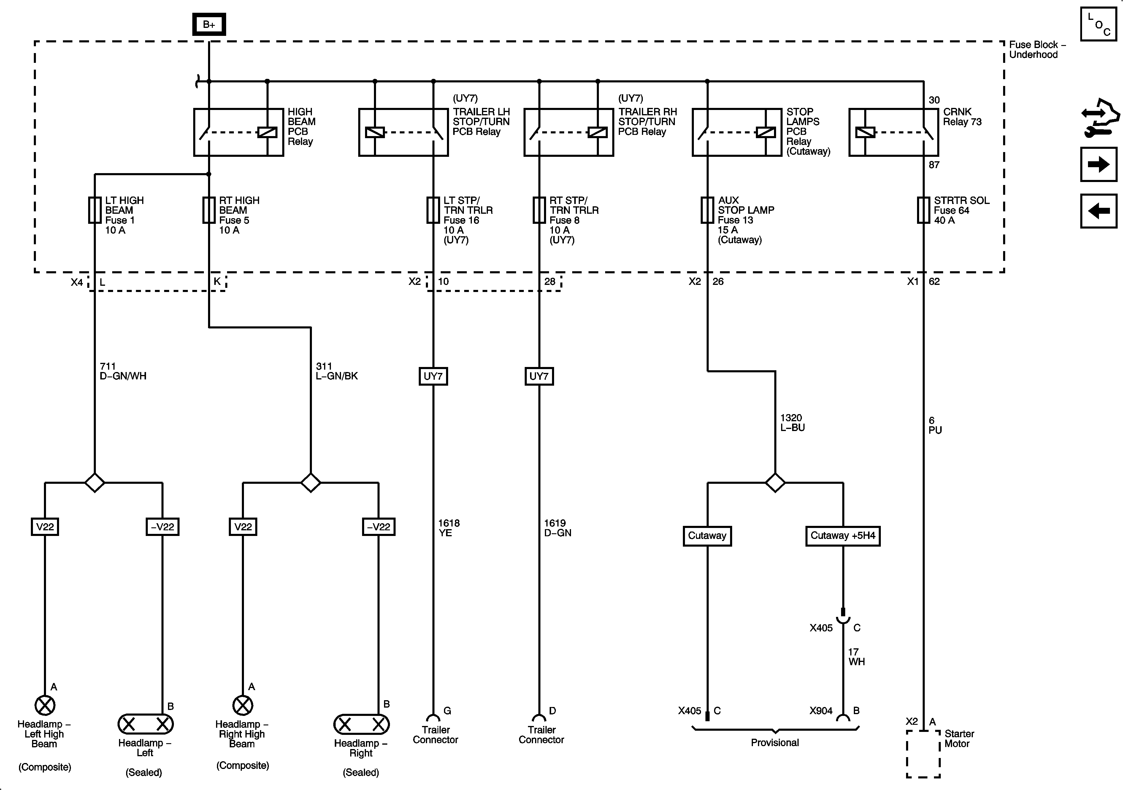
LT HIGH BEAM, RT HIGH BEAM, LT STP/TRN TRLR, RT STP/TRN TRLR, AUX STOP LAMP and STRTR SOL Fuses
BCM 1-7, AUX PWR OUTLET, LTR/DLL, FRT BLWR, TRLR WRG and FOH MDL Fuses
Figure 6:

LT HIGH BEAM, RT HIGH BEAM, LT STP/TRN TRLR, RT STP/TRN TRLR, AUX STOP LAMP and STRTR SOL Fuses


Object Number: 1884207  Size: FS
Master Electrical Component List
Control Module References
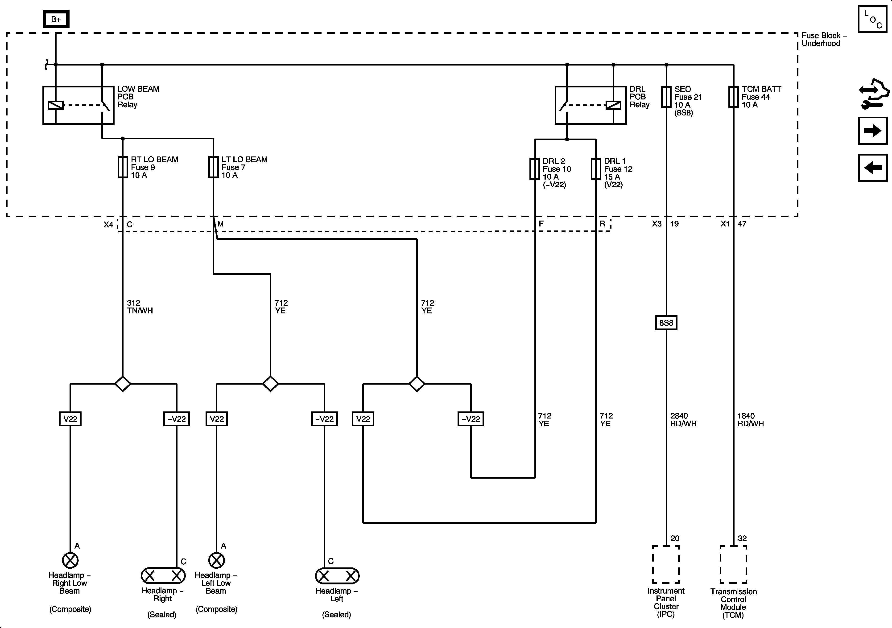
LT LO BEAM, RT LO REAM, DRL 1, DRL 2, SEO and TCM BATT Fuses
ABS MTR, ABS MDL, WSW, HORN, FUEL PUMP and A/C CMPRSR Fuses
Figure 7:

LT LO BEAM, RT LO BEAM, DRL 1, DRL 2, SEO and TCM BATT Fuses


Object Number: 1884210  Size: FS
Master Electrical Component List
Control Module References
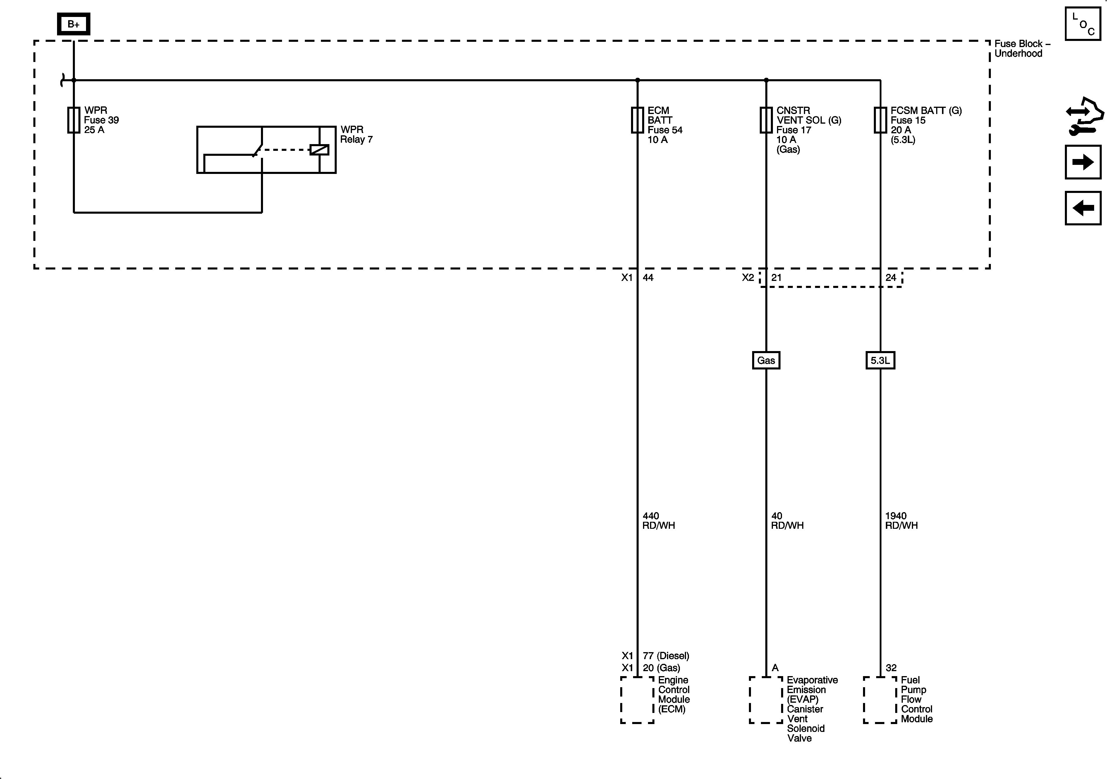
WPR, ECM BATT(G), CNSTR VENT SOL(G) and FCSM BATT Fuses
LT HIGH BEAM, RT HIGH BEAM, LT STP/TRN TRLR, RT STP/TRN TRLR, AUX STOP LAMP and STRTR SOL Fuses
Figure 8:

WPR, ECM BATT(G), CNSTR VENT SOL(G) and FCSM BATT Fuses


Object Number: 1884212  Size: FS
Master Electrical Component List
Control Module References
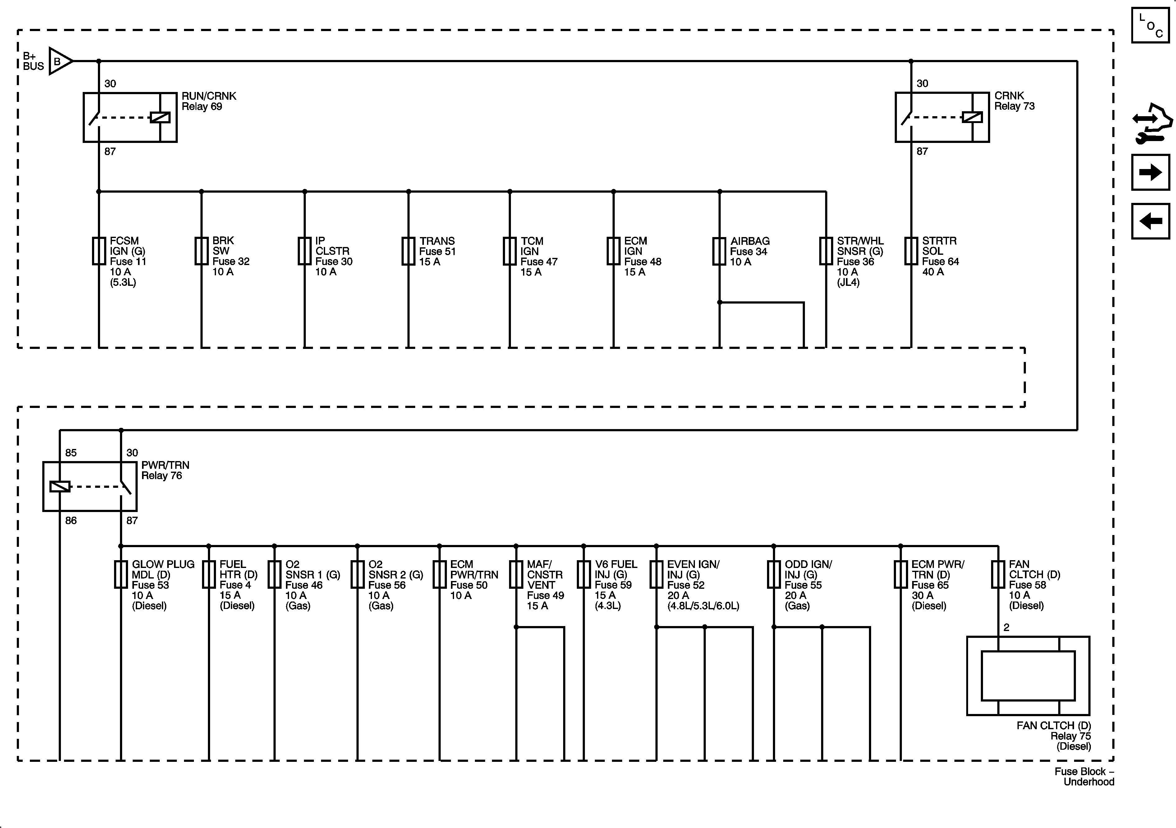
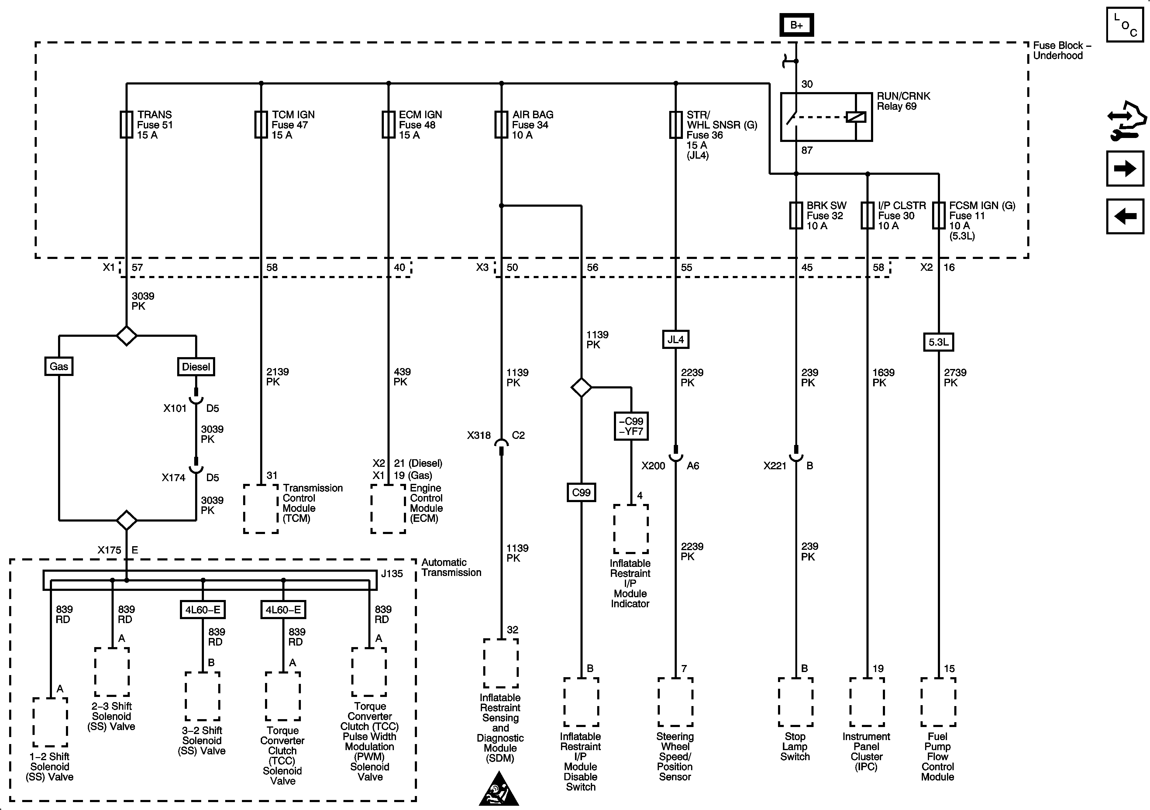
RUN/CRNK BUS - TRANS, TCM IGN, ECM IGN, AIR BAG, STR/WHL SNSR(G), BRK SW, I/P CLSTR and FCSM IGN(G) Fuses
LT LO BEAM, RT LO REAM, DRL 1, DRL 2, SEO and TCM BATT Fuses
Figure 9:

RUN/CRNK BUS - TRANS, TCM IGN, ECM IGN, AIR BAG, STR/WHL SNSR(G), BRK SW, I/P CLSTR and FCSM IGN(G) Fuses


Object Number: 1884214  Size: FS
Master Electrical Component List
Control Module References
PWR/TRN BUS - GLOW PLUG(D), O2 SNSR 1(G), O2 SNSR 2(G), ECM PWR/TRN and MAF/CNSTR Fuses
WPR, ECM BATT(G), CNSTR VENT SOL(G) and FCSM BATT Fuses
Figure 10:

PWR/TRN BUS - GLOW PLUG(D), O2 SNSR 1(G), O2 SNSR 2(G), ECM PWR/TRN and MAF/CNSTR Fuses


Object Number: 1884216  Size: FS
Master Electrical Component List
Control Module References
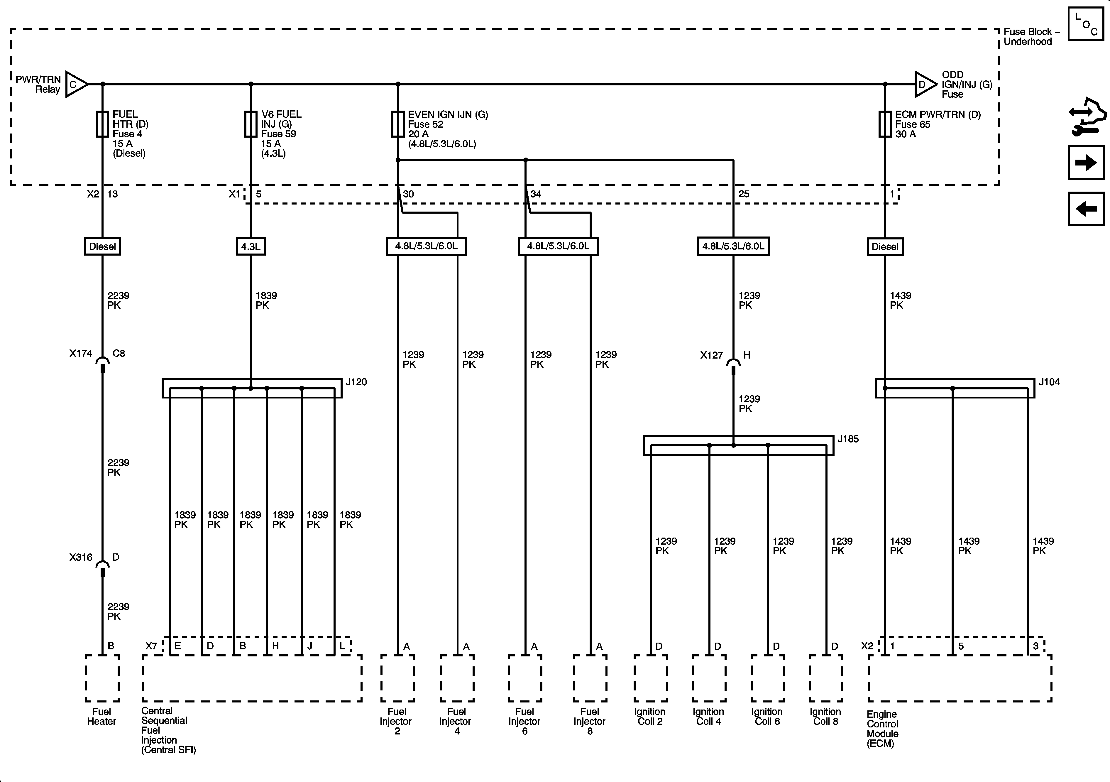
PWR/TRN BUS - FUEL HTR(D), V6 FUEL INJ(G), EVEN IGN IJN(G) and ECM PWR/TRN Fuses
RUN/CRNK BUS - TRANS, TCM IGN, ECM IGN, AIR BAG, STR/WHL SNSR(G), BRK SW, I/P CLSTR and FCSM IGN(G) Fuses
Figure 11:

PWR/TRN BUS - FUEL HTR(D), V6 FUEL INJ(G), EVEN IGN IJN(G) and ECM PWR/TRN Fuses


Object Number: 1884218  Size: FS
Master Electrical Component List
Control Module References
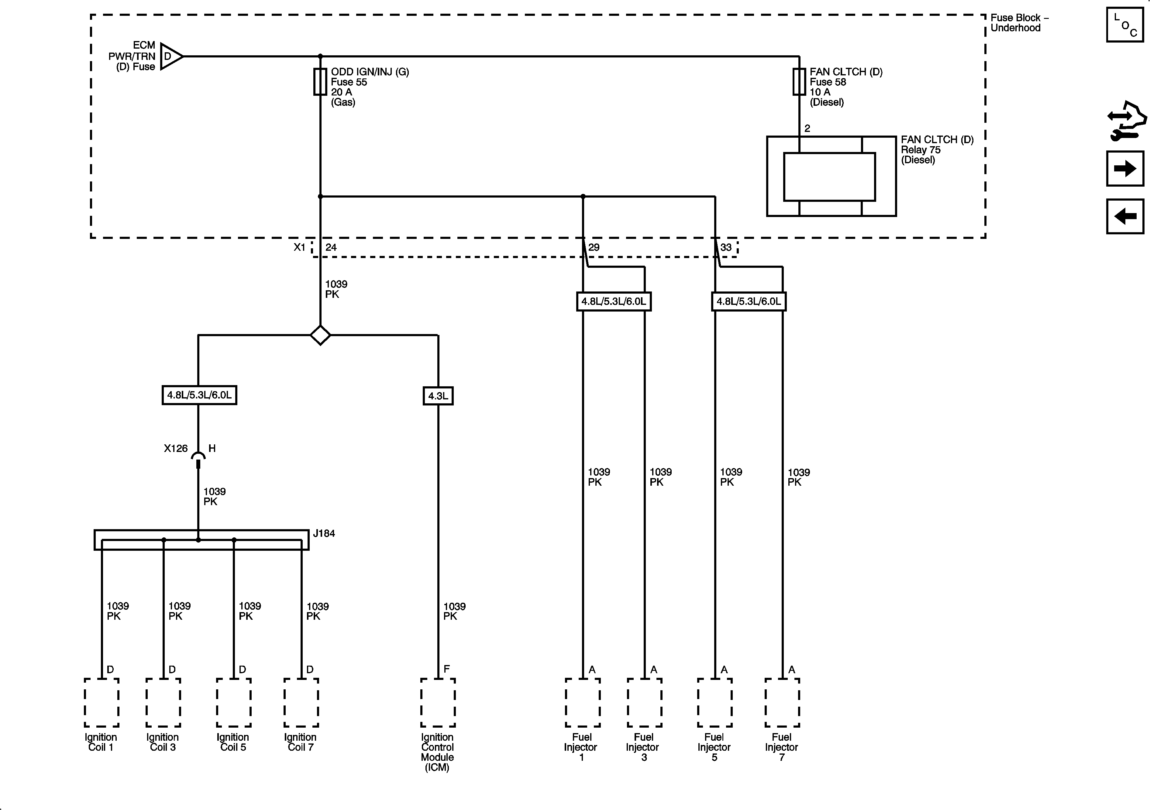
PWR/TRN BUS - ODD IGN/INJ(G) and FAN CLTCH(D) Fuses
PWR/TRN BUS - GLOW PLUG(D), O2 SNSR 1(G), O2 SNSR 2(G), ECM PWR/TRN and MAF/CNSTR Fuses
Figure 12:

PWR/TRN BUS - ODD IGN/INJ(G) and FAN CLTCH(D) Fuses


Object Number: 1884220  Size: FS
Master Electrical Component List
Control Module References
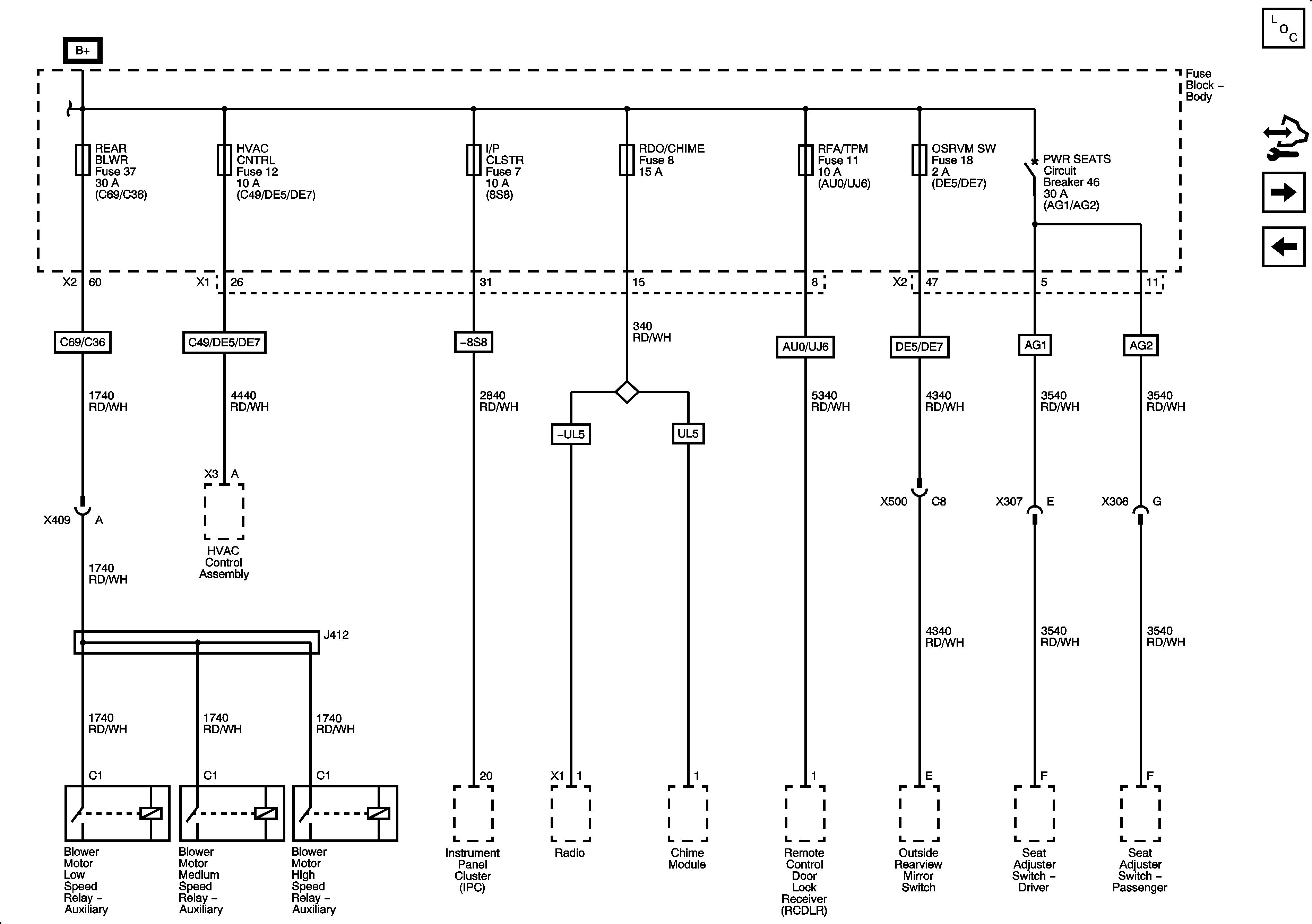
REAR BLWR, HVAC CNTRL, I/P CLSTR, RDO/CHIME, RFA/TPM, OSRVM SW Fuses and PWR SEATS Circuit Breaker
PWR/TRN BUS - FUEL HTR(D), V6 FUEL INJ(G), EVEN IGN IJN(G) and ECM PWR/TRN Fuses
Figure 13:

REAR BLWR, HVAC CNTRL, I/P CLSTR, RDO/CHIME, RFA/TPM, OSRVM SW Fuses and PWR SEATS Circuit Breaker


Object Number: 1884223  Size: FS
Master Electrical Component List
Control Module References
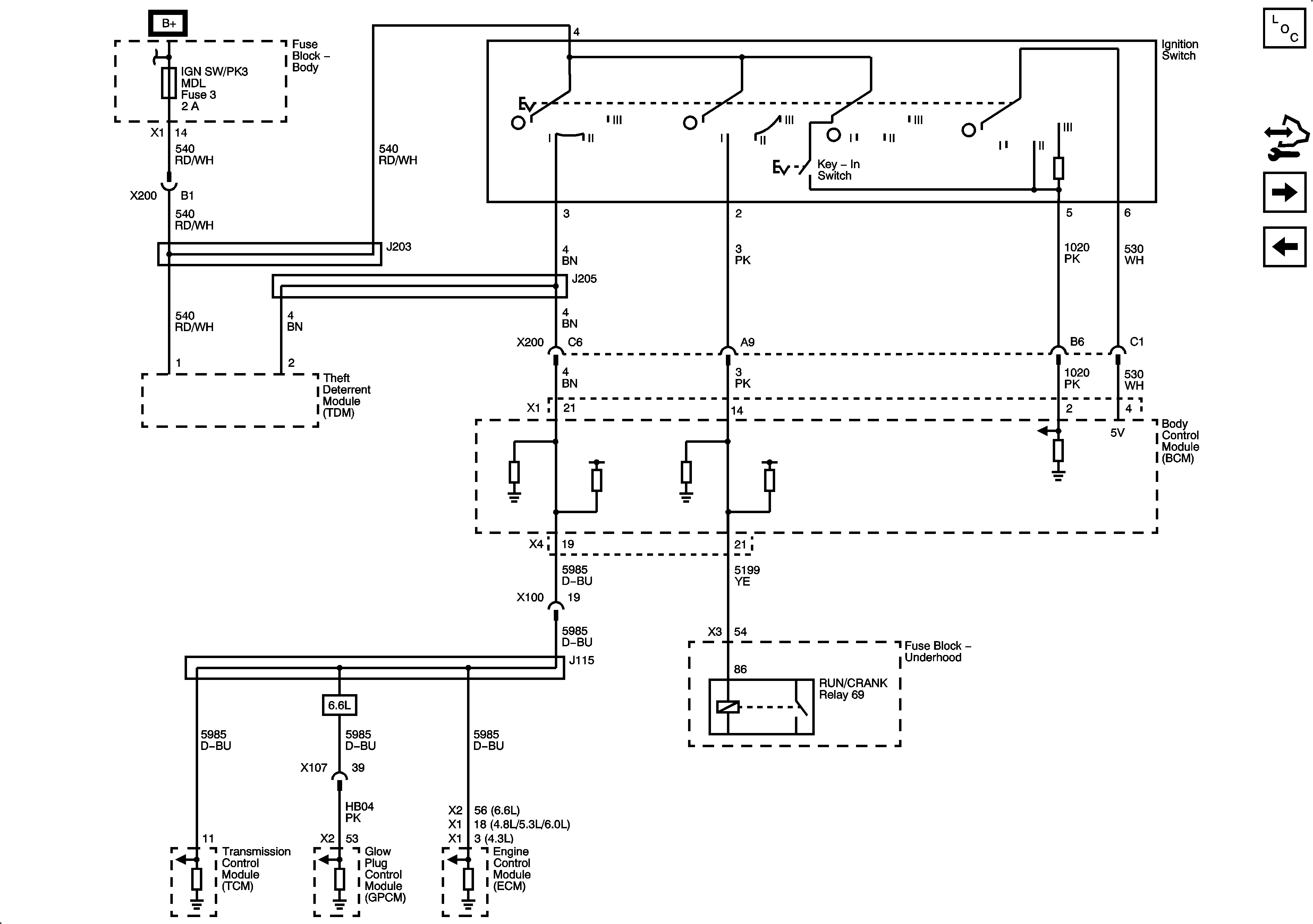
IGN SW/PK3 MDL Fuse and Ignition Switch
PWR/TRN BUS - ODD IGN/INJ(G) and FAN CLTCH(D) Fuses
Figure 14:

IGN SW/PK3 MDL Fuse and Ignition Switch


Object Number: 1884226  Size: FS
Master Electrical Component List
Control Module References
REAR DEFOG, OSRVM HTR and AIR BAG/AOS Fuses, PWR WDO Circuit Breaker
REAR BLWR, HVAC CNTRL, I/P CLSTR, RDO/CHIME, RFA/TPM, OSRVM SW Fuses and PWR SEATS Circuit Breaker
Figure 15:

REAR DEFOG, OSRVM HTR and AIR BAG/AOS Fuses, PWR WDO Circuit Breaker


Object Number: 1884228  Size: FS
Master Electrical Component List
Control Module References
DRV DR UNLCK, FRT PASS DR UNLCK, REAR PASS DR UNLCK and CARGO DR UNLCK Fuses
IGN SW/PK3 MDL Fuse and Ignition Switch
Figure 16:

DRV DR UNLCK, FRT PASS DR UNLCK, REAR PASS DR UNLCK and CARGO DR UNLCK Fuses


Object Number: 1884230  Size: FS
Master Electrical Component List
Control Module References
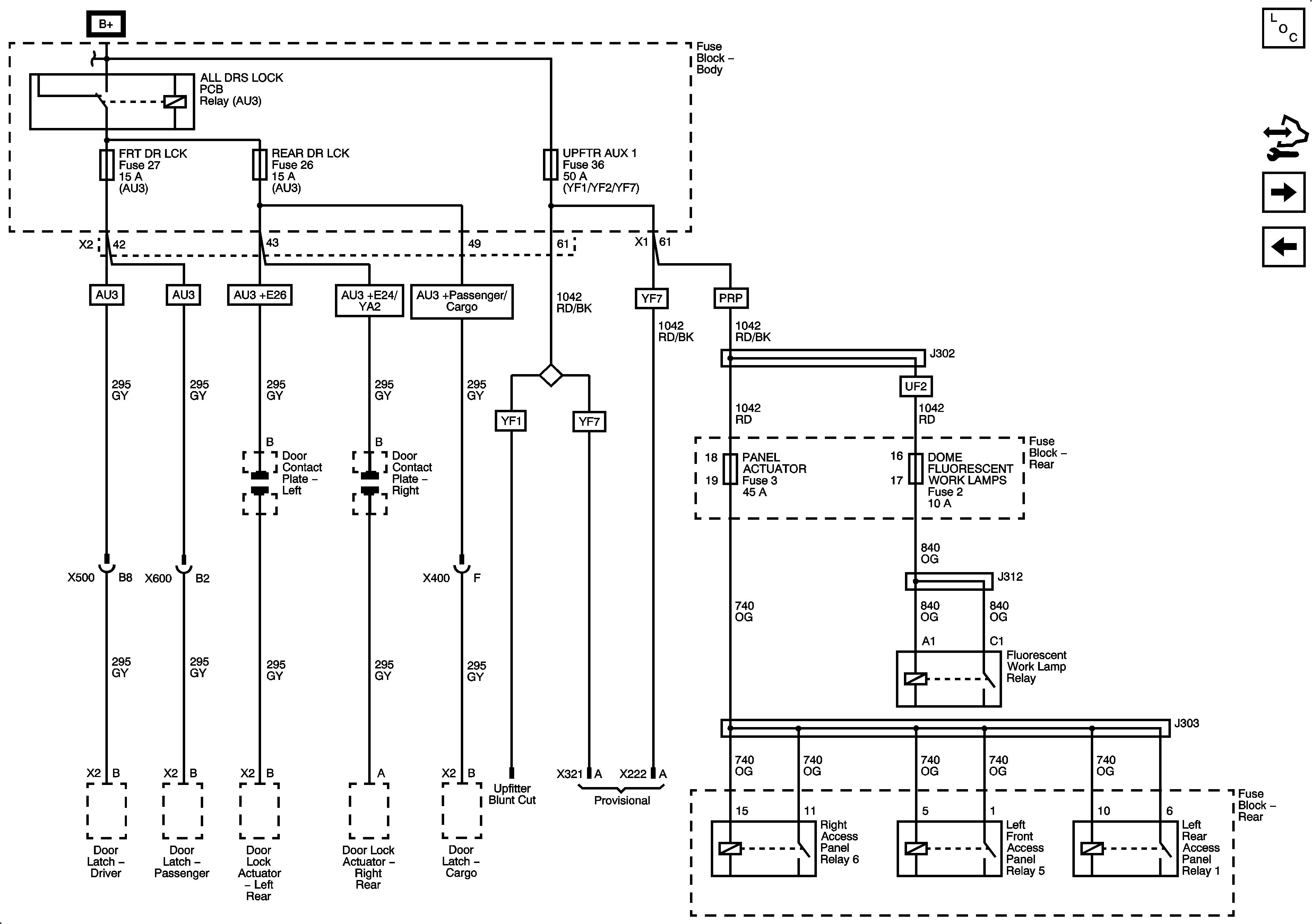
FRT DR LCK, REAR DR LCK and UPFTR AUX 1 Fuses
REAR DEFOG, OSRVM HTR and AIR BAG/AOS Fuses, PWR WDO Circuit Breaker
Figure 17:

FRT DR LCK, REAR DR LCK and UPFTR AUX 1 Fuses


Object Number: 1884233  Size: FS
Master Electrical Component List
Control Module References
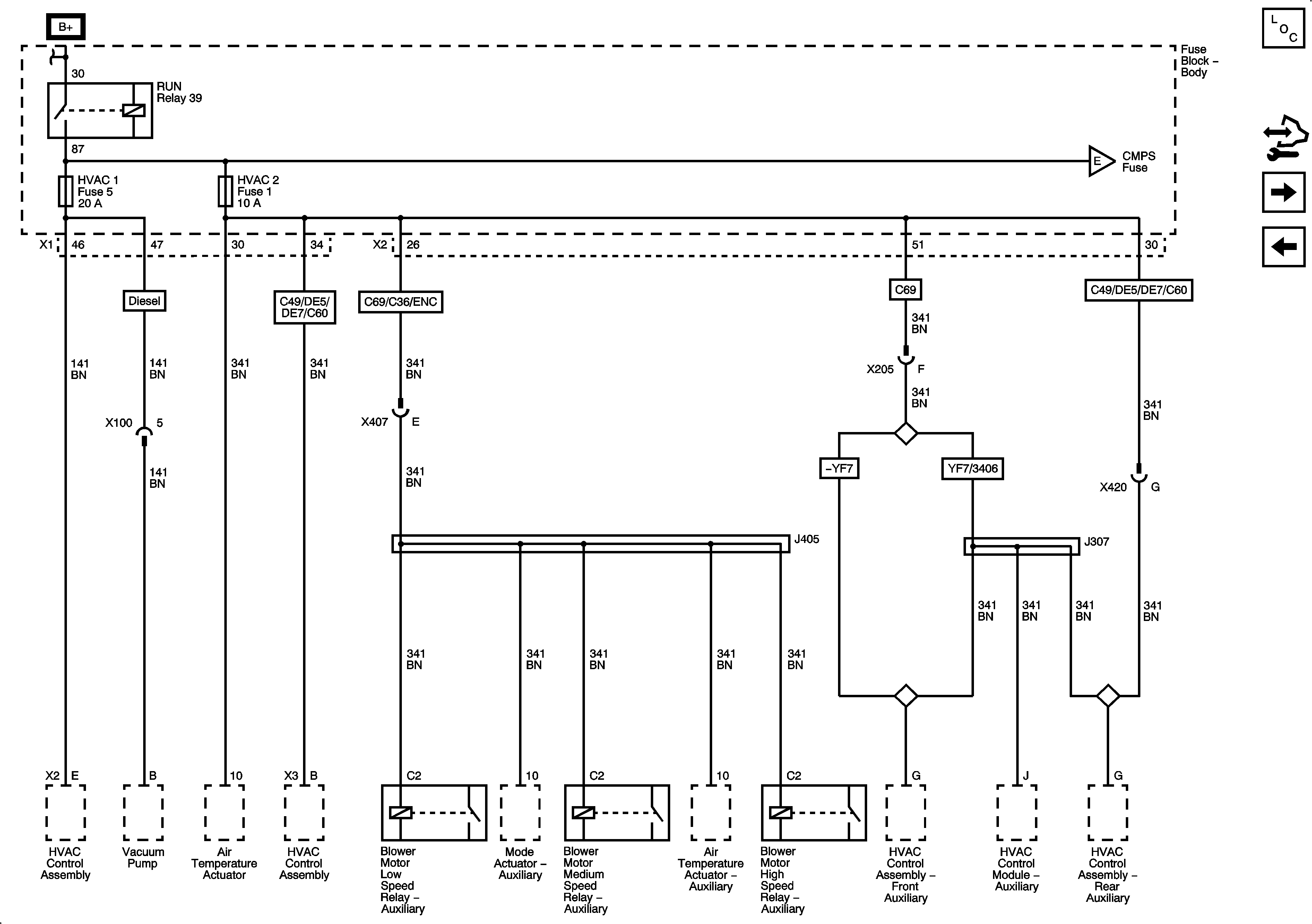
RUN BUS - HVAC 1 and HVAC 2 Fuses
DRV DR UNLCK, FRT PASS DR UNLCK, REAR PASS DR UNLCK and CARGO DR UNLCK Fuses
Figure 18:

RUN BUS - HVAC 1 and HVAC 2 Fuses


Object Number: 1884237  Size: FS
Master Electrical Component List
Control Module References
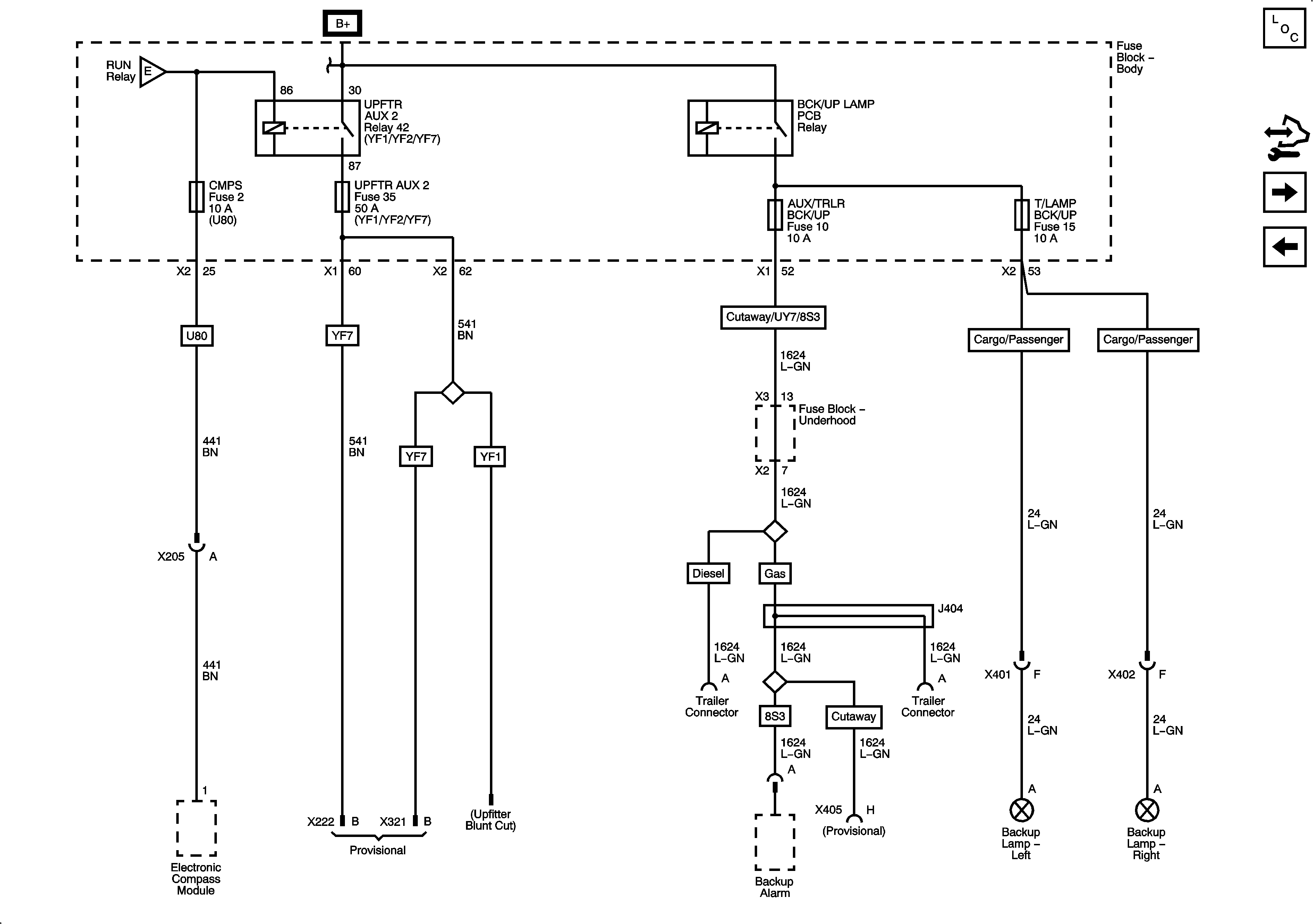
RUN BUS - CMPS, UPFTR AUX 2, AUX/TRLR BCK/UP and T/LAMP Fuses
FRT DR LCK, REAR DR LCK and UPFTR AUX 1 Fuses
Figure 19:

RUN BUS - CMPS, UPFTR AUX 2, AUX/TRLR BCK/UP and T/LAMP Fuses


Object Number: 1884239  Size: FS
Master Electrical Component List
Control Module References
UPFTR PARK LMPS, FRT PRK LAMP, TRLR PRK LAMP, AUX PRK LAMP, LT REAR PRK LAMP and RT REAR PRK LAMP Fuses
RUN BUS - HVAC 1 and HVAC 2 Fuses
Figure 20:

UPFTR PARK LMPS, FRT PRK LAMP, TRLR PRK LAMP, AUX PRK LAMP, LT REAR PRK LAMP and RT REAR PRK LAMP Fuses


Object Number: 1884241  Size: FS
Master Electrical Component List
Control Module References
UPFTR CTSY LMPS Fuse
RUN BUS - CMPS, UPFTR AUX 2, AUX/TRLR BCK/UP and T/LAMP Fuses
Figure 21:

UPFTR CTSY LMPS Fuse


Object Number: 1892420  Size: FS
Master Electrical Component List
Control Module References
UPFTR PARK LMPS, FRT PRK LAMP, TRLR PRK LAMP, AUX PRK LAMP, LT REAR PRK LAMP and RT REAR PRK LAMP Fuses