GM Service Manual Online
For 1990-2009 cars only
Figure 1:

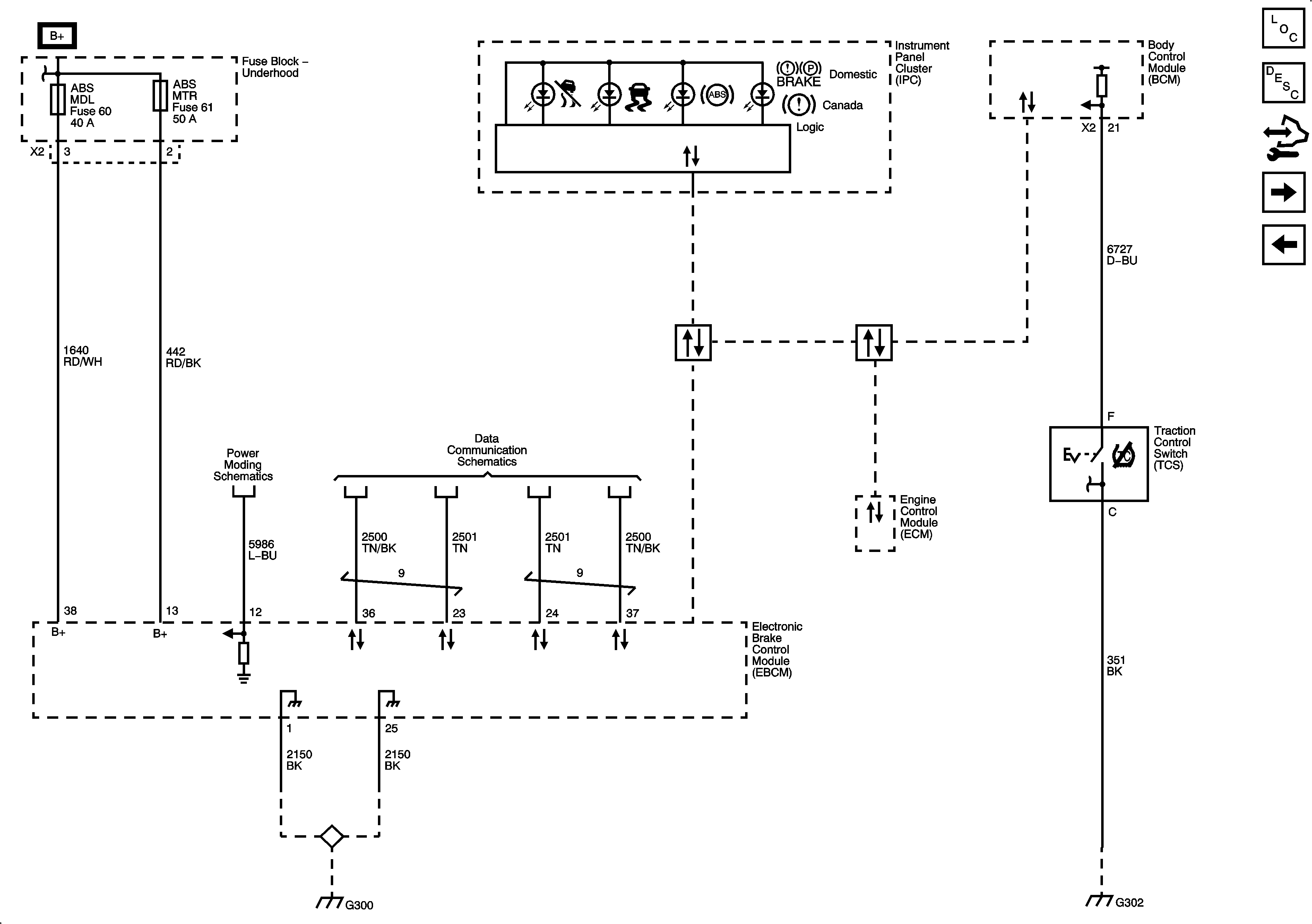
Power, Ground, Serial Data and Indicators JL9


Object Number: 1878620  Size: FS
Master Electrical Component List
ABS Description and Operation without JL4
Control Module References
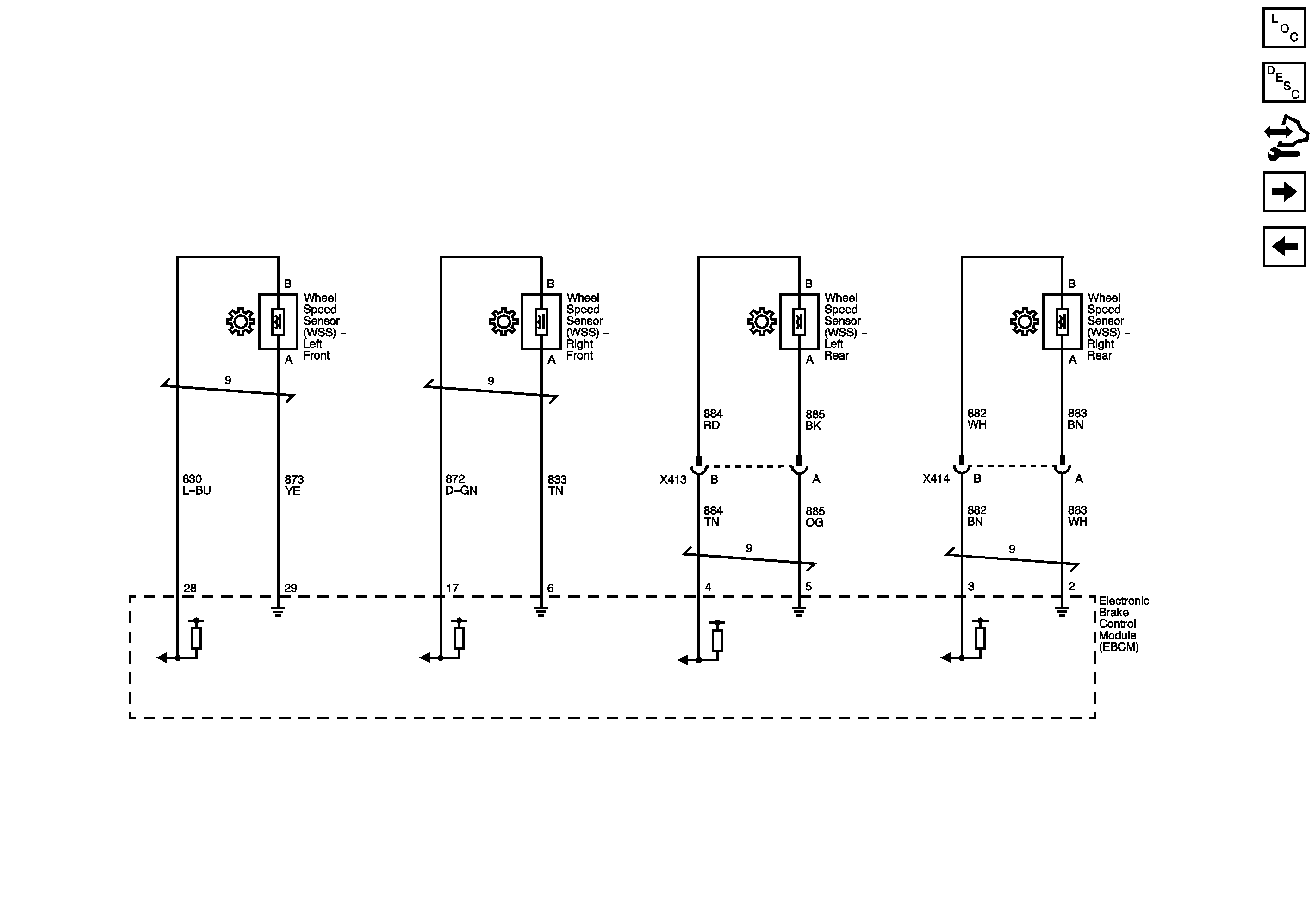
Speed Signals JL9
Figure 2:

Speed Signals JL9


Object Number: 1878625  Size: FS
Master Electrical Component List
ABS Description and Operation without JL4
Control Module References
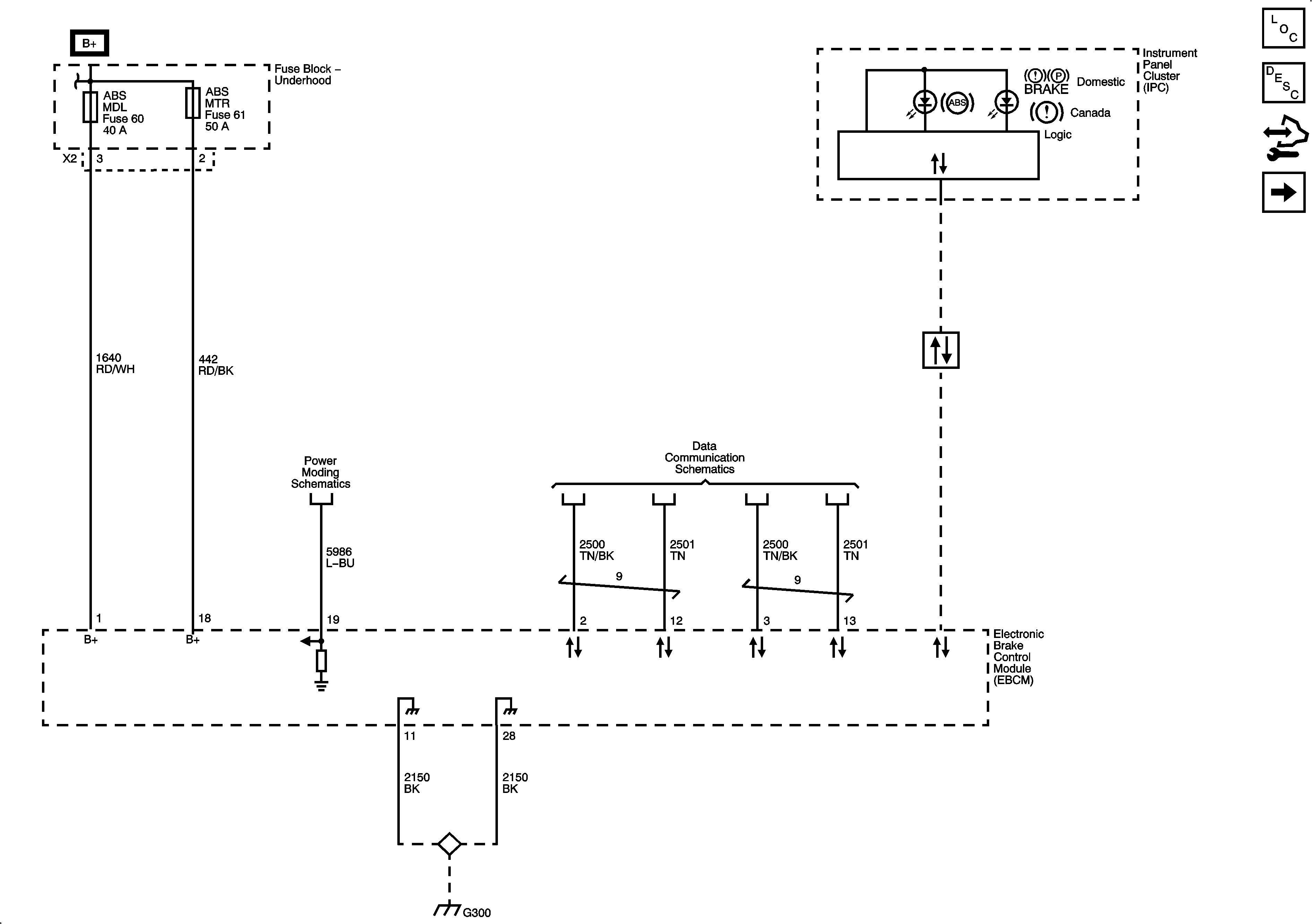
Power, Ground, Serial Data, Indicator and Traction Control Switch JL4
Power, Ground, Serial Data and Indicators JL9
Figure 3:

Power, Ground, Serial Data, Indicator and Traction Control Switch JL4


Object Number: 1878627  Size: FS
Master Electrical Component List
ABS Description and Operation w/JL4
Control Module References
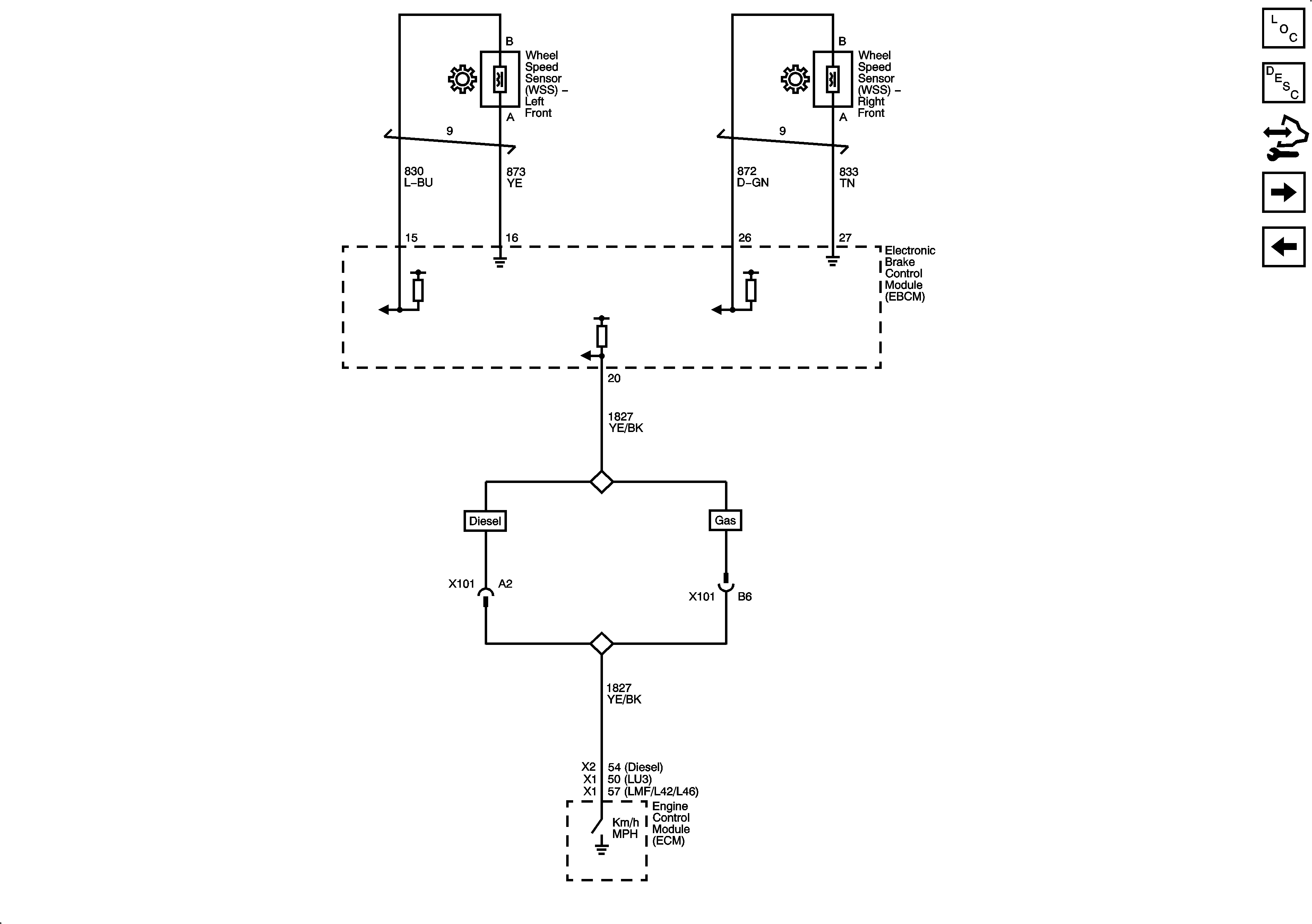
Speed Signals JL4
Speed Signals JL9
Figure 4:

Speed Signals JL4


Object Number: 1878631  Size: FS
Master Electrical Component List
ABS Description and Operation w/JL4
Control Module References
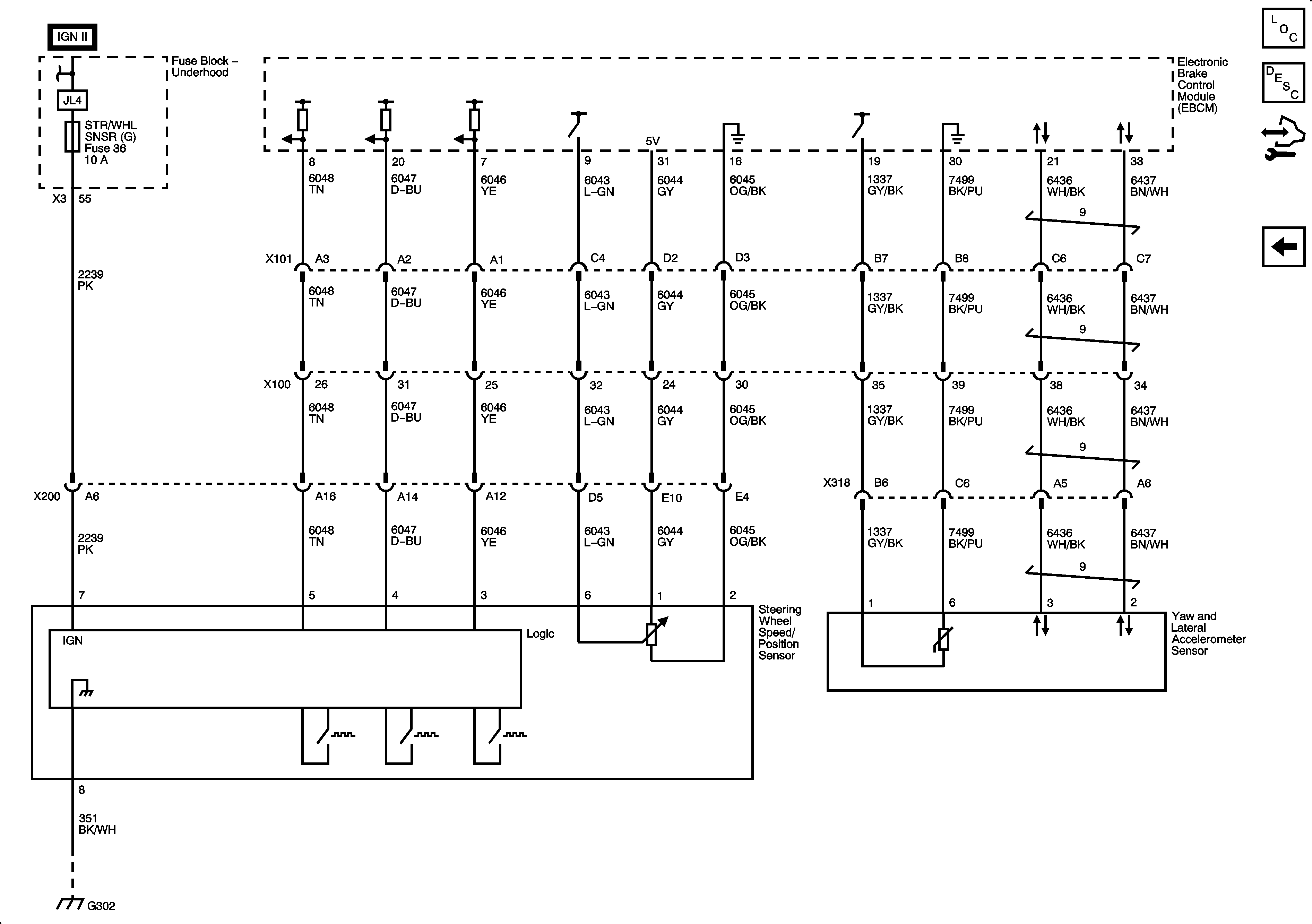
Stabitrak Steering Wheel Position Inputs and Yaw Rate Lateral Accelerometer Sensor JL4
Power, Ground, Serial Data, Indicator and Traction Control Switch JL4
Figure 5:

Stabitrak Steering Wheel Position Inputs and Yaw Rate Lateral Accelerometer Sensor JL4


Object Number: 1878632  Size: FS
Master Electrical Component List
ABS Description and Operation w/JL4
Control Module References
Speed Signals JL4