GM Service Manual Online
For 1990-2009 cars only
Makes
🢒
GMC_Truck
🢒
2008
🢒
Savana
🢒
Diagnostic Navigation
🢒
Vehicle Diagnostic Information
🢒 Release Systems Schematics
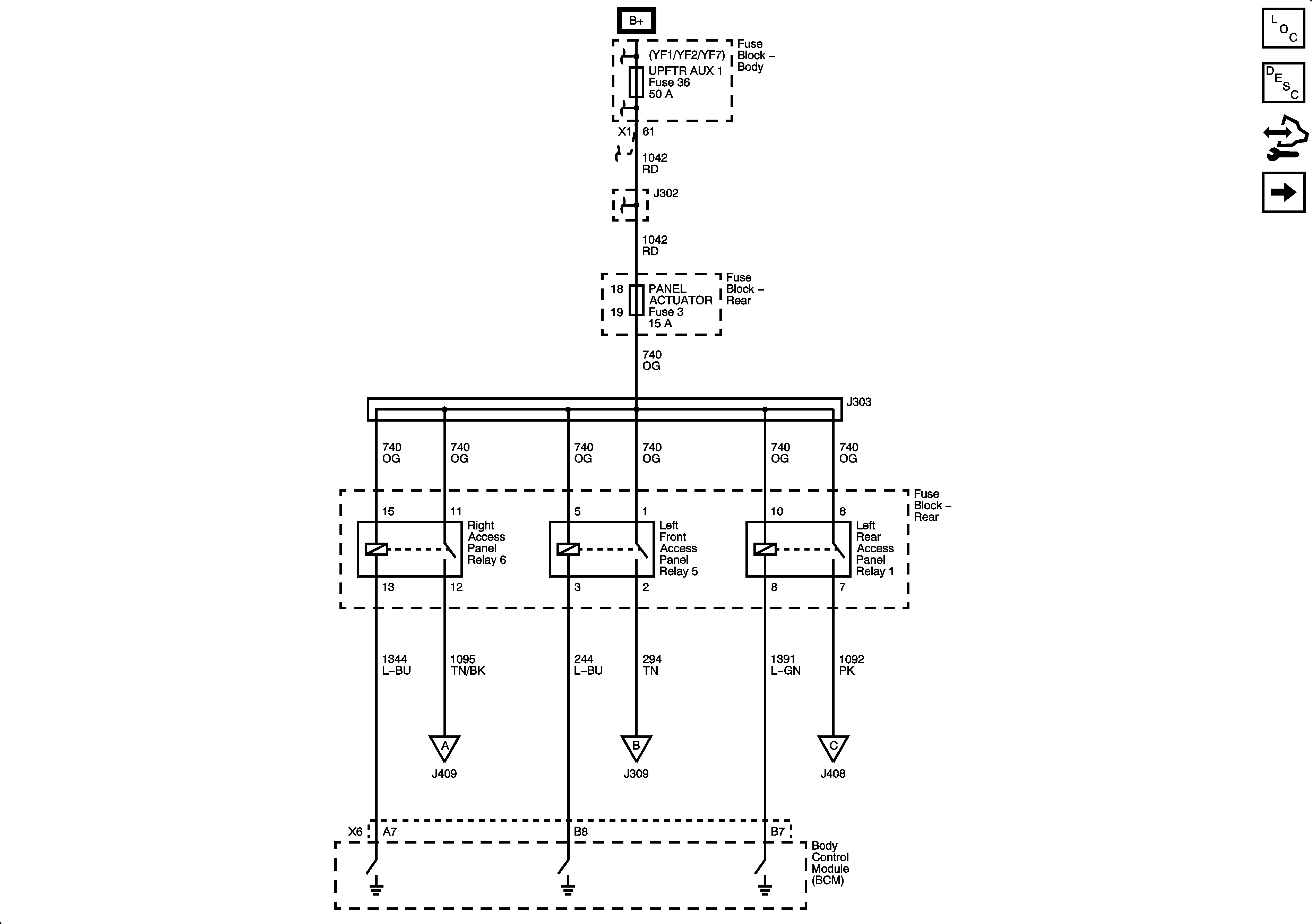
Figure
1:
Access Panel Relay Control
Master Electrical Component List
Access Panel Description and Operation
Control Module References
Access Panel Actuators
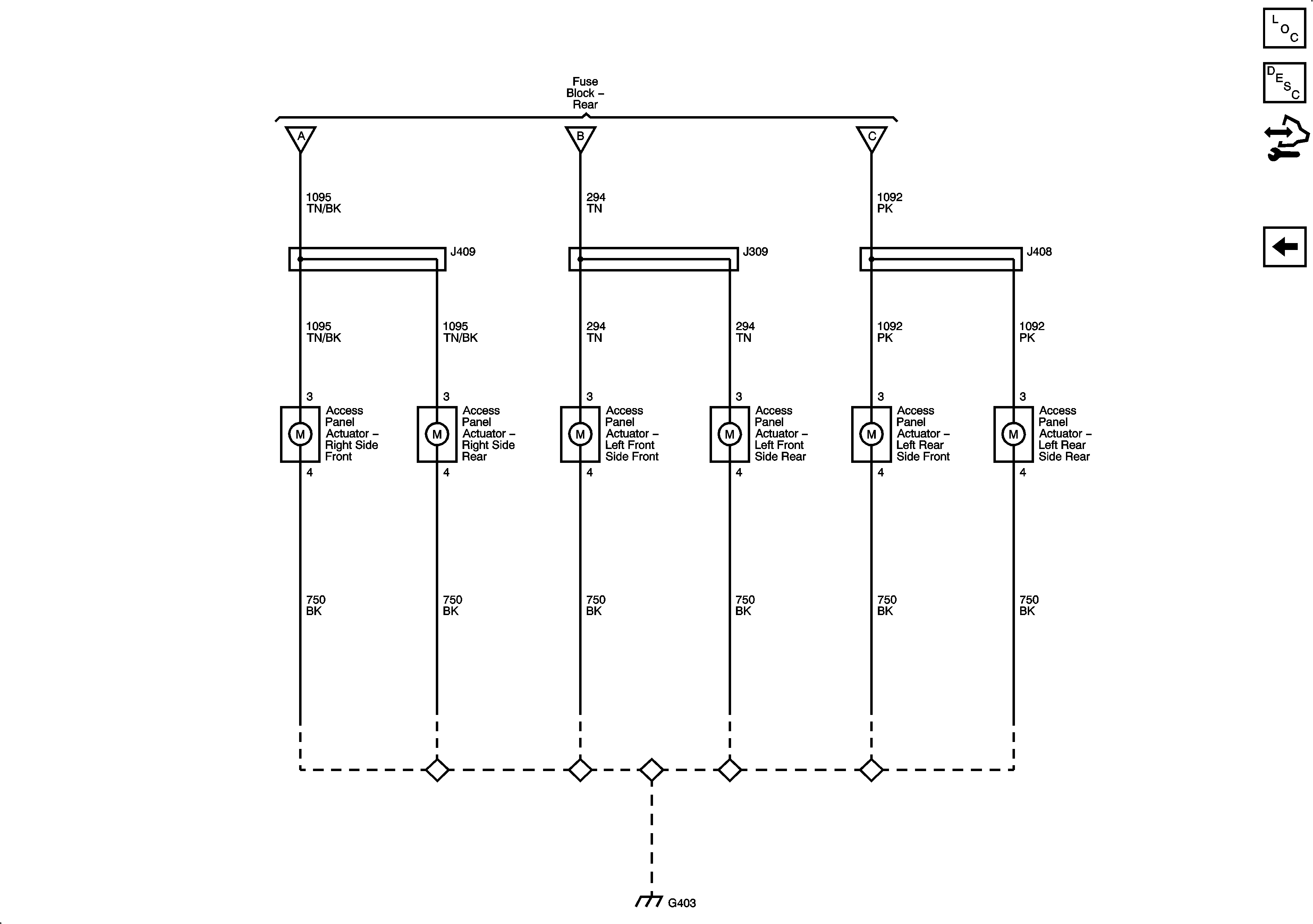
Figure
2:
Access Panel Actuators
Master Electrical Component List
Access Panel Description and Operation
Control Module References
Access Panel Relay Control