GM Service Manual Online
For 1990-2009 cars only
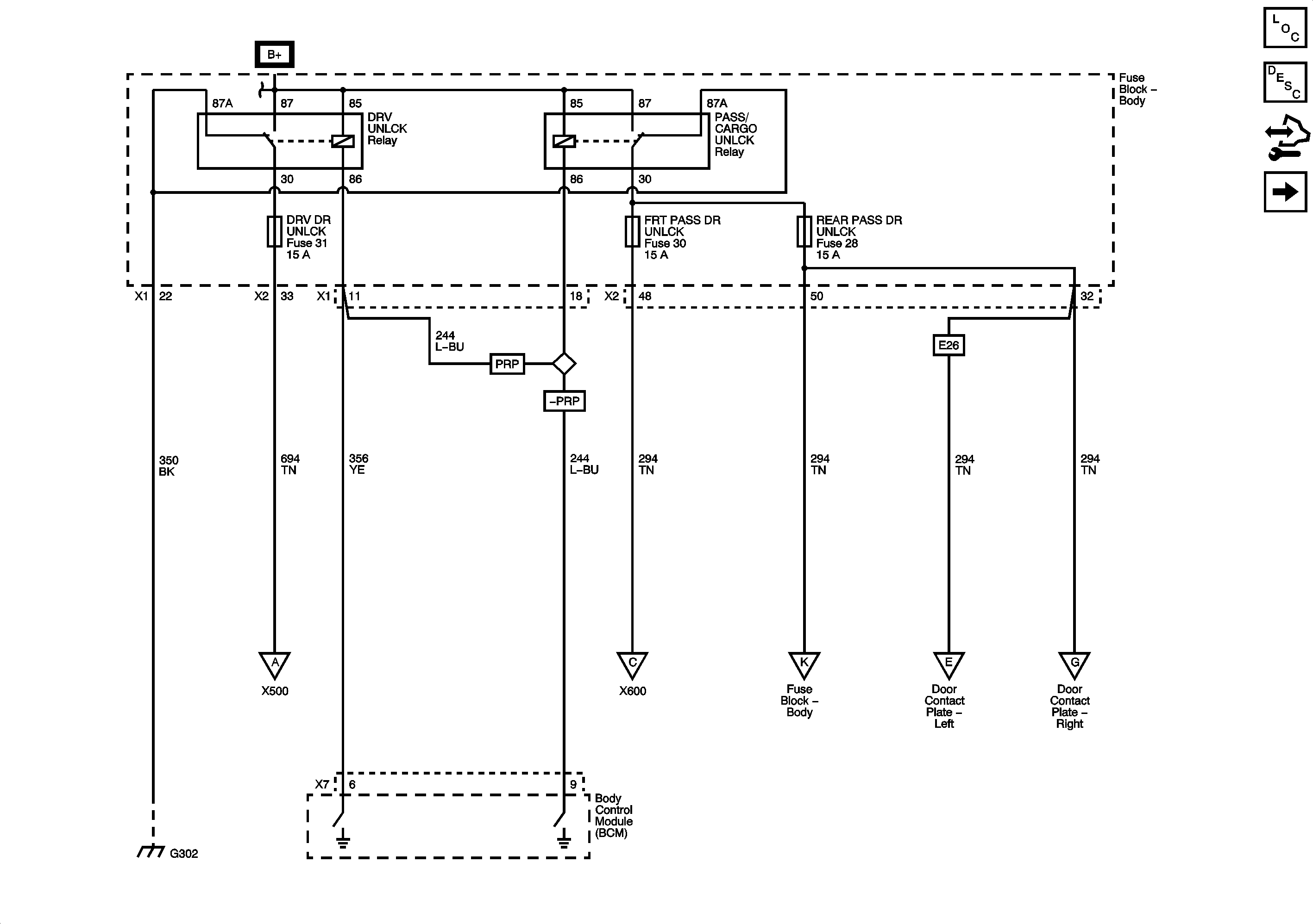
Figure 1:

Lock/Unlock Control (1 of 2)


Object Number: 1883997  Size: FS
Master Electrical Component List
Power Door Locks Description and Operation
Control Module References
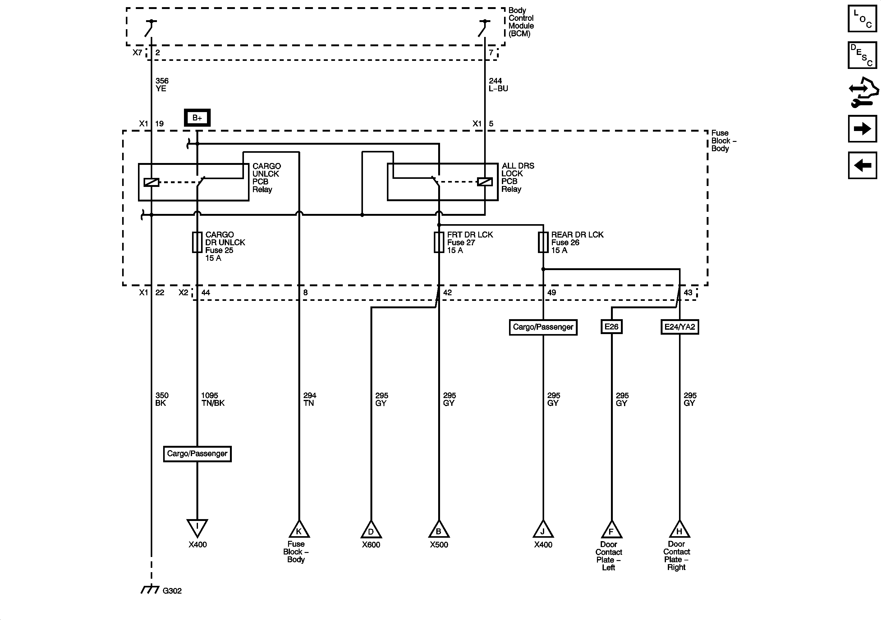
Lock/Unlock Controls 2 of 2
Figure 2:

Lock/Unlock Controls (2 of 2)


Object Number: 1925904  Size: FS
Master Electrical Component List
Power Door Locks Description and Operation
Control Module References
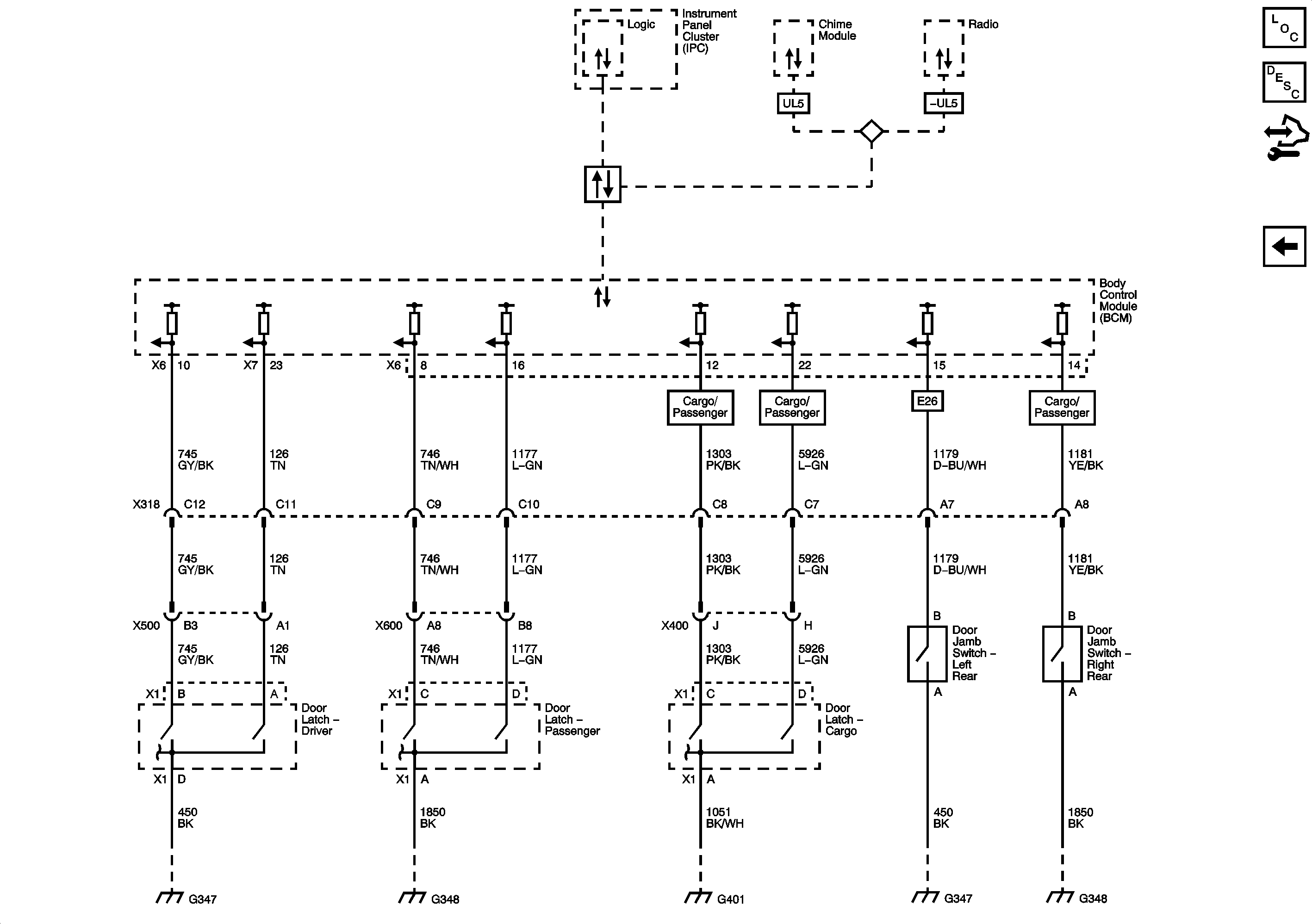
Door Latches and Actuators
Lock/Unlock Control (1 of 2)
Figure 3:

Door Latches and Actuators


Object Number: 1883999  Size: FS
Master Electrical Component List
Power Door Locks Description and Operation
Control Module References
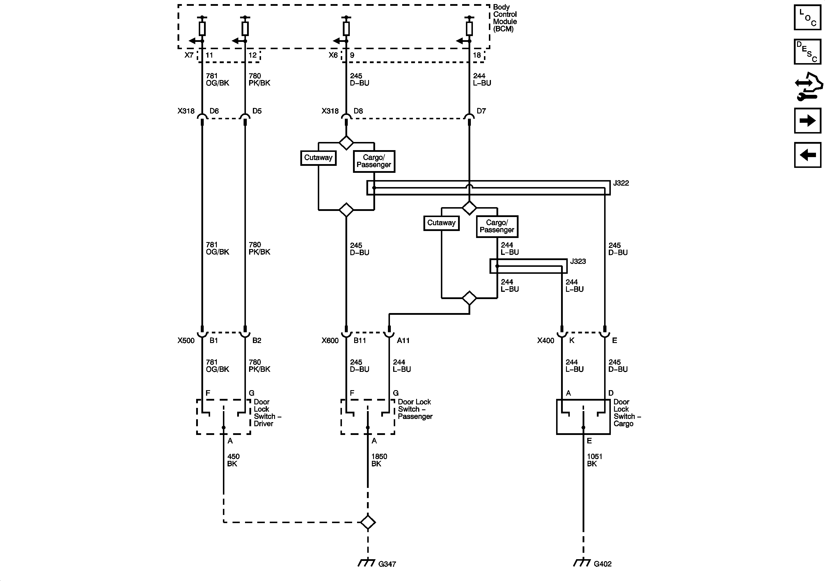
Switches
Lock/Unlock Controls 2 of 2
Figure 4:

Switches


Object Number: 1884001  Size: FS
Master Electrical Component List
Power Door Locks Description and Operation
Control Module References
Door Ajar Switches
Door Latches and Actuators
Figure 5:

Door Ajar Switches


Object Number: 1925920  Size: FS
Master Electrical Component List
Door Ajar Indicator Description and Operation
Control Module References
Switches