GM Service Manual Online
For 1990-2009 cars only
Makes
🢒
GMC_Truck
🢒
2008
🢒
Savana
🢒
Body Systems
🢒
Wipers and Washers
🢒 Wiper/Washer Schematics
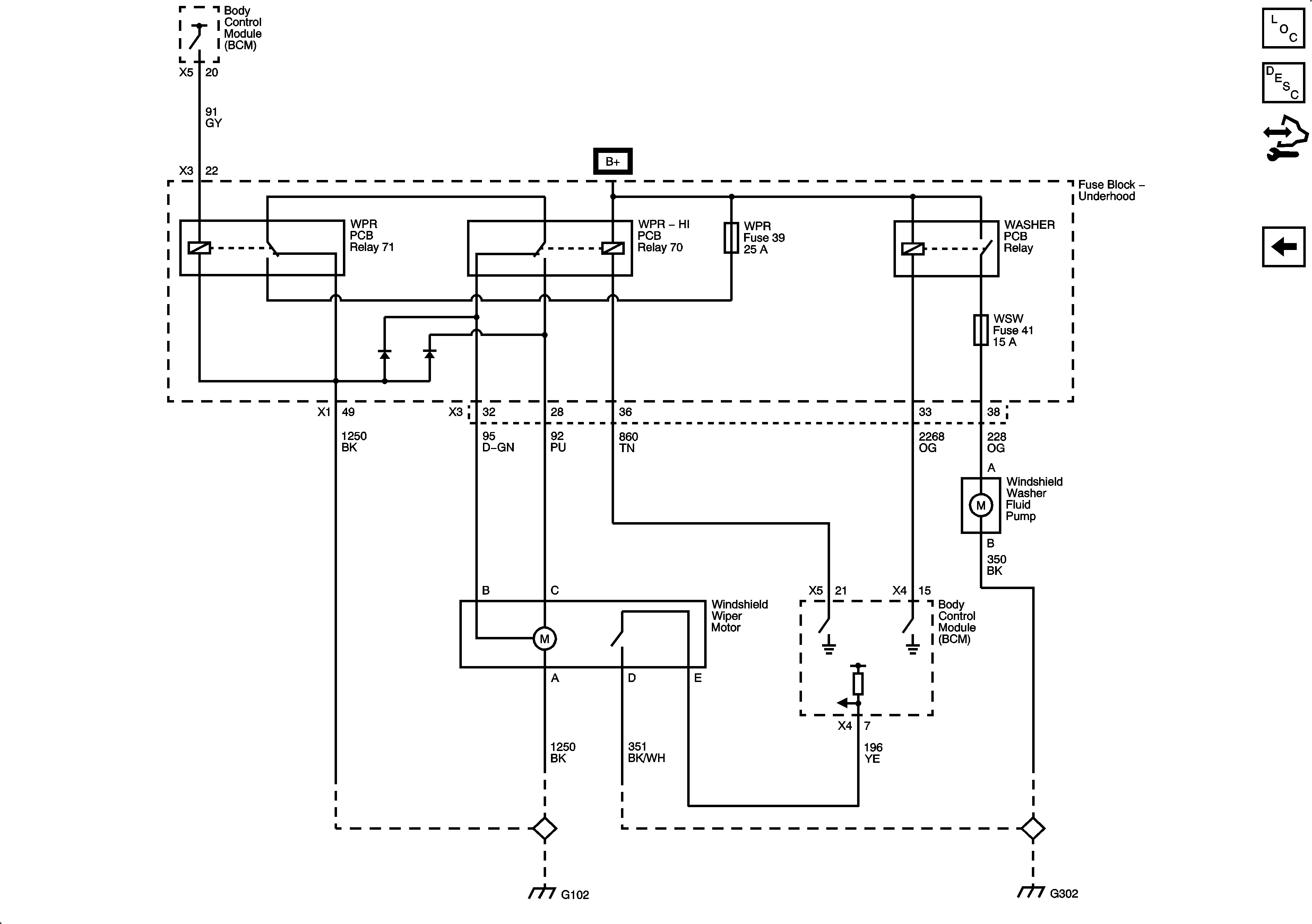
Figure
1:
Wiper Controls
Master Electrical Component List
Wiper/Washer System Description and Operation Wiper and Washers
Control Module References
Wiper and Washer Motor Control
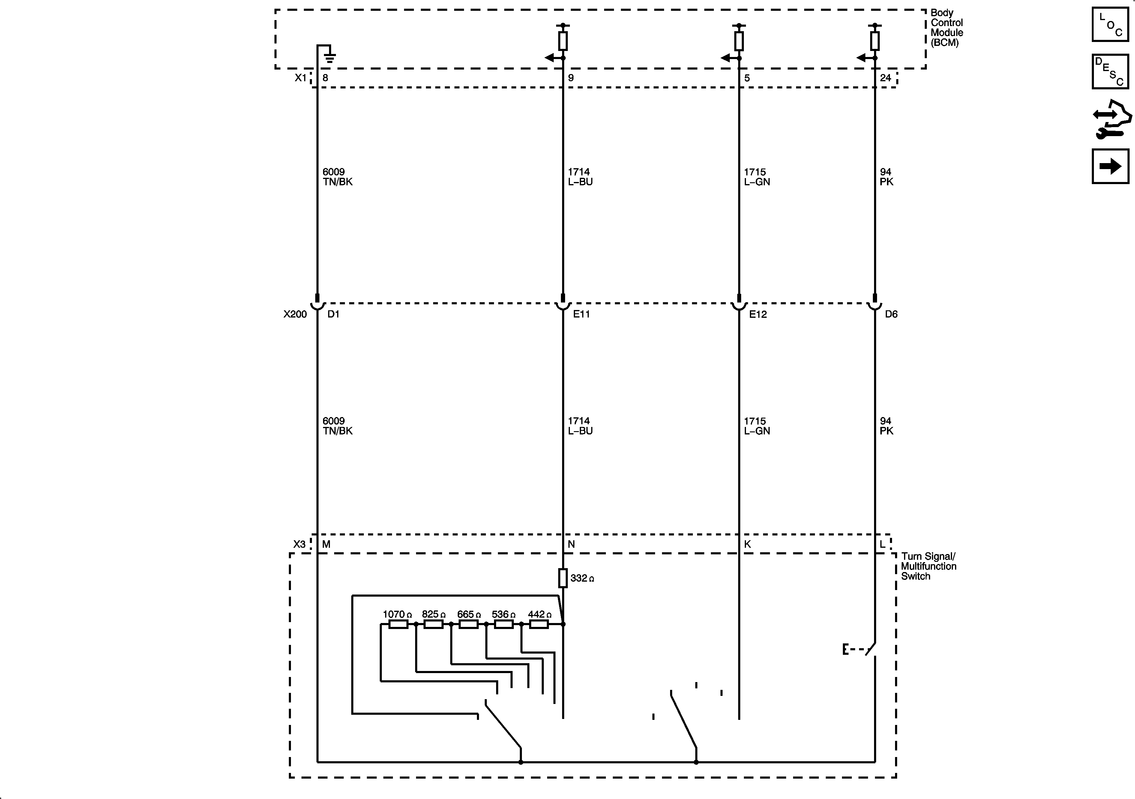
Figure
2:
Wiper and Washer Motor Control
Master Electrical Component List
Wiper/Washer System Description and Operation Wiper and Washers
Control Module References
Wiper Controls