GM Service Manual Online
For 1990-2009 cars only
Makes
🢒
GMC_Truck
🢒
2008
🢒
Savana
🢒
Driver Information and Entertainment
🢒
Cellular, Entertainment, and Navigation
🢒 Radio/Navigation System Schematics
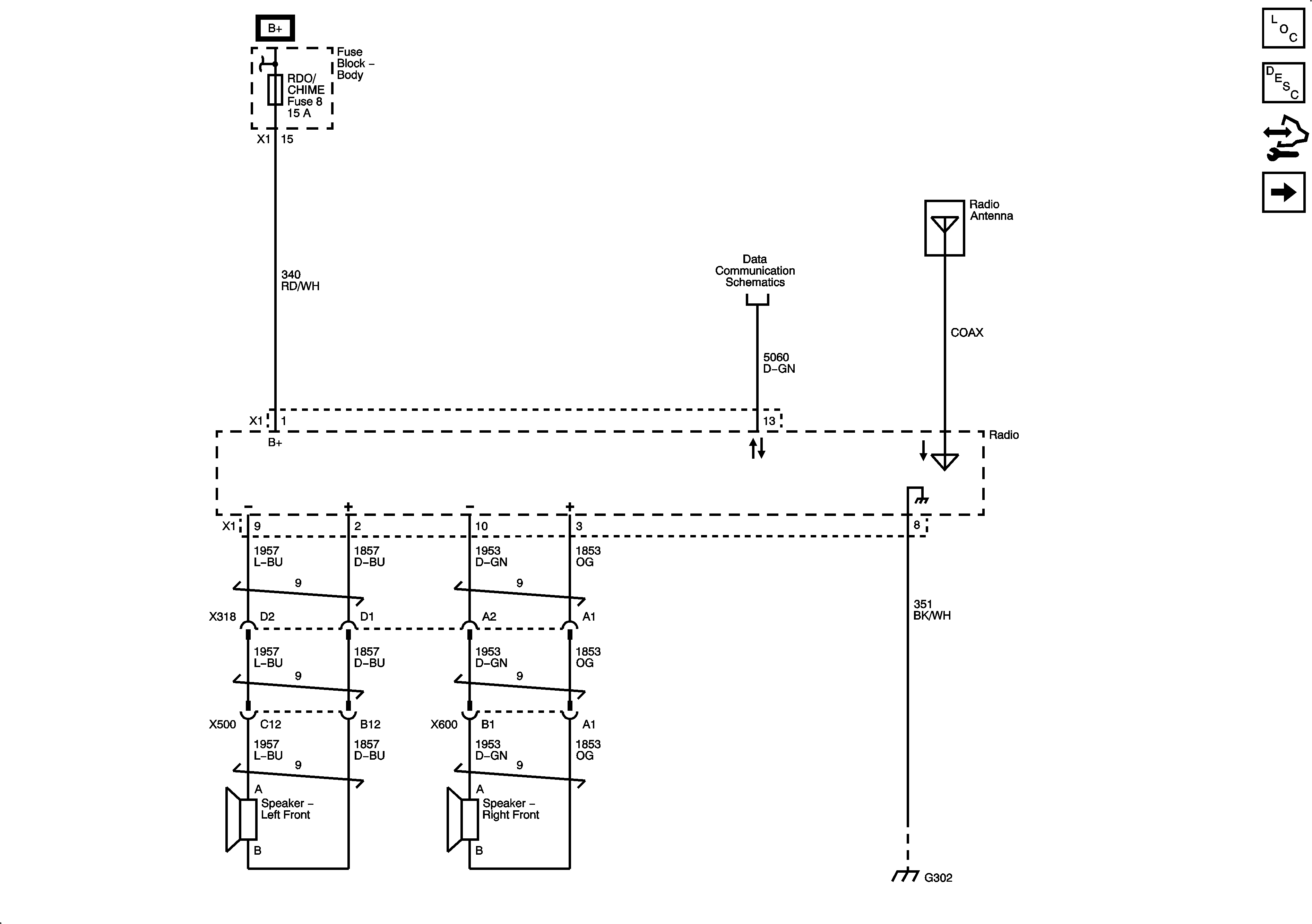
Figure
1:
Power, Ground, Serial Data, Antenna and Front Speaker Outputs
Master Electrical Component List
Radio/Audio System Description and Operation
Control Module References
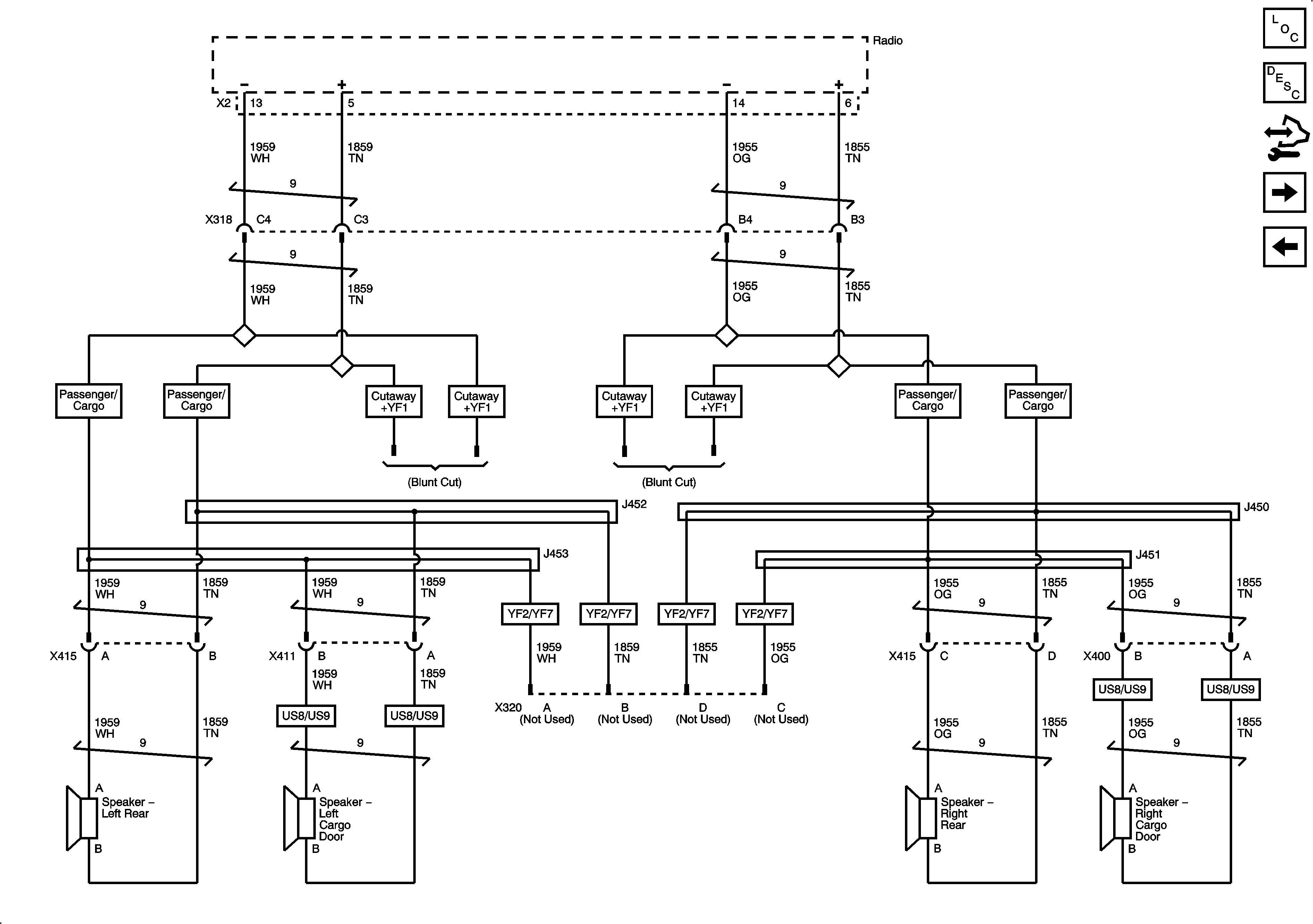
Rear Speaker Outputs
Figure
2:
Rear Speaker Outputs
Master Electrical Component List
Radio/Audio System Description and Operation
Control Module References
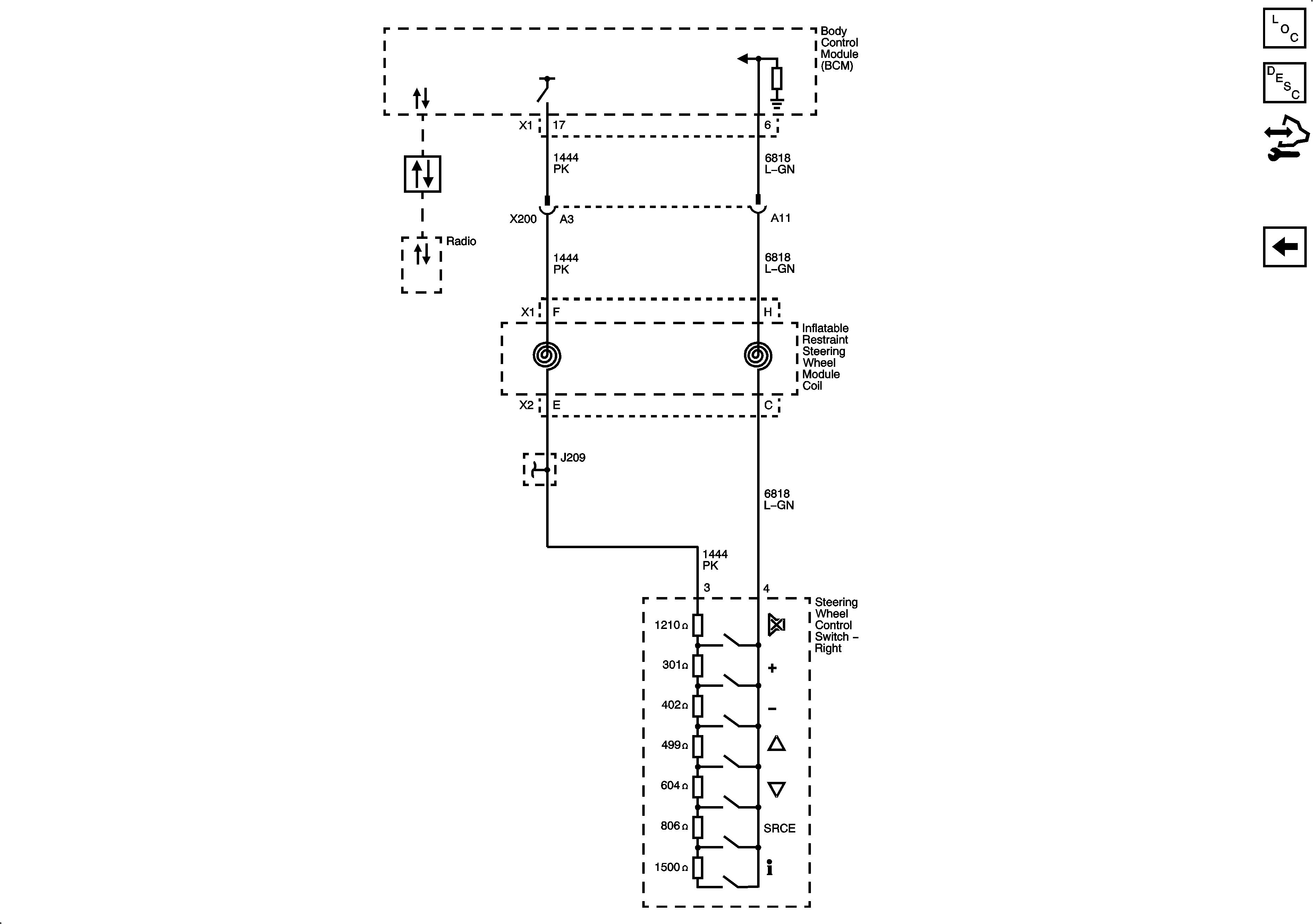
Steering Wheel Radio Redundant Controls
Power, Ground, Serial Data, Antenna and Front Speaker Outputs
Figure
3:
Steering Wheel Radio Redundant Controls
Master Electrical Component List
Radio/Audio System Description and Operation
Control Module References
Rear Speaker Outputs