GM Service Manual Online
For 1990-2009 cars only
Makes
🢒
GMC_Truck
🢒
2008
🢒
Savana
🢒
Safety and Security
🢒
Immobilizer
🢒 Immobilizer Schematics
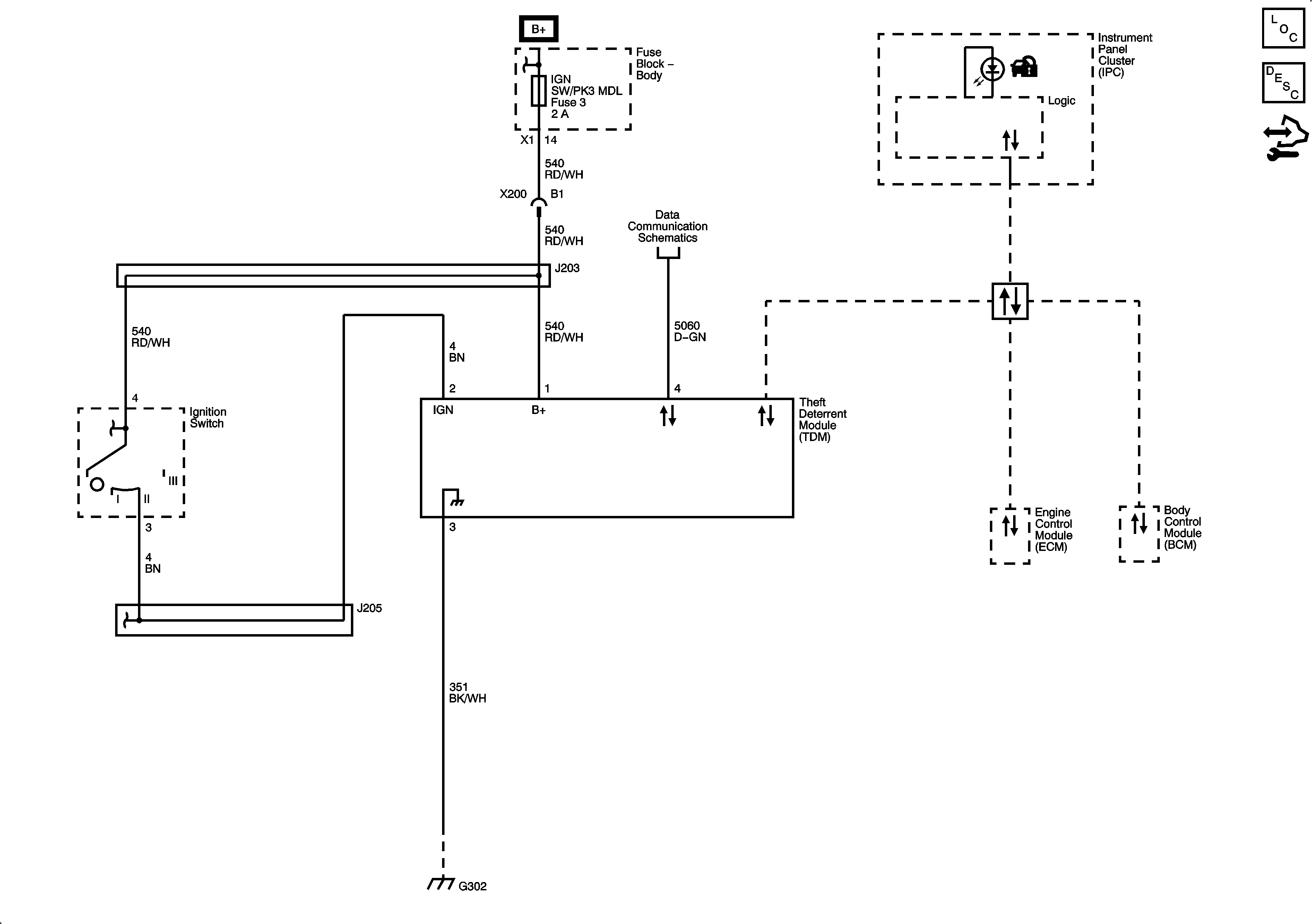
Theft Deterrent System Schematics
Master Electrical Component List
Immobilizer Description and Operation
Control Module References