GM Service Manual Online
For 1990-2009 cars only
Makes
🢒
GMC_Truck
🢒
2008
🢒
Savana
🢒
Safety and Security
🢒
Seat Belts
🢒 Seat Belt Schematics
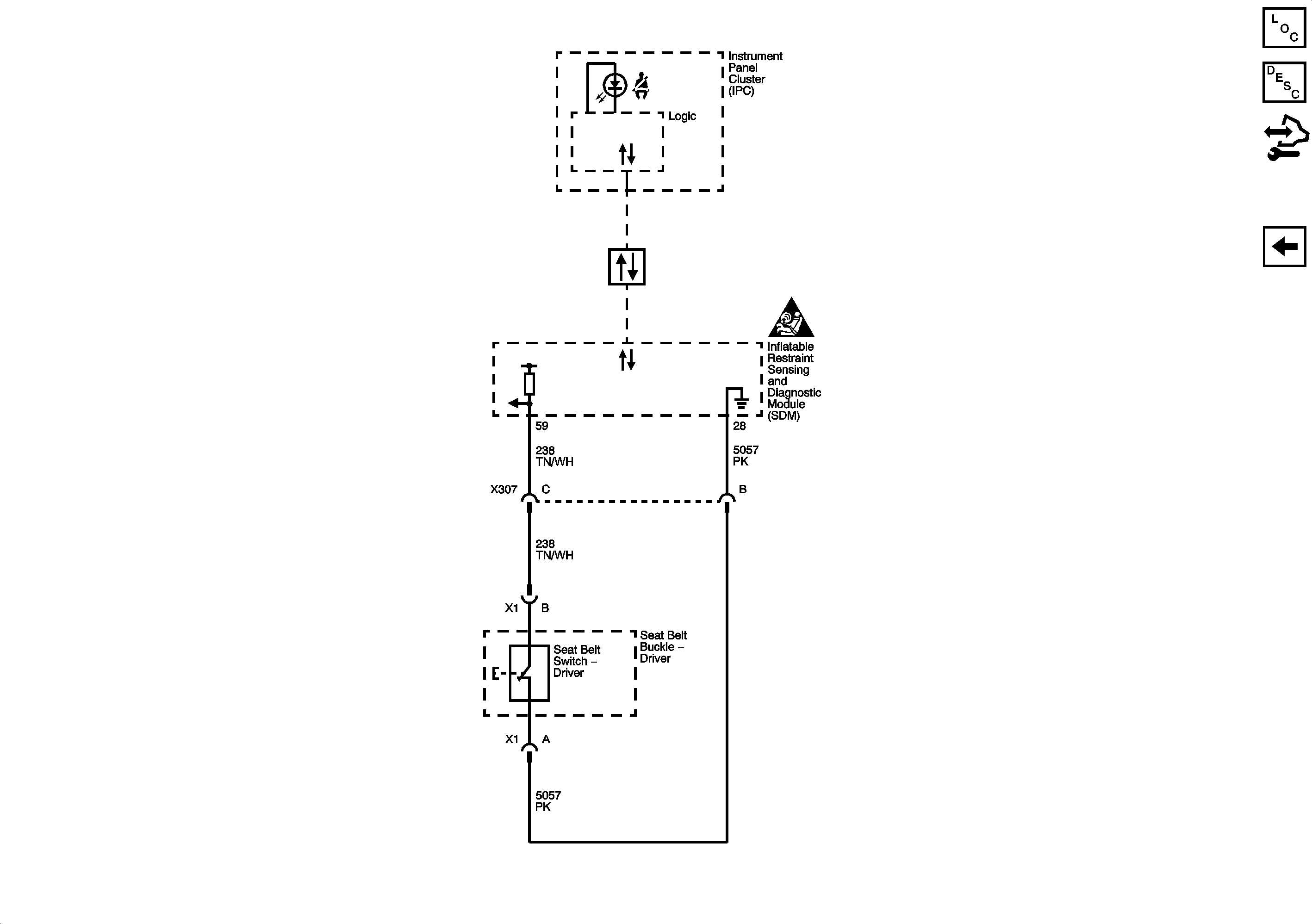
Figure
1:
Seat Belt (without C99 without YF7)
Master Electrical Component List
Seat Belt System Description and Operation
Control Module References
Seat Belt (C99)
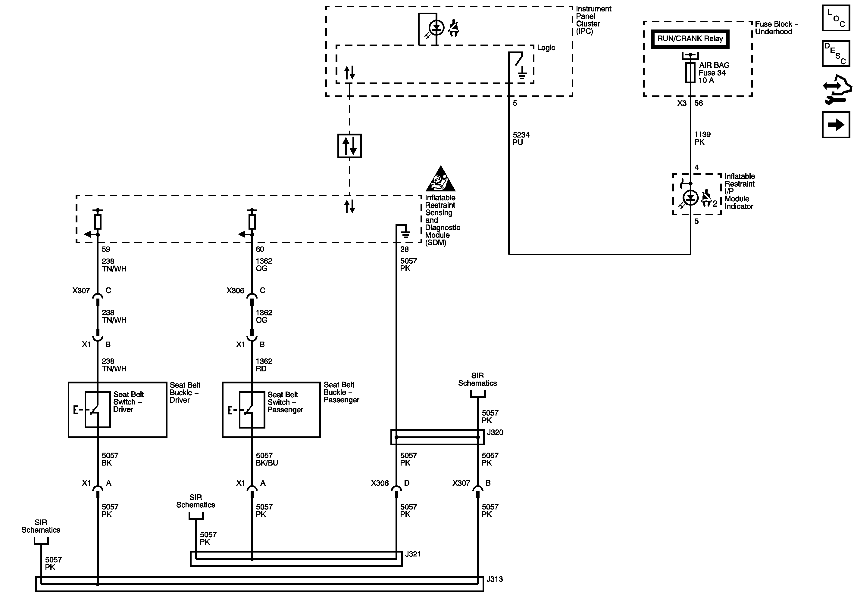
Figure
2:
Seat Belt (C99)
Master Electrical Component List
Seat Belt System Description and Operation
Control Module References
Seat Belt (without C99 without YF7)