GM Service Manual Online
For 1990-2009 cars only
Makes
🢒
GMC_Truck
🢒
2008
🢒
Savana
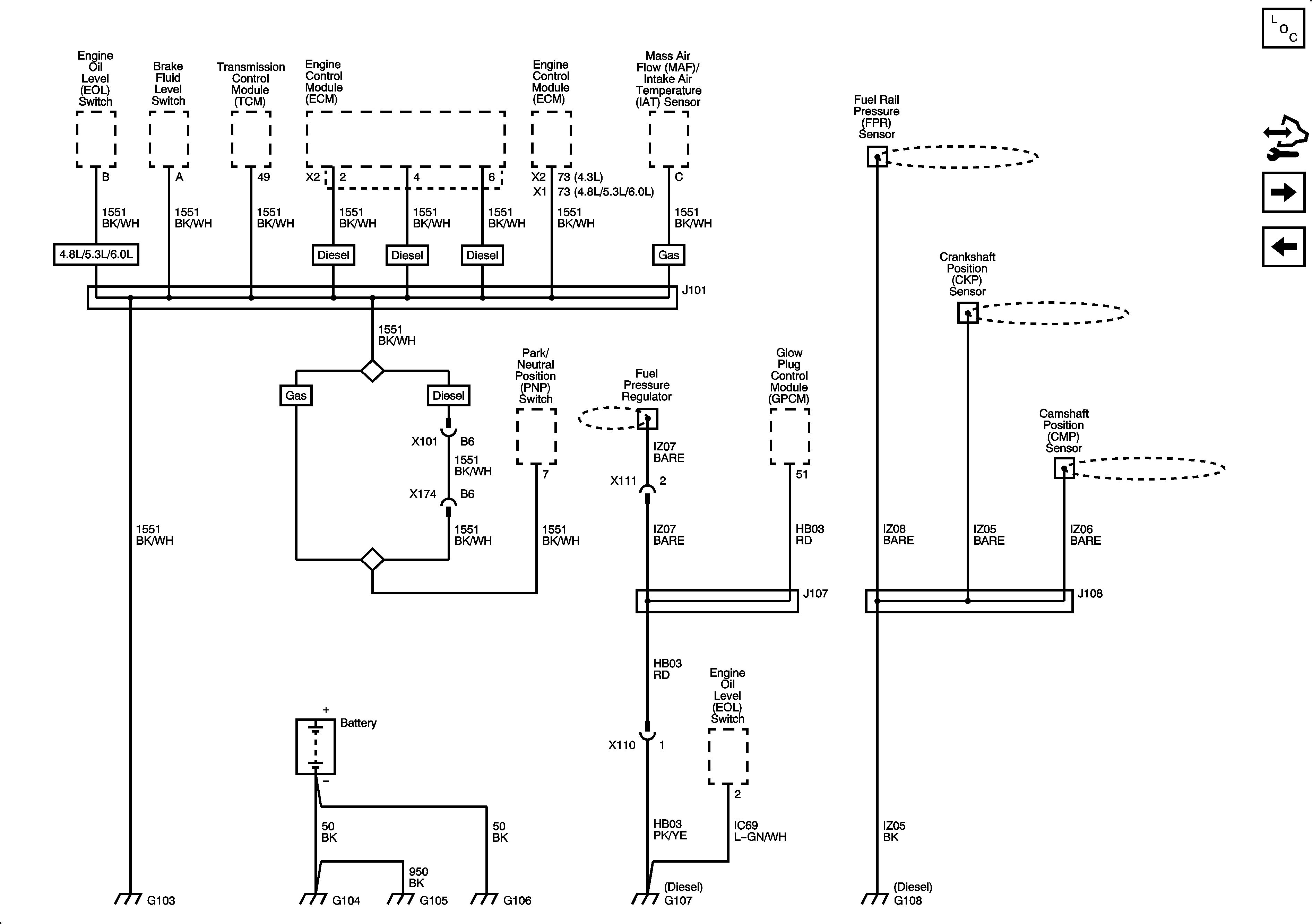
🢒 G103, G104, G105, G106, G107 and G108
G103, G104, G105, G106, G107 and G108
G103, G104, G105, G106, G107 and G108
Master Electrical Component List
Control Module References
G300 and G301
G102