GM Service Manual Online
For 1990-2009 cars only
Makes
🢒
GMC_Truck
🢒
2008
🢒
Savana
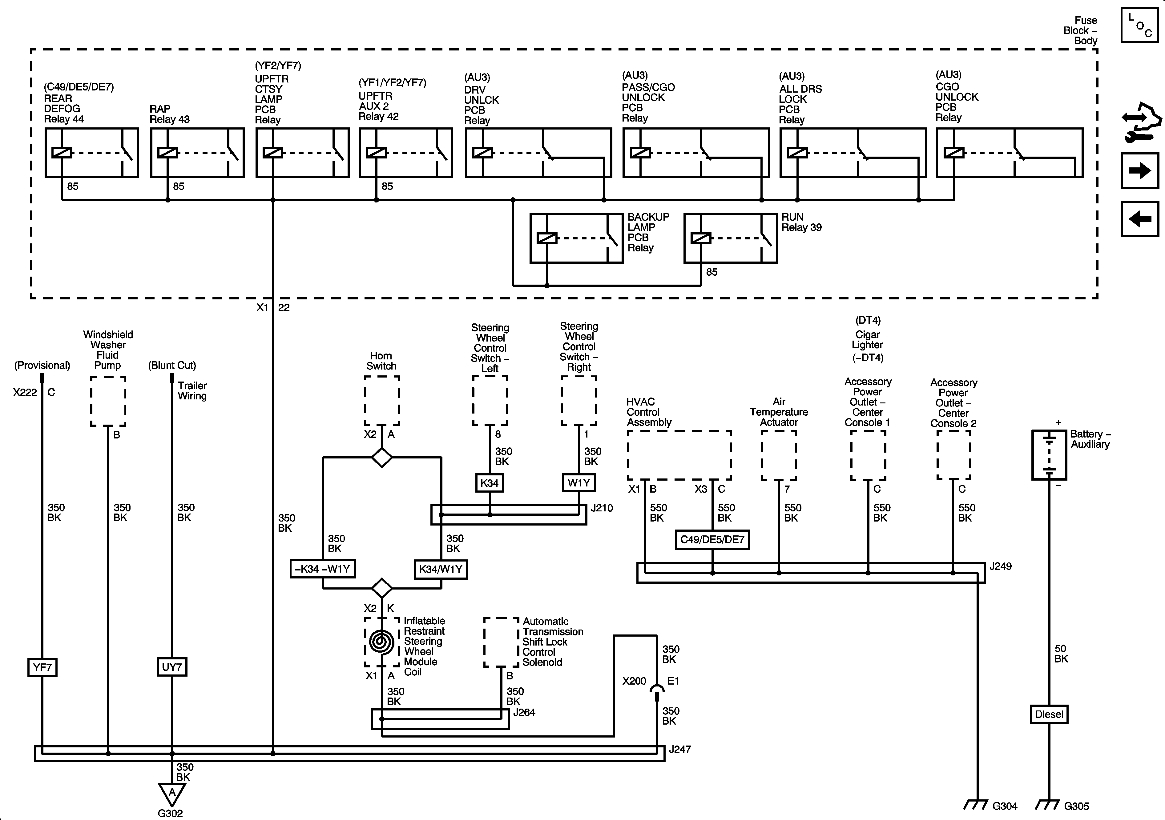
🢒 G302, G304 and G305
G302, G304 and G305
G302, G304 and G305
Master Electrical Component List
Control Module References
G303
G300 and G301