GM Service Manual Online
For 1990-2009 cars only
Makes
🢒
GMC_Truck
🢒
2008
🢒
Savana
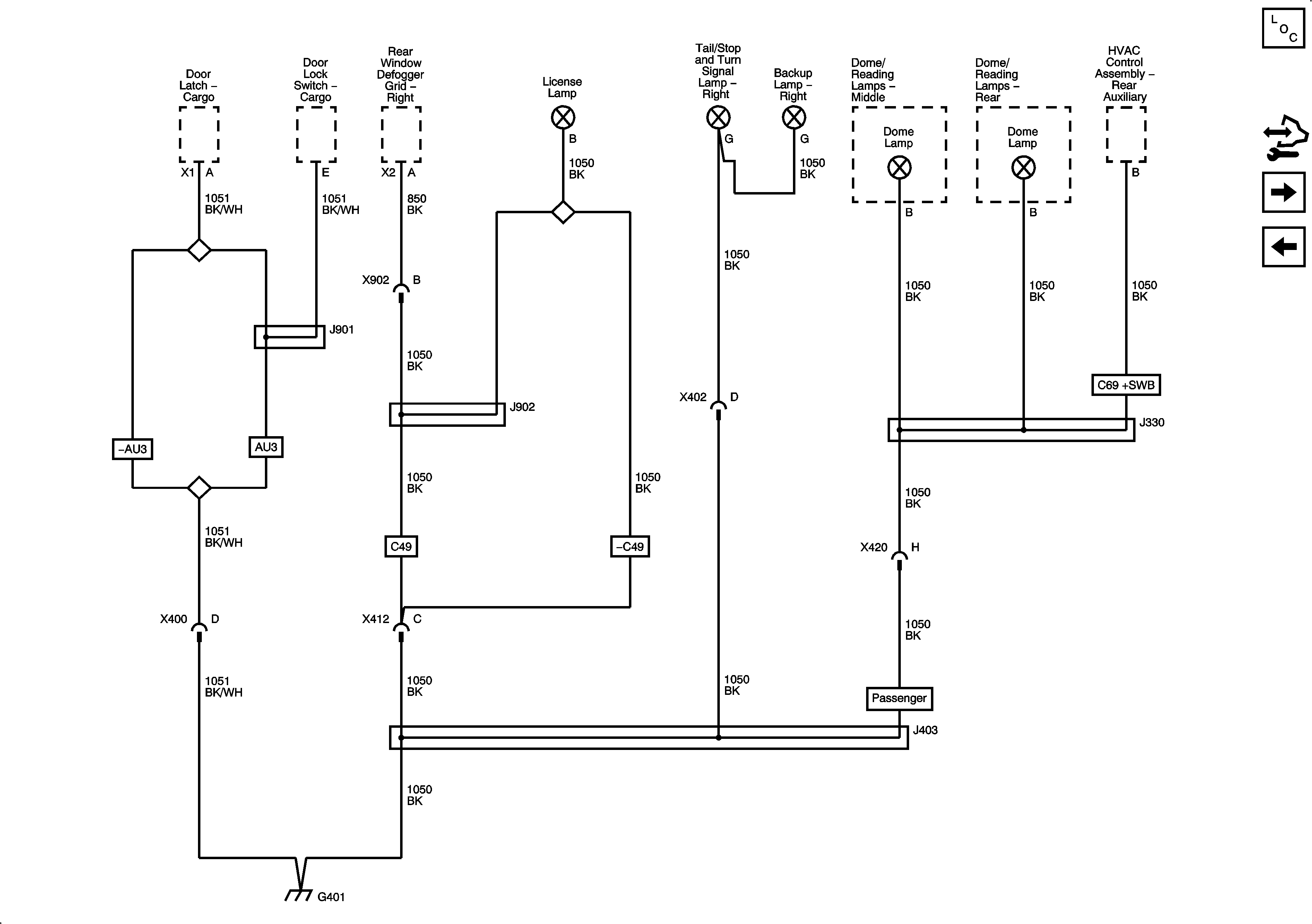
🢒 G401Passenger/Cargo
G401Passenger/Cargo
G401 Passenger/Cargo
Master Electrical Component List
Control Module References
G402 Passenger/Cargo
G400