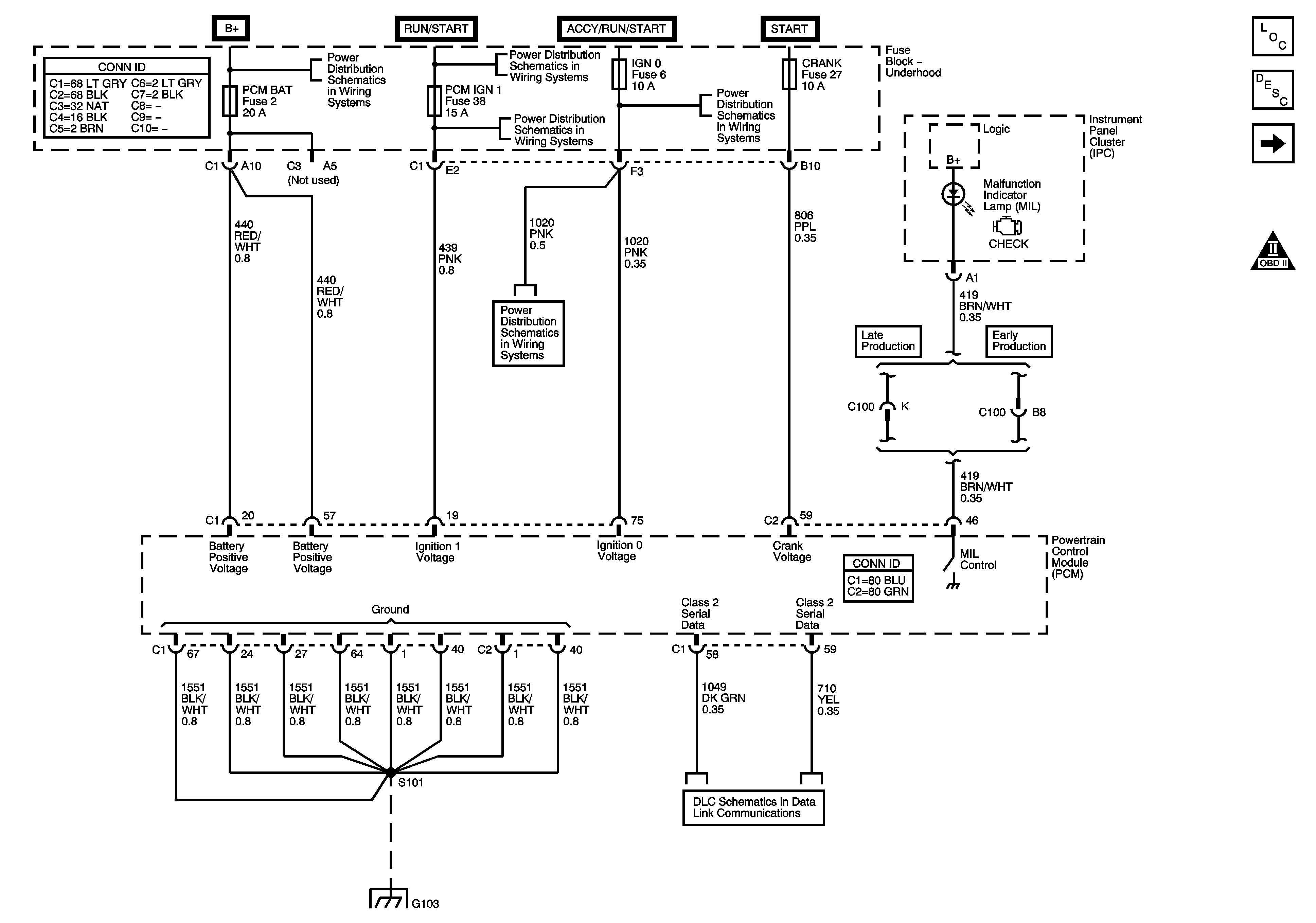
| Figure 1: |
Power, Ground, MIL, and DLC
|
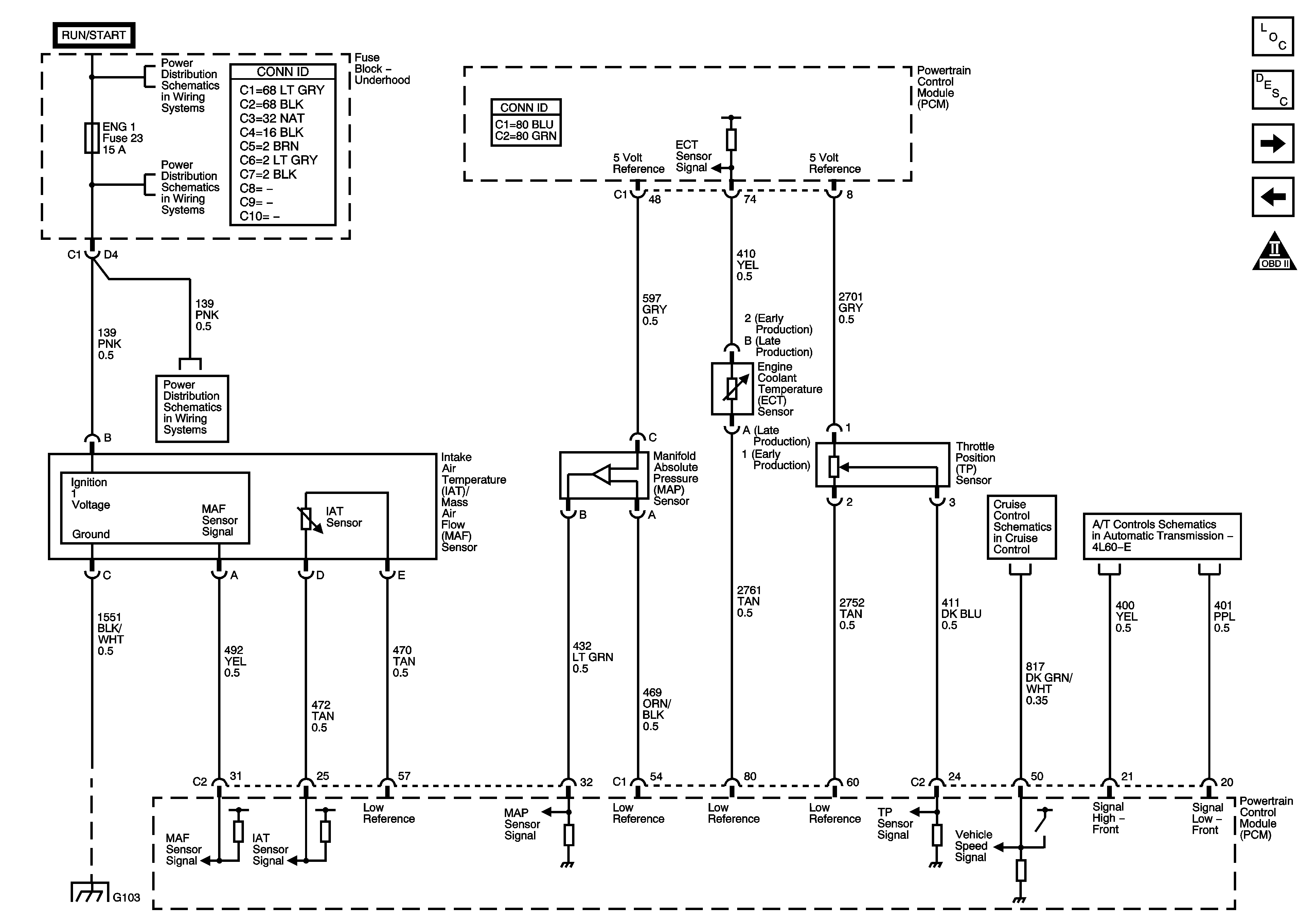
| Figure 2: |
5 Volt Reference
|
| Figure 3: |
Engine Data Sensors
|
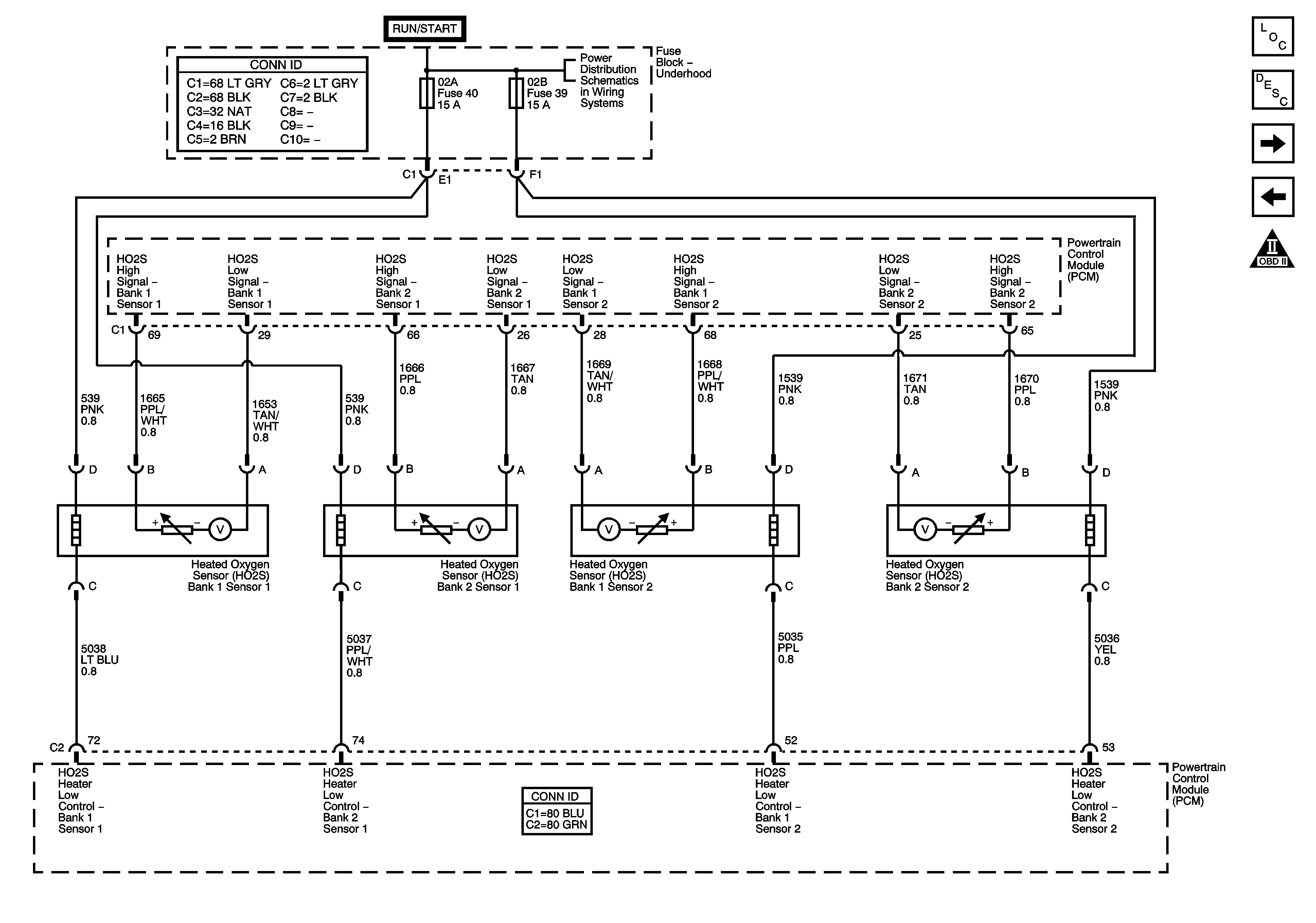
| Figure 4: |
Oxygen Sensors
|
| Figure 5: |
Ignition Controls
|
| Figure 6: |
Fuel Controls
|
| Figure 7: |
Fuel Injection Controls
|
| Figure 8: |
Fuel, EVAP, and Device Controls
|
| Figure 9: |
Controlled/Monitored Subsystem and
Transmission Controls - A/T References
|