GM Service Manual Online
For 1990-2009 cars only

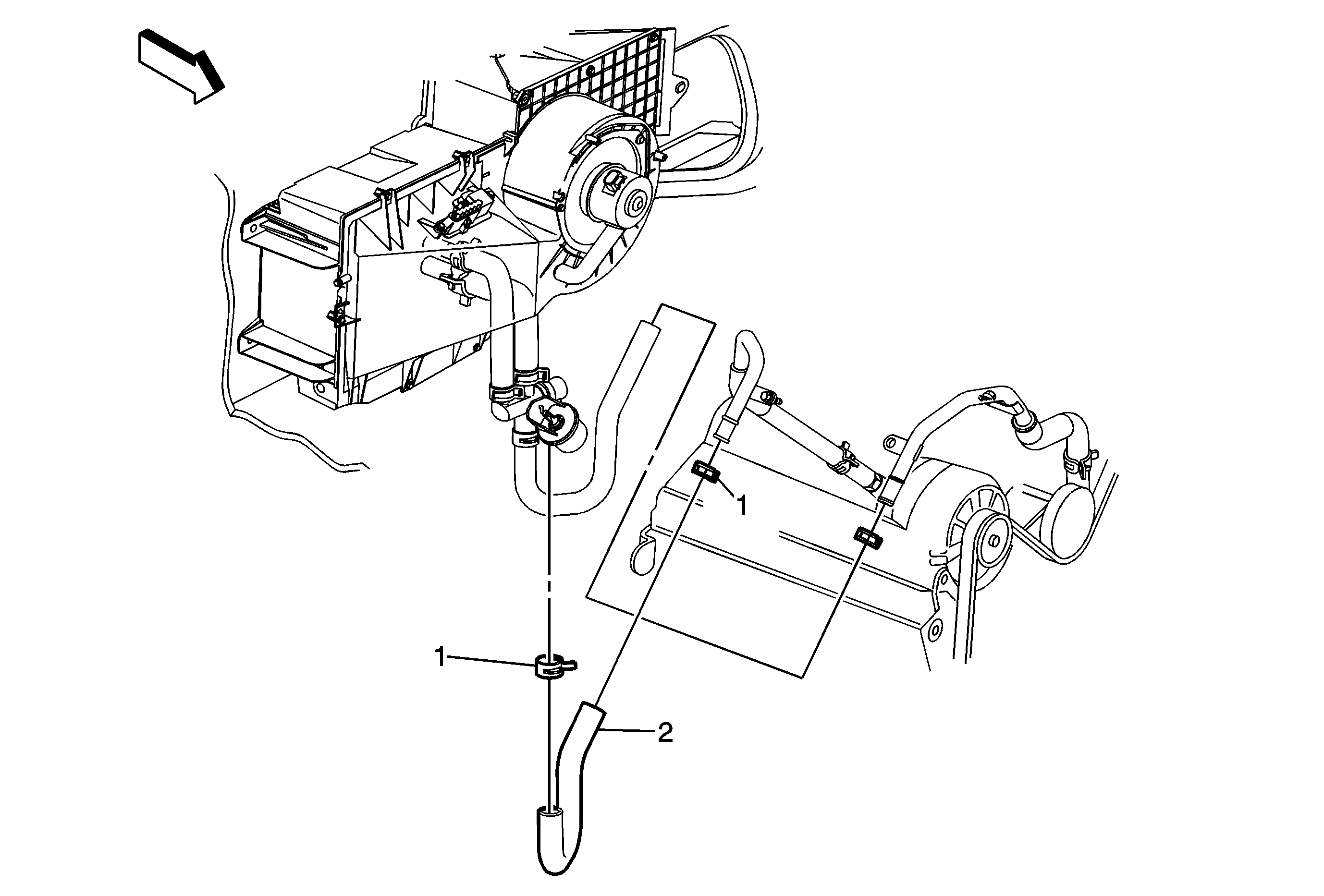
Heater Inlet Hose Replacement 4.3L


Object Number: 1894487  Size: MF

Callout

Component Name

Preliminary Procedures

  1. Partially drain the cooling system. Refer to Cooling System Draining and Filling.
  2. Remove the air cleaner assembly. Refer to Air Cleaner Assembly Replacement.

1

Heater Inlet Hose Clamp (Qty:2)

2

Heater Inlet Hose

Heater Inlet Hose Replacement 4.8L, 5.3L, 6.0L


Object Number: 1894554  Size: MF

Callout

Component Name

Preliminary Procedures

  1. Partially drain the cooling system. Refer to Cooling System Draining and Filling.
  2. Remove the air cleaner assembly. Refer to Air Cleaner Assembly Replacement.

1

Heater Inlet Hose Clamp (Qty:2)

2

Heater Inlet Hose

Heater Inlet Hose Replacement 4.3L-C60-Engine to Valve


Object Number: 1894525  Size: MF

Callout

Component Name

Preliminary Procedures

  1. Partially drain the cooling system. Refer to Cooling System Draining and Filling .
  2. Remove the air cleaner assembly. Refer to Air Cleaner Assembly Replacement .

1

Heater Inlet Hose Clamp (Qty:2)

2

Heater Inlet Hose