GM Service Manual Online
For 1990-2009 cars only
Figure 1:

Front of the Engine


Object Number: 886060  Size: MF
(1)Generator
(2)A/C Compressor Clutch Connector (C60)
(3)Crankshaft Position (CKP) Sensor Connector
Figure 2:

Right Side of the Engine


Object Number: 882666  Size: LF
(1)Central Sequential Fuel Injection (Central SFI) Connector
(2)Manifold Air Pressure (MAP) Sensor Connector
(3)Ignition Control Module (ICM) Connector
(4)Generator Connector
(5)S102
(6)Ignition Coil Connector
(7)Evaporative Emission (EVAP) Canister Purse Solenoid Connector
Figure 3:

Left Side of the Engine


Object Number: 882655  Size: LF
(1)S101
(2)A/C Compressor Clutch Connector (C60)
(3)Throttle Position (TP) Sensor Connector
(4)Idle Air Control (IAC) Valve Connector
(5)A/C High Pressure Switch Connector (C60)
Figure 4:

Left Rear of the Engine


Object Number: 886062  Size: MF
(1)A/C High Pressure Switch Connector (C60)
(2)Engine Coolant Temperature (ECT) Sensor Connector
Figure 5:

Back of the Engine


Object Number: 882677  Size: LF
(1)G102
(2)Camshaft Position (CMP) Sensor Connector
(3)G103
(4)Engine Oil Pressure (EOP) Sensor Connector
(5)Knock Sensor (KS) Connector
(6)Heated Oxygen Sensor (HO2S) Bank 1 Sensor 1 Connector
Figure 6:

LR of the Engine Compartment


Object Number: 882671  Size: LF
(1)S101
(2)C109
(3)Powertrain Control Module (PCM) C1, C2
(4)Fuse Block Underhood - C6
(5)Fuse Block Underhood - C1
(6)Horn Assembly Connector
(7)C100
(8)C101
(9)A/C Compressor Clutch Connector (C60)
Figure 7:

Rear of the Engine Compartment


Object Number: 886081  Size: MF
(1)Blower Motor Resistor Assembly
(2)Blower Motor
(3)Intake Air Temperature (IAT) / Mass Air Flow (MAF) Sensor
(4)A/C Low Pressure Switch (C60)
Figure 8:

Rear of the Engine (4.3L/5.3L)


Object Number: 886082  Size: MF
(1)Heated Oxygen Sensor (HO2S) Bank 1 Sensor 1
(2)Heated Oxygen Sensor (HO2S) Bank 2 Sensor 1
(3)Heated Oxygen Sensor (HO2S) Bank 2 Sensor 2
(4)Heated Oxygen Sensor (HO2S) Bank 1 Sensor 2
(5)Park/Neutral Position (PNP) Switch
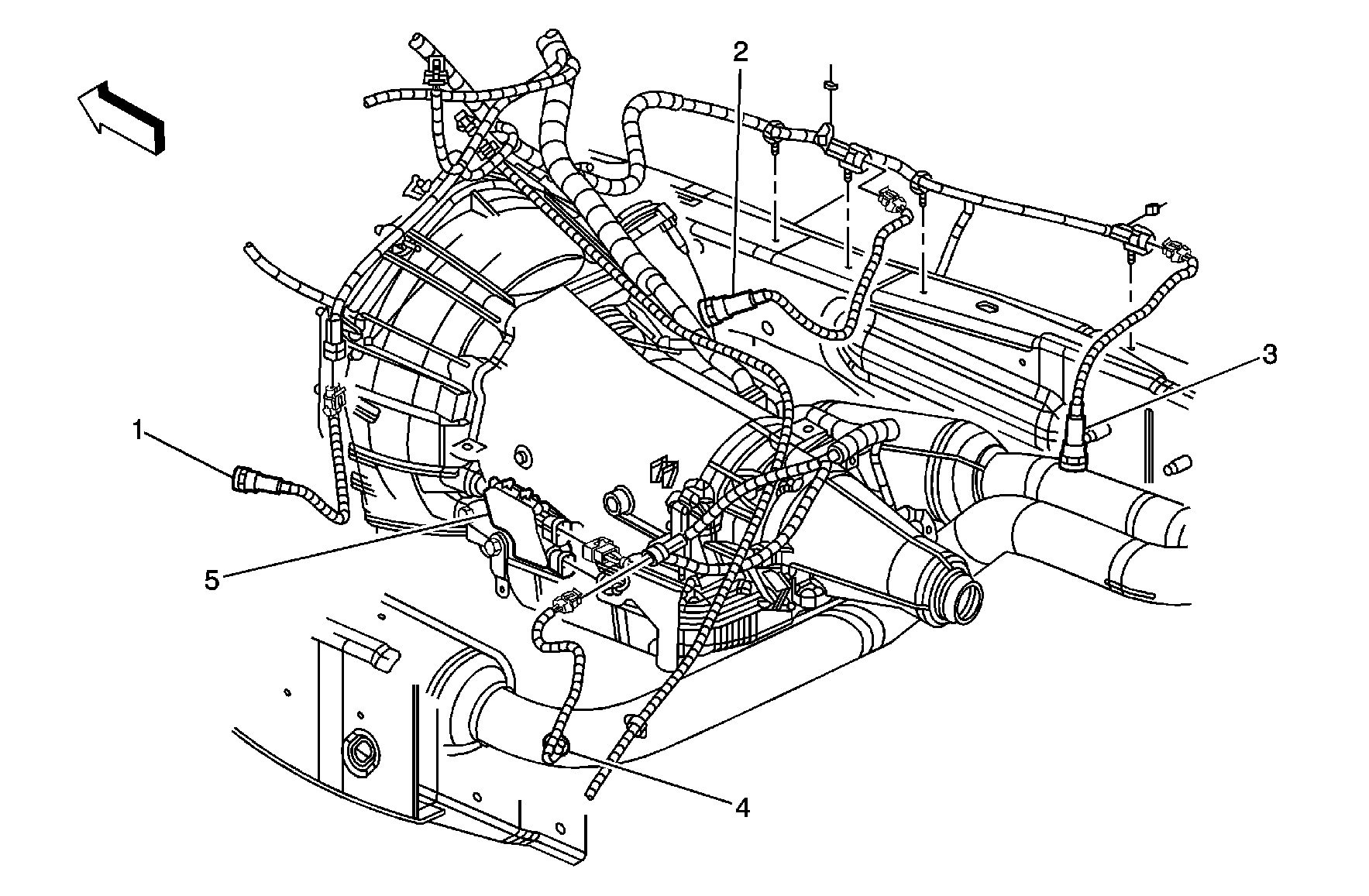
Figure 9:

Left Side Frame


Object Number: 886085  Size: MF
(1)Evaporative Emission (EVAP) Canister Vent Solenoid
(2)Electronic Brake Control Module (EBCM)
Figure 10:

Fuel Tank (without NE7)


Object Number: 886086  Size: MF
(1)Fuel Pump and Sender Assembly Connector
(2)Fuel Tank Pressure (FTP) Sensor Connector