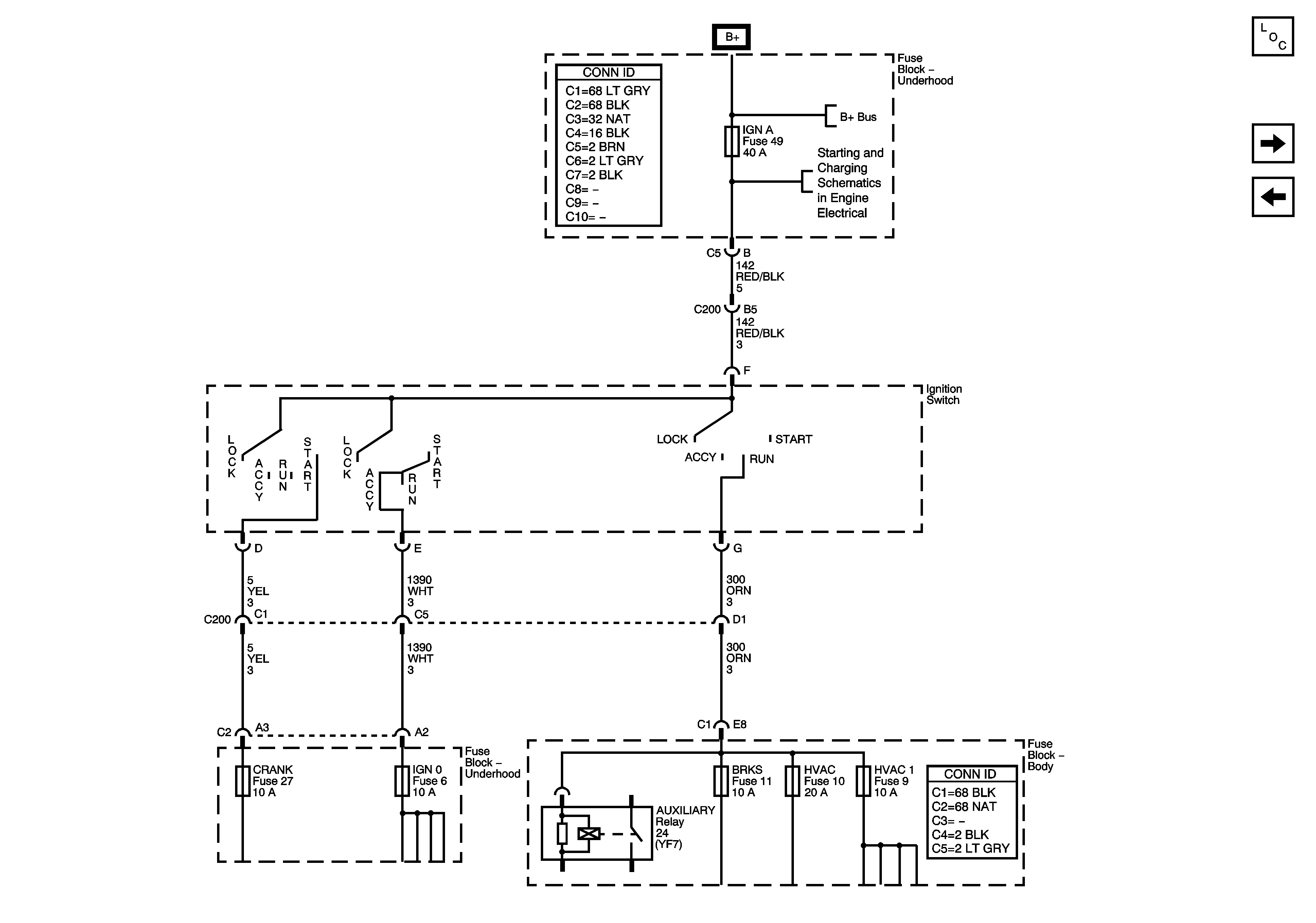
| Figure 1: |
B+ Bus - Underhood Fuse Block
|
| Figure 2: |
B+ Bus - Body Fuse Block
|
| Figure 3: |
IGN A Fuse
|
| Figure 4: |
IGN B Fuse
|
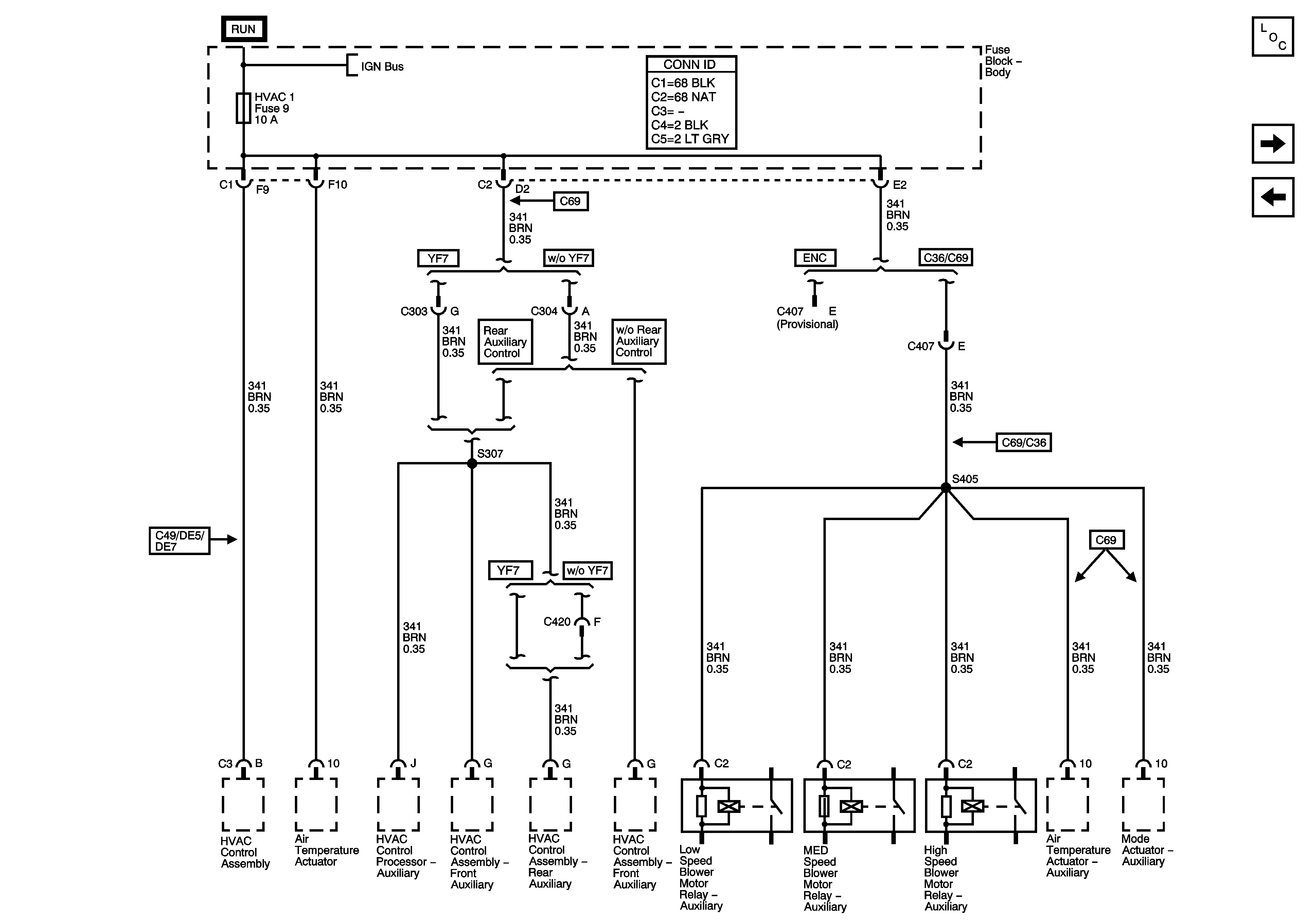
| Figure 5: |
HVAC 1 Fuse
|
| Figure 6: |
CRANK, IGN 0, TBC ACC, FR WPR, BRKS,
and HVAC Fuses
|
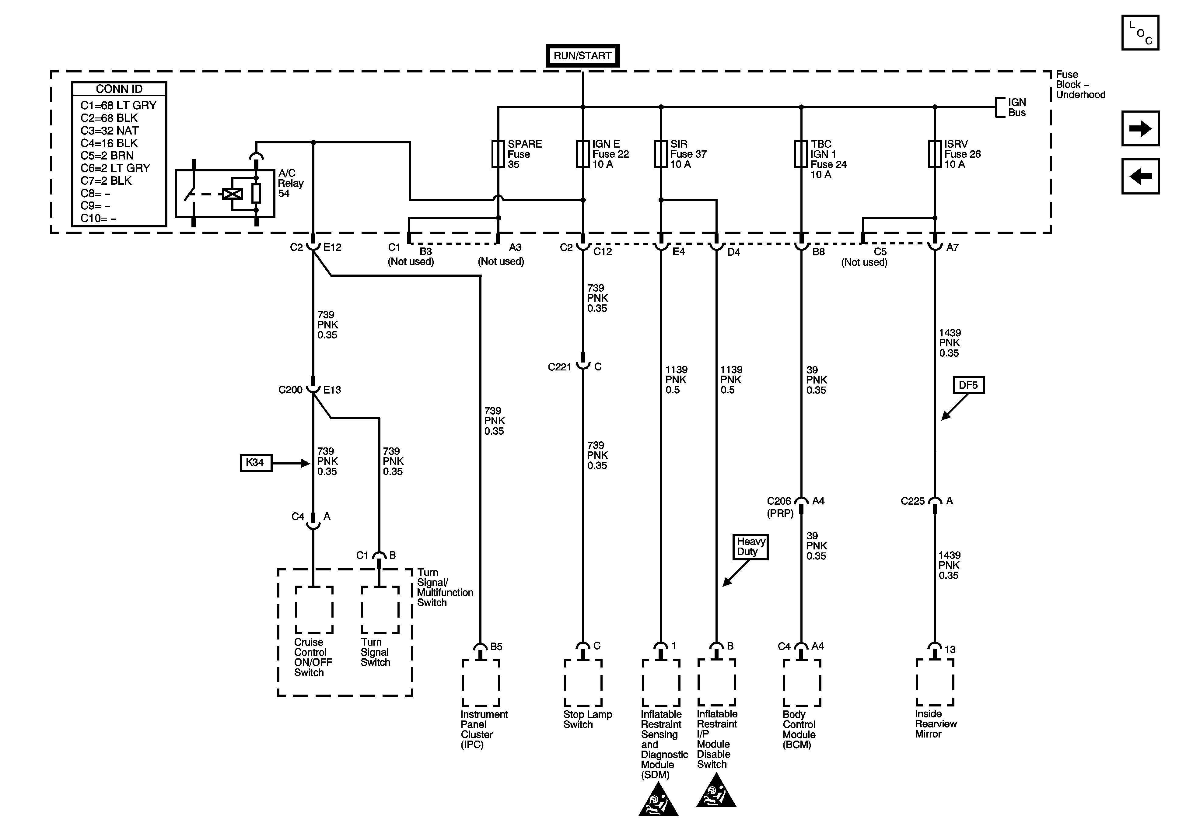
| Figure 7: |
SPARE, IGN E, SIR, TBC IGN 1, and ISRV Fuses
|
| Figure 8: |
ENG 1, and ENG 2 Fuses - 4.3L
|
| Figure 9: |
ENG 1, and ENG 2 Fuses - 4.8L, 5.3L, and
6.0L
|
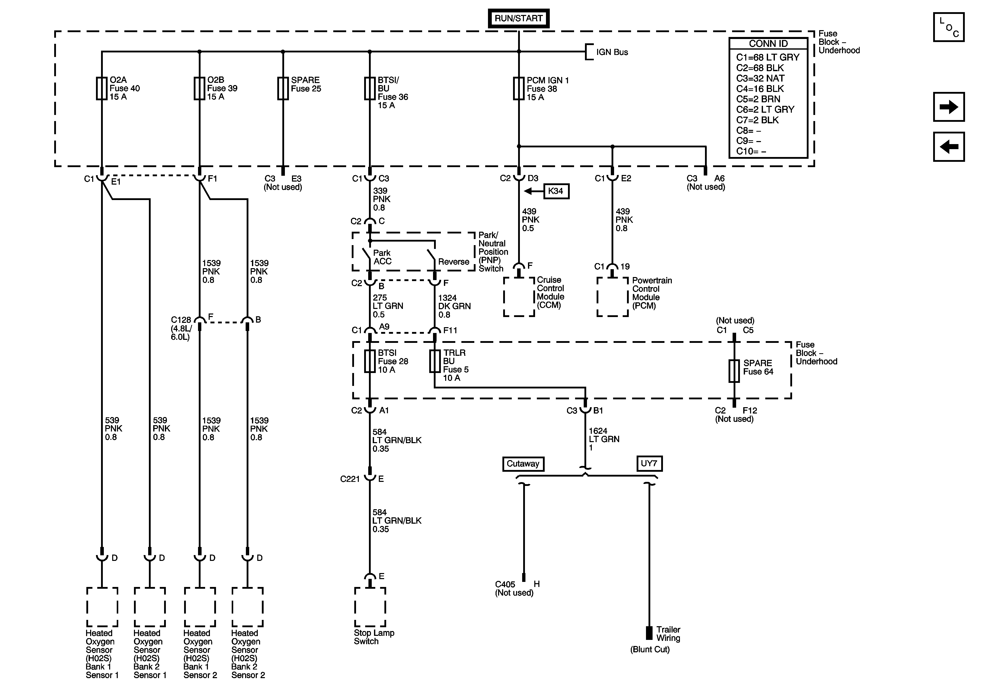
| Figure 10: |
O2A, O2B, SPARE, BTSI/BU, PCM IGN 1, BTSI, and
TRLR BU Fuses
|
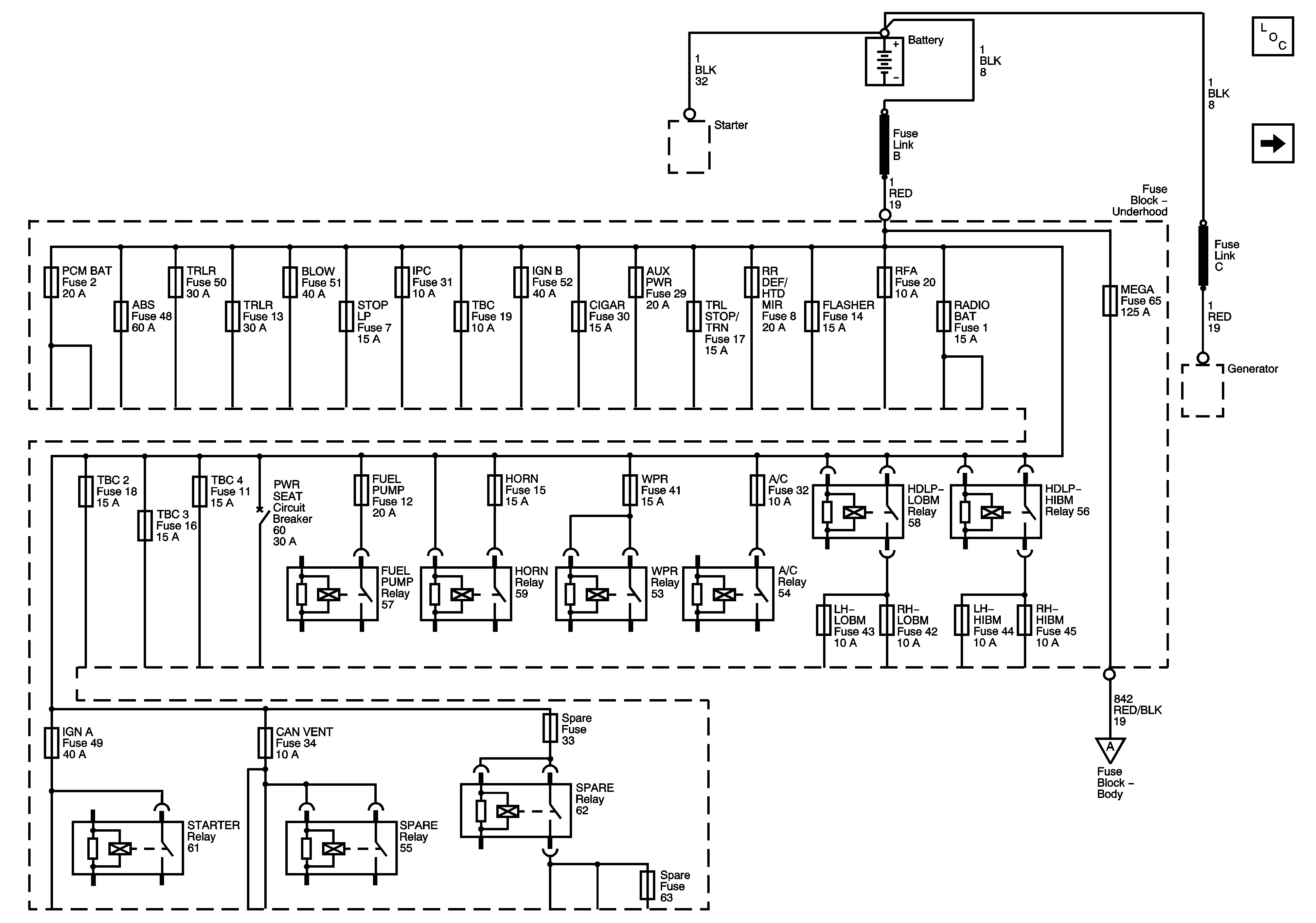
| Figure 11: |
PCM BAT, ABS, TRLR, BLOW, STOP LP, IPC, AUX PWR,
and CIGAR Fuses
|
| Figure 12: |
TBC, TBC 2, TBC 3, TBC 4, RADIO BAT, RR DEF/HTD
MIR, FLASHER, and RFA Fuses, and PWR SEAT Circuit Breaker
|
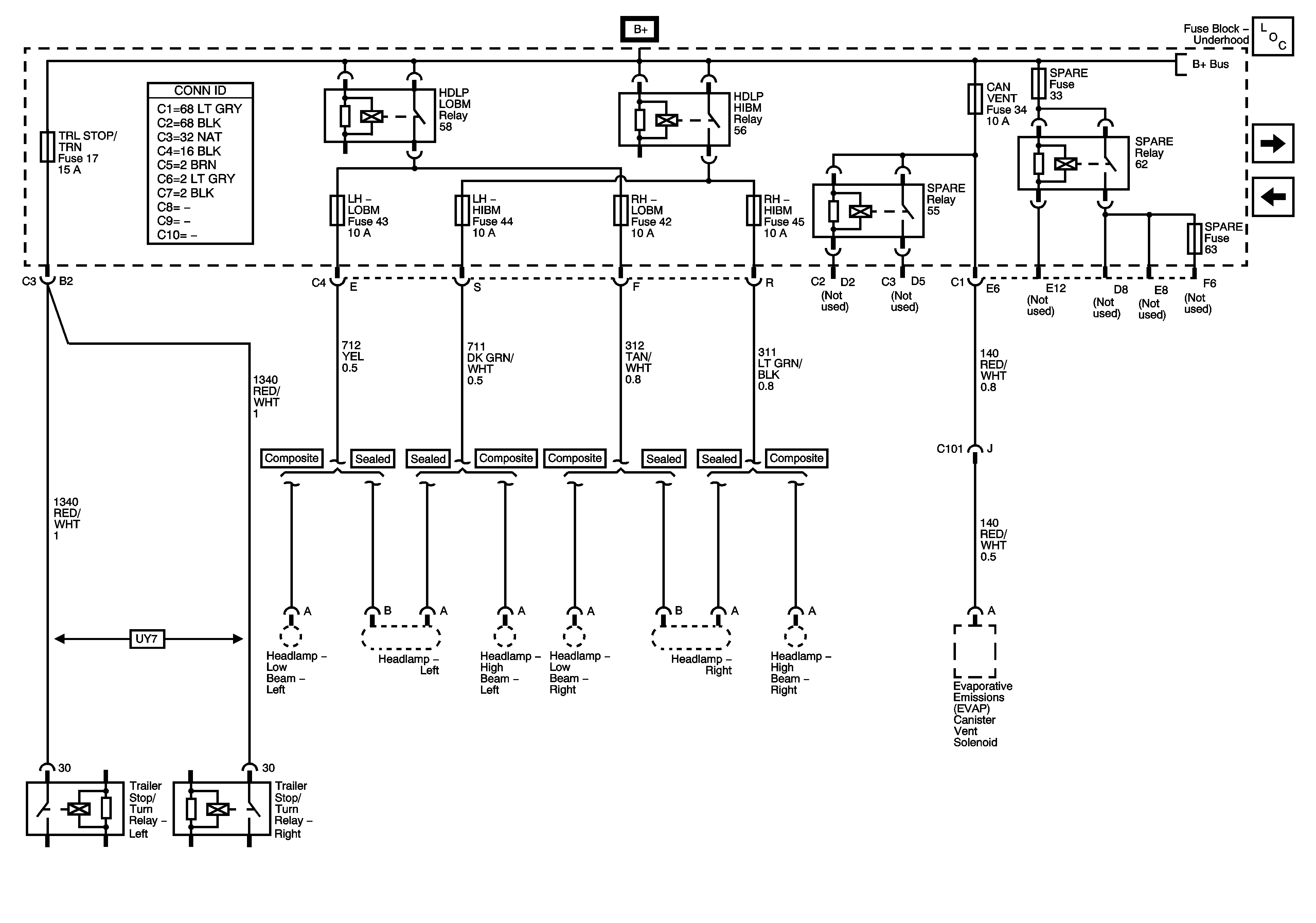
| Figure 13: |
TRLR STOP/TRN, CAN VENT, LH - LOBM, RH -
LOBM, LH - HIBM, and RH - HIBM Fuses
|
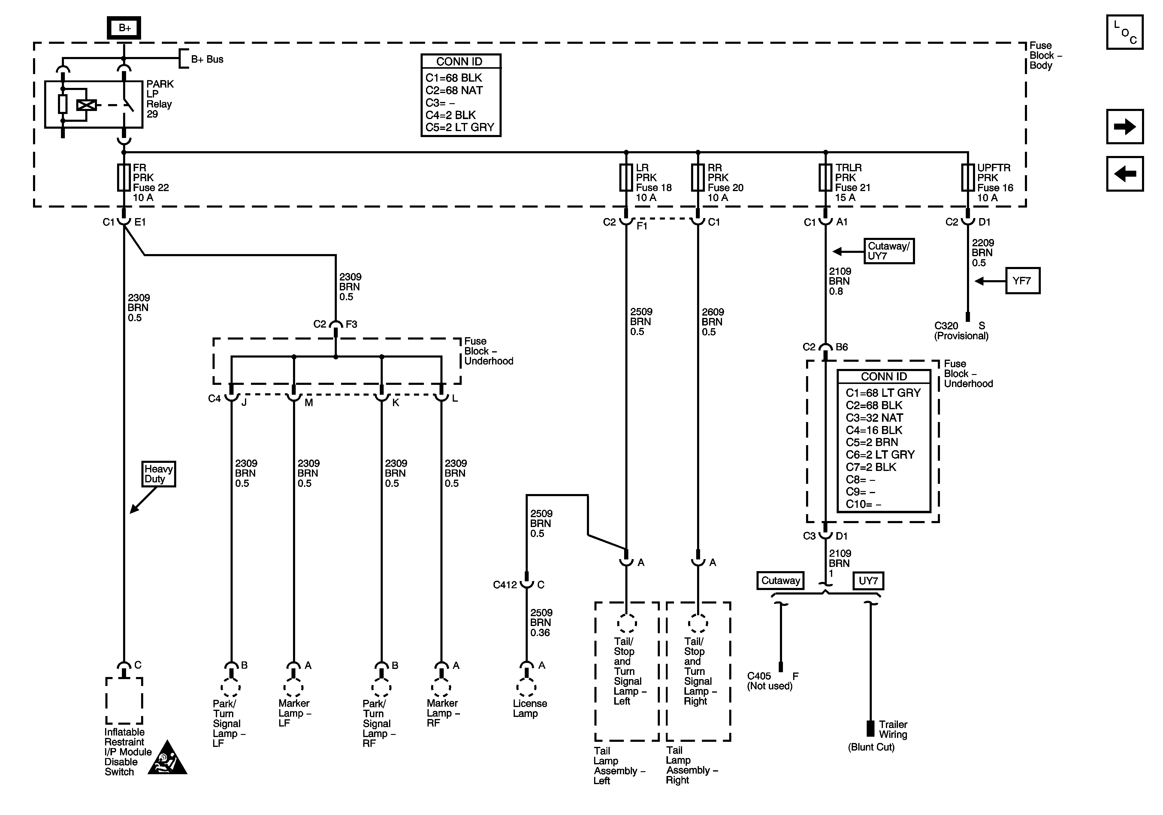
| Figure 14: |
FR PRK, LR PRK, RR PRK, TRLR PRK, and UPFTR PRK
Fuses
|
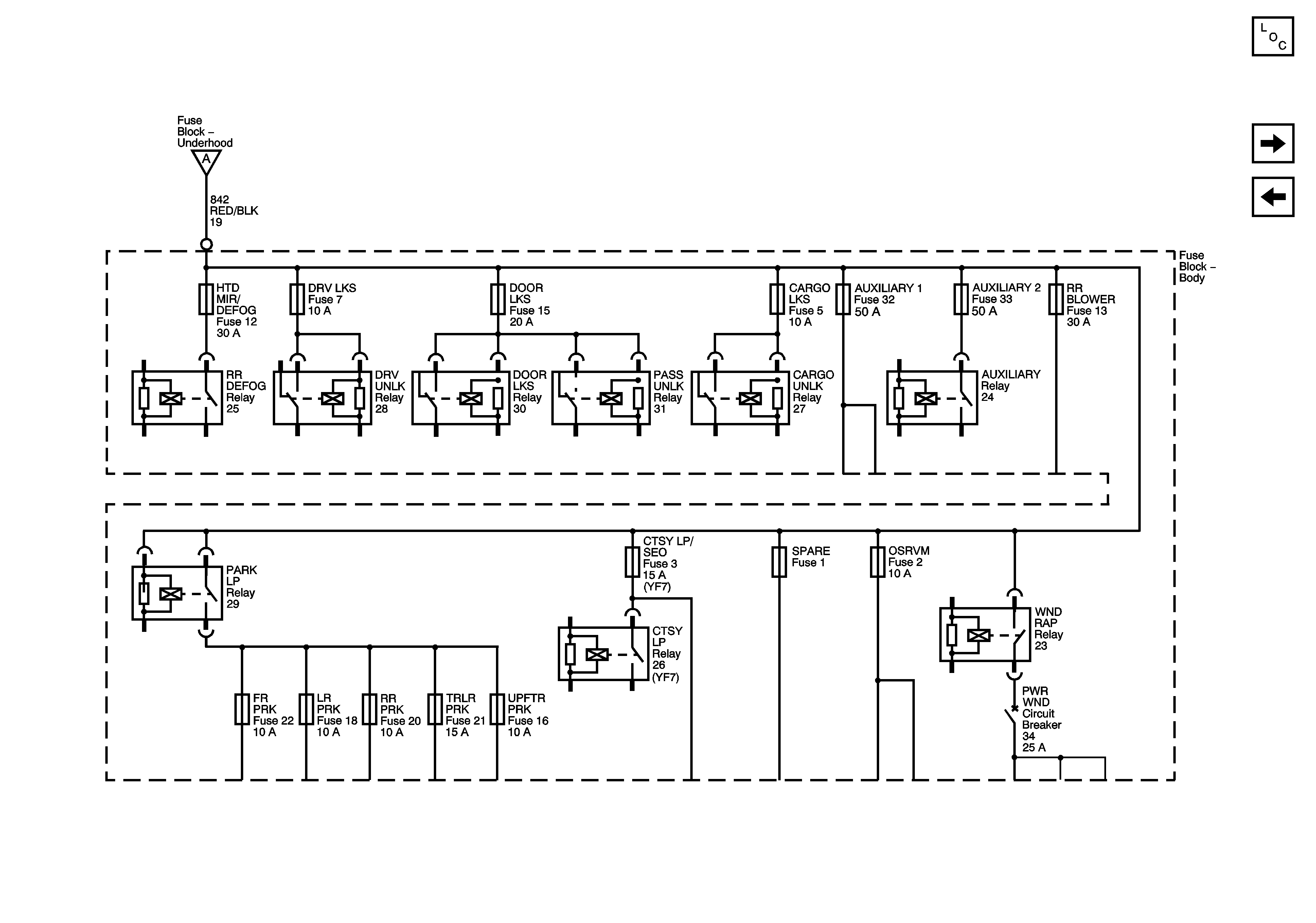
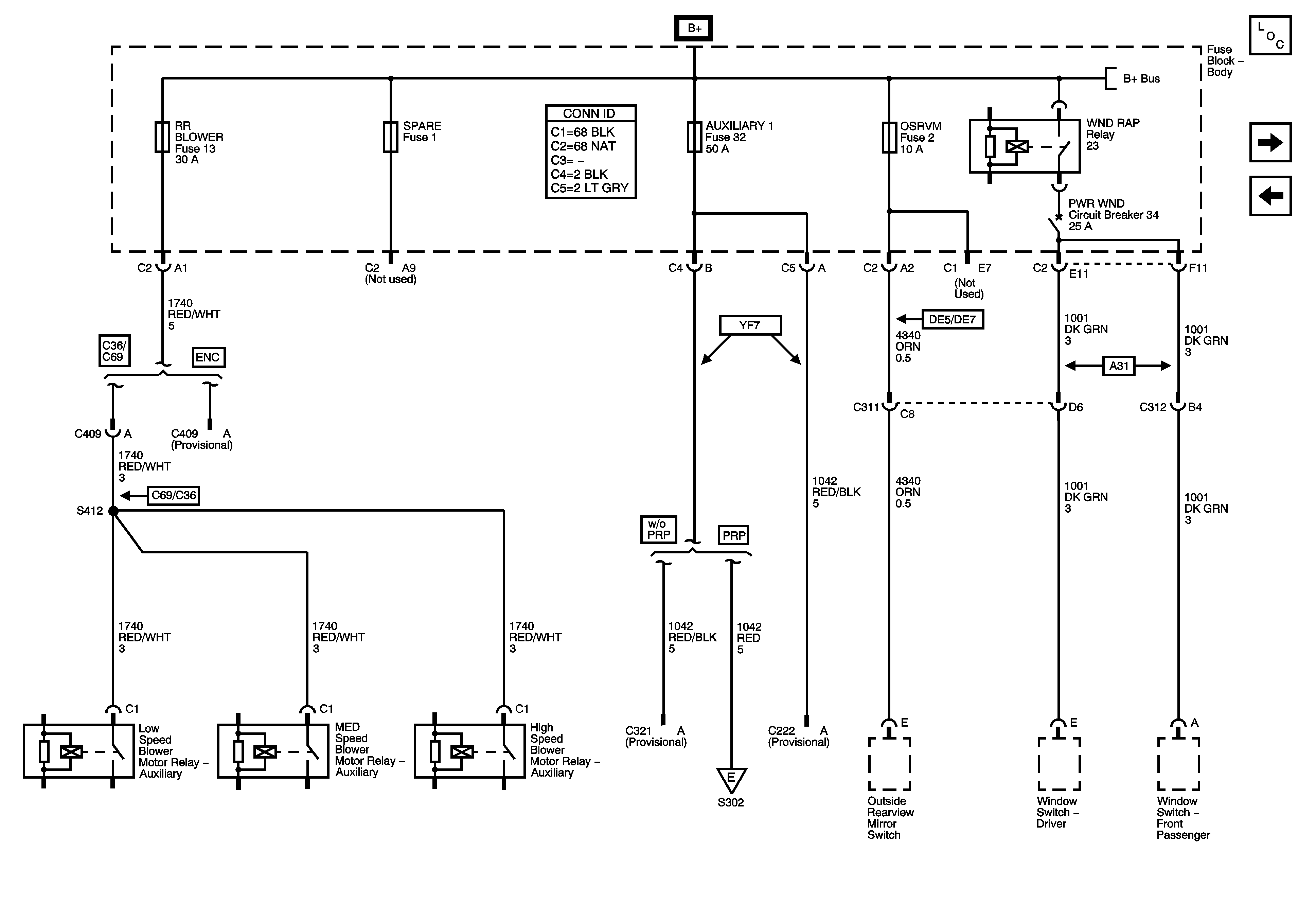
| Figure 15: |
RR BLOWER, AUXILIARY 1, OSRVM, SPARE Fuses, PWR
WND Circuit Breaker
|
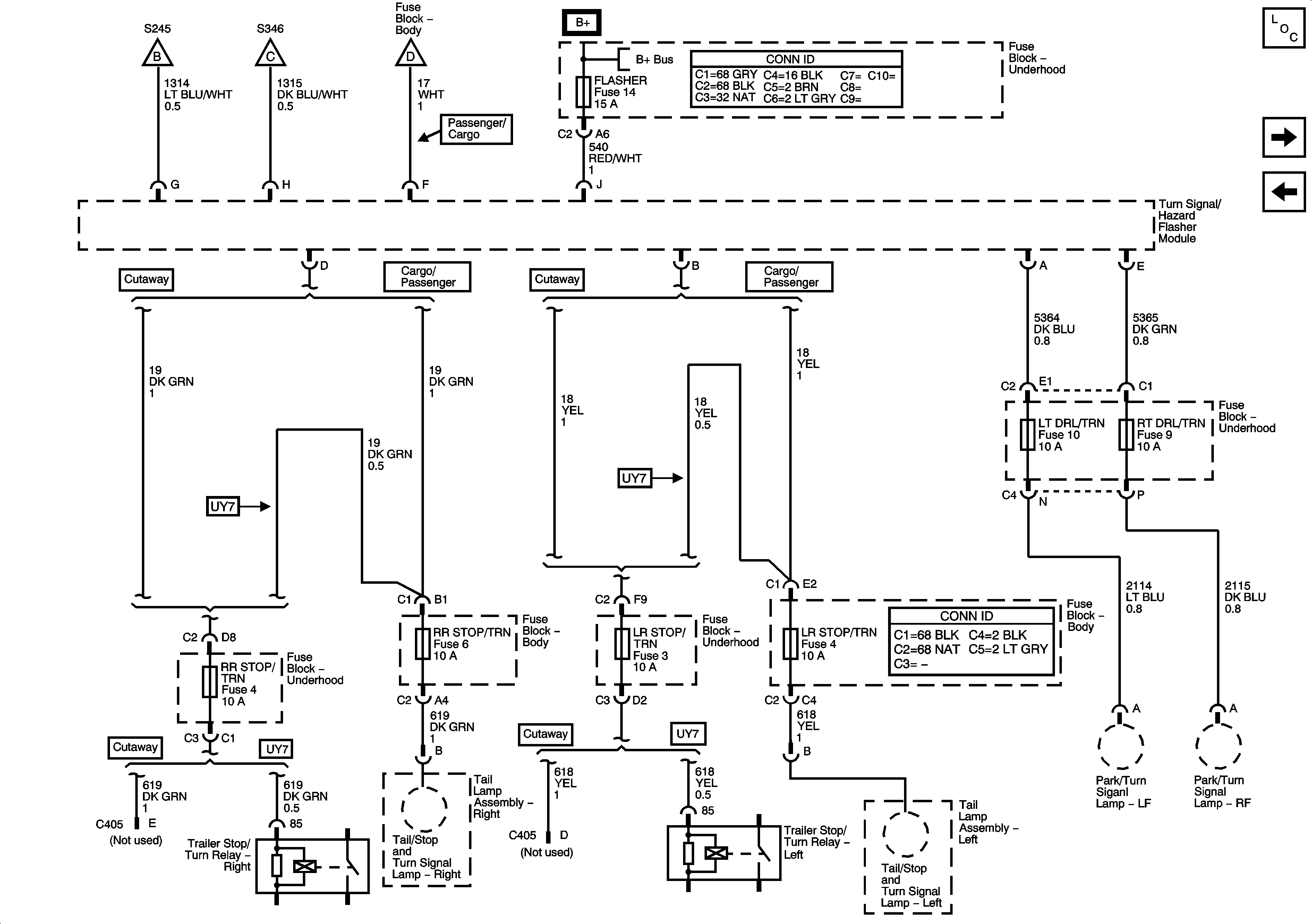
| Figure 16: |
Fuse Block - Underhood FLASHER, RR STOP/TRN,
LR STOP/TRN, LT DRL/TRN, RT DRL/TRN Fuses and Fuse Block - Body
RR STOP/TRN, LR STOP/TRN Fuses
|
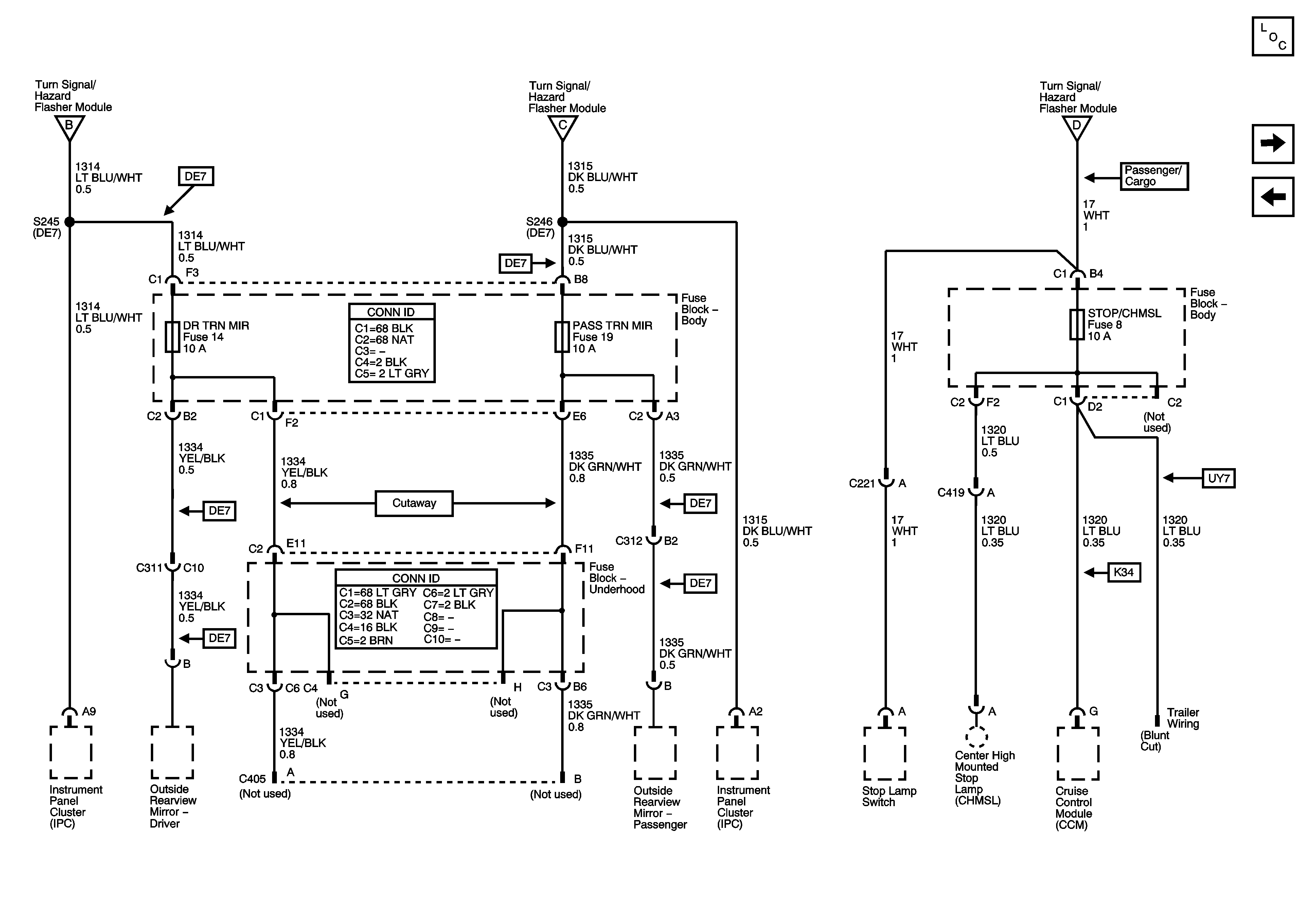
| Figure 17: |
DR TRN MIR, PASS TRN MIR, and STOP/CHMSL Fuses
|
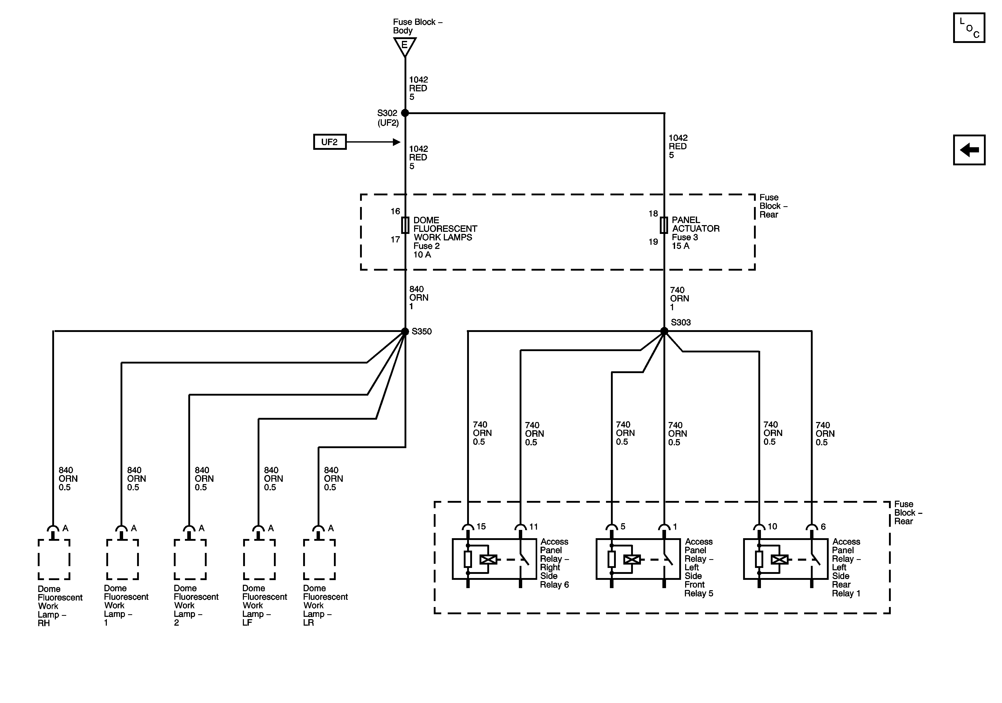
| Figure 18: |
Fuse Block - Rear Fluorescent Work Lamps,
and Access Panel Relays
|