GM Service Manual Online
For 1990-2009 cars only
Figure 1:

G100, and G101


Object Number: 833840  Size: FS
Master Electrical Component List
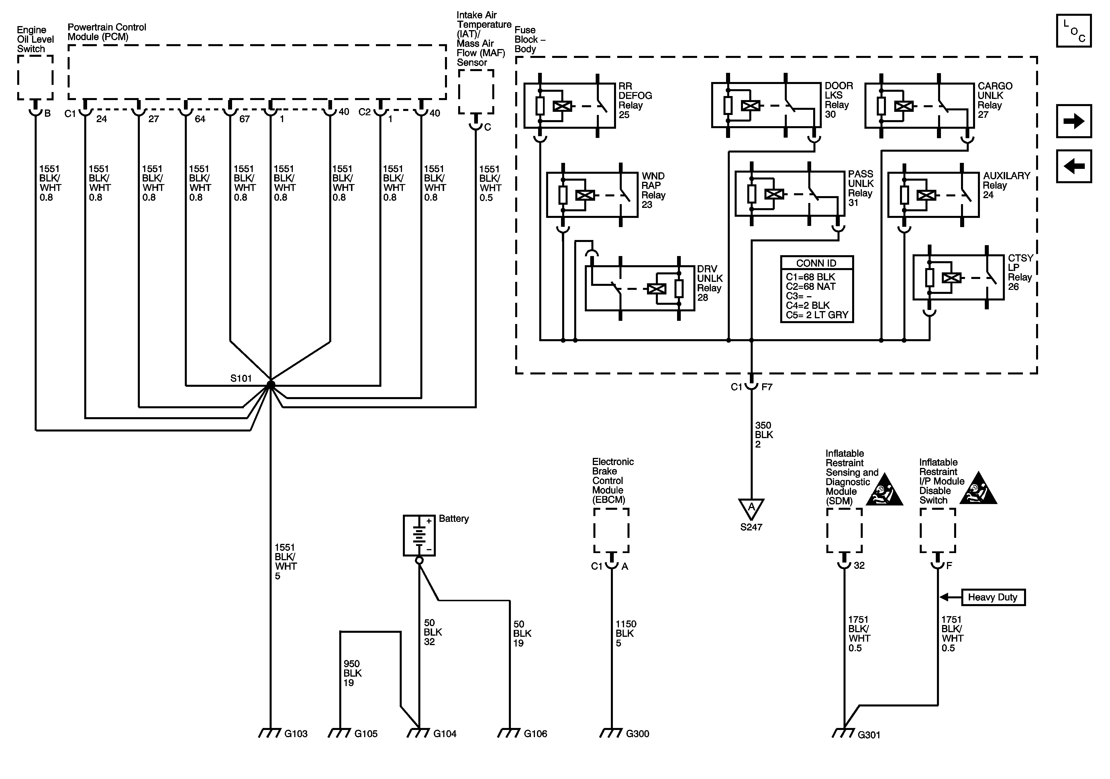
G102
Figure 2:

G102


Object Number: 833842  Size: FS
Master Electrical Component List
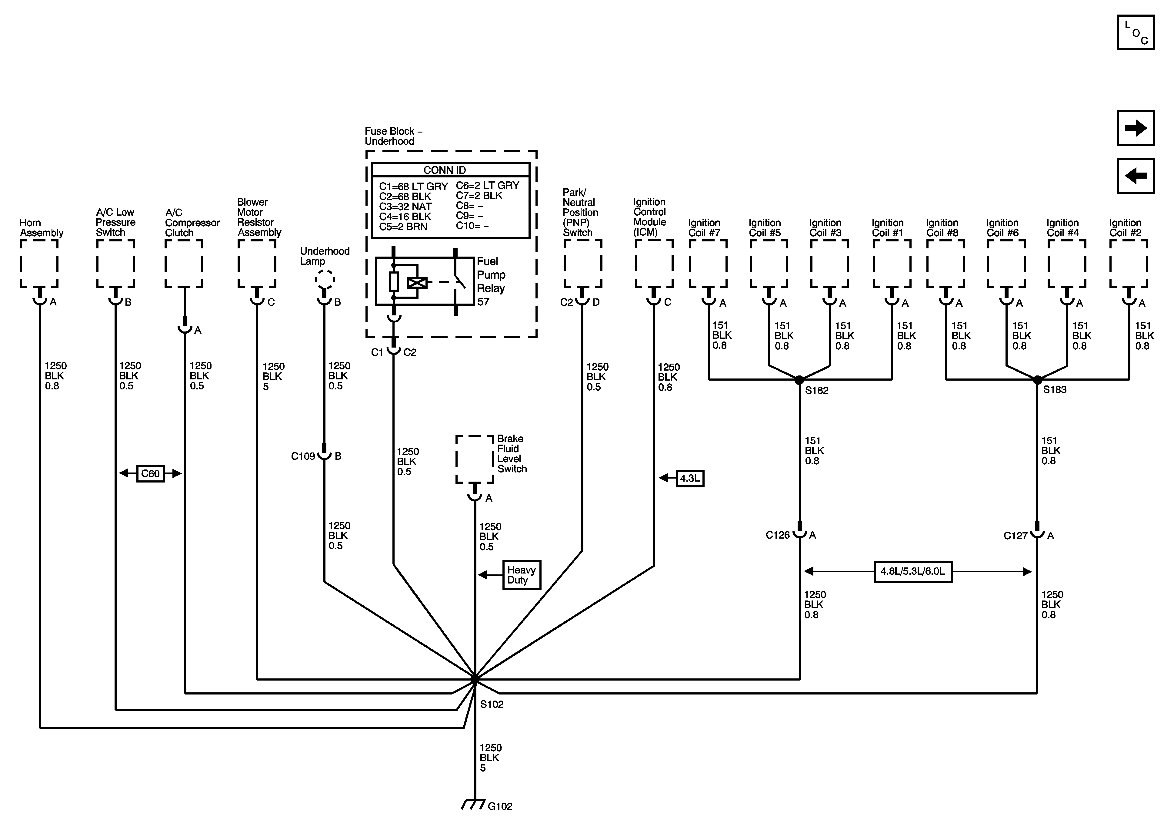
G103, G104, G105, G106, G300, and G301
G100, and G101
Figure 3:

G103, G104, G105, G106, G300, and G301


Object Number: 833849  Size: FS
Master Electrical Component List
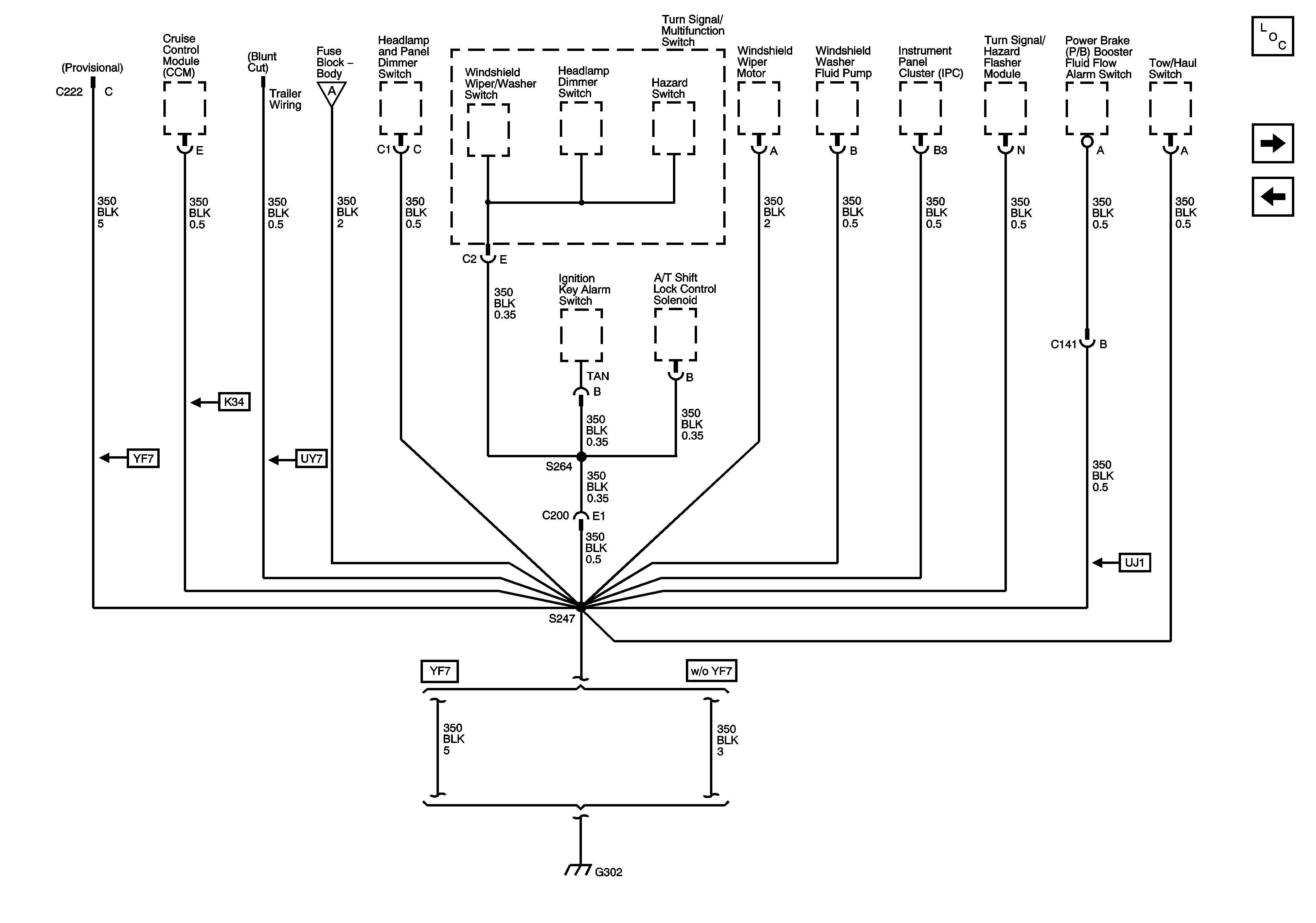
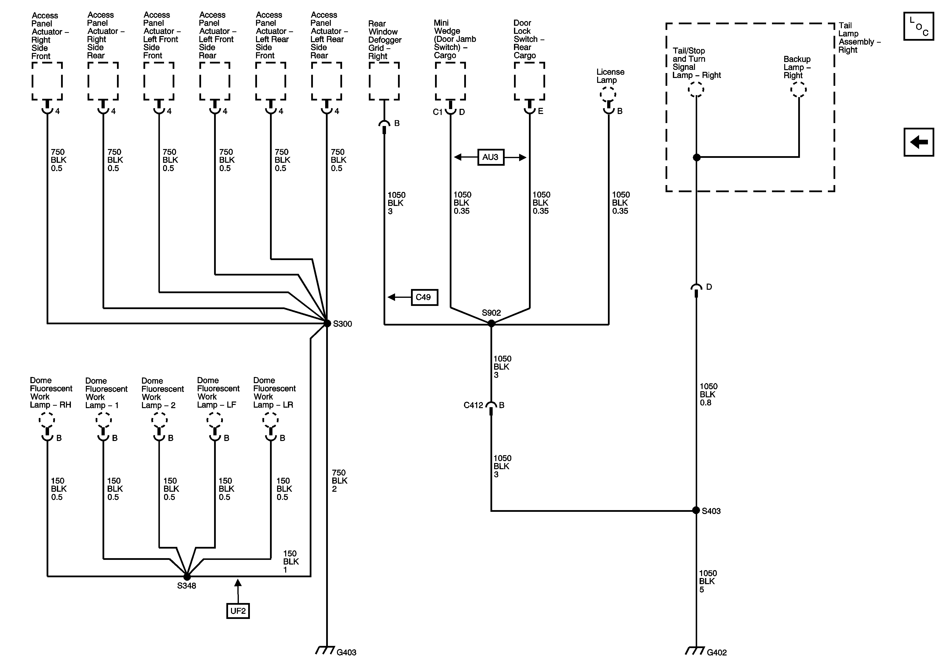
G302
G102
G302
SIR Caution for Zoning
SIR Caution for Zoning
Figure 4:

G302


Object Number: 833850  Size: FS
Master Electrical Component List
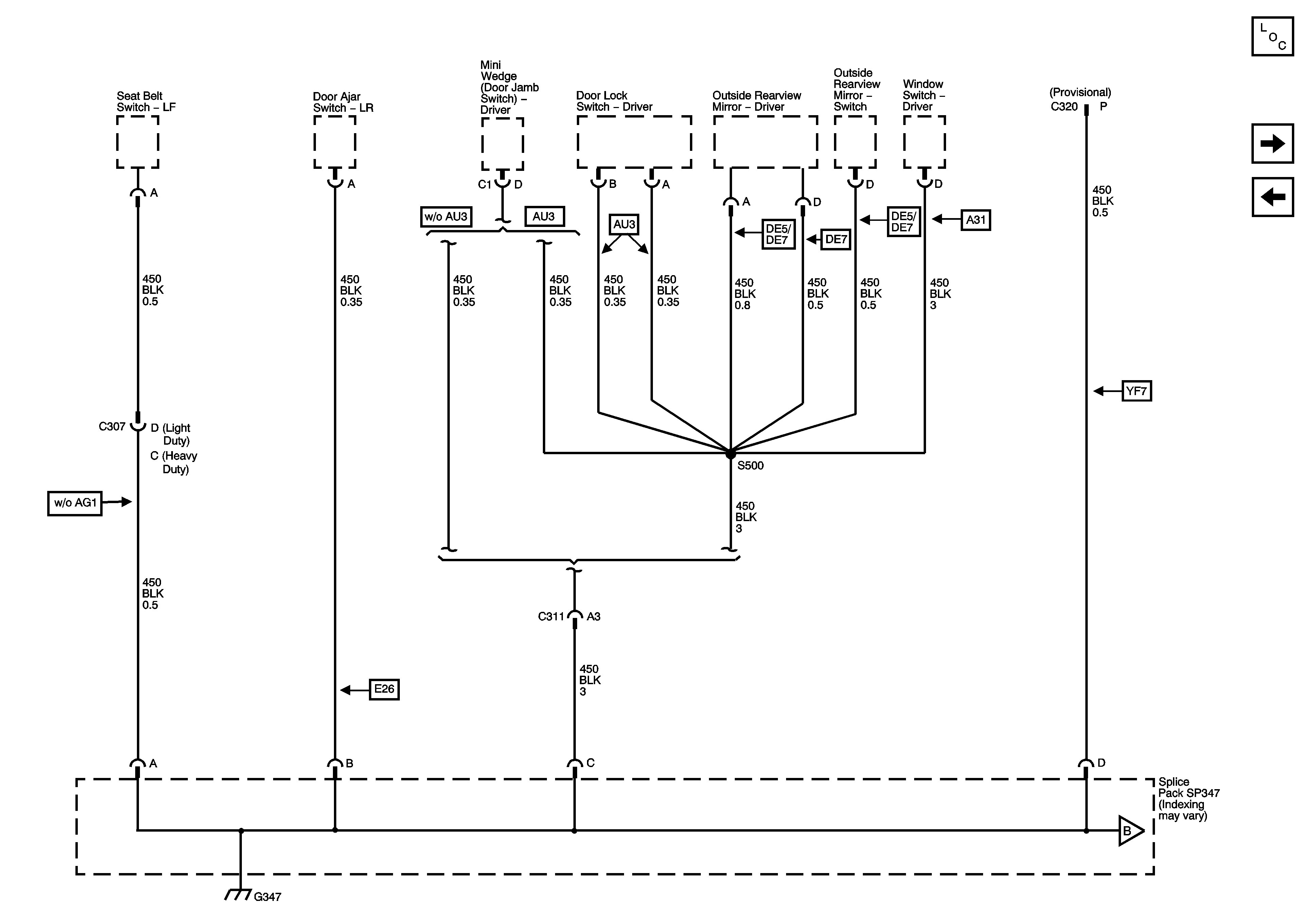
G303, and G304
G103, G104, G105, G106, G300, and G301
G103, G104, G105, G106, G300, and G301
Figure 5:

G303, and G304


Object Number: 833851  Size: FS
Master Electrical Component List
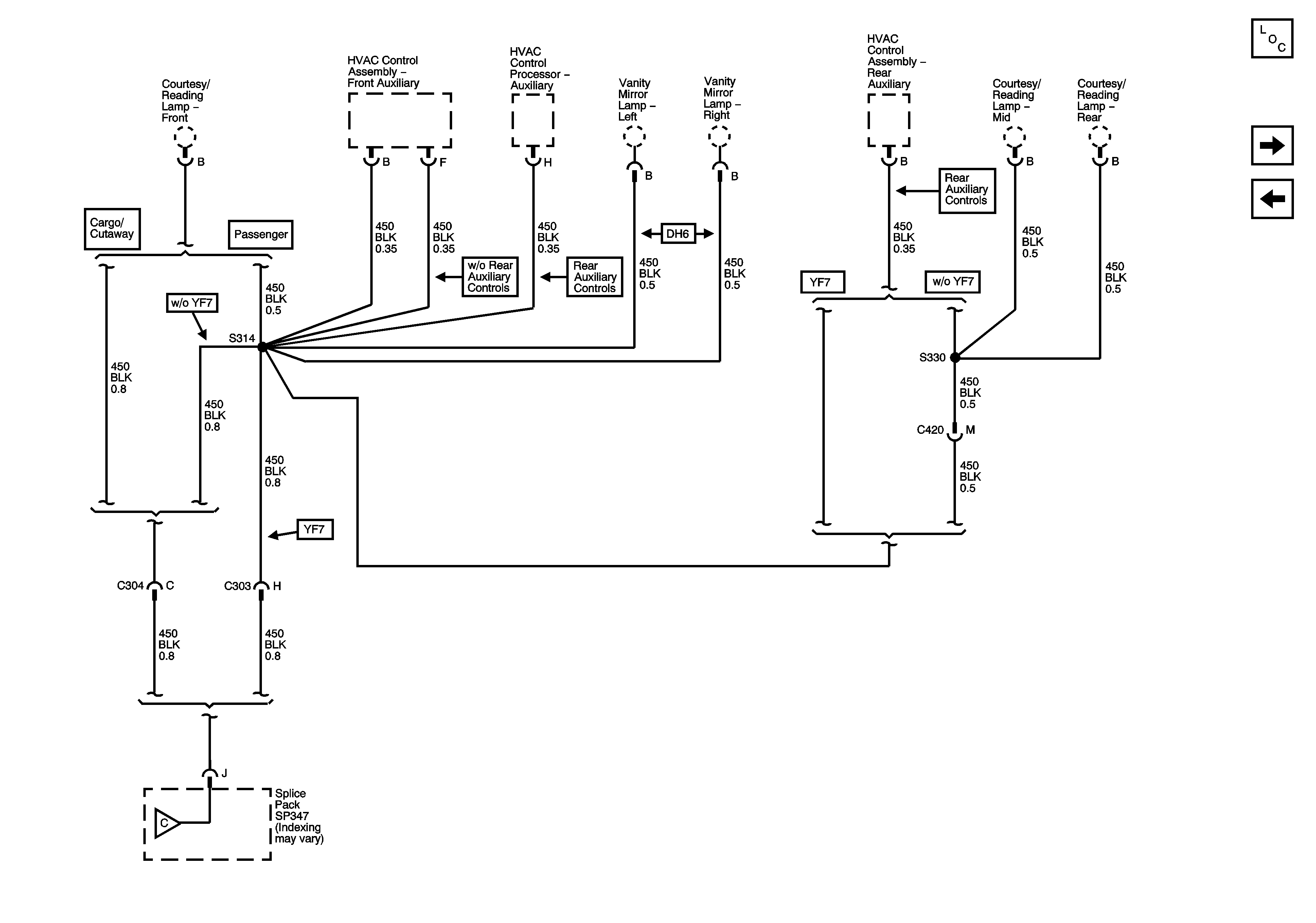
Splice Pack SP347, and G347 - 1 of 3
G302
Figure 6:

Splice Pack SP347, and G347 - 1of 3


Object Number: 833855  Size: FS
Master Electrical Component List
Splice Pack SP347, and G347 - 2 of 3
G303, and G304
Splice Pack SP347, and G347 - 2 of 3
Figure 7:

Splice Pack SP347, and G347 - 2 of 3


Object Number: 833856  Size: FS
Master Electrical Component List
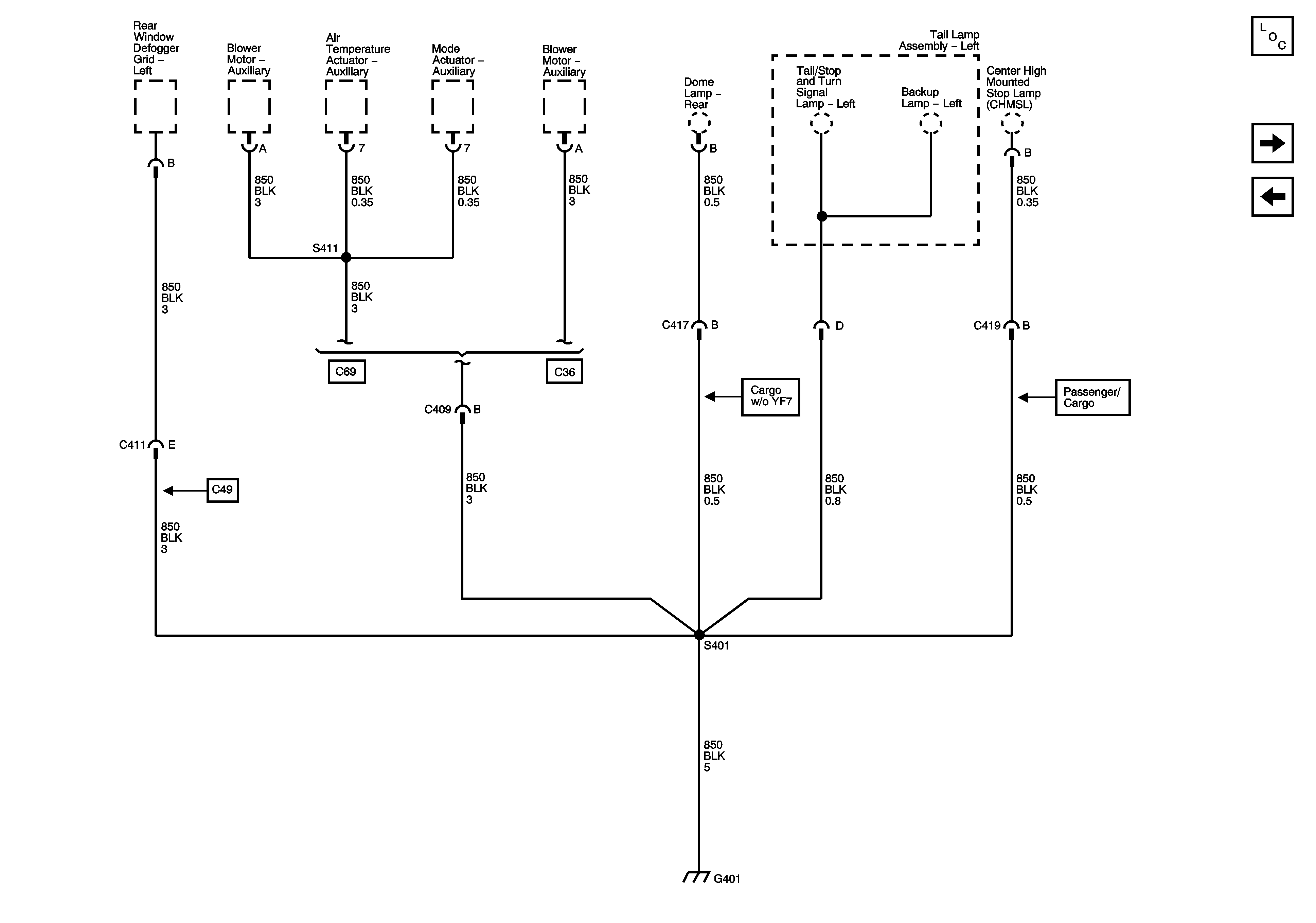
Splice Pack SP347, and G347 - 3 of 3
Splice Pack SP347, and G347 - 1 of 3
Splice Pack SP347, and G347 - 1 of 3
Splice Pack SP347, and G347 - 3 of 3
Figure 8:

Splice Pack SP347, and G347 - 3 of 3


Object Number: 833858  Size: FS
Master Electrical Component List
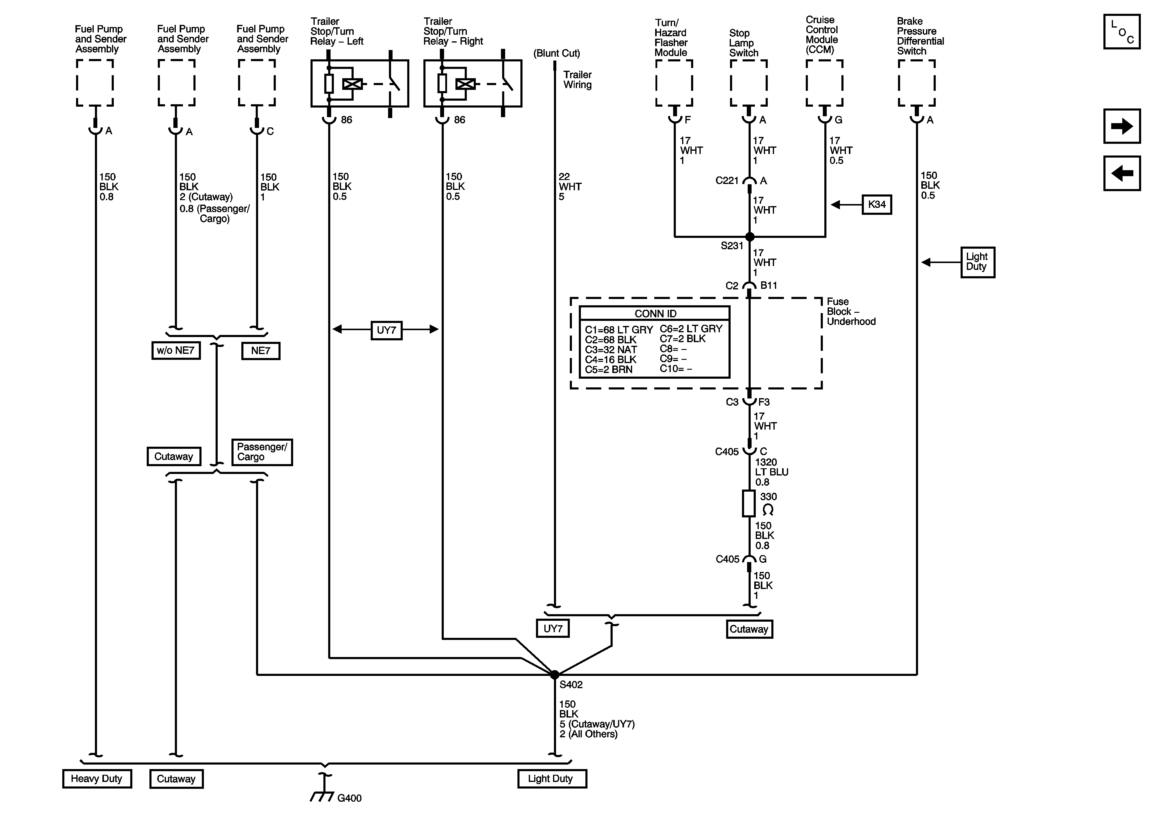
G400
Splice Pack SP347, and G347 - 2 of 3
Splice Pack SP347, and G347 - 2 of 3
Figure 9:

G400


Object Number: 833859  Size: FS
Master Electrical Component List
G401 (Passenger/Cargo)
Splice Pack SP347, and G347 - 3 of 3
Figure 10:

G401 - Passenger/Cargo


Object Number: 833865  Size: FS
Master Electrical Component List
G402 (Passenger/Cargo) and G403 (PRP)
G400
Figure 11:

G402 - Passenger/Cargo and G403 - PRP


Object Number: 833866  Size: FS
Master Electrical Component List
G401 (Passenger/Cargo)