GM Service Manual Online
For 1990-2009 cars only
Makes
🢒
GMC_Truck
🢒
2003
🢒
Savana - AWD
🢒
Body and Accessories
🢒
Wiring Systems
🢒 Interior Lights Dimming Schematics
Figure
1:
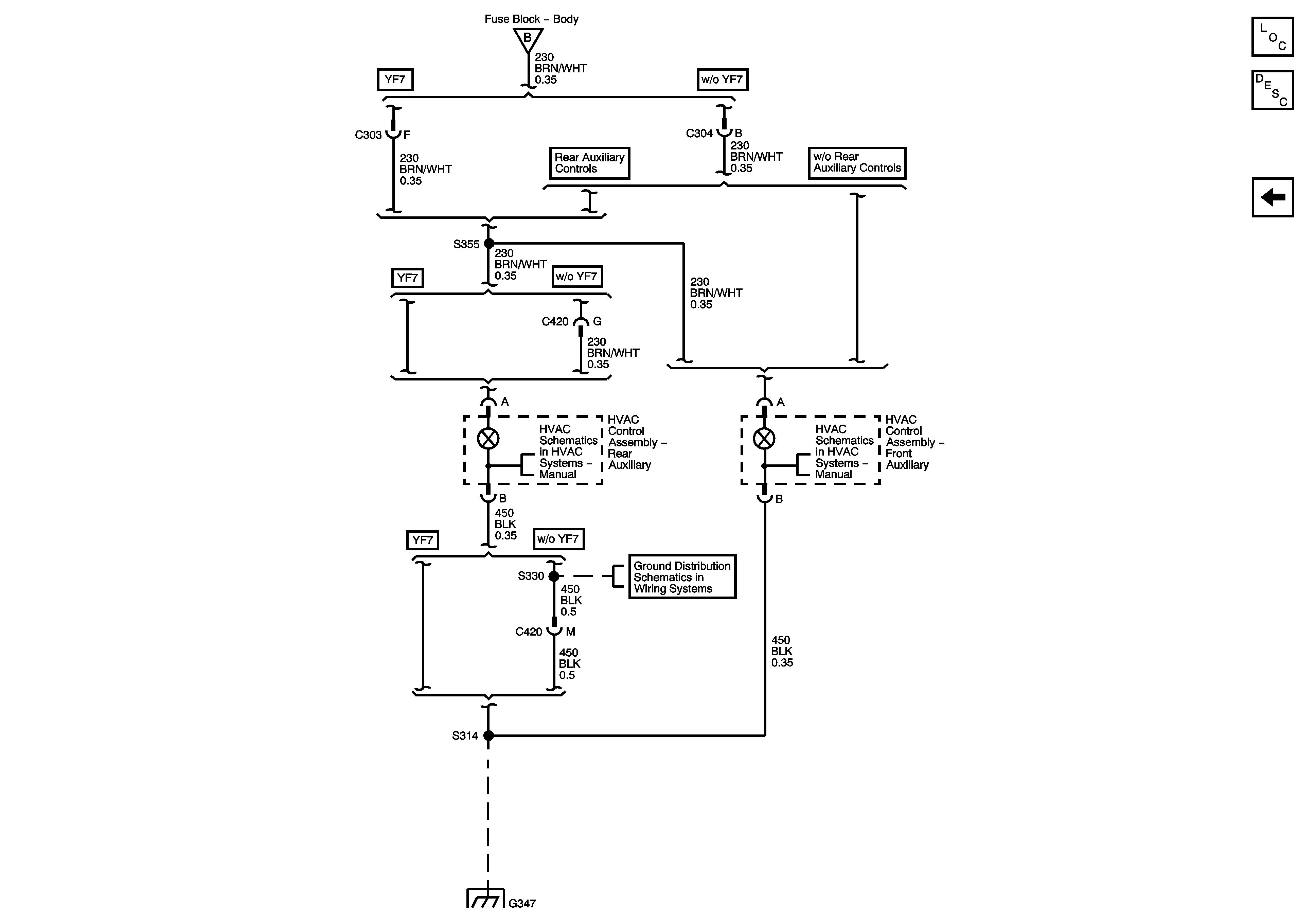
Controls and Backlighting - Page 1 of 3
Master Electrical Component List
Interior Lighting Systems Description and Operation
Controls and Backlighting - 2 of 3
Headlights
Headlamp and Panel Dimmer Switch, Park Lamp Relay, and FR PRK, LR PRK, RR PRK, TRLR PRK, UPFTR PRK Fuses
Driver, Passenger, and Cargo Mini Wedges
Temperature/Pressure/Range Switches, and VSS
Temperature/Pressure/Range Switches and VSS
Inflatable Restraint Steering Wheel Module
Controls and Backlighting - 2 of 3
G302
G303, and G304
G103, G104, G105, G106, G300, and G301
Figure
2:
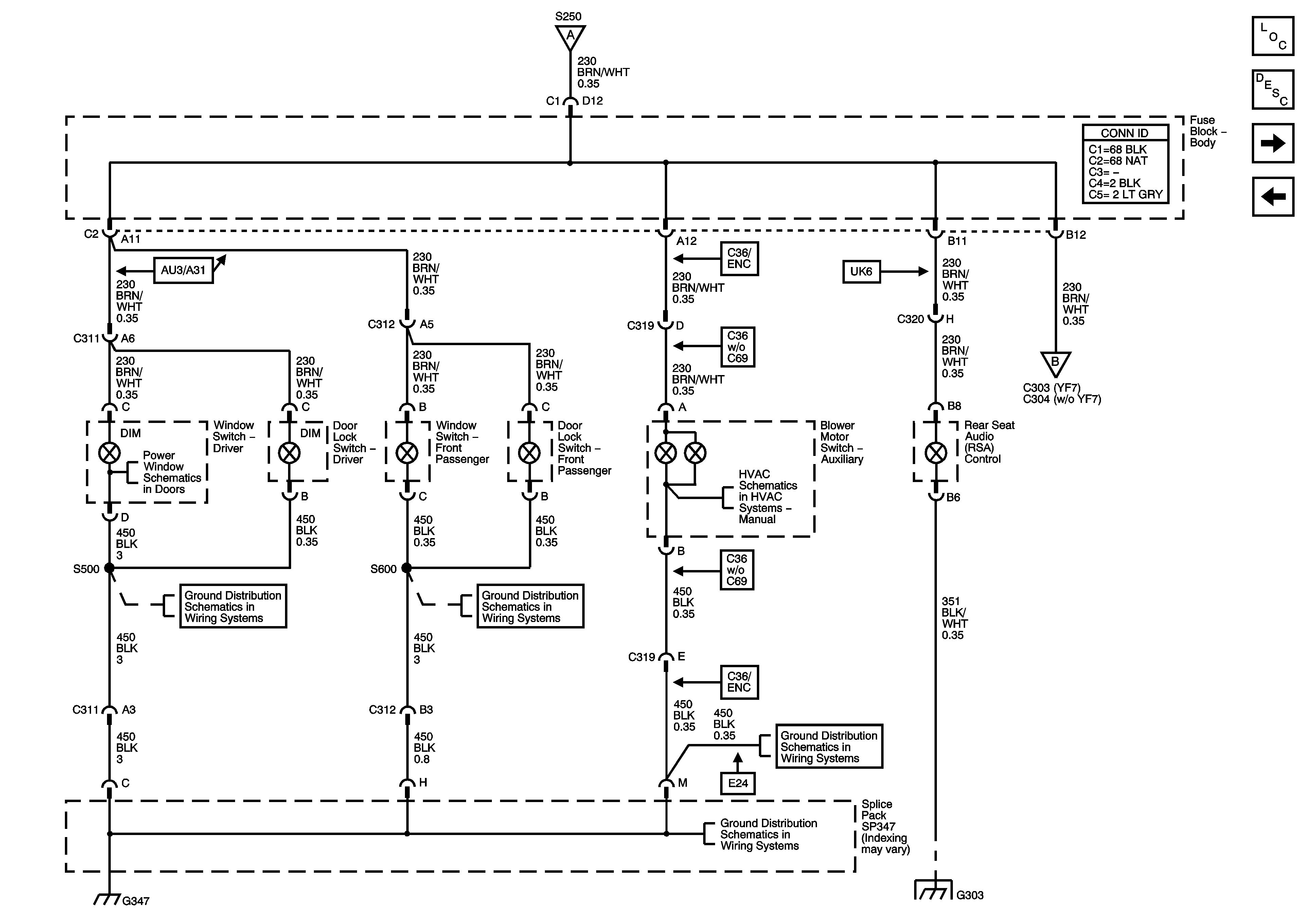
Controls and Backlighting - Page 2 of 3
Master Electrical Component List
Interior Lighting Systems Description and Operation
Controls and Backlighting - 3 of 3
Controls and Backlighting - 1 of 3
Controls and Backlighting - 1 of 3
Controls and Backlighting - 3 of 3
Power Windows
Rear HVAC with Rear Auxiliary Controls 2 of 3 (C69)
Splice Pack SP347, and G347 - 1 of 3
Splice Pack SP347, and G347 - 2 of 3
Splice Pack SP347, and G347 - 2 of 3
Splice Pack SP347, and G347 - 1 of 3
G303, and G304
Figure
3:
Controls and Backlighting - Page 3 of 3
Master Electrical Component List
Interior Lighting Systems Description and Operation
Controls and Backlighting - 2 of 3
Controls and Backlighting - 2 of 3
Rear HVAC with Rear Auxiliary Controls 2 of 3 (C69)
Rear HVAC with Rear Auxiliary Controls 1 of 3 (C69)
Splice Pack SP347, and G347 - 3 of 3
Splice Pack SP347, and G347 - 1 of 3