GM Service Manual Online
For 1990-2009 cars only
Figure 1:

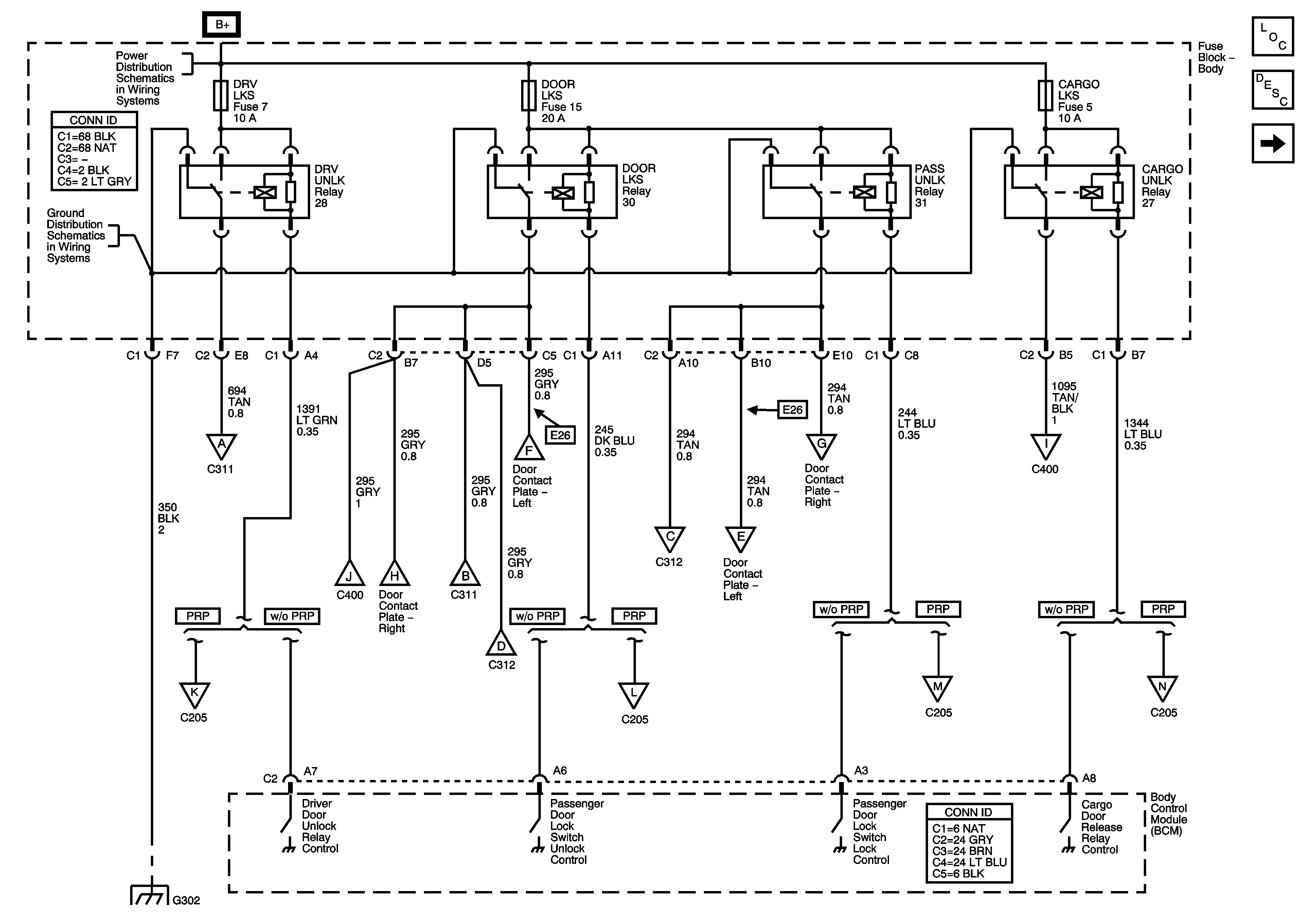
DRV LKS, DOOR LKS, CARGO UNLK Fuses, and DRV UNLK, DOOR LKS, PASS UNLK, CARGO UNLK Relays


Object Number: 849101  Size: FS
Master Electrical Component List
Power Door Locks Description and Operation
Door Lock Actuators
B+ Bus - Body Fuse Block
G103, G104, G105, G106, G300, and G301
Door Lock Actuators
Door Lock Actuators
Door Lock Actuators
Door Lock Actuators
Door Lock Actuators
Door Lock Actuators
Door Lock Actuators
Door Lock Actuators
Door Lock Actuators
Door Lock Actuators
Door Lock Switches - w/PRP
Door Lock Switches - w/PRP
Door Lock Switches - w/PRP
Door Lock Switches - w/PRP
G302
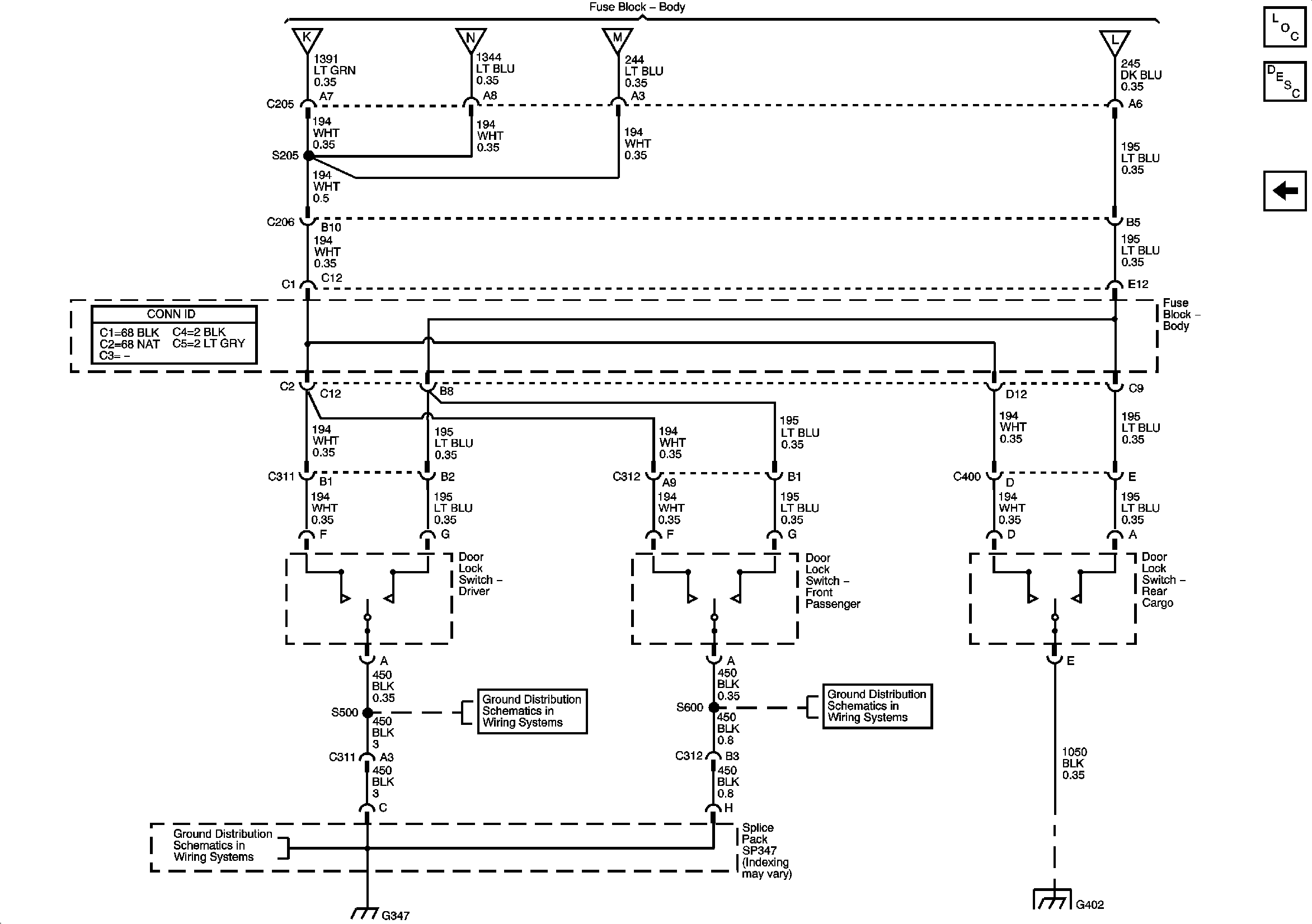
Figure 2:

Door Lock Actuators


Object Number: 849106  Size: FS
Master Electrical Component List
Power Door Locks Description and Operation
Door Lock Switches
DRV LKS, DOOR LKS, CARGO UNLK Fuses, and DRV UNLK, DOOR LKS, PASS UNLK, CARGO UNLK Relays
DRV LKS, DOOR LKS, CARGO UNLK Fuses, and DRV UNLK, DOOR LKS, PASS UNLK, CARGO UNLK Relays
DRV LKS, DOOR LKS, CARGO UNLK Fuses, and DRV UNLK, DOOR LKS, PASS UNLK, CARGO UNLK Relays
DRV LKS, DOOR LKS, CARGO UNLK Fuses, and DRV UNLK, DOOR LKS, PASS UNLK, CARGO UNLK Relays
DRV LKS, DOOR LKS, CARGO UNLK Fuses, and DRV UNLK, DOOR LKS, PASS UNLK, CARGO UNLK Relays
DRV LKS, DOOR LKS, CARGO UNLK Fuses, and DRV UNLK, DOOR LKS, PASS UNLK, CARGO UNLK Relays
DRV LKS, DOOR LKS, CARGO UNLK Fuses, and DRV UNLK, DOOR LKS, PASS UNLK, CARGO UNLK Relays
DRV LKS, DOOR LKS, CARGO UNLK Fuses, and DRV UNLK, DOOR LKS, PASS UNLK, CARGO UNLK Relays
DRV LKS, DOOR LKS, CARGO UNLK Fuses, and DRV UNLK, DOOR LKS, PASS UNLK, CARGO UNLK Relays
DRV LKS, DOOR LKS, CARGO UNLK Fuses, and DRV UNLK, DOOR LKS, PASS UNLK, CARGO UNLK Relays
DRV LKS, DOOR LKS, CARGO UNLK Fuses, and DRV UNLK, DOOR LKS, PASS UNLK, CARGO UNLK Relays
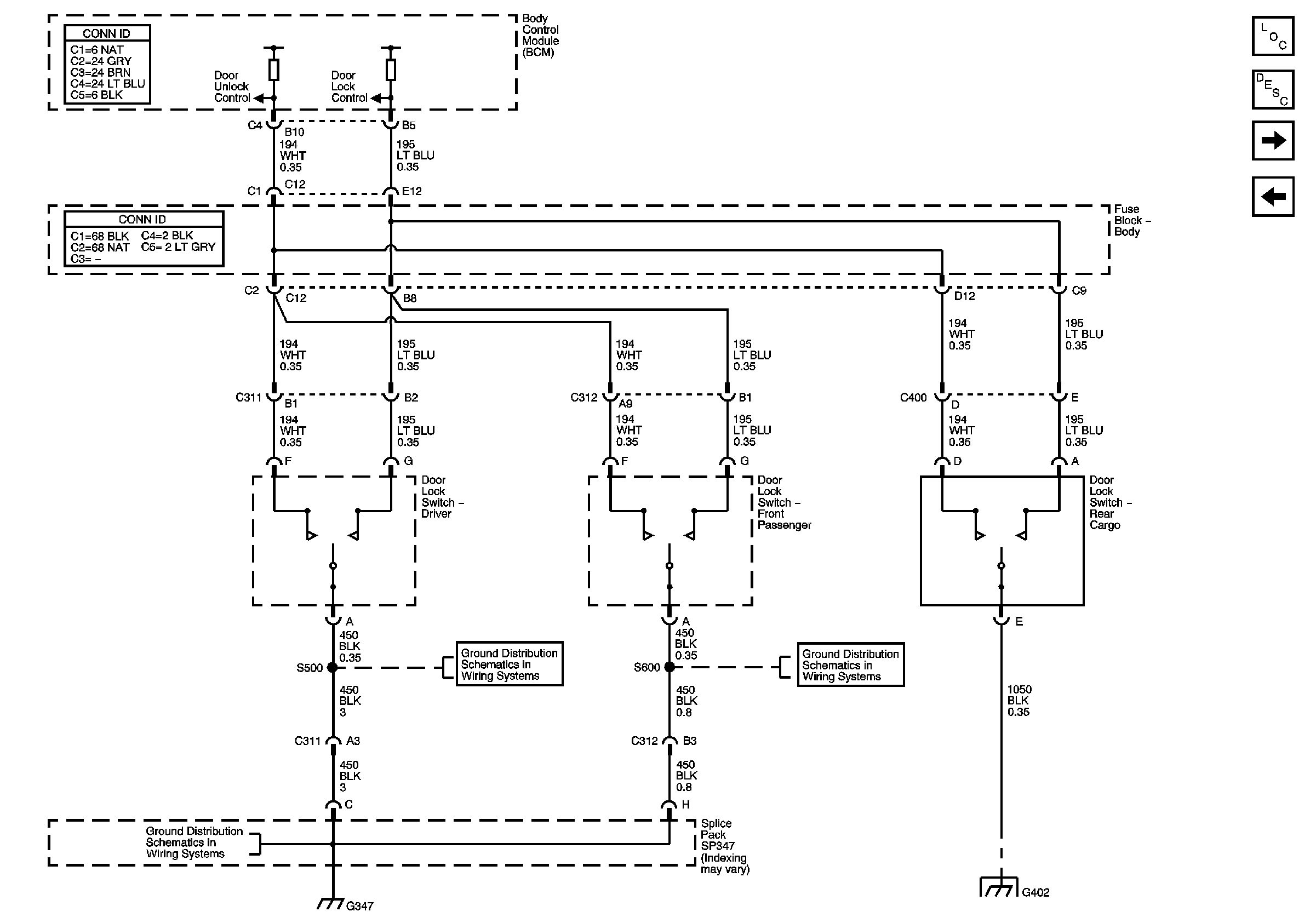
Figure 3:

Door Lock Switches


Object Number: 849109  Size: FS
Master Electrical Component List
Power Door Locks Description and Operation
Door Lock Switches - w/PRP
Door Lock Actuators
Splice Pack SP347, and G347 - 1 of 3
Splice Pack SP347, and G347 - 2 of 3
Splice Pack SP347, and G347 - 1 of 3
G402 (Passenger/Cargo) and G403 (PRP)
Figure 4:

Door Lock Switches - w/PRP


Object Number: 889876  Size: FS
Master Electrical Component List
Power Door Locks Description and Operation
Door Lock Switches
DRV LKS, DOOR LKS, CARGO UNLK Fuses, and DRV UNLK, DOOR LKS, PASS UNLK, CARGO UNLK Relays
DRV LKS, DOOR LKS, CARGO UNLK Fuses, and DRV UNLK, DOOR LKS, PASS UNLK, CARGO UNLK Relays
DRV LKS, DOOR LKS, CARGO UNLK Fuses, and DRV UNLK, DOOR LKS, PASS UNLK, CARGO UNLK Relays
DRV LKS, DOOR LKS, CARGO UNLK Fuses, and DRV UNLK, DOOR LKS, PASS UNLK, CARGO UNLK Relays
Splice Pack SP347, and G347 - 1 of 3
Splice Pack SP347, and G347 - 2 of 3
Splice Pack SP347, and G347 - 1 of 3
G402 (Passenger/Cargo) and G403 (PRP)