GM Service Manual Online
For 1990-2009 cars only

Rear Side Door Latch Replacement Cargo Door

Removal Procedure

  1. Open the door.
  2. Disconnect the power connector.

  3. Object Number: 834699  Size: SH
  4. Remove the latch bolts (2).
  5. Remove the latch (1).

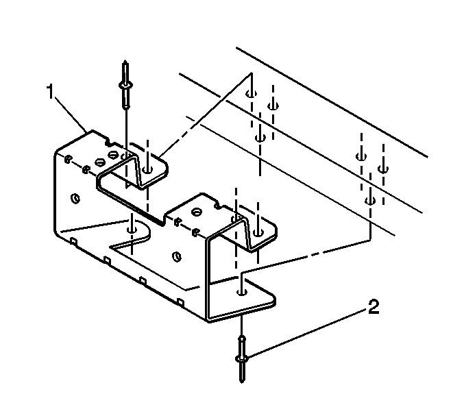
  6. Object Number: 834697  Size: SH
  7. Drill out the rivets (2).
  8. Remove the latch bracket (1).

Installation Procedure


    Object Number: 834697  Size: SH
  1. Install the latch brackets (1).
  2. Install the rivets (2).

  3. Object Number: 834699  Size: SH
  4. Install the latch (1).
  5. Notice: Refer to Fastener Notice in the Preface section.

  6. Install the latch bolts (2).
  7. Tighten
    Tighten the bolts to 10 N·m (89 lb in).

  8. Connect the electrical connection.

Rear Side Door Latch Replacement Front Door

Removal Procedure


    Object Number: 334095  Size: SH
  1. Remove the side rear door trim panel. Refer to Rear Side 60/40 Door Trim Panel Replacement - Left Side or Rear Side 60/40 Door Trim Panel Replacement - Right Side .
  2. Remove the lock rod (3) from the side rear door upper latch (2).
  3. Remove the bolt (1) that retains the side rear door upper latch (2) to the door.
  4. Remove the side rear door upper latch (2) from the door.

Installation Procedure


    Object Number: 334095  Size: SH
  1. Install the side rear door upper latch (2) to the door.
  2. Notice: Refer to Fastener Notice in the Preface section.

  3. Install the bolt (1) in order to retain the side rear door upper latch (2) to the door.
  4. Tighten
    Tighten the retaining bolt to 25 N·m (18 lb ft).

  5. Install the lock rod (3) to the side rear door upper latch (2).
  6. Install the side rear door trim panel. Refer to Rear Side 60/40 Door Trim Panel Replacement - Left Side or Rear Side 60/40 Door Trim Panel Replacement - Right Side .