GM Service Manual Online
For 1990-2009 cars only
Makes
🢒
GMC_Truck
🢒
2004
🢒
Savana - AWD
🢒
Accessories
🢒
Cellular Communication
🢒 Cellular Communication Component Views
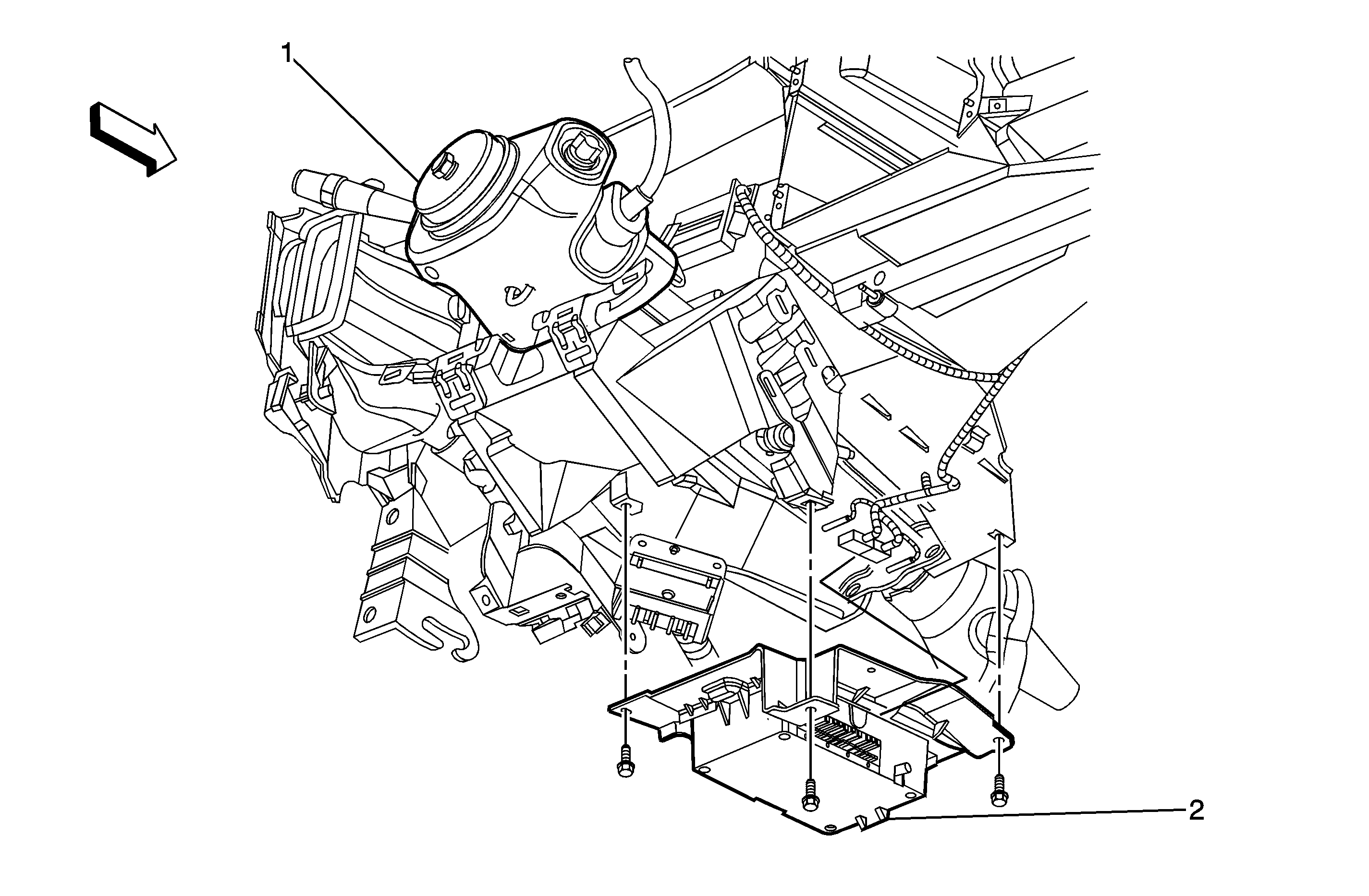
Figure
1:
Lower Left of the I/P
(1)
Steering Column
(2)
Vehicle Communication Interface Module (VCIM)
Figure
2:
Mobile Telephone, Navigation and Inside Rearview Mirror Harness
(1)
Inside Rearview Mirror Connector (DF5/UE1)
(2)
Navigation Antenna Connector (UE1)
(3)
Cellular Antenna Connector (UE1)
(4)
Cellular Telephone Microphone Connector (UE1)
(5)
C225 (DF5/UE1)