GM Service Manual Online
For 1990-2009 cars only

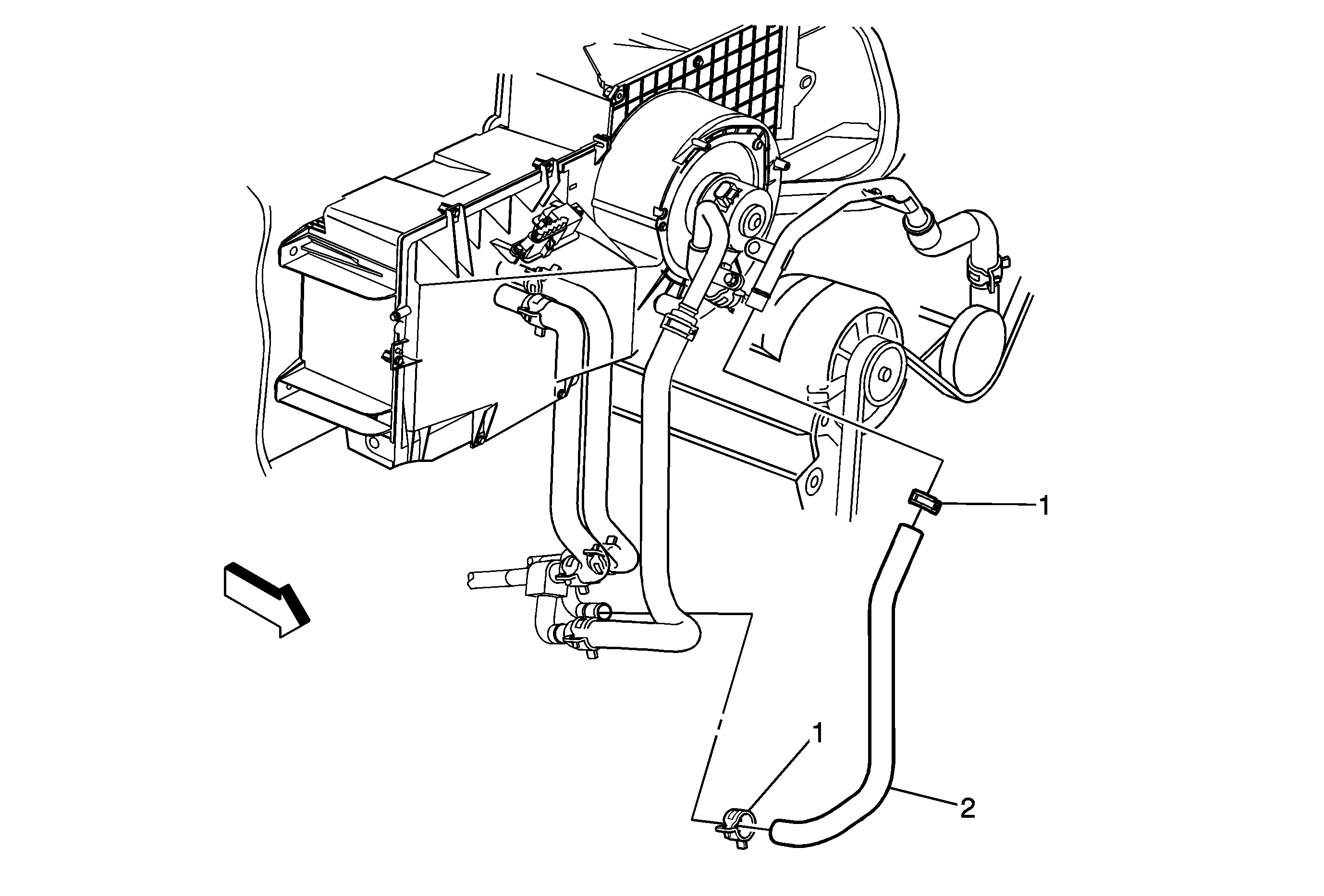
Auxiliary Heater Outlet Hose Replacement C36,C60-Engine to Rear Pipe


Object Number: 1894802  Size: MF

Callout

Component Name

Preliminary Procedures

  1. Partially drain the cooling system. Refer to Cooling System Draining and Filling.
  2. Remove the air cleaner assembly. Refer to Air Cleaner Assembly Replacement.

1

Auxiliary Heater Outlet Hose Clamp (Qty:2)

2

Auxiliary Heater Outlet Hose

Auxiliary Heater Outlet Hose Replacement C36-Heater Core to Rear Pipe


Object Number: 1894856  Size: MF

Callout

Component Name

Preliminary Procedures

  1. Partially drain the cooling system. Refer to Cooling System Draining and Filling.
  2. Remove the air cleaner assembly. Refer to Air Cleaner Assembly Replacement.

1

Auxiliary Heater Outlet Hose Clamp (Qty:2)

2

Auxiliary Heater Outlet Hose

Auxiliary Heater Outlet Hose Replacement V8-C36,C60-Engine to Rear Pipe


Object Number: 1894899  Size: MF

Callout

Component Name

Preliminary Procedures

  1. Partially drain the cooling system. Refer to Cooling System Draining and Filling.
  2. Remove the air cleaner assembly. Refer to Air Cleaner Assembly Replacement.

1

Auxiliary Heater Outlet Hose Clamp (Qty:2)

2

Auxiliary Heater Outlet Hose

Auxiliary Heater Outlet Hose Replacement 4.3L-C36-Engine to Rear Pipe


Object Number: 1894914  Size: MF

Callout

Component Name

Preliminary Procedures

  1. Partially drain the cooling system. Refer to Cooling System Draining and Filling.
  2. Remove the air cleaner assembly. Refer to Air Cleaner Assembly Replacement.

1

Auxiliary Heater Outlet Hose Clamp (Qty:2)

2

Auxiliary Heater Outlet Hose

Auxiliary Heater Outlet Hose Replacement V8-C60-Engine to Valve


Object Number: 1894558  Size: MF

Callout

Component Name

Preliminary Procedures

  1. Partially drain the cooling system. Refer to Cooling System Draining and Filling .
  2. Remove the air cleaner assembly. Refer to Air Cleaner Assembly Replacement .

1

Auxiliary Heater Outlet Hose Clamp (Qty:2)

2

Auxiliary Heater Outlet Hose