GM Service Manual Online
For 1990-2009 cars only
Makes
🢒
GMC_Truck
🢒
2004
🢒
Savana - AWD
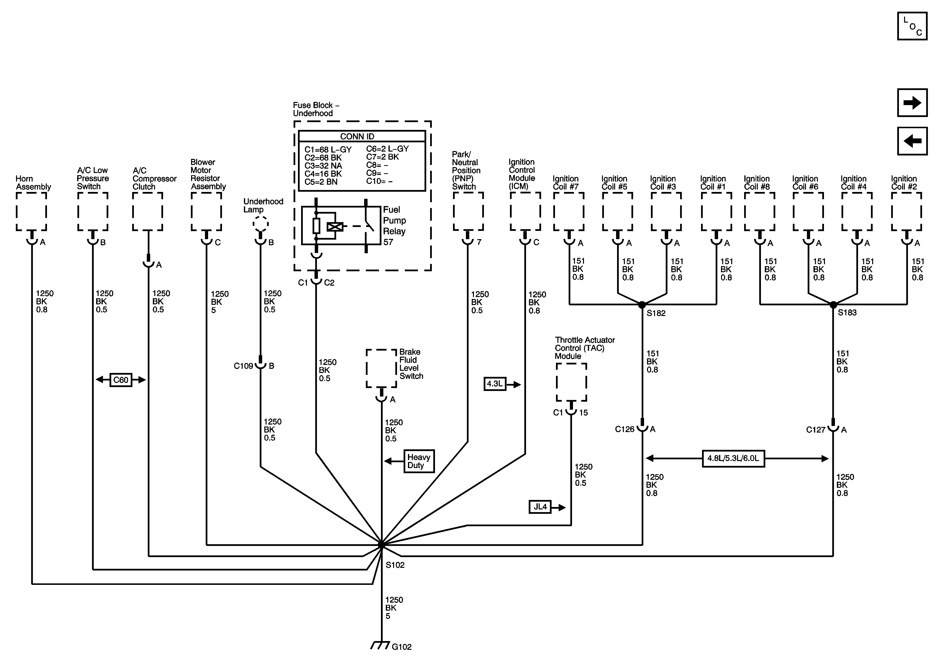
🢒 G102
G102
G102
Master Electrical Component List
G103, G104, G105, G106, G300 and G301
G100 and G101