GM Service Manual Online
For 1990-2009 cars only
Makes
🢒
GMC_Truck
🢒
2004
🢒
Savana - AWD
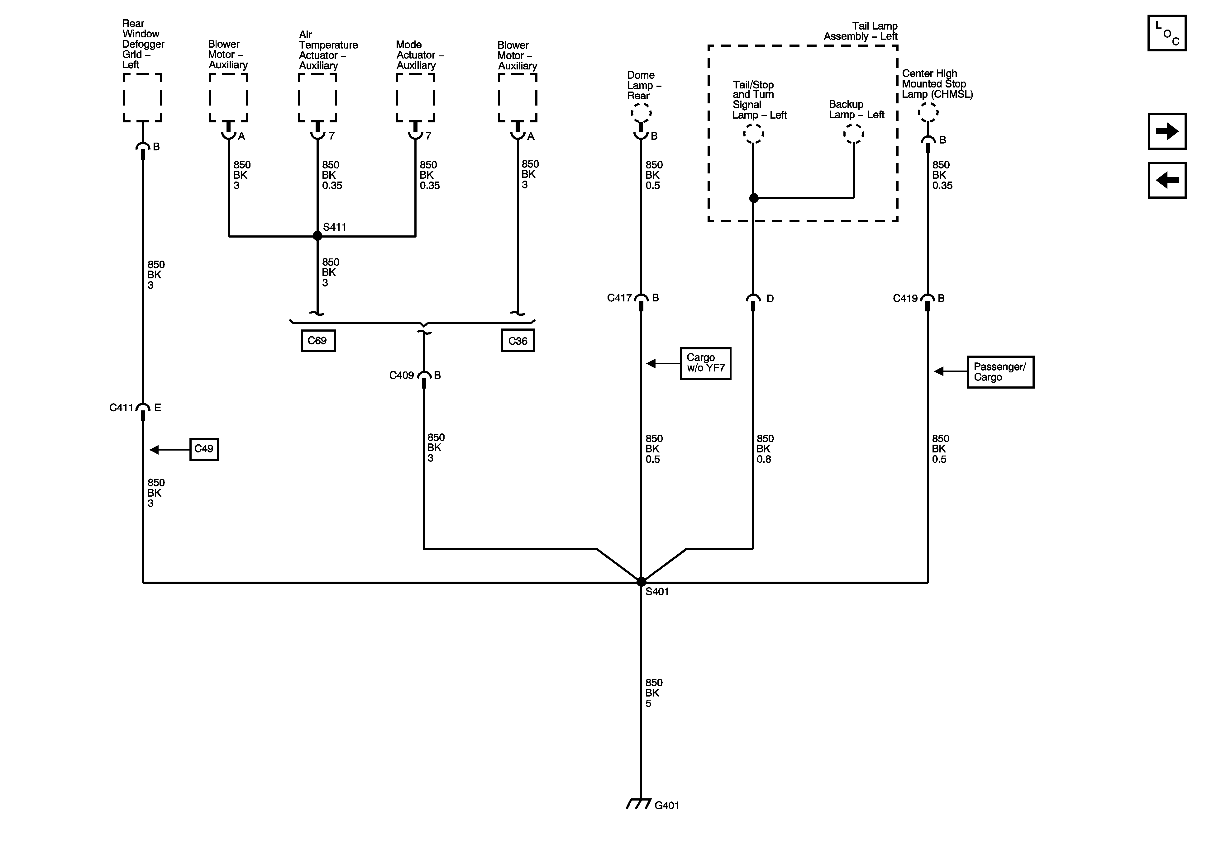
🢒 G401 - Passenger/Cargo
G401 - Passenger/Cargo
G401 - Passenger/Cargo
Master Electrical Component List
G402 - Passenger/Cargo and G403 - PRP
G400