GM Service Manual Online
For 1990-2009 cars only
Makes
🢒
GMC_Truck
🢒
2004
🢒
Savana - AWD
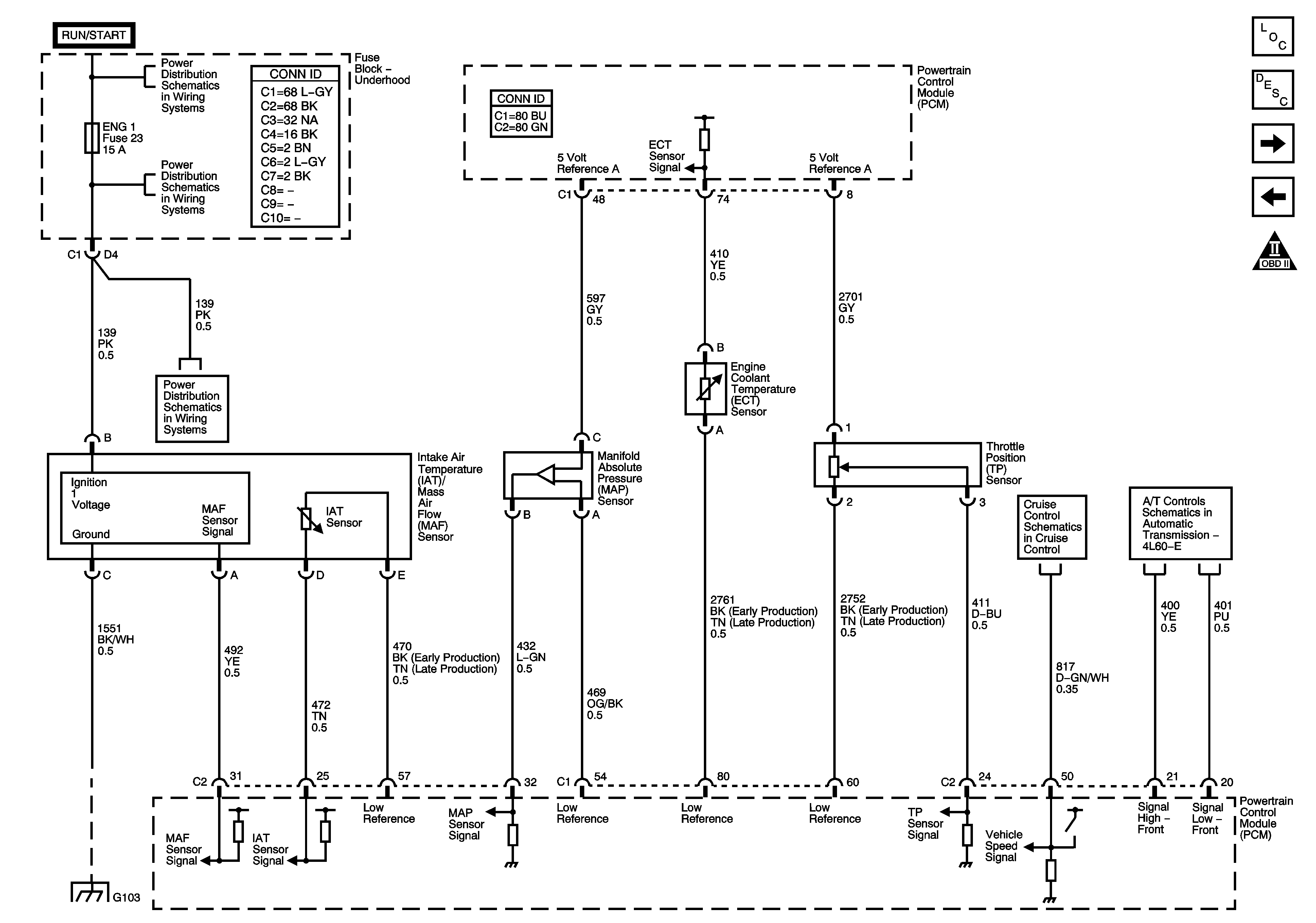
🢒 Engine Data Sensors - Pressure, Temperature and Position
Engine Data Sensors - Pressure, Temperature and Position
Engine Data Sensors - Pressure, Temperature and Position
Master Electrical Component List
Powertrain Control Module Description
Engine Data Sensors - Oxygen Sensors
5 Volt and Low Reference
OBD II Symbol Description Notice
IGN B Fuse, ACCY/RUN and RUN/START Bus Bars
ENG 1 and ENG 2 Fuses - 4.3L
ENG 1 and ENG 2 Fuses - 4.3L
w/o JL4
Tow/Haul and Park/Neutral Position Switch Inputs and Vehicle Speed Sensor
G103, G104, G105, G106, G300 and G301