GM Service Manual Online
For 1990-2009 cars only
Makes
🢒
GMC_Truck
🢒
2004
🢒
Savana - AWD
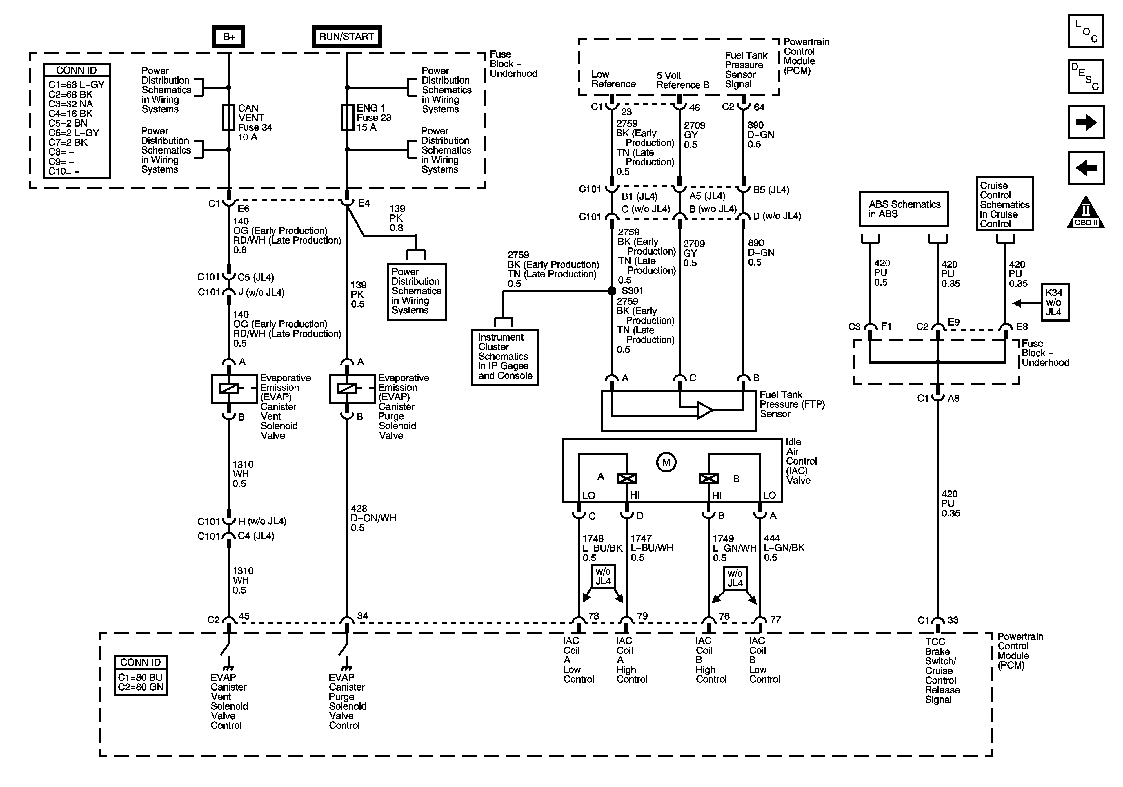
🢒 Fuel Controls - EVAP and Device Controls
Fuel Controls - EVAP and Device Controls
Fuel Controls - EVAP and Device Controls
Master Electrical Component List
Powertrain Control Module Description
Controlled/Monitored Subsystem and Transmission References
Fuel Controls - Fuel Injectors
OBD II Symbol Description Notice
B+ Bus - Underhood Fuse Block
TRLR STOP/TRN, CAN VENT, LH-LOBM, RH-LOBM, LH-HIBM and RH-HIBM Fuses
IGN B Fuse, ACCY/RUN and RUN/START Bus Bars
ENG 1 and ENG 2 Fuses - 4.8L, 5.3L and 6.0L
ENG 1 and ENG 2 Fuses - 4.8L, 5.3L and 6.0L
Gages
Power, Ground, Serial Data, Indicator and Stop Lamp Switch - w/o VSES
w/o JL4