GM Service Manual Online
For 1990-2009 cars only
Makes
🢒
GMC_Truck
🢒
2004
🢒
Savana - AWD
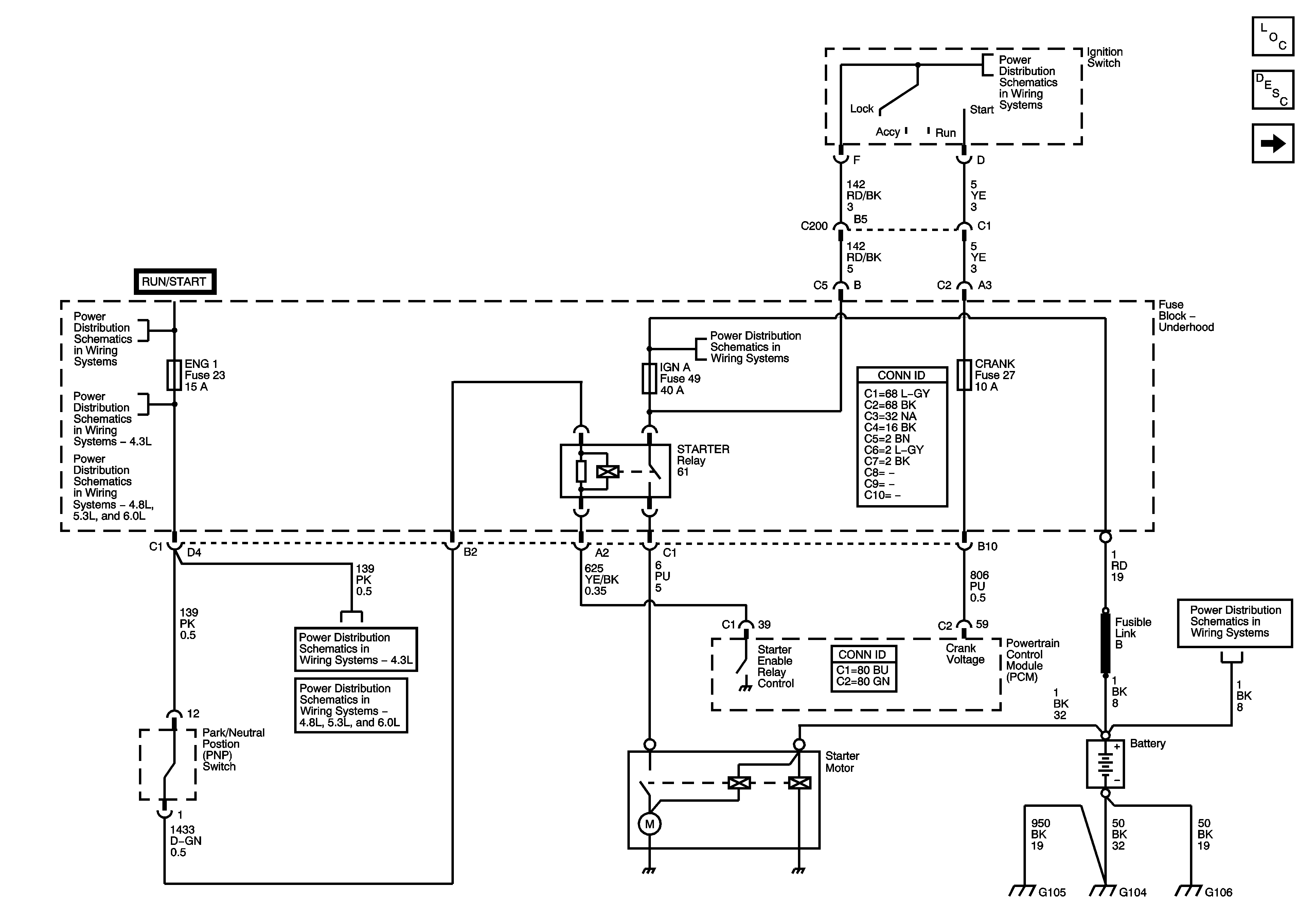
🢒 Starting System
Starting System
Starting System
Master Electrical Component List
Starting System Description and Operation
Charging System
IGN A Fuse, Start, ACCY/RUN/START and RUN Bus Bars
IGN B Fuse, ACCY/RUN and RUN/START Bus Bars
ENG 1 and ENG 2 Fuses - 4.3L
ENG 1 and ENG 2 Fuses - 4.8L, 5.3L and 6.0L
ENG 1 and ENG 2 Fuses - 4.3L
ENG 1 and ENG 2 Fuses - 4.8L, 5.3L and 6.0L
B+ Bus - Underhood Fuse Block
B+ Bus - Underhood Fuse Block