GM Service Manual Online
For 1990-2009 cars only
Makes
🢒
GMC_Truck
🢒
2004
🢒
Savana - AWD
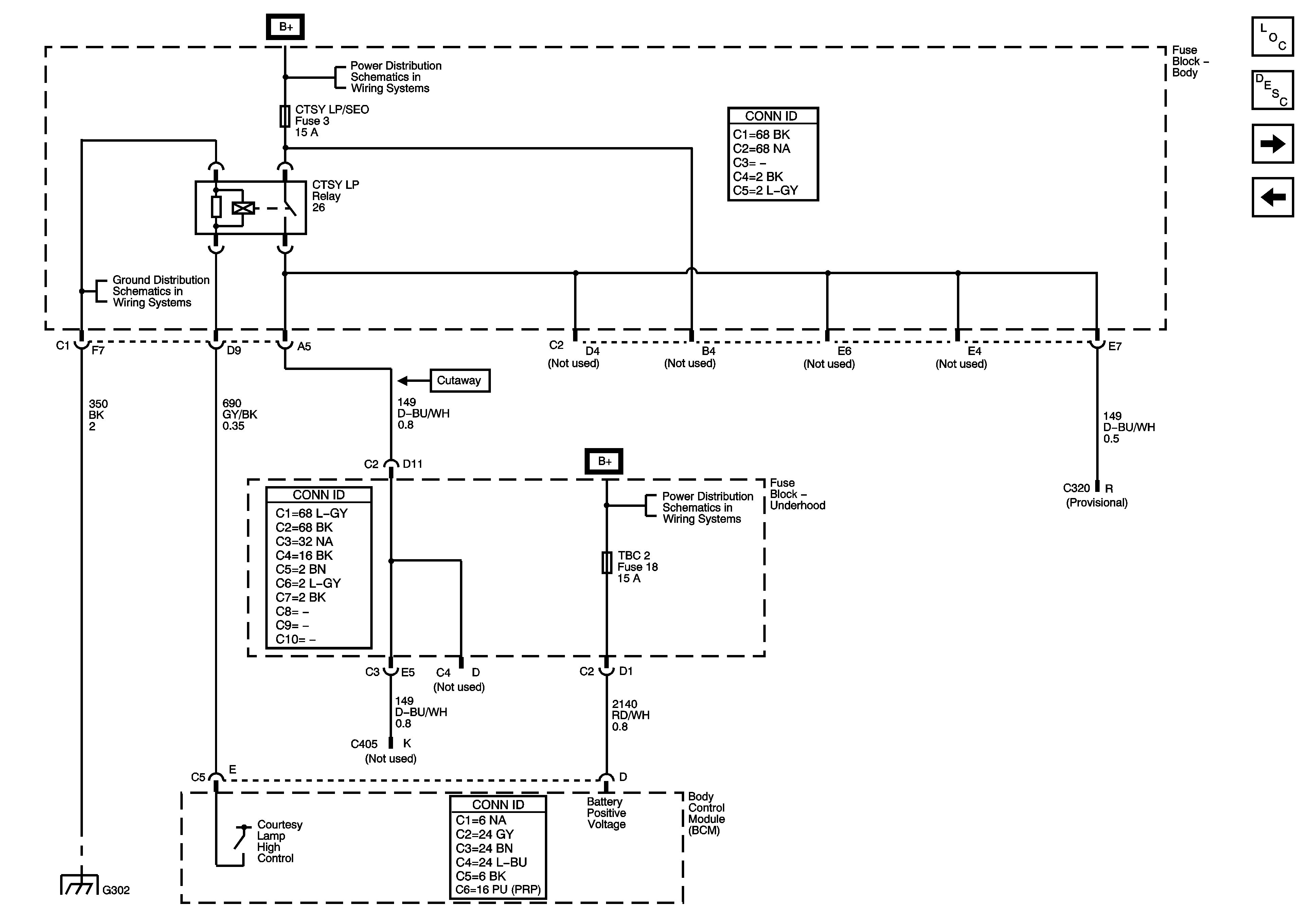
🢒 Courtesy Lamps - YF7
Courtesy Lamps - YF7
Courtesy Lamps - YF7
Master Electrical Component List
Interior Lighting Systems Description and Operation
Courtesy Lamps - w/o YF7 - 1 of 2
Dome and Courtesy Lamp Switch Signals and Door Latch Assemblier
B+ Bus - Body Fuse Block
G103, G104, G105, G106, G300 and G301
B+ Bus - Underhood Fuse Block
G302