GM Service Manual Online
For 1990-2009 cars only
Figure 1:

B+ Bus - Underhood Fuse Block - Gas


Object Number: 1751961  Size: FS
Master Electrical Component List
Control Module References
B+ Bus - Underhood Fuse Block - Diesel
B+ Bus - Body Fuse Block
Figure 2:

B+ Bus - Underhood Fuse Block - Diesel


Object Number: 1751967  Size: FS
Master Electrical Component List
Control Module References
B+ Bus - Body Fuse Block
B+ Bus - Underhood Fuse Block - Gas
B+ Bus - Body Fuse Block
Figure 3:

B+ Bus - Body Fuse Block


Object Number: 1751983  Size: FS
Master Electrical Component List
Control Module References
ABS/VSES, FOH/ECM/TCM BATT, PCM BATT, and TRLR Fues
B+ Bus - Underhood Fuse Block - Diesel
B+ Bus - Underhood Fuse Block - Gas
B+ Bus - Underhood Fuse Block - Diesel
Figure 4:

ABS/VSES, FOH/ECM/TCM BATT, PCM BATT, and TRLR Fuses


Object Number: 1752000  Size: FS
Master Electrical Component List
Control Module References
AUX PWR, BLWR, CNSTR VENT SOL, IPC, LTR, REAR FOG LMPS, and STOP LAMP Fuses
B+ Bus - Body Fuse Block
B+ Bus - Underhood Fuse Block - Gas
Figure 5:

AUX PWR, BLWR, CNSTR VENT SOL, IPC, LTR, REAR FOG LMPS, and STOP LAMP Fuses


Object Number: 1752033  Size: FS
Master Electrical Component List
Control Module References
HAZRD, RDO BATT, RFA, REAF DEF/HTD MIR, TBC, TBC 2, TBC 3, TBC 4, TRLR STOP/TRN Fuses and PWR SEAR Circuit Breaker
ABS/VSES, FOH/ECM/TCM BATT, PCM BATT, and TRLR Fues
B+ Bus - Underhood Fuse Block - Gas
Figure 6:

HAZRD, RDO BATT, RFA, REAR DEF/HTD MIR, TBC, TBC 2, TBC 3, TBC 4, TRLR STOP/TRN Fuses, and PWR SEAT Circuit Breaker


Object Number: 1752063  Size: FS
Master Electrical Component List
Control Module References
AUX 1, OSRVM, REAR BLWR and SPARE Fuses
AUX PWR, BLWR, CNSTR VENT SOL, IPC, LTR, REAR FOG LMPS, and STOP LAMP Fuses
B+ Bus - Underhood Fuse Block - Gas
Figure 7:

AUX 1, OSRVM, REAR BLWR, and SPARE Fuses


Object Number: 1752144  Size: FS
Master Electrical Component List
Control Module References
DOME FLUORESCENT WORK LAMPS and PANEL ACTUATOR Fuses
HAZRD, RDO BATT, RFA, REAF DEF/HTD MIR, TBC, TBC 2, TBC 3, TBC 4, TRLR STOP/TRN Fuses and PWR SEAR Circuit Breaker
B+ Bus - Body Fuse Block
DOME FLUORESCENT WORK LAMPS and PANEL ACTUATOR Fuses
Figure 8:

DOME FLUORESCENT WORK LAMPS and PANEL ACTUATOR Fuses


Object Number: 1752147  Size: FS
Master Electrical Component List
Control Module References
LT REAR STOP/TRN, LT DRL/TRN, RT DRL/TRN, and RT REAR STOP/TRN Fuses
AUX 1, OSRVM, REAR BLWR and SPARE Fuses
AUX 1, OSRVM, REAR BLWR and SPARE Fuses
Figure 9:

LT REAR STOP/TRN, LT DRL/TRN, RT DRL/TRN and RT REAR STOP/TRN Fuses


Object Number: 1752149  Size: FS
Master Electrical Component List
Control Module References
DRV PWR TRN MIR, PASS TRN MIR and STOP/CHMSL Fuses
DOME FLUORESCENT WORK LAMPS and PANEL ACTUATOR Fuses
Figure 10:

DRV PWR TRN MIR, PASS TRN MIR, and STOP/CHMSL Fuses


Object Number: 1752151  Size: FS
Master Electrical Component List
Control Module References
Ignition Switch - ACCY/RUN, RUN/START Bus Bars and IGN B Fuse
LT REAR STOP/TRN, LT DRL/TRN, RT DRL/TRN, and RT REAR STOP/TRN Fuses
Figure 11:

Ignition Switch - ACCY/RUN, RUN/START Bus Bars and IGN B Fuse


Object Number: 1752176  Size: FS
Master Electrical Component List
Control Module References
Ignition Switch - ACCY/RUN/START, RUN, START Bus Bars and IGN A Fuse
DRV PWR TRN MIR, PASS TRN MIR and STOP/CHMSL Fuses
B+ Bus - Underhood Fuse Block - Gas
Figure 12:

Ignition Switch - ACCY/RUN/START, RUN, START Bus Bars and IGN A Fuse


Object Number: 1752178  Size: FS
Master Electrical Component List
Control Module References
BTSI, BTSI BCK/UP, ECM/TCM/GLOW PLUG CNTRL MDL IGN 1, FUEL HTR, O2 SNSR A, O2 SNSR B, PCM IGN 1, SPARE and TRLR BCK/UP Fuses
Ignition Switch - ACCY/RUN, RUN/START Bus Bars and IGN B Fuse
B+ Bus - Underhood Fuse Block - Gas
Figure 13:

BTSI, BTSI BCK/UP, ECM/TCM/GLOW PLUG CNTRL MDL IGN 1, FUEL HTR, O2 SNSR A, O2 SNSR B, PCM IGN 1, SPARE and TRLR BCK/UP Fuses


Object Number: 1752180  Size: FS
Master Electrical Component List
Control Module References
AIRBAG, FAN CLTCH, IGN E, ISRVM, SPARE and TBC IGN 1 Fuses
Ignition Switch - ACCY/RUN/START, RUN, START Bus Bars and IGN A Fuse
Ignition Switch - ACCY/RUN, RUN/START Bus Bars and IGN B Fuse
Figure 14:

AIRBAG, FAN CLTCH, IGN E, ISRVM, SPARE and TBC IGN 1 Fuses


Object Number: 1752316  Size: FS
Master Electrical Component List
Control Module References
ENG 1, ENG 2 and SPARE Fuses - 4.3L and 6.6L
BTSI, BTSI BCK/UP, ECM/TCM/GLOW PLUG CNTRL MDL IGN 1, FUEL HTR, O2 SNSR A, O2 SNSR B, PCM IGN 1, SPARE and TRLR BCK/UP Fuses
Ignition Switch - ACCY/RUN, RUN/START Bus Bars and IGN B Fuse
SIR Caution for Zoning
SIR Caution for Zoning
SIR Caution for Zoning
SIR Caution for Zoning
Figure 15:

ENG 1, ENG 2, and SPARE Fuses - 4.3L and 6.6L


Object Number: 1752333  Size: FS
Master Electrical Component List
Control Module References
ENG 1 and ENG 2 Fuses - 4.8L, 5.3L and 6.0L
AIRBAG, FAN CLTCH, IGN E, ISRVM, SPARE and TBC IGN 1 Fuses
Ignition Switch - ACCY/RUN, RUN/START Bus Bars and IGN B Fuse
Figure 16:

ENG 1 and ENG 2 Fuses - 4.8L, 5.3L, and 6.0L


Object Number: 1752365  Size: FS
Master Electrical Component List
Control Module References
BRK, CRNK, FRT WPR, HVAC, ING 0, TBC ACCY and TBC/TCM ACCY Fuses
ENG 1, ENG 2 and SPARE Fuses - 4.3L and 6.6L
Ignition Switch - ACCY/RUN, RUN/START Bus Bars and IGN B Fuse
Figure 17:

BRK, CRNK, FRT WPR, HVAC, IGN 0, TBC ACCY, and TBC/TCM ACCY Fuses


Object Number: 1752366  Size: FS
Master Electrical Component List
Control Module References
HVAC 1 Fuse
ENG 1 and ENG 2 Fuses - 4.8L, 5.3L and 6.0L
Ignition Switch - ACCY/RUN/START, RUN, START Bus Bars and IGN A Fuse
Figure 18:

HVAC 1 Fuse


Object Number: 1752367  Size: FS
Master Electrical Component List
Control Module References
ECM, ECM ACT, LT-HI BEAM, LT-LO BEAM, RT-HI BEAM, RT-LO BEAM and SPARE Fuses
BRK, CRNK, FRT WPR, HVAC, ING 0, TBC ACCY and TBC/TCM ACCY Fuses
Ignition Switch - ACCY/RUN/START, RUN, START Bus Bars and IGN A Fuse
Figure 19:

ECM, ECM ACT, LT - HI BEAM, LT - LO BEAM, RT - HI BEAM, RT - LO BEAM, and SPARE Fuses


Object Number: 1752369  Size: FS
Master Electrical Component List
Control Module References
FRT PRK, LT REAR PRK, RT REAR PRK, TRLR PRK, UPFTR PRK LAMPS Fuses and PWR WNDW Circuit Breaker
HVAC 1 Fuse
B+ Bus - Underhood Fuse Block - Gas
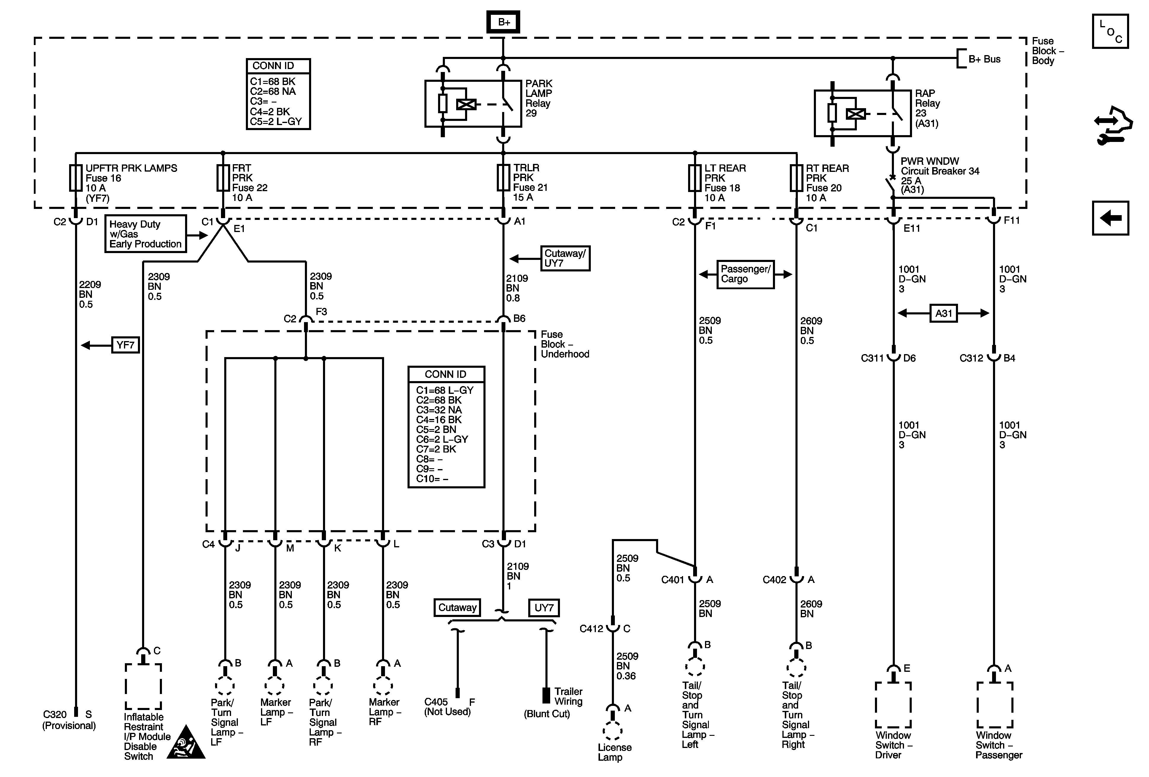
Figure 20:

FRT PRK, LT REAR PRK, RT REAR PRK, TRLR PRK, UPFTR PRK LAMPS Fuses and PWR WNDW Circuit Breaker


Object Number: 1752371  Size: FS
Master Electrical Component List
Control Module References
ECM, ECM ACT, LT-HI BEAM, LT-LO BEAM, RT-HI BEAM, RT-LO BEAM and SPARE Fuses
B+ Bus - Body Fuse Block
SIR Caution for Zoning