GM Service Manual Online
For 1990-2009 cars only
Makes
🢒
GMC_Truck
🢒
2007
🢒
Savana - AWD
🢒
Brakes
🢒
Hydraulic Brakes
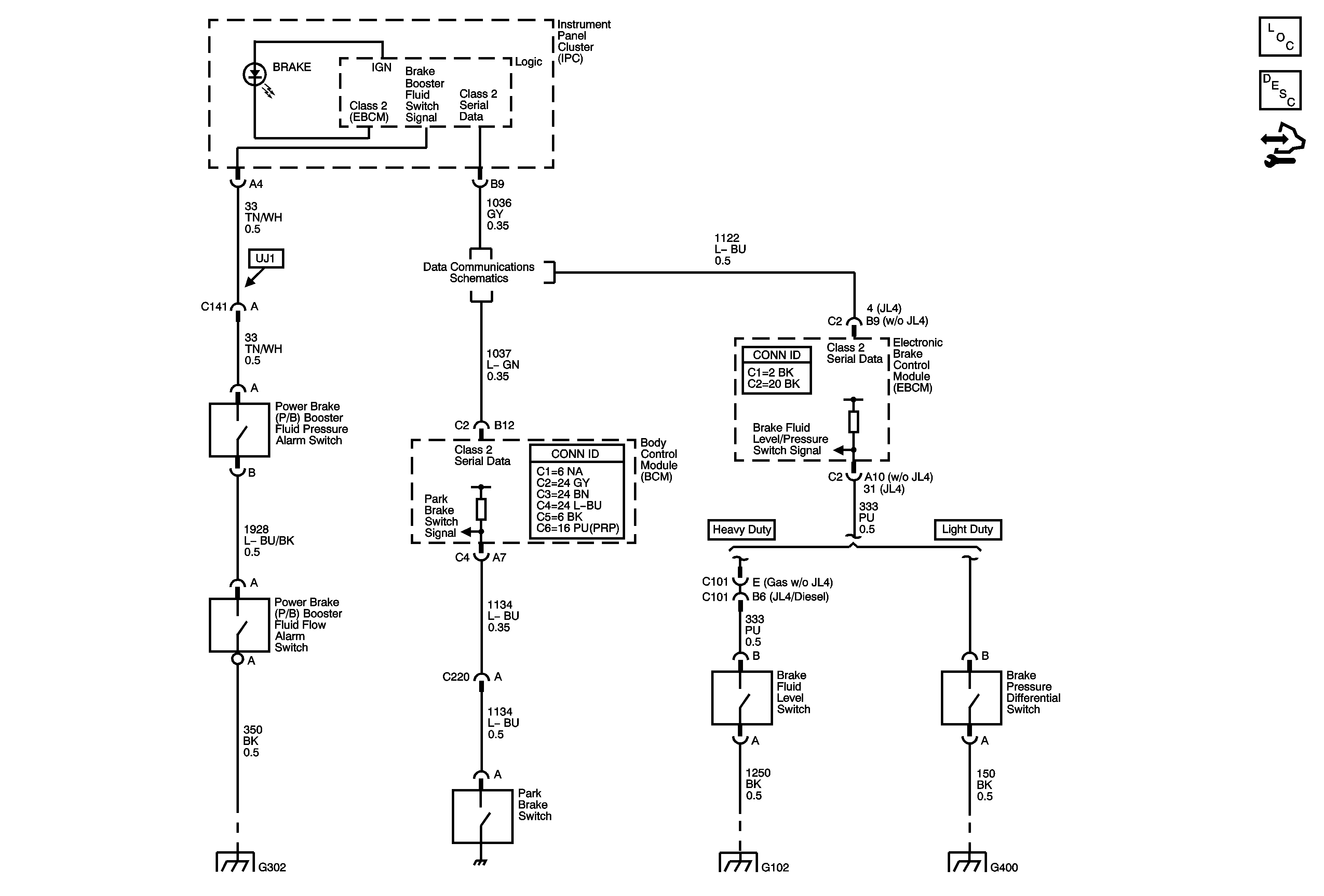
🢒 Hydraulic Brake Schematics
Master Electrical Component List
Brake Warning System Description and Operation
Control Module References
Power, Ground, DLC and Splice Pack SP200
G302
G102
G400