GM Service Manual Online
For 1990-2009 cars only
Makes
🢒
GMC_Truck
🢒
2007
🢒
Savana - AWD
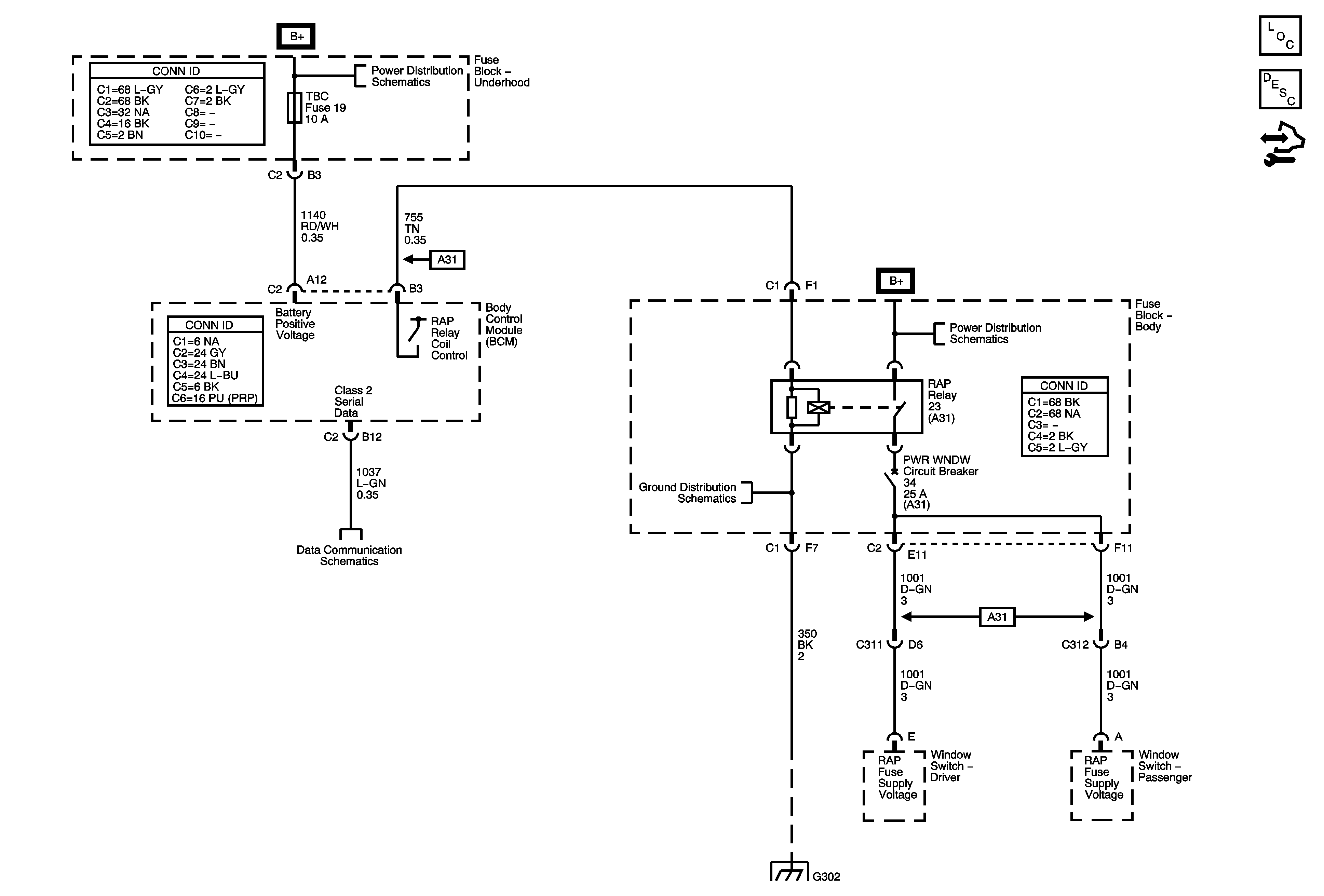
🢒 Power Moding Schematics
Power Moding Schematics
Master Electrical Component List
Retained Accessory Power (RAP) Description and Operation
Control Module References
B+ Bus - Underhood Fuse Block - Gas
B+ Bus - Body Fuse Block
G302
Power, Ground, DLC and Splice Pack SP200
G302