GM Service Manual Online
For 1990-2009 cars only
Makes
🢒
GMC_Truck
🢒
2007
🢒
Savana - AWD
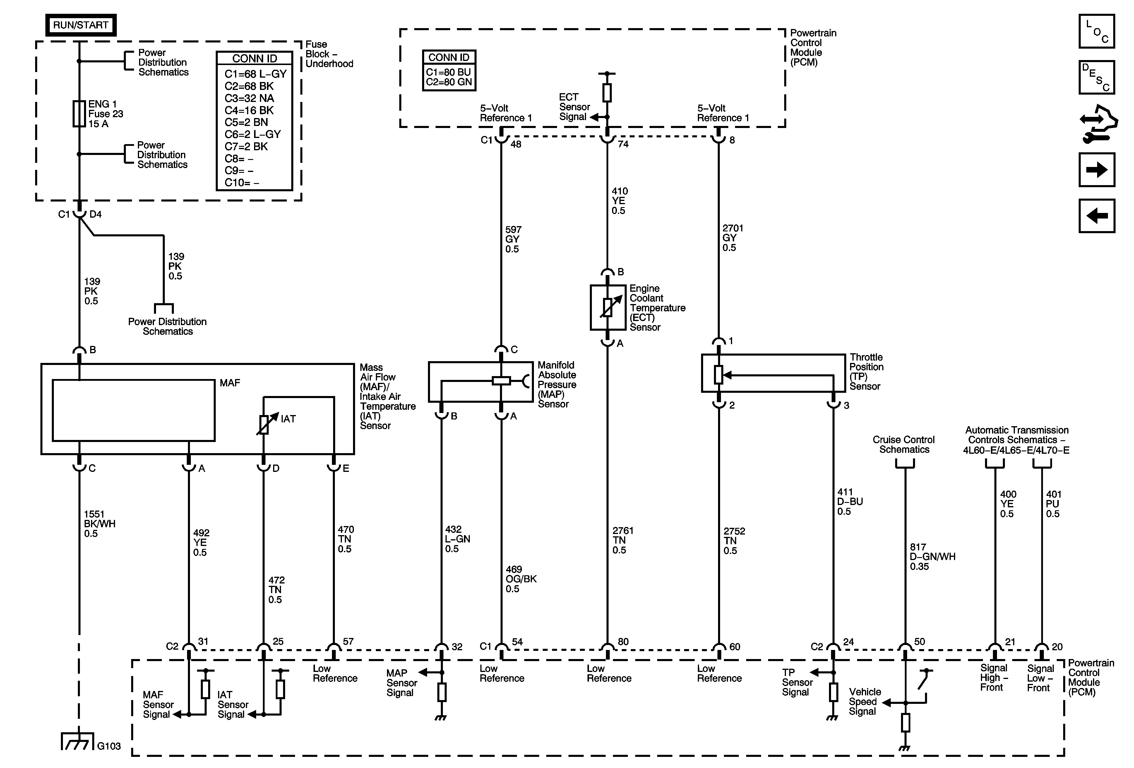
🢒 Engine Data Sensors - Pressure, Temperature, and Position
Engine Data Sensors - Pressure, Temperature, and Position
Engine Data Sensors - Pressure, Temperature, and Position
Master Electrical Component List
Powertrain Control Module Description
Control Module References
Engine Data Sensors - Oxygen Sensors
Engine Data Sensors - 5-Volt and Low Reference
Ignition Switch - ACCY/RUN, RUN/START Bus Bars and IGN B Fuse
ENG 1, ENG 2 and SPARE Fuses - 4.3L and 6.6L
ENG 1, ENG 2 and SPARE Fuses - 4.3L and 6.6L
Module Power, Ground, Serial Data and MIL
4.3L
Pressure Controls, Temperature and VSS