GM Service Manual Online
For 1990-2009 cars only
Makes
🢒
GMC_Truck
🢒
2007
🢒
Savana - AWD
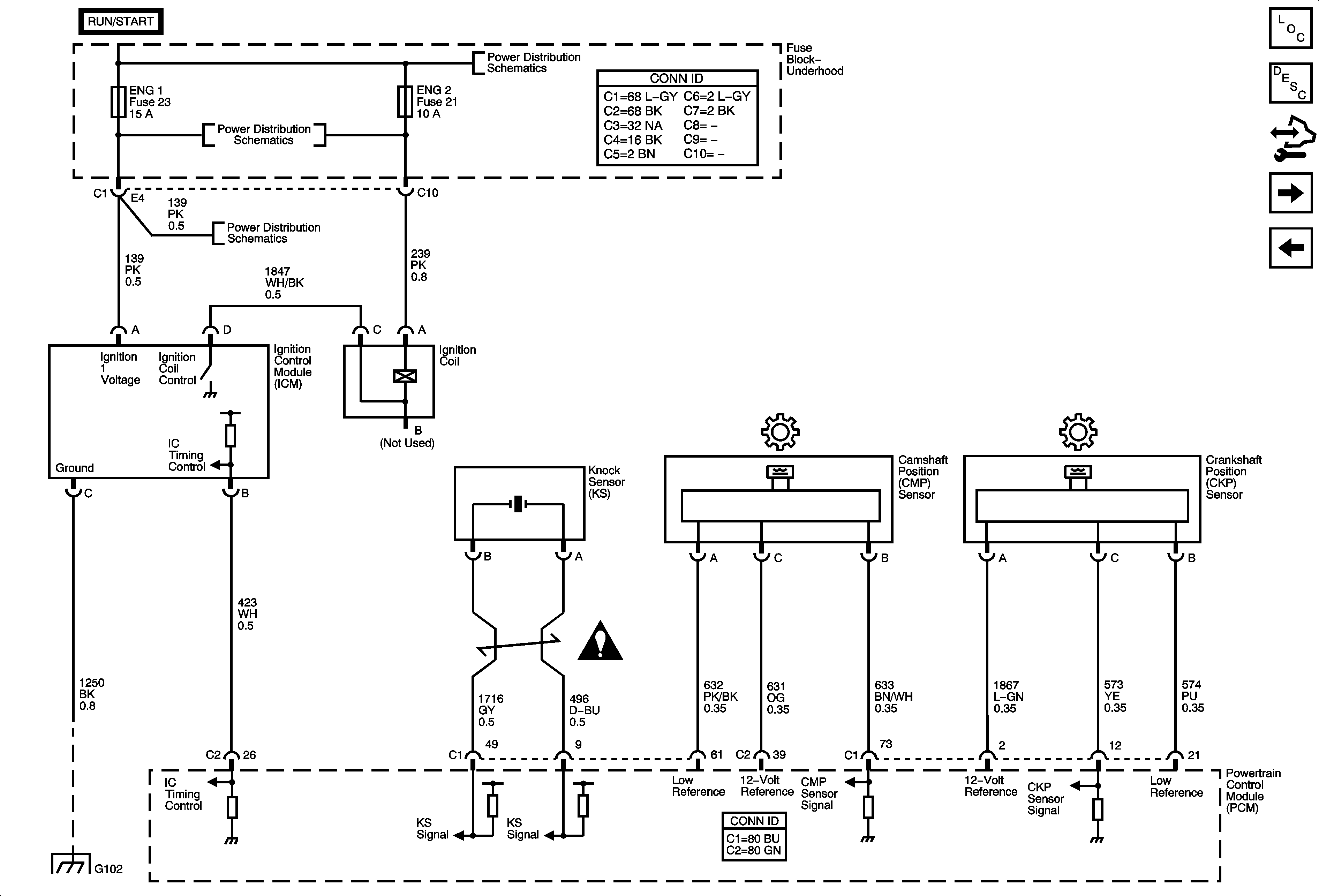
🢒 Ignition Controls
Ignition Controls
Ignition Controls
Master Electrical Component List
Powertrain Control Module Description
Control Module References
Fuel Controls - Fuel Pump Controls
Engine Data Sensors - Oxygen Sensors
ENG 1, ENG 2 and SPARE Fuses - 4.3L and 6.6L
ENG 1, ENG 2 and SPARE Fuses - 4.3L and 6.6L
Ignition Switch - ACCY/RUN, RUN/START Bus Bars and IGN B Fuse
Engine Controls Schematic Icons
G102