GM Service Manual Online
For 1990-2009 cars only
Makes
🢒
GMC_Truck
🢒
2007
🢒
Savana - AWD
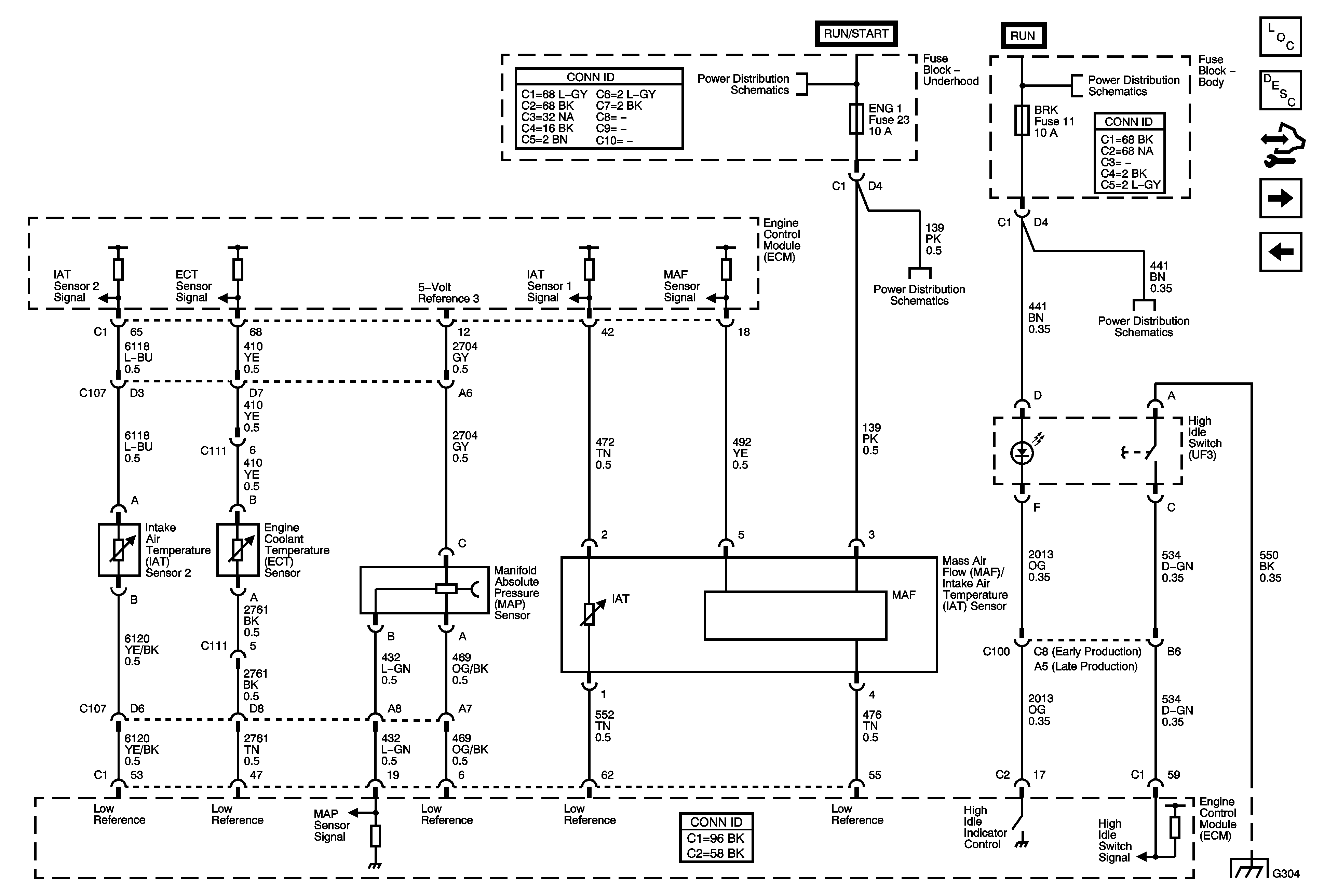
🢒 Engine Data Sensors Pressure, Temperature, MAF and High Idle Switch
Engine Data Sensors Pressure, Temperature, MAF and High Idle Switch
Engine Data Sensors - Pressure, Temperature, MAF, and High Idle Switch
Master Electrical Component List
Engine Control Module Description
Control Module References
Engine Data Sensors - EGR and Turbocharger Controls
Engine Data Sensors - 5-Volt and Low Reference
Ignition Switch - ACCY/RUN, RUN/START Bus Bars and IGN B Fuse
ENG 1, ENG 2 and SPARE Fuses - 4.3L and 6.6L
Ignition Switch - ACCY/RUN/START, RUN, START Bus Bars and IGN A Fuse
BRK, CRNK, FRT WPR, HVAC, ING 0, TBC ACCY and TBC/TCM ACCY Fuses
G304