GM Service Manual Online
For 1990-2009 cars only
Makes
🢒
GMC_Truck
🢒
2007
🢒
Savana - AWD
🢒 Starting System - Gas
Starting System - Gas
Starting System - Gas
Master Electrical Component List
Starting System Description and Operation
Control Module References
Starting System - Diesel
Ignition Switch - ACCY/RUN, RUN/START Bus Bars and IGN B Fuse
ENG 1, ENG 2 and SPARE Fuses - 4.3L and 6.6L
ENG 1 and ENG 2 Fuses - 4.8L, 5.3L and 6.0L
ENG 1, ENG 2 and SPARE Fuses - 4.3L and 6.6L
ENG 1 and ENG 2 Fuses - 4.8L, 5.3L and 6.0L
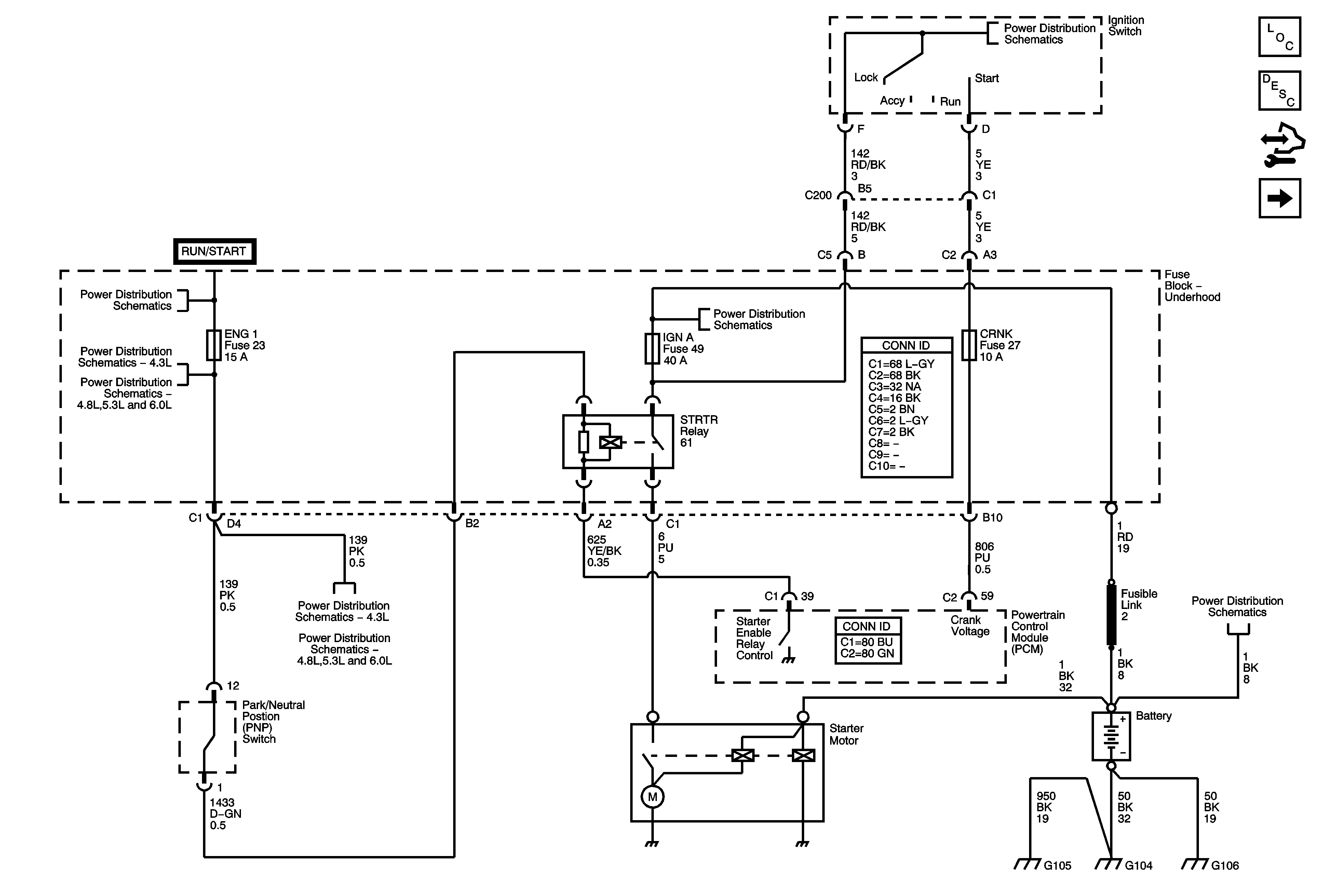
Ignition Switch - ACCY/RUN/START, RUN, START Bus Bars and IGN A Fuse
B+ Bus - Underhood Fuse Block - Gas
B+ Bus - Underhood Fuse Block - Gas