GM Service Manual Online
For 1990-2009 cars only
Makes
🢒
GMC_Truck
🢒
2007
🢒
Savana - AWD
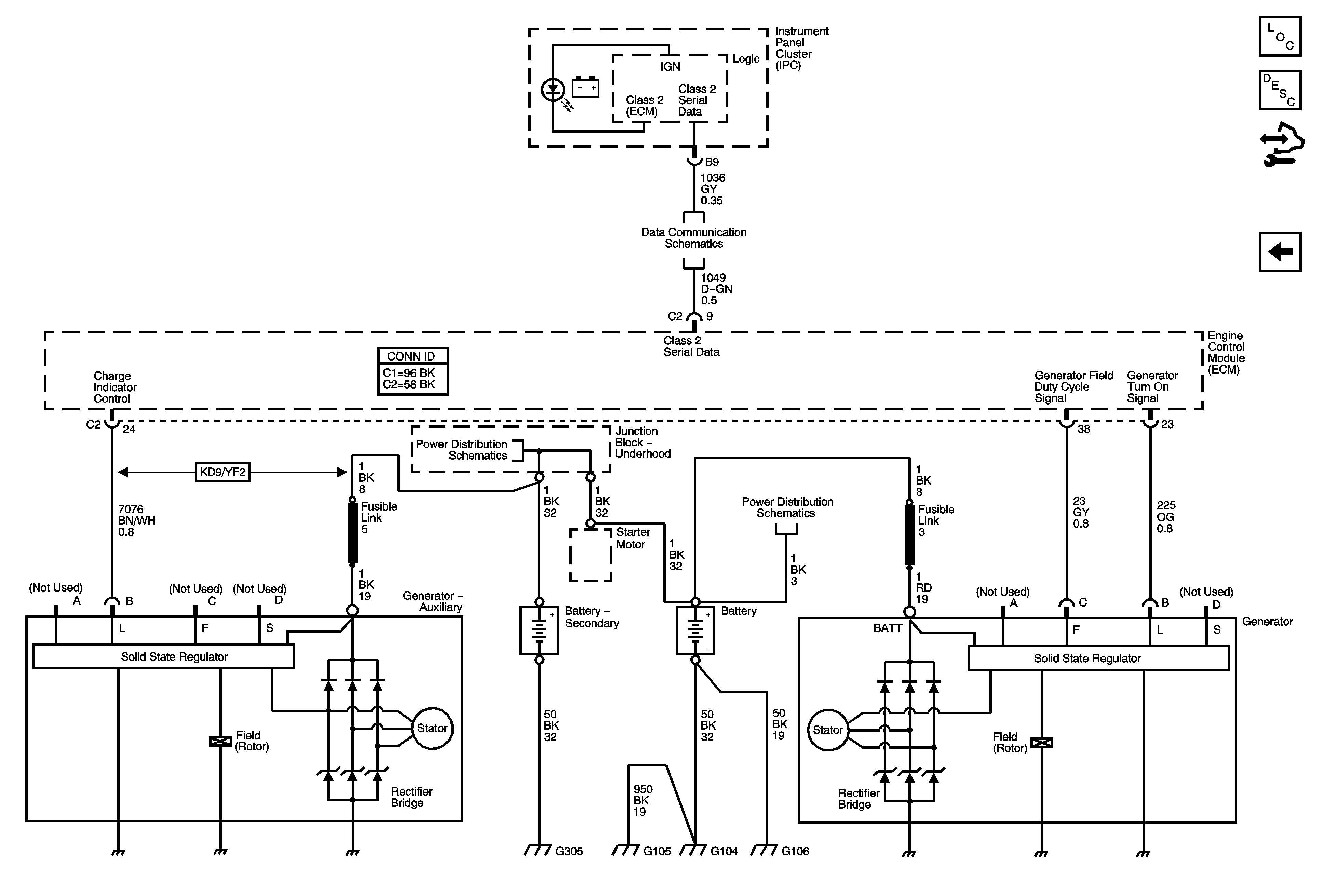
🢒 Charging System - Diesel
Charging System - Diesel
Charging System - Diesel
Master Electrical Component List
Charging System Description and Operation
Control Module References
Charging System - Gas
Power, Ground, DLC and Splice Pack SP200
B+ Bus - Underhood Fuse Block - Diesel
B+ Bus - Underhood Fuse Block - Diesel