GM Service Manual Online
For 1990-2009 cars only
Makes
🢒
GMC_Truck
🢒
2007
🢒
Savana - AWD
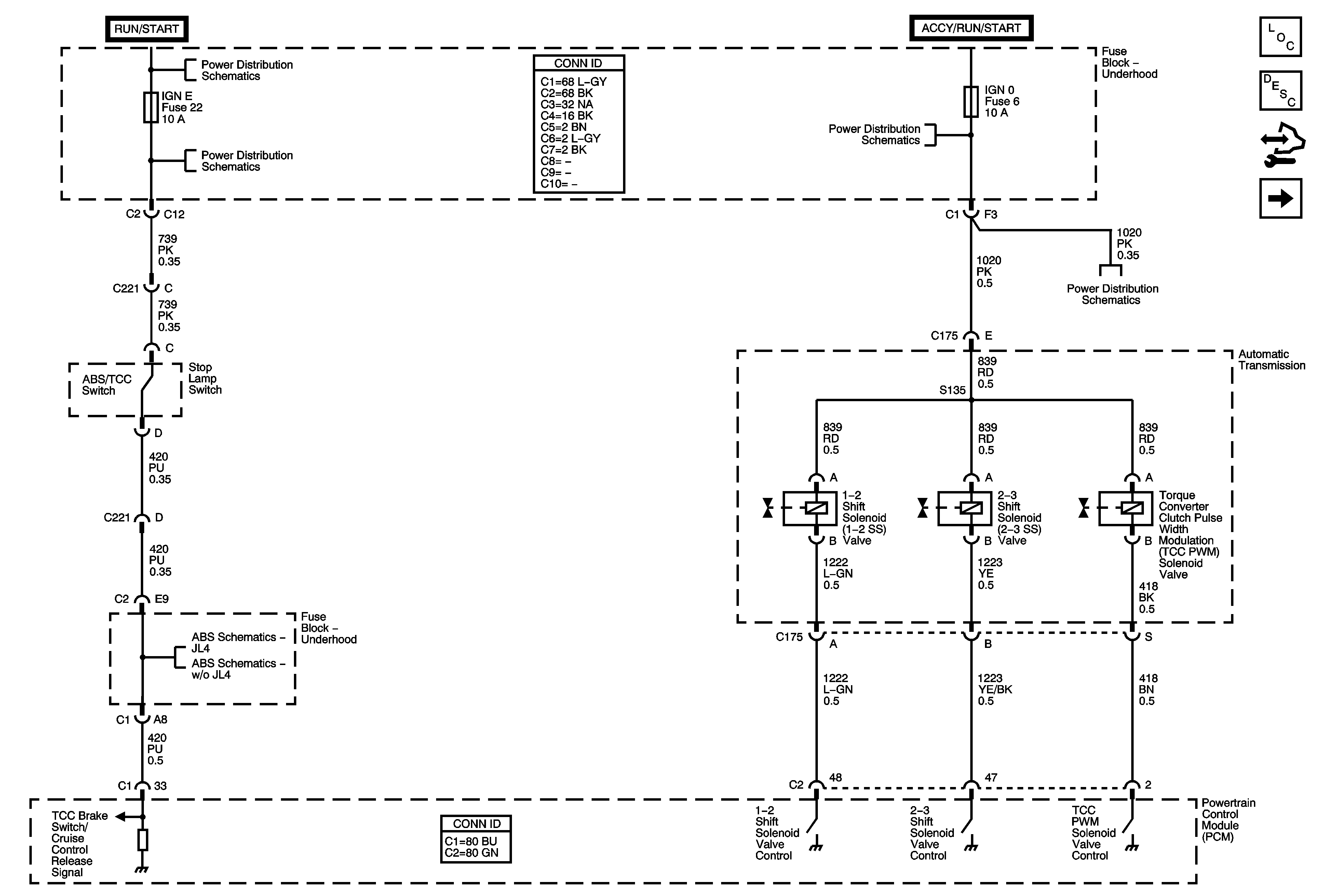
🢒 Shift Controls and Stop Lamp Switch
Shift Controls and Stop Lamp Switch
Shift Controls and Stop Lamp Switch
Master Electrical Component List
Electronic Component Description
Control Module References
Pressure Controls, Temperature and VSS
Ignition Switch - ACCY/RUN, RUN/START Bus Bars and IGN B Fuse
AIRBAG, FAN CLTCH, IGN E, ISRVM, SPARE and TBC IGN 1 Fuses
BRK, CRNK, FRT WPR, HVAC, ING 0, TBC ACCY and TBC/TCM ACCY Fuses
BRK, CRNK, FRT WPR, HVAC, ING 0, TBC ACCY and TBC/TCM ACCY Fuses
Power, Ground, Serial Data, Indicator, VSS and Stop Lamp Switch - JL4
Power, Ground, Serial Data, Indicator and Stop Lamp Switch - w/o JL4